Проектування радіомовного приймача діапазону КВ–1
Вступ
Радіоприймальний пристрій складається із прийомної антени, радіоприймача й кінцевого пристрою, призначеного для відтворення сигналів.
Для усунення недоліків приймачів прямого посилення була запропонована схема приймача з перетворенням частоти. При цьому основне посилення сигналу здійснюється на проміжній частоті. Підсилювач проміжної частоти забезпечує високу вибірковість по сусідньому каналу. Перебудова по діапазону здійснюється за рахунок простих систем перебудови частоти гетеродину й частоти настроювання вхідного ланцюга. У цьому випадку частотно – вибіркові ланцюги, включені до перетворювача частоти, здійснюють вибірковість по дзеркальному каналу
Усі супергетеродинні приймачі складаються із трьох основних частин: лінійного тракту, демодулятора й пристроїв регулювань (керування). Лінійний тракт однаковий для приймачів різних типів. Він складається із вхідного ланцюга (ОЦ), підсилювача радіочастоти (ПРЧ), змішувача (З) і гетеродину (Г) перетворювача частоти, а також підсилювача проміжної частоти (ППЧ).
Гідності:
поліпшується вибірковість по сусідньому каналу;
спрощується перебудова частоти приймача;
при перебудові не змінюються основні характеристики приймача;
висока чутливість супергетеродинних приймачів обумовлена високим коефіцієнтом передачі амплітудного детектора, пов'язана з тим, що амплітудний детектор працює в режимідетектирования сильних сигналів.
Недоліком супергетеродинних приймачів є наявність побічних каналів приймання.
Основна частина
1.1 Радіохвилі. Їх відкриття
Відкриття радіохвиль дало людству масу можливостей. Серед них: радіо, телебачення, радари, радіотелескопи й бездротові засоби зв'язку. Усе це полегшує нам життя. За допомогою радіо люди завжди можуть попросити допомоги в рятувальників, кораблі й літаки подати сигнал нещастя, і можна довідатися, події відбуваються у світі.
Гіпотезу про існування радіохвиль висунув англійський учений Джеймс Максвелл на підставі вивчення робіт Фарадея по електриці. Для висування гіпотези про можливість виникнення електромагнітних хвиль Максвелл спирався на відкриття індукційного струму Фарадеєм. Максвелл пояснив появу індукційного струму виникненням вихрового електричного поля при будь-якій зміні магнітного поля. Далі він допустив, що електричне поле має такі ж властивості: при будь-якій зміні електричного поля в навколишньому просторі виникає вихрове електричне поле.

Рисунок 1 – Схема радіохвилі
Процес взаємного породження магнітного й електричного поля повинен безупинно тривати й захоплювати усі нові й нові області в навколишньому просторі. Процес взаємного опородження електричних і магнітних полів відбувається у взаємно перпендикулярних площинах. Електричні й магнітні поля можуть існувати в речовині й у вакуумі, і можуть поширюватися у вакуумі. Умовою виникнення електромагнітних хвиль є прискорений рух електричних зарядів. Так, зміна магнітного поля відбувається при зміні струму в провіднику, а зміна струму відбувається при зміні швидкості зарядів. Отже, електромагнітні хвилі повинні виникати при прискореному русі електромагнітних зарядів.
А
ле
от створення електромагнітних хвиль
дослідним шляхом належить фізикові
Герцу. Для цього Герців використовував
високочастотний іскровий розрядник
(Вібратор).
Рисунок 2 – Схема найпростішого іскрового розрядника
Зробив цей досвід Герців в 1888 г. Полягав вібратор із двох стрижнів, розділених іскровим проміжком. Експериментував Герців із хвилями частотою 100000000 Гц. Обчисливши власну частоту електромагнітних коливань вібратора, Герц зміг визначити швидкість електромагнітної хвилі по формулі υ=λν.Вона виявилася приблизно дорівнює швидкості світла: з=300000 км/с. Досвід Герца блискуче підтвердили пророкування Максвелла. Для порушення коливань вібратор підключався до індуктора. Коли напруга на іскровому проміжку досягало пробивного значення, виникла іскра, яка закорочувала обидві половинки вібратора. У результаті виникали вільні загасаючі коливання, які тривали доти, поки іскра не гаснула. А для того щоб виникаючий при коливаннях високочастотний струм не відгалужувався в обмотки індуктора, між вібратором і індуктором включалися дроселі (котушки з великою індуктивністю). Після загасання іскри вібратор знову заряджався від індуктора, і весь процес повторювався знову. Таким чином, вібратор Герца збуджував ряд цугів слабко загасаючих хвиль.
І
під час цих коливань встановлювалася
стояча хвиля струму й напруги. Сила
струму I була максимальною (пучність) у
середині вібратора й зверталася в нуль
на його кінцях. Напруга U у середині
вібратора мала вузол, на кінцях –
пучності. Досвіди Герца були продовжені
П.Н. Лебедєвим в 1894 г. П.Н. Лебедєв відкрив
подвійне переломлення хвиль у кристалі.
Також радіохвилі мають усі основні
властивості хвиль.
Рисунок 3 – Зображення стоячих хвиль струму і напруги
Електромагнітні
хвилі залежно від довжини хвилі
(або частоти коливань
)
розділені умовно на наступні основні
діапазони: радіохвилі, інфрачервоні
хвилі, рентгенівські промені, видимий
спектр, ультрафіолетові хвилі й гама -
промені. Такий поділ електромагнітних
хвиль засноване на відмінності їх
властивостей при випромінюванні,
поширенні й взаємодії з речовиною.
2. Спеціальна частина
2.1 Вхідні дані
Діапазон частот 11 ÷ 13 МГц
Частотна характеристика 0,1 – 8,0 кГц
Чутливість
приймача U
=5мкВ
Вибірковість по дзеркальному каналу S>з.к.>=34дБ
Вибірковість по сусідньому каналу S>с.к.>=30дБ
Відношення сигнал/шум на виході приймача γ=25
Вихідна
потужність: P
=350 мВт
Напруга живлення: 15 В.
2.2 Розрахунки смуги пропускання приймача
Смуга пропущення приймача П складається із ширини спектра сигналу П>с> і нестабільностей у тракті й неточності настроювань П>н>:
П=П>с>+П>н>
Ширина спектра сигналу визначається типом використовуваного сигналу в лінії зв'язку. Для безперервного ЧМ модульованого сигналу:
.
Нестабільність ураховується в такий спосіб:
,
де f>с> - нестабільність частоти сигналу,
f>г> - нестабільність частоти гетеродину приймача,
f>нач> - початкова неточність установки частоти гетеродину,
f>пч> - неточність настроювання контурів ППЧ.
Тому
що діапазон частот рівний
,
те в подальших розрахунках ми будемо використовувати середнє значення цього діапазону, тобто fc>.>=12 Мгц.
Задамося нестабільністю частоти сигналу Δf/f>с>=±1·10-6,
звідки =fc·10-6=12·106·10-6=12 Гц.
У супергетеродинних приймачах частотна вибірковість визначається в основномуослабленнями дзеркального S>езк> і сусіднього (або сусідніх) S>еск> каналів. У приймачах з одинарним перетворенням частоти ослаблення дзеркального каналу забезпечує преселектор, ослаблення сусіднього каналу - в основномуППЧ і частково преселектор. Резонансні характеристики преселектора й ППЧ повинні бути такими, щоб лінійний тракт мав смугу пропущення не менше заданої П.
Проміжна частота f>п> повинна лежати поза діапазоном прийнятих частот f>е> й забезпечувати:
Задану вибірковість по дзеркальному каналу S>езк>.
Задану вибірковість по сусідньому каналу S>еск> .
Задану смугу пропущення лінійного тракту П.
Можливість застосування контурів з реалізованою добротністю.
Для наших розрахунків вибираємо значення проміжної частоти f>п>= 6,5 Мгц.
Нехай
,
тоді для транзисторного гетеродину із
кварцовою стабілізацією
.
Початкова неточність установки частоти гетеродину становить

Нестабільність проміжної частоти ПЧ становить



Смуга
пропущення лінійного тракту приймача
П повинна бути не ширше діапазону
частот
,
тобто
Тому що наша відповідь задовольняє умову, то розв'язки виконані вірно.
2.3 Забезпечення припустимого коефіцієнта шуму
Визначивши смугу лінійного тракту, перейдемо до вибору перших каскадів приймача, що забезпечують необхідну чутливість. Цей параметр характеризується припустимим коефіцієнтом шуму N>д>.
Шумова смуга тракту:
П>ш>=1.1·П=1.1·201,76кГц=221,936кГц.
Допустимыйкоэффициентшумасоставляет
,
де U – задана чутливість,
Uп – напруженість поля зовнішніх перешкод
γ - співвідношення ефективних напруг сигнал/шум,
Т>0>=290 ДО - стандартна температура приймача,
П>ш> - шумова смуга лінійного тракту,
k=1,3810-23Дж/гради -постійнаБольцмана.
Припустимий
коефіцієнт шуму складе
=
16,4.
Визначимо реальний коефіцієнт шуму приймача:
,
де N>вц> - коефіцієнт шуму вхідномуланцюга,
N>УРЧ> - коефіцієнт шуму ПРЧ;
N>ПЧ> - коефіцієнт шуму ПЧ;
N>УПЧ> - коефіцієнт шуму ППЧ;
K>Pвц> - коефіцієнт передачі потужності вхідномуланцюга;
K>PУРЧ> - коефіцієнт передачі потужності ПРЧ;
K>PПЧ> - коефіцієнт передачі потужності ПЧ;
L>Ф> - коефіцієнт передачі потужності антенного фідера.
Коефіцієнт передачі потужності антенного фідера визначається по формулі.
,
де β>Ф> - погонне загасання, l>Ф> - довжина фідера.
З таблиці [3] вибираємо тип фідера: прямокутний мідний посріблений хвилевід.
β>Ф>=0.015..0.022
Антена зовнішня: l>Ф>=2м
Визначимо коефіцієнт передачі антенного фідера: L>Ф>=0.993.
Коефіцієнт передачі вхідномуланцюгастановитьK>Pвц>= 0.5..0.7.
Коефіцієнт шуму вхідномуланцюгастановитьN>вц>=1/K>Pвц>.
Коефіцієнт шуму ПЧN>ПЧ>=5..12.
Коефіцієнт передачі потужності ПЧK>PПЧ> =0,2
Коефіцієнт шуму УПЧN>УПЧ>=4..10.
По формулі визначимо очікуваний коефіцієнт шуму приймача:
N = 8,22

Далі порахуємо коефіцієнт підсилення преселектора:

Коефіцієнт підсилення, який нам треба одержати від УПЧстановить:

2.4 Розрахунки вхідного ланцюга
У вхідному ланцюзі застосуємо індуктивний зв'язок контуру вхідномуланцюга із входом першого активного елемента приймача.
Для цього виберемо як вхідного ланцюга схему на рис. 4.

Рисунок 4 – Схема вхідного ланцюга з індуктивним зв'язком з антеною й транзистором
У якості елемента настроювання будемо використовувати конденсатори змінноїємності.
Коефіцієнт перекриття по частоті в заданомудіапазоні:

Вибираємо
двосекційний блок конденсаторів КПЕ-3
з параметрами
,
.
Перевіримо
співвідношення:
;
де
-
це сумарна паразитна ємність, у
реальномуконтурі включена паралельно
й мінімальне значення
на коротких і метрових хвилях. Підставивши
значення, одержуємо:
.
Нерівність виконується й значить застосування цього елемента настроювання можливо.
Загасання
еквівалентного контуру приймемо
.
Обчислюємо максимально припустиму ємність вхідного ланцюга:
.
Обчислимо індуктивність:
.
Знаходимо індуктивність котушки зв'язки з антеною:
,
де
- мінімальна ємність антени,
-
коефіцієнт подовження.
Визначаємо
коефіцієнт зв'язку з антеною й коефіцієнт
включеннявхідномуланцюга до входу ПРЧ
для одержання необхідної вибірковості
по дзеркальному каналу
так, щоб на
й
минулому рівні суми загасань, внесених
антеною й входом ПРЧ.
,
де
;

.
;
.
Обчислюємо
коефіцієнт зв'язку з антеною, що забезпечує
припустиму розлагодження контуру
вхідного ланцюга. При цьому вважаємо,
що антена і вхідна ємністьПРЧ вносять
однакове розлагодження, причому сумарне
розлагодження не перевищує
.
Вважаємо також, що при регулюванні ми
компенсуємо середню зміну
по діапазону. Тоді нескомпенсованим
залишається лише вплив випадкових
відхилень
при експлуатації. Для цього беремо
припустиме розлагодження контуру
антеною:
;

Порівнюємо
й вибираємо
з умов:
,
,
,
де
-
конструктивно здійсненний коефіцієнт
зв'язку, рівний 0,5÷0,6 для котушок з
універсальним намотуванням і 0,4÷0,5 для
котушок з одношаровим намотуванням.
Отже,
,
,
.
Вибираємо коефіцієнт зв'язку
.
Вибираємо
індуктивність зв'язку так, щоб вона
разом з ємністю
утворювала контур, настроєний на частоту
вище
при верхньомунастроюванні гетеродину:
.
Обчислюємо
коефіцієнт зв'язку між котушками
й
,
необхідний для одержання
певного
раніше:
.
Знаходимо ємність підстроювального конденсатора:
.
Визначаємо
коефіцієнт передачі вхідномго ланцюга
на
й
:

де
-
частота настроювання вхідного ланцюга.
Для
:
.
Для
:
.
Як
видне вибір
дав досить гарну рівномірність
по діапазону.
Узагальнене
розлагодження, на частоті дзеркального
каналу
дорівнює:
.
2.5 Розрахунки підсилювача радіочастоти

Рисунок 5 – Принципова схема ПРЧ
Узагальнене
розлагодження, на частоті дзеркального
каналу
,
яку повинен забезпечити ПРЧ:
.
Отже, еквівалентне загасання, яке повинен забезпечити ПРЧ:
.
Добротність
контуру:
.
Дана добротність реалізована.
У якості активного
елемента ПРЧ був обраний КТ313Д. Транзистор
повинен задовольняти умові:
,
де
- гранична частота крутості характеристики
в схемі з ЗЕ, при якій
падає до рівня 0,7 від свого низькочастотного
значення, а
- максимальна частота прийнятих сигналів.
Дана
умова виконується:
.
Параметри
робочої крапки:
,
,
,
.
-
параметри даного транзистора, включеного
за схемою з ОЭ, можна розрахувати по
наближених формулах таблиці 3.1[2]:
;
;
;
де
;
;
;
-
гранична частота посилення струму в
схемі з ЗЕ.
Розрахунки елементів ланцюгиживлення
1.Припустимазмінаструму
колектора:
.
2.Опору в ланцюзі емітера визначається наближеною формулою:
.
3.Зміна зворотного струму колектора:
.
4.Коефіцієнт нестабільності для схеми температурної стабілізації:
.
5.Коефіцієнт підсилення по струму в схемі із загальною базою:
.
6.Розрахунки опорів дільника:
.


Вибираємо R>1> ≈ 2,4кому зі стандартно го ряду опорів Е24.
.
Вибираємо R>2> ≈ 6,2кому зі стандартно го ряду опорів Е24.
Визначаємо речовинну складову вхідної провідності каскаду ПРЧ із урахуванням опорів дільника:
.
Щоб
уникнути зайвого негативного зворотного
зв'язку по змінномуструму вибираємо
значення ємності в ланцюзі емітера
,
з умови:
.
Зі
стандартного ряду вибираємо номінал
.
Ємність блокувального конденсатора в ланцюзіживлення вибираємо аналогічно:
.
Зі
стандартного ряду вибираємо номінал
.
Розділовий
конденсатор
.
Індуктивність контуру вибираємо аналогічно вхідномуланцюга:
.
Резонансна провідність коливального контуру:
.
У
даній схемі
на верхній частоті діапазону має
найбільше значення. Вплив зовнішніх
ланцюгів на параметри коливального
контуру буде найбільшим також на верхній
частоті, тому коефіцієнти включення
(трансформації)
і
вибирають,
виходячи із припустимого впливу зовнішніх
ланцюгів на параметри коливального
контуру, саме на максимальній розрахунковій
частоті. У межах діапазону, що
розраховується,
і від частоти настроювання не залежать.
Розраховуємо
значення
:
-
з умови припустимого коефіцієнта
подовження
:
;
- з умови припустимого впливу внутрішньомузворотномузв'язка на стійкість роботи ПРЧ:
;
-
з умови розлагодження контуру не більш,
ніж на половину смуги пропущення за
рахунок підключення до нього
:
.
Із
трьох отриманих значень вибираємо
менше
,
яке використовуємо при подальших
розрахунках.
Розраховуємо
значення
:
-
з умови припустимого коефіцієнта
подовження
:
;
- з умови припустимого розлагодження контуру:
;
Із
двох значень вибираємо менше
,
яке використовуємо в подальших
розрахунках.
Розрахуємо значення індуктивностей котушок зв'язки:
;
;
де k - коефіцієнт магнітного зв'язку між котушками, при одношаровому намотуванніk = 0,2...0,3, при багатошаровому k = 0,4...0,5.
Резонансна
провідність коливального контуру на
резонансній частоті й на крайніх частотах
діапазону:
;
;
;
.
Резонансна
провідність еквівалентного контуру на
резонансній частоті й на крайніх частотах
діапазону:
;
;

;
Еквівалентна добротність контуру на резонансній частоті:
.
Резонансний коефіцієнт підсилення:
.
Узагальненерозлагодження,
на частоті дзеркального каналу
дорівнює:
.
2.6 Розрахунки перетворювача частоти
Виберемо транзисторний перетворювач частоти із зовнішнім гетеродином. У такомуперетворювачі сигнал від вхідного ланцюга надходить до бази біполярного транзистора змішувача, включеного за схемою з ЗЕ. При такімвключенні вхідна провідність змішувача для напруги сигналу виходитьменшої, чому в схемі із ПРО.
Розрахуємо елементи живлення транзистора:
Параметри транзистора 2Т603И:
-
зворотний струм колектора
-
гранична частота
-
колекторний струм
-
напруга в робочій крапці
-
напругаживлення

Визначимо зміну зворотного струму колектора:

Знаходимо тепловий зсув струму бази:

Де

Розраховуємо необхідну нестабільність колекторного струму:

Обчислюємо опір резисторів

Далі підраховуємо ємності конденсаторів:

Розрахуємо параметри коливального контуру настроєного на проміжну частоту. Вибираємо min ємність контуру. Звичайно її беруть у межах 40-60 пФ. Вибираємо 40 пФ.
Сmin = 40 пФ
Визначаємо індуктивність котушки контуру:

Визначаємоємність:


2.7 Розрахунки фільтра зосередженої селекції
Вихідними даними є наступні характеристики:
Смугу
пропущення 2
f= 2МГц;
Вибірковість по сусідньому каналу приймання S>ск>= 30 дБ;
Сусідній канал відбудований від проміжної частоти приймача на 10 МГц.
Навантаженнями фільтра служать вихідний опір підсилювального каскаду ППЧ дорівнює 200 Ом тому й вхідний опір наступного каскаду рівне 200 Ом.
Номінал проміжної частоти приймача f>пч>=6,5 Мгц.
Вихідна ємність підсилювального каскаду С>вых>=2 пФ, вхідна ємність наступного каскаду (навантаження) С>вх>=5 пФ. Втрати фільтра в смузі пропущення повинні бути мінімальні.
Через високі вимоги до вибірковості фільтра, доцільно вибрати фільтр із чебишевською характеристикою загасання.
Визначимо нормовану частоту.
Відповідно
до вихідних даних 2
МГц;
f>0>
=f>пч>=6,5
МГц ; f>н>=7,5
МГц;
f>–н>=6,5 Мгц.
Звідси знаходимо:

Перерахуємо
задане ослаблення S>ск>,
вважаючи, що 1дБ=0,115неп;
неп.
Уважаючи
припустиму нерівномірність загасання
в межах смуги пропущення не більш
0,1неп
(0,8дБ) за графіком мал.1.5 [3] визначаємо
клас фільтра, n=6.
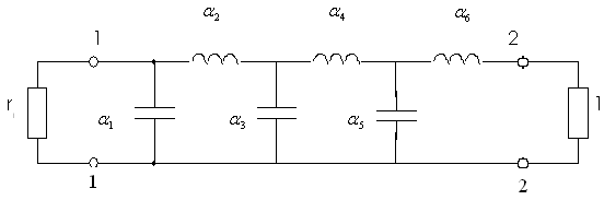
Доцільно вибрати наступну схему прототипу:

Навантаження
фільтра на клемах 2-2 R>2>=200Ом.
Вхід фільтра (клеми 1-1) навантажено на
більший опір 200 Ом, тому можна вважати
r>1>=
,
і параметри фільтра-прототипу знаходити
з таблиці 1.10 [3].
Вибираємо котушки індуктивності з добротністю Q=100

>1>=0,48;
>2>=2,87;
>3>=1,85;
>4>=2,6;
>5>=1,6;
>6>=1,62,
0,25неп
Користуючись
формулами таблиці 1.13 [3] переходимо від
елементів прототипу
>n>
до елементів фільтра
пФ;
мкГн;
1/Ом;
мкГн;
пФ;
Ом;
пФ;
мкГн;
1/Ом;
мкГн;
пФ;
Ом;
пФ;
мкГн;
1/Ом;
мкГн;
пФ;
Ом
Електрична схема фільтра без обліку втрат в елементах має вигляд
L>2>
C>2>
L>4>
C>4>
L>6>
C>6>
200кОм

L>1>
C>1>
L>3>
C>3>
L>5>
C>5>
200Ом
Величина
втрат у смузі пропущення фільтра:
0,25неп=2,17дБ
Через те, що нормальний рядємностей не містить конденсаторів менш 1пФ, при виготовленні фільтра слід реалізувати ємності З>2>, З>4>, З>6> на конденсаторах З>2>=З>4>=З>6>=1пФ із наступним підстроюванням контурів фільтра. Необхідно врахувати також, що З>1>=С>вых>+З>1>’, тобто конденсатор
З>1>’ = З>1 >- С>вых>= 38 пФ – 2 пФ = 36 пФ.
2.8 Розрахунки УПЧ
у вхідному каскаді й у якості аперіодичних каскадів використовуємо транзистор КТ340А, який має наступні характеристики:








Визначаємо допоміжні параметри:


Визначаємо g -, b -, c -, і |Y| - параметри:
,
,

,
,

,

,
,
,

Визначаємо коефіцієнт стійкого посилення:

Розраховуємо коефіцієнт підсилення проміжного аперіодичного каскаду:

Обчислюємо коефіцієнт підсилення каскаду, навантаженого на ФСІ:

де m>1> =1 – коефіцієнт включення контуру в колекторний ланцюг,
m>2> – коефіцієнт включення контуру в ланцюг бази транзистора наступного каскаду:

Визначимо необхідне число аперіодичних каскадів:

Таким
чином, число аперіодичних каскадів
рівно
.
Здійснюємо розрахунки кінцевого одноконтурного резонансного каскаду, настроєного на f>ПЧ.>, використовуємо транзистор КТ340А.
Спочатку обчислюємо критичні значення еквівалентного загасання контуру:



а – мінімально припустиме з погляду стабільності форми частотної характеристики, визначаєтьсявідношенням еквівалентної ємності контуру каскаду до ємності внесеної в контур транзистором.
в = 0,1 … 0,3
м = 1,0 … 1,5

Задавшись числом виборчих систем, визначаємо необхідне еквівалентне загасання контурів пропущення, що забезпечують смугу:

φ(m) – вибираємо з табл. 6.1 [2, стор. 272]. Тоді:

Отримані значення d ' і d" порівнюємоз еквівалентним загасанням контуру d>Э.>
Тому що d>Э>< d ', те в цьомувипадку режим максимального посилення каскаду при заданій смузі пропущення виявляється реалізованим без обмежень.
Максимальне посилення досягається при наступномувиборі параметрів схеми:
m>2> – коефіцієнт включення контуру в ланцюг бази транзистора наступного каскаду:

Еквівалентна ємність контуру рівна

Щоб забезпечити потрібне еквівалентне загасання контуру, його шунтирують резистором із провідністю:

Визначаємо параметри елементів контурів (індуктивності й власноїємності контуру):
Індуктивність котушки

Ємність конденсатора контуру

де СМ – ємність монтажу.
Визначимо коефіцієнт підсилення одноконтурного каскаду на частоті настроювання контуру по формулі:

Тому що К>oк>< К>ущ>, то каскад єстійким.
2.9 Розрахунок детектора

Рисунок 6 – Схема дробового детектора
Ємності
зв'язаних контурів
і
рівні й вибираються з діапазону 200 –
250 пФ.Візьмемо їхню ємність 200 пФ.
Індуктивності контурів також рівні й
обчислюються по формулі:

Тепер
визначимо коефіцієнти зв'язку між
і
,
і
по
вираженнях:


Вхідний опір детектора визначається по формулі:

Тепер визначаємо навантаження детектора:

Постійна часу ланцюга рівна:
,
звідси

Індуктивність котушки зв'язки визначається як:

Коефіцієнт підключення транзистора К контуру визначається з умови рівності внесених опорів з боку детектора й транзистора:

Ємності, шунтувальні навантаження детекторів рівні:

Тепер можемо визначити коефіцієнт передачі детектора. Для цього спочатку визначимо кут відсічки струму діодів:

Тоді крутість характеристики детектування рівна:

Коефіцієнт передачі детектора рівний:

Висновок
радіомовний приймач параметри
В даному курсовому проекті мною був розрахований радіомовний приймач діапазону КВ – 1 за заданими вхідними даними. Мною були розраховані деякі його параметри, такі як: смуга пропускання, припустимий коефіцієнт шуму, вхідний ланцюг, підсилювач радіочастоти, перетворювач радіочастоти, УПЧ та фільтр зосередженої селекції. Провівши розрахунки я закріпив свої знання з радіоприймальної техніки.