Расчет электронной схемы включения приемника излучения, согласованной с усилительной схемой по сигналу
МОСКОВСКИЙ ЭНЕРГЕТИЧЕСКИЙ ИНСТИТУТ
(ТЕХНИЧЕСКИЙ УНИВЕРСИТЕТ)
Кафедра Светотехники
Типовой расчет по курсу «Приемники излучения»
«Расчет электронной схемы включения приемника излучения, согласованной с усилительной схемой по сигналу»
Выполнила: Нилова Ирина, ЭР-06-07
Проверил: Григорьев А.А.
Москва
2010
ЗАДАНИЕ
1. Рассчитать схему включения фотоприемника. (Фоторезистор поставить в режим согласованной нагрузки).
2. Разработать принципиальную электронную схему предварительного усилителя, обеспечивающую согласование с приемником по сигналу. Обеспечить коэффициент усиления предусилителя в диапазоне 10 – 100.
3. Рассчитать сигнал на выходе фотоприемного устройства.
Исходные данные для расчета (вариант 5):
|
Тип ФП |
Тпр, К |
Rт, Ом |
Тис, К |
Fн, Гц |
|
Тип тр. |
Фпр, Вт |
|
ФД – 8к |
295 |
- |
3000 |
80 |
3840 |
КП303А |
|
Параметры фотодиода ФД–8к:
Габаритные размеры:

|
размер фоточувствительного элемента, мм |
2*2 |
|
|
0,5..1,12 |
|
|
0,85..0,92 |
|
Uр, В |
20 |
|
Iт, мкА |
1 |
|
Si инт, мА/лм |
6* |
|
Материал |
Si-кремний |
Спектральная чувствительность фотодиода:

Параметры транзистора КП303А:
Габаритные размеры:

|
Входная
ёмкость ,
|
6 |
|
Проходная
ёмкость,
|
2 |
|
Выходная
ёмкость,
|
0 |
|
Iс max, мА |
20 |
|
Iз max, мА |
5 |
|
Uси max, В |
25 |
|
Uзи max, В |
30 |
|
Uзс max, В |
30 |
|
параметры приведены для температуры окружающей среды |
-40..+85 |
ВАХ транзистора:
фотоприемник усилитель транзистор сигнал

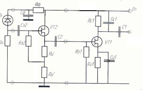
Составим схему предварительного усилителя сигнала на полевом транзисторе

МОм - сопротивление утечки цепи
затвора
Гц – верхняя частота
- выходное сопротивление схемы
включения в режиме согласованной
нагрузки (Фоторезистор необходимо
поставить в режим согласованной нагрузки,
т.е. сигнал на выходе фоторезистора
должен достигать максимального значения.
Сигнал на выходе максимален, когда
темновое сопротивление фоторезистора
равно сопротивлению нагрузки
)
МОм
МОм
Для обеспечения согласования схемы с приемником по сигналу необходимо, чтобы входное сопротивление усилителя было много больше выходного сопротивления
схемы включения. (В данном случае в 5 раз).

МОм
МОм, т.к.
-нужно
использовать истоковый повторитель.
Для согласования по сигналу
необходимо, что бы выходное сопротивление
было много меньше, сопротивления затвора.
Т.к. максимальное сопротивление затвора
1МОм, а рассчитанное выходное сопротивление
МОм, то для увеличения входного
сопротивления схемы, используем схему
истокового повторителя:
Составим схему усилительного каскада с истоковым повторителем

Обозначения: Ri
–темновое сопротивление ФП; RH
– сопротивление нагрузки; RФ,
СФ – сопротивление и емкость фильтра;
R31,
R32,
CЗ2
- сопротивление и емкость затвора; R
U2,
R
U2,
RU1,
СU1–
сопротивление и емкость истока; RC1,
CC1
- сопротивление и емкость стока; С1 –
емкость связи; ЕП – напряжение питания.
Найдем рабочую точку транзистора из зависимости

Рассмотрим кривую
В, получаем следующие значения
В;
мА;
Кривая
В;
мА.
мА;
В
Напряжение питания
В
(
В)
Крутизна транзистора
мА/В
Условие выполнения согласования по сигналу:
;
;

(з-н Ома);
1
кОм
кОм
кОм

МОм
МОм
согласование выполняется
нФ
- необходимо для исключения влияния постоянного напряжения на схему включения
нФ- обеспечивает нижнюю частоту
Коэффициент усиления основного усилительного каскада

кОм (по з-ну Ома)


обеспечен коэффициент усиления
предусилителя в диапазоне 10 – 100.
(по з-ну Ома)
кОм- необходимо для обеспечения значений
и

нФ- обеспечивает верхнюю частоту
кОм
мФ-
устраняет действие отрицательной
обратной связи, возникающей из-за

(
-
выходное сопротивление усилительного
каскада)
(
-
входное сопротивление следующего
усилителя)
мкФ
- обеспечивает связь с последующими
каскадами, сигнал должен передаваться
без искажений




(в режиме согласования
)
МОм
нФ
–
Сф, Rф – цепочка устраняет влияние паразитной обратной связи, возникающей из-за неидеальности источника питания
Разработанная электронная схема предварительного усилителя обеспечила согласование с приемником по сигналу. Так же обеспечен коэффициент усиления предусилителя в диапазоне 10-100.
РАССЧИТАЕМ СИГНАЛ НА ВЫХОДЕ ФОТОПРИЕМНОГО УСТРОЙСТВА
Спектральная чувствительность фотодиода:

Определим значения относительной
спектральной чувствительности фотодиода
ФД – 8к, для этого мы провели «среднюю»
линию и приблизительно нашли значения
.
Значения чувствительности в зависимости от длины волны

|
Длина волны
мкм |
Чувствительность
отн. ед. |
|
0.5 |
0.08 |
|
0.55 |
0.12 |
|
0.6 |
0.24 |
|
0.65 |
0.40 |
|
0.7 |
0.53 |
|
0.75 |
0.68 |
|
0.8 |
0.83 |
|
0.85 |
0.94 |
|
0.9 |
0.99 |
|
0.95 |
0.75 |
|
1.0 |
0.40 |
|
1.05 |
0.18 |
|
1.1 |
0.05 |
Теперь найдем следующие значения:
1.
- относительная спектральная световая
эффективность основного фотометрического
наблюдателя.

2.
- спектральную плотность энергетической
светимости стандартного источника типа
«А»
,где
*
м*К
3.
- спектральную плотность энергетической
светимости источника при Ти=3000 К

Спектральная плотность энергетической светимости источника типа А при температуре 2856К и спектральную плотность энергетической светимости источника при температуре 3000К.
-
Длина волны
,
мкм

,
отн. ед
,
отн. ед.
0.5
0.372
0.503
0.816
0.55
0.973
0.781
1.212
0.6
0.644
1.084
1.623
0.65
0.108
1.387
2.012
0.7
4.562*

1.666
2.354
0.75
4.881*

1.908
2.635
0.8
1.321*

2.104
2.848
0.85
9.033*

2.252
2.996
0.9
1.562*

2.355
3.084
0.95
0
2.416
3.121
1.0
0
2.441
3.114
1.05
0
2.435
3.072
1.1
0
2.405
3.004
Значения
и
.при
расчете были очень велики, поэтому
поделены на коэффициент




мА/лм -токовая чувствительность
(интегральная)
,
где
-
шаг суммирования,
мкм
|
|
Чувствительность
отн. ед. |
отн. ед |
|
|
|
0.372 |
0.08 |
0.503 |
0.187 |
0.04 |
|
0.973 |
0.12 |
0.781 |
0.759 |
0.09 |
|
0.644 |
0.24 |
1.084 |
0.698 |
0.26 |
|
0.108 |
0.40 |
1.387 |
0.149 |
0.555 |
|
4.562* |
0.53 |
1.666 |
0 |
0.883 |
|
4.881* |
0.68 |
1.908 |
0 |
1.297 |
|
1.321* |
0.83 |
2.104 |
0 |
1.746 |
|
9.033* |
0.94 |
2.252 |
0 |
2.117 |
|
1.562* |
0.99 |
2.355 |
0 |
2.331 |
|
0 |
0.75 |
2.416 |
0 |
1.812 |
|
0 |
0.40 |
2.441 |
0 |
0.976 |
|
0 |
0.18 |
2.435 |
0 |
0.438 |
|
0 |
0.05 |
2.405 |
0 |
0.12 |
Вт/
Вт/

Реакция приемника:



Заменим
,(Т=3000К)
Вт

|
|
Чувствительность
отн. ед. |
отн. ед. |
|
|
|
0.372 |
0.08 |
0.816 |
0.304 |
0.065 |
|
0.973 |
0.12 |
1.212 |
1.179 |
0.145 |
|
0.644 |
0.24 |
1.623 |
1.045 |
0.389 |
|
0.108 |
0.40 |
2.012 |
0.217 |
0.805 |
|
4.562* |
0.53 |
2.354 |
0 |
1.248 |
|
4.881* |
0.68 |
2.635 |
0 |
1.792 |
|
1.321* |
0.83 |
2.848 |
0 |
2.364 |
|
9.033* |
0.94 |
2.996 |
0 |
2.816 |
|
1.562* |
0.99 |
3.084 |
0 |
3.053 |
|
0 |
0.75 |
3.121 |
0 |
2.341 |
|
0 |
0.40 |
3.114 |
0 |
1.246 |
|
0 |
0.18 |
3.072 |
0 |
0.553 |
|
0 |
0.05 |
3.004 |
0 |
0.15 |


нА
мВ
Напряжение на выходе ФП устройства:
В
Сигнал на выходе фотоприемного
устройства:
В.
Список использованной литературы:
«Транзисторы для аппаратуры широкого применения» под ред. Перельмана
М.Д. Аксененко, справочник «Приемники оптического излучения»,1987
F,
Гц
,
мкм
max,
мкм
пФ
пФ
пФ
С
,
,
,