Кабельный тестер, выполняющий проверку состояния линии
СОДЕРЖАНИЕ
Введение
1. Анализ технического задания и аналогов
2. Разработка структурной схемы
3. Разработка принципиальной схемы
3.1 Формирователь различных значений напряжений
3.2 Генератор тактовых импульсов
3.4 Схема согласования с персональным компьютером
3.5 Питание формирователя различных значений напряжений
3.6 Питание микроконтроллера
4. Разработка алгоритма работы микроконтроллера
Список литературы
Введение
В курсовом проекте проводится разработка устройства, предназначенного для выполнения проверки линий кабеля на короткое замыкание, обрыв, а также проверку правильности маркировки линии. Для проверки предлагается десяти медный кабель с общим проводом.
При разработке предполагается, что прибор будет состоять из основной части и ответчика, расположенного на разных концах кабеля.
Необходимо разработать устройство, предназначенное для выявления ошибки монтажа соединителей или кроссировки (замыкания, обрывы, перепутанные жилы). Поскольку ошибки подобного рода на практике преобладают. Некачественная проводка - одна из наиболее распространенных причин возникновения проблем в сети.
Когда с сетью происходит что-либо неладное, готовность встретить неприятности во всеоружии имеет решающее значение для последствий и выражается в разнице между незначительным неудобством и продолжительным простоем. Важнейшим компонентом подготовки сети к возможным неполадкам является наличие надлежащего инструментария для предупреждения, предотвращения и решения проблем, источник которых находится внутри предприятия.
Тестирование линии организуется следующим образом. Основной блок тестера оставляем на ближнем ее конце, а ответчик переносим на дальний конец. С помощью шнуров оба блока присоединяем к линии
Правильный подход к упреждающему тестированию с помощью такого устройства помогает свести к минимуму время простоя сети и значительно смягчает отрицательный эффект, когда проблемы в проводке все же возникают.
1. АНАЛИЗ ТЕХНИЧЕСКОГО ЗАДАНИЯ И АНАЛОГОВ
В курсовом проекте предлагается разработать устройство, предназначенное для выявления замыкания, обрыва и перепутанные жил. Дан десятижильный медный кабель с автоматической нумерацией жил.
Тестирование линии организуется следующим образом. Основной блок тестера оставляем на ближнем ее конце, а ответчик переносим на дальний конец. С помощью шнуров оба блока присоединяем к линии
Профессиональные приборы обеспечивают мгновенную идентификацию до 10 жил кабеля. С их помощью работа может быть легко выполнена одним человеком. Прибор состоит из двух частей: цифрового идентификатора и выносного блока, каждый из выходов которого пронумерован и выдает свой уникальный сигнал. Сразу же после подключения идентификатора к любым двум жилам с другой стороны на его дисплее появится номер одной из них. Идентификация большего числа жил выполняется последовательным подключением выносного блока попарно ко всем жилам кабеля. Такие приборы могут определять также оборванные, замкнутые и находящиеся под напряжением жилы.
Более экономичное решение проблемы идентификации - прозвонка жил кабеля. Используемые для этого приборы (пробники, прозвонки) являются одними из самых популярных в своем классе. Простейший из них может применяться для идентификации жил и проверки их целостности, при этом индикация низкого сопротивления цепи осуществляется звуковым сигналом и/или светодиодом. Наиболее полезны приборы с функцией качественной оценки сопротивления линии по интервалам прерывистого звукового сигнала (чем выше сопротивление, тем больше время между импульсами). Для облегчения работы у таких приборов может иметься встроенное эталонное сопротивление. Такое качественное определение параметров на слух позволяет существенно ускорить работу в тех случаях, когда высокая точность измерений не требуется (например, при монтаже). Часто возможность прозвонки встроена в тональные генераторы, и наоборот.
Кабельный тестер является универсальным прибором, способным тестировать как телефонные сети, так и сети передачи данных. Он предназначен для определения неисправностей физической линии и ее идентификации в здании. Результаты отображаются на большом буквенно-цифровом дисплее и на 9 вспомогательных светодиодных индикаторах. При определении множественных повреждений используется пошаговый метод индикации.
2.РАЗРАБОТКА СТРУКТУРНОЙ СХЕМЫ УСТРОЙСТВА
Работу устройства можно представить следующим образом. Формирователем напряжения подаем различные напряжения на входы тестируемого кабеля. Напряжения с выхода кабеля подаются на порты А и Е с которых они мультиплексируются на АЦП (аналогово-цифровой преобразователь) и преобразовываются в цифровую форму. Значения напряжений записываются в оперативную память. В анализаторе напряжений происходит сравнение полученных напряжений с эталонными. Где также происходит идентификация короткого замыкания и обрыва. Полученный результат через преобразователь уровней передается на последовательный COM(RS232) – порт компьютера. .
В состав структурной схемы войдут следующие элементы:
- формирователь различных значений напряжений;
- мультиплексор;
- аналогово-цифровой преобразователь;
- схема управления мультиплексором, оперативной памятью и аналогово-цифровым преобразователям;
- генератор тактовых импульсов;
- анализатор напряжений;
- схема согласования с ПК;
- COM RS 232.







Мультиплексор
АЦП






RAM
Оперативная память
Схема управления
Генератор тактовых импульсов



Анализатор напряжения
Схема согласования с ПК
COM
RS232


3. РАЗРАБОТКА ПРИНЦИПИАЛЬНОЙ СХЕМЫ УСТРОЙСТВА
3.1 Формирователь различных значений напряжений
Состоит из десяти резисторов одинакового наминала. Их значения возьмем на много больше значения сопротивления кабеля, т.е. 1 Ком. В этом случае падение напряжения на самом кабеле будет мало по сравнению с падением напряжения на резисторах из формирователя различных значений напряжений. Что позволит в дальнейшем в расчетах не учитывать падение напряжения на кабеле
3.2 Генератор тактовых импульсов
Режимы тактового генератора
Микроконтроллеры PIC16F87X могут работать в одном из четырех режимов тактового генератора. Указать режим тактового генератора можно при программировании микроконтроллера в битах конфигурации (FOSC1:FOSC0):
• LP - низкочастотный резонатор;
• XT - обычный резонатор;
• HS - высокочастотный резонатор;
• RC - внешняя RC цепочка.
12.2.2 Кварцевый/керамический резонатор
В режимах тактового генератора XT, LP и HS кварцевый или керамический резонатор подключается к выводам OSC1/CLKIN, OSC2/CLKOUT (см. рисунок 3.1).

Рисунок 3.1 – Подключение кварцевого/керамического резонатора в HS, XT и LP режиме тактового генератора
тестер кабель замыкание импульс тактовый
Для микроконтроллеров PIC16F87X нужно использовать резонаторы с параллельным резонансом. Использование резонаторов с последовательным резонансом может привести к получению тактовой частоты, не соответствующей параметрам резонатора. В режимах XT, LP и HS микроконтроллер может работать от внешнего источника тактового сигнала OSC1 (см. рисунок 3.2).

Рисунок 3.2 – Подключение внешнего тактового сигнала в HS, XT и LP режиме тактового генератора
Для работы аналогово-цифрового преобразователя достаточно частоты f=3.6864 MHz. Следовательно конденсаторы С2 и С3 возьмем номиналом 22pF.
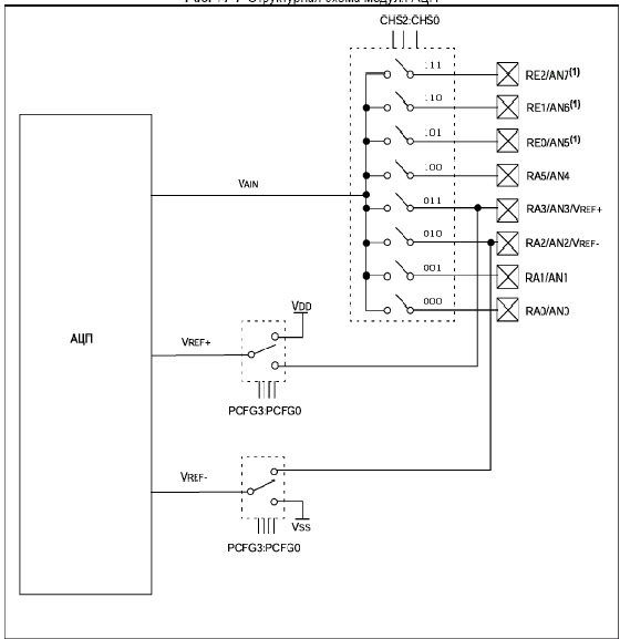
3.3 Аналогово-цифоровой преобразователь
Модуль аналого-цифрового преобразования имеет пять каналов у 28-выводных микросхем и восемь каналов у 40/44-выводных микросхем. Входной аналоговый сигнал через коммутатор каналов заряжает внутренний конденсатор АЦП CHOLD. Модуль АЦП преобразует напряжение, удерживаемое на конденсаторе CHOLD в соответствующий 10-разрядный цифровой код методом последовательного приближения. Источник верхнего и нижнего опорного напряжения может быть программно выбран с выводов VDD, VSS, RA2 или RA3

Рисунок 3.3 – Структурная схема модуля АЦП
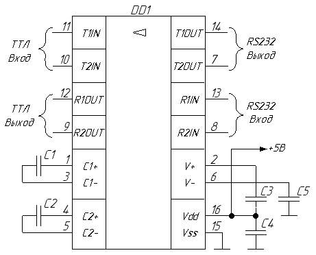
3.4 Схема согласования с персональным компьютером
В качестве преобразователя логических уровней передаваемых сигналов, будем использовать микросхему MAX232. Стандартная схема включения микросхемы представлена на рисунке 1.
К основным характеристикам микросхемы относится:
гарантированная скорость передачи данных 120kbps;
использование одного источника питания напряжением 5В.
Параметры конденсаторов C1, …, С5 выбираются равными 1мкФ. Конденсаторы необходимо использовать керамические.

Рисунок 3.4 – Стандартная схема включения микросхемы MAX232.
Работа микросхемы заключается в следующем. Микросхема состоит из двух DC/DC преобразователей напряжения. Первый преобразует напряжение +5В в напряжение +10В, а второй преобразователь инвертирует напряжение +10В, получая тем самым напряжение –10В. Это даёт возможность использовать только один источник питания напряжением +5В. Другая часть микросхемы, используя полученные напряжения, преобразует логические уровни ТТЛ в логические уровни RS232, и наоборот логические уровни RS232 в логические уровни ТТЛ.
3.5 Питание формирователя различных значений напряжений
Питание формирователя различных значений напряжений осуществляется с помощью батарейки Крона, которая подает напряжение +9V на вход стабилизатора. Стабилизатор стабилизирует напряжение в случае резкого изменения амплитуды подаваемого напряжения. Конденсатор С1 предназначен для сглаживания пульсаций.
3.6 Питание микроконтроллера
Uвых
+
Рисунок 3.5 –. Питание передатчика.
Uвх=9В
Uвых=5В
По справочным данным, микросхемы, используемые в устройстве потребляют такие токи:
К564ЛЕ5: Iпот=5мкА;
К155ИЕ5: Iпот=53мА;
К155ИД3: Iпот=56мА;
590КН5: Iпот=0.05мА.
Iпот=2∙5∙10-6+2∙53∙10-3+2∙56∙10-3+8∙5∙10-5=218412∙10-5А=218.41мА
Iпот=218,41мА
Рпот=Uвых∙Iпот
Рпот=5∙21841∙10-5=109205∙10-5=1.1Вт
Стабилизатор должен обеспечивать ток в 140мА, но при этом необходимо учесть запас.
Исходя из потребляемой мощности, выбираем транзистор. По справочным данным возьмем КТ815А. Рассчитаем ток базы:
iб≈iэ/h21э
где iэ=iк=Iпот=218,41мА
h21э=40…70, берем значение 50
iб≈0.22/50=4.4мА.
Для того чтобы рассчитать значение Rб подберем тип стабилитрона и диода. Ток, протекающий через Rб будет равен сумме тока базы транзистора и тока, проходящего через диод и стабилитрон. Rб=Uвх/Iб. Так как падение напряжения на выходе будет приблизительно равно падению напряжения на стабилитроне и диоде, то:
Стабилитрон КС156А
I=10мА
Uст=5.6В
Диод КД521
I=10мА
Uпр=0.3В
Rб=9/10∙10-3=900Ом
По справочным данным берем Rб=910Ом±1% (С2-33Н).
Конденсатор служит для сглаживания пульсации. С=220мкФ (К50-6, номинальное напряжение 16В)
Резисторы R10…R18, R22…R25 являются ограничивающими. Они предназначены для сбережения от сгорания ножек микроконтроллера и COM порта. Выберем такие номиналы:
R10…R18 по 1 КОм
R22…R25 по 100 Ом
Резисторы R19, R20 являются нагрузочными и будут иметь номинал по 10 КОм.
4. РАЗРАБОТКА АЛГОРИТМА РАБОТЫ МИКРОКОНТРОЛЛЕРА
После инициализации аналогово-цифрового преобразователя заносим в память эталонные значений минимальных и максимальных напряжений выхода U0,8 min и U0,8 max. Для того, что бы в дальнейшем с ними сравнивать полученные значения напряжений на разных жилах кабеля.
Следующий шаг – это инициализация портов А, В, С, Е.
Затем происходит выбор канала аналогово-цифрового преобразователя, т.е. номер жилы, после чего идет оцифровка полученного значения напряжения. Она продолжается до ее успешного завершения. После этого оцифрованное значение заносится в ячейку памяти Vz. Эту процедура повторяется 9 раз, что соответствует количеству тестируемых жил.
Производится сортировка значений напряжений Vz.по убыванию.
Далее сравниваются полученные значения с ячейки памяти Vz с занесенными ранее в память эталонными значениями. Если Vz лежит в промежутке между Uк min и Uк max то данная жила имеет номер k, и является не поврежденной. Если Vz не лежит в данном промежутке но равен нулю, то в данной жиле произошел обрыв. Если же не лежит в промежутке и не равен нулю – то произошло короткое замыкание. Т.о. выполняется сравнивание всех девяти жил.
Диаграмма напряжений в случае нормальной работы














































Да
Нет
Да
Нет
Да
Нет

ВЫВОД
В ходе создания курсового проекта была разработана схема устройства, предлагаемого для тестирования десятижильного медного кабеля с общим проводом. Условиями тестирования являлась проверка кабеля на короткое замыкание, обрыв, а также правильности маркировки проводов в исследуемом кабеле. Для визуального отображения результатов проверки используются персональный компьютер.
Так же были рассчитаны параметры всех компонентов схемы
Данное устройство предлагается использовать в телефонных линиях связи, при появлении нарушений в работе системы связи.
Анализируя полученное задание, сделан вывод, что оптимальным будет использование таких компонентов:
микроконтроллер PIC16F877
схему согласования с персональным компьютером MAX232A