Типовой алгоритм синтеза комбинированной системы автоматического управления
Курсовая работа
Тема: "Типовой алгоритм синтеза комбинированной САУ"
Введение
Промышленные объекты управления (ОУ), как правило, представляют собой сложные агрегаты со многими входными и выходными величинами, характеризующими технологический процесс. Зависимости выходных величин от входных, как правило, нелинейные, и изменение одной из них приводит к изменению других. Таким образом, создается сложная система взаимозависимостей, которую трудно, а подчас и невозможно строго математически описать.
Большинство промышленных объектов описываются передаточными функциями, имеющими большое время запаздывания τ>а> и большие постоянные времени Т>а>.
Известно, что чем больше время запаздывания, тем труднее управлять объектом. Качество регулирования в будущей САУ зависит от отношения τ>а>/ Т>а>. Чем оно больше, тем труднее управлять, поэтому при описании объекта (τ>а>/ Т>а>)≤1.
Для большинства объектов τ>а>/ Т>а> так велико, что удовлетворяющее нас качество в системе в одноконтурной САУ получить практически невозможно. В этом случае нужно усложнить закон регулирования. На практике идут не на усложнение закона регулирования, а на усложнение структуры САУ.
В настоящее время в практике автоматизации непрерывных производственных процессов применяются следующие виды многоконтурных схем: каскадные системы, комбинированные САУ и многосвязные системы. Расчет оптимальных параметров управляющих устройств перечисленных многоконтурных систем является довольно сложной задачей. Для упрощения на практике определяют лишь приближенные значения этих параметров.
Методика приближенных расчетов основана на предположении о возможности расчета отдельных контуров системы независимо друг от друга. Для этих целей, исходная структурная схема управления подвергается различным структурным преобразованиям с тем, чтобы выделить отдельные контуры с различными частотами и рассчитывать их обычными методами независимо друг от друга, тем самым получают более сложный алгоритм управления комбинацией ограниченного числа типовых П -, ПИ-, ПИД законов регулирования.
Комбинированные системы регулирования рекомендуется строить, если на систему действуют значительные внешние возмущения и если представляется возможность выделить и измерить главные из них.
Система содержит
минимум два контура регулирования.
Разомкнутый контур с преобразователем
служит для компенсации основного
возмущения (или возмущений) f;
замкнутый контур с регулятором
окончательно корректирует процесс,
отрабатывая ошибки компенсации первого
контура и другие неучтенные возмущения,
многие из которых практически не могут
быть контролируемыми (помехи).
Комбинированное управление сочетает
в себе два принципа регулирования:
регулирование «по возмущению» и
регулирование «по отклонению».
1. Получение математической модели ОУ в форме передаточных функций по управляющему и возмущающему каналам
1.1 Аппроксимация переходной характеристики объекта по управляющему каналу
Экспериментальным точкам строится экспериментальная характеристика переходного процесса. Исследуемый объект – двухканальный (канал: u-y и канал: f-y) по каналу регулирования (u-y) является объектом с самовыравниванием (рис. 2). Объекты с самовыравниванием аппроксимируют передаточными функциями с введением звена запаздывания.

Рис. 2. Переходная характеристика ОУ с самовыравниванием
, (1.1)
автоматический управление аппроксимация канал
где:
К>об> – коэффициент передачи;
– время запаздывания;
Т>о> – постоянная времени.
Простейшим частным случаем оператора (1.1), имеющим в инженерной практике наибольшее применение, является передаточная функция вида:
. (1.2)
Для определения параметров объекта по управляющему каналу проведём касательную к экспериментальной переходной характеристике в точке перегиба, которая имеет координатами (t>п>; h(t>п>)). Далее определяем параметры передаточной функции по управляющему каналу (приложение 1):
К>об> = h>уст> = 0,55; >о> = 1,9с; Т>о> = 10,5с; h(t>п>) = 0,12; t>п> = 4с

Подставляя эти параметры в формулу (1.2), получаем первую математическую модель ОУ:


Более точную аппроксимацию переходной функции ОУ дает передаточная функция вида:
(1.3)
Её оригинал имеет вид:
(1.4)
Задача
математического описания в этом случае
заключается в поиске таких Т>а1>,
Т>а2>
и
,
при которых кривая (1.4) максимально
приближается к истинной экспериментальной
кривой. Записывая аналитические выражения
критерия приближения, получаем уравнения
для выбора этих параметров. Для упрощения
расчётов, в литературе предложена
номограмма:

Рис. 3. Номограмма для определения параметров передаточных функций
По номограмме
(рис. 3.) можно найти
,
по
известным
и
.
По известному значению
находим значение
,
после чего определяем
,
и, следовательно:




Подставляя рассчитанные значения в формулу (1.3), получаем вторую математическую модель ОУ:

Третью модель определяем по методу Лукаса:
,
где
;

Таким образом, получили третью математическую модель ОУ:

Далее с помощью программы «СС» на ЭВМ строим переходные процессы полученных функций и наносим их на график с экспериментальной характеристикой (приложение 1).
Вычислим погрешности аппроксимации полученных передаточных функций по интегральному критерию по формуле:
где:
-
аппроксимирующая переходная характеристика;
-
заданная переходная характеристика.

Выбираем передаточную функцию, имеющую наименьшую погрешность аппроксимации:
(1.5)
1.2 Аппроксимация переходной характеристики объекта по возмущающему каналу
Исследуемый объект по возмущающему каналу также является объектом с самовыравниванием (рис. 2.). Поэтому первая аппроксимирующая передаточная функция примет форму оператора (1.1).
Проведём касательную к экспериментальной переходной характеристике в точке перегиба с координатами (t>п>; h(t>п>)) (приложение 2.). Определим параметры передаточной функции:
К>об> = h>уст> = 0,28; >о> = 3,1с; Т>о> = 9с; h(t>п>) = 0,06; t>п> = 5с

Получили передаточную функцию первой модели для возмущающего канала:

Далее для нахождения передаточной функции второй модели (1.3) как и в предыдущем пункте по номограмме (рис. 3) находим:




Подставляя рассчитанные значения в формулу (1.3), получаем вторую математическую модель ОУ:

Для нахождения передаточной функции по методу Лукаса определяем следующие коэффициенты:
;

Таким образом, получили третью передаточную функцию для возмущающего канала:

Находим погрешности аппроксимации по интегральному критерию:

Выше представленные расчёты показывают, что наименьшую погрешность аппроксимации даёт третья модель, следовательно, она наилучшим образом аппроксимирует экспериментальную характеристику.

2. Выбор ПИ-алгоритма управления
В качестве показателя оптимальности АСР принимается минимум интеграла от квадрата ошибки системы при действии на объект наиболее тяжелого ступенчатого возмущения по регулирующему каналу (интегральный квадратичный критерий) с учетом добавочного ограничения на запас устойчивости системы, т.е.
. (2.1)
Такой критерий
допускает значительное перерегулирование
и увеличивает время регулирования, но
он обеспечивает наименьшее максимальное
динамическое отклонение регулируемой
величины.
При практических расчётах запас устойчивости удобно характеризовать показателем колебательность системы М, значение которого в САУ, имеющих интеграл в алгоритме управления, совпадает с максимумом амплитудно-частотной характеристики системы:
(2.2)
где:
>р> – резонансная частота, на которой А>з>() имеет максимум.
Чтобы максимум не превышал некоторой заданной величины М, амплитудно-фазовая характеристика (АФХ) разомкнутой системы W>раз>(j) не должна заходить внутрь «запретной» области ограниченной окружностью, центр u>o> и радиус R>o> которой определяется через М формулами (2.3) и (2.4), (рис. 4):
(2.3)
. (2.4)

Рис. 4. Определение центра и радиуса окружности, соответствующей заданному показателю колебательности М
Если же W>раз>(j) касается указанной окружности, то это означает, что САУ находится на границе заданного запаса устойчивости.
На практике чаще
всего принимают
.
При этом в САУ перерегулирование
30%, максимальное отклонение регулируемого
параметра при внутренних возмущениях
(возмущениях по регулирующему воздействию)
не превышает 10%.
С помощью программы «СС» рассчитываем и строим АФХ объекта по передаточной функции (1.5) (приложение 3). Результаты расчёта приведены в таблице 2:
Таблица 2
|
|
0 |
0,042 |
0,082 |
0,131 |
0,192 |
0,255 |
0,339 |
0,451 |
0,599 |
0,797 |
|
А |
0,55 |
0,536 |
0,5 |
0,44 |
35 |
0,279 |
0,2 |
0,136 |
0,086 |
0,052 |
|
|
0 |
-20 |
-38,7 |
-60 |
-81,7 |
-100,6 |
-120,5 |
-140,4 |
-160 |
-179,6 |
|
|
0,797 |
1,06 |
1,409 |
2,059 |
3,009 |
|||||
|
А |
0,052 |
0,031 |
0,018 |
0,009 |
0,004 |
|||||
|
|
-179,6 |
-199,7 |
-222 |
-256,9 |
-300,7 |
Также по
передаточной функции (1.5) находим АЧХ,
ФЧХ и
,
которые находятся по комплексному
коэффициенту усиления (2.5), который
получается из передаточной функции
путем замены р на
.




3. Расчет параметров ПИ-регулятора по параметрам объекта по регулирующему каналу графоаналитическим методом
Рассчитаем ПИ-алгоритм управления, передаточная функция которого имеет вид:
,
(3.1)
а параметрами, подлежащими определению, являются коэффициент усиления К>р> и постоянная интегрирования Т>и>, для этого используем графоаналитический метод.
1. По АФХ объекта W>об>u-y (jω) строим семейство характеристик разомкнутой системы W>раз>(jω) для К>р> = 1 и нескольких фиксированных значений постоянной интегрирования Т>и>.
Для этого
сначала строим несколько векторов
характеристики объекта W>об>u-y
(jω),
например, векторы
для частоты ω>1>,
для ω>2>
и т.д. (приложение 3). К их концам надо
пристроить векторы
,
,…,
,
повернутые по отношению к векторам
,
,…,
на угол 90.
Длина векторов
,
,…,
выбирается из соотношения
(где в числителе
– длина вектора АФХ объекта для
определённого значения частоты >i>,
которую можно измерить непосредственно
в миллиметрах; в знаменателе – произведение
указанной частоты на фиксированное
значение Т>и>).
Через полученные точки С>1>,
С>2>,…,
С>n>
проводим плавную кривую, которая является
характеристикой W>раз1>(jω)
для выбранного значения Т>и>.
Через полученные точки С>1>, С>2>,…, С>n> проводим плавную кривую, которая является характеристикой W>раз1>(jω) для выбранного значения Т>и>.
Аналогичные построения проводим для других значений Т>и>. В итоге получаем семейство характеристик W>раз> (jω) для различных значений Т>и>.
2. Из начала координат проводим прямую ОЕ под углом , характеризующим запас устойчивости по фазе и определяемым как:
. (3.2)
3. С помощью циркуля вычерчиваем окружности с центром на отрицательной вещественной полуоси, каждая из которых касается одновременно как прямой ОЕ, так и одной из характеристик W>раз1>(jω) (центр каждой окружности и ее радиус находим подбором).
4. Отношение требуемого радиуса R>0>, определяемого по формуле (2.3), к полученному в каждом отдельном случае значению r>i> показывает, во сколько раз нужно изменить единичный коэффициент передачи регулятора (К>р>=1), чтобы каждая характеристика W>раз1>(jω) касалась окружности с заданным М, т.е.
. (3.3)
Для вычисления К>р. пред> использована формула:
, (3.4)
где:
R>о> – радиус, определяемый по формуле (2.3);
r – радиус окружности, находящийся методом подбора;
Все результаты вычислений представлены в таблице 3:
Таблица 3
|
Кр |
2,44 |
3,2 |
4,1 |
4,8 |
|
Ти |
4 |
5 |
6 |
8 |
5. В результате в плоскости варьируемых параметров алгоритма К>р> и Т>и> строится граница области заданного запаса устойчивости (приложение 3).
Максимум отношения К>р>/Т>и>, определяющего оптимальную настройку регулятора при низкочастотных возмущениях, соответствует точке пересечения касательной с границей заданного запаса устойчивости, проведённой через начало координат.
Передаточная функция регулятора, после определения координат точки А (К>р.опт >= 4,5 и Т>и опт >= 6,55), имеет вид:

4. Расчет параметров ПИ-регулятора частотным методом на ЭВМ
В основу метода положено представление о том, что минимум интеграла от квадратичной ошибки при единичной ступени по управляющему каналу соответствуют оптимальные параметры ПИ-алгоритма [5], отвечающего условиям:


При расчете оптимальных
параметров
и
используются
следующие формулы:
,
(4.1)
.
(4.2)
– коэффициент
усиления по амплитуде объекта,
– угол, заключенный между вектором
АФХ объекта и отрицательной мнимой
полуосью.
Вычисление требуемых
значений
и
сводится к поиску такого значения
,
при котором
,
.
.
Расчет параметров регулятора выполняем на ПЭВМ.
С помощью прикладного
пакета программ «СС» по АФХ объекта
управления по регулирующему каналу
определяем частоты
и
:

Далее в программе «Reguls» определяем коэффициент усиления и постоянную времени для регулятора:

Получаем регулятор:

5. Построение переходных процессов в системе по задающему воздействию при двух вариантах настройки регулятора
В соответствии с заданием для проверки правильности выполненных расчётов нужно построить переходные процессы в САУ по задающему воздействию. Расчет переходных характеристик проведем на ПЭВМ частотным методом, суть которого приведена ниже.
На первом этапе по
заданной на ЭВМ передаточной функции
замкнутой системы W>з>(р)
рассчитывается вещественная частотная
характеристика замкнутой системы. Для
этого в выражение W>з>(р)
подставляют
и, меняя частоту
от 0 до ,
вычисляют вещественную часть
:
при
= 0; >1>;
>2>,
…, >max>.
(5.1)
Поскольку практически невозможно вычислить (5.1) для всего диапазона частот от 0 до , приходится ограничиться некоторой максимальной частотой >max>, которая выбирается таким образом, чтобы при >max> вещественная частотная характеристика принимала пренебрежимо малые значения, например менее 5% от начального значения Р>з>(0).
Второй этап расчёта заключается в получении переходного процесса по найденной на первом этапе Р>з>() в диапазоне 0 >max>. Для этого используется известное выражение:
при t
0. (5.2)
Интеграл (5.2) вычисляется приближённым (численным) методом для ряда значений времени t: от t = 0 до t = t>max>. Максимальное значение времени t>max> выбирают таким образом, чтобы к моменту t = t>max> переходный процесс y(t) практически закончился.
Из двух найденных регуляторов необходимо выбрать тот, который обеспечивает системе наилучшие показатели качества, для этого необходимо рассчитать и построить переходные процессы в системе по задающему воздействию. Запишем передаточную функцию системы по заданию:

Расчет и построение необходимых процессов производится в программе «СС». Переходный процесс в системе по задающему воздействию при настройках регулятора, найденных графоаналитически (приложение 3), представлен в приложении 4, рис. а), а при настройках регулятора, найденных на ЭВМ – в приложении 4, рис. б).
Определим показатели качества системы при настройках регулятора, найденных графоаналитическим методом (приложение. 4, рис. а):
1. Установившееся рассогласование (статическая ошибка):
.
2. Время регулирования:

3. Максимальное перерегулирование:

4. Колебательность:

5. Степень затухания:

При настройках регулятора, найденных частотным методом на ЭВМ (приложение 4, рис. б):
1. Статическая ошибка:

2. Время регулирования:

3. Перерегулирование:

4. Колебательность:
5. Степень затухания:

Сравнив полученные значения, можно сделать вывод о том, что регулятор, вычисленный частотным методом на ЭВМ, является более подходящим, т. к. он обеспечивает системе наилучшие показатели качества – система более устойчивая

6. Получение передаточной функции физически реализуемого компенсатора, обеспечивающего наилучшую компенсацию возмущения
Одной из главных целей синтеза автоматической системы является обеспечение требуемой точности в установившихся и переходных режимах. Точность систем в установившихся режимах можно улучшить, увеличивая порядок астатизма и коэффициент разомкнутого контура. Но при этом, как правило, уменьшается запас устойчивости, увеличивается колебательность и, как следствие, ухудшается точность системы в переходных процессах. Эффективным средством устранения противоречия между условиями точности в установившихся и переходных режимах служит компенсация внешних воздействий путём осуществления инвариантности (независимости одной физической величины от другой).
Инвариантность в автоматических системах достигается при помощи управления по возмущению: управляющее воздействие формируется в зависимости от изменений возмущающего воздействия.
Рассмотрим схему комбинированной системы (рис. 1). Уравнение такой системы имеет вид:

+
, (6.1)
где:
– передаточная функция системы
по задающему воздействию;
– передаточная функция системы
по возмущению.
Управляемая величина не зависит от возмущения, если передаточная функция по возмущению равна нулю. А это возможно, если равен нулю её числитель. Отсюда условие инвариантности стабилизируемой величины по отношению к возмущению:
.
Находим передаточную функцию компенсирующего устройства:
. (6.2)
Подставляя в формулу (6.2) найденные ранее передаточные функции объекта по различным каналам и регулятора, получаем передаточную функцию компенсирующего устройства:

где запаздывание можно разложить следующим образом:

(6.3)
Для удобства практической реализации компенсатора используется типовой физически реализуемый компенсатор, передаточная функция которого имеет вид:
(6.4)
Вопрос при этом сводится к поиску таких k>1> и Т>к>, при которых выражение (6.4) максимально приближается к (6.3). Делается это по следующим формулам:
,
где k – коэффициент усиления в формуле (6.3)
Ти – постоянная времени регулятора
По формулам разложения дробно-рациональных функций:

Полученная передаточная функция физически реализуемого компенсатора имеет вид:

7. Определение показателей качества в системе по возмущающему воздействию
Для построения переходной характеристики по возмущающему воздействию запишем передаточную функцию по возмущению:


Расчет и построение данного переходного процесса выполняется в программе «СС», он показан в приложении 4, рис. в.
Определяем показатели качества системы:
1. Статическая ошибка:
.
2. Время регулирования:

3. Перерегулирование:

Качество управления считается удовлетворительным, если перерегулирование не превышает 30–40%.
4. Колебательность:
.
5. Степень затухания:

Интенсивность
затухания колебаний в системе считается
удовлетворительной, если
.
Вывод: Оценив переходные процессы по возмущающему воздействию, можно сделать вывод, что построенная система автоматического управления является работоспособной и имеет показатели качества на хорошем уровне.
8. Составление структурной схемы САУ с НЦУ и запись алгоритма цифрового управления
Одним из ценнейших функциональных преимуществ НЦУ является возможность точной реализации алгоритмов управления любой сложности. Однако в настоящее время большинство систем НЦУ являются цифровыми копиями традиционных аналоговых систем, поэтому все реальные системы НЦУ базируются на применении классических ПИ- и ПИД-алгоритмов управления.
Система автоматического
регулирования с НЦУ (рис. 5) содержит
объект управления и автоматический
регулятор (очерчен штриховой линией).
Роль последнего выполняет ЭВМ снабжённая
рядом устройств, для преобразования
сигналов из аналоговой формы в цифровую
(АЦП), а также из цифровой формы в
аналоговую (ЦАП). На рисунке 5 аналоговые
сигналы обозначены как функции времени
y(t), g(t), z(t).
Соответствующие цифровые сигналы
отличаются от них не только формой
представления величин, но и дискретным
характером изменения во времени.
Изменения значений цифровых сигналов
производится в моменты времени
где Т>д>
– интервал дискретности; i = 0, 1, 2, …
Цифровые сигналы обозначены на схеме как переменные с индексами y[n], g[n], z[n], причём y[n] = y(nT>д>); g[n] = g(nТ>д>); z[n] = z(nТ>д>). Интервал дискретности Т>д> выбирается из условия: Т>д >Т>и>.0,1, где Т>и> – постоянная времени интегрирования непрерывного регулятора. В нашем случае: Т>д> = 5,52/10 = 0,552 с.

Канал
компенсации
f(t)
f[n]
g(t)
g[n]
u[n]
u(t)
y(t)


y[n]
Главная отрицательная
обратная связь
Цифровой регулятор
К устройству
сигнализации
Р
ис. 5.
Структурная схема системы НЦУ
Алгоритм работы ЭВМ, осуществляющий автоматическое регулирование, может быть получен из уже найденного закона регулирования непрерывного регулятора.
Принимаем за исходный ПИ-закон:
(8.1)
где:
u>1>(t) – регулирующее воздействие на объект;
(t) – сигнал ошибки,
(t) = g(t) – y(t); К>р> и Т>и> – параметры настройки непрерывного ПИ-регулятора.
Замена непрерывных сигналов цифровыми, взятыми в дискретные моменты, может быть проведена по следующей схеме:
(t)
[n];
u>1>(t)
u>1>[n];

Здесь и ниже для удобства записи принимаем:
u[nT>0>]=u[n];

ПИ-закон регулирования в цифровой форме имеет вид:
(8.2)
Более удобна для реализации на ЭВМ другая, так называемая скоростная форма этого алгоритма. Для её получения запишем значение u>1> на предыдущем интервале дискретности:


Вычитая его из предыдущего, получим:

Отсюда:

После подстановки [n] = g[n] – y[n]; [n-1] = g[n] – y [n-1] получим:

Подставив значения всех постоянных коэффициентов, получим:
(8.3)
Алгоритм работы ЭВМ, осуществляющий компенсацию возмущающего воздействия, может быть получен на основании передаточной функции компенсатора следующим образом.
Пусть, например, сигнал компенсатора u>2>(t) подаётся на вход объекта (вместе с сигналом регулирования u>1>) и пусть передаточная функция компенсатора:
. (8.4)
Тогда соответствующее операторное выражение имеет вид:

и в дифференциальной форме записывается в виде:

Переход к цифровым сигналам, взятым в дискретные моменты времени, может быть проведён по следующей схеме:

В результате перехода получим:

Отсюда:
.
Подставив значения всех постоянных коэффициентов, получим:



(8.5)
Окончательно управляющее воздействие цифрового регулятора с компенсацией возмущений получают суммированием регулирующего u>1>(t) и компенсирующего u>2>(t) воздействий:
(8.6)
(8.7)
9. Построение САУ с использованием методов нечёткой логики
Необходимо построить САУ с использованием методов нечёткой логики (фаззи-логики), оставив регулятор Р чётким, а компенсатор К выполнить нечётким.
Традиционный подход к синтезу САУ основывается на том, что модель ОУ заранее известна и задана либо в виде экспериментальных переходных характеристик, либо в виде передаточных функций отдельных каналов объекта. При известной цели управления алгоритм функционирования управляющего устройства (УУ) в этом случае однозначно предопределяется самой моделью и целью управления.
Однако на практике при автоматизации сложных технологических процессов, в том числе и процессов горно-обогатительного производства, получить математическую модель, достаточно полно отражающую реальные процессы в объекте, практически невозможно. Поэтому большинство реально действующих в промышленности автоматических систем управления сложными процессами создано, как правило, с использованием не только методов классической теории управления, но и с использованием методов экспериментального уточнения параметров системы, т.е. так называемой «настройкой системы на объект».
В настоящее время на смену этим методам приходят новые методы создания алгоритмов управления, выполненные на основе так называемой нечёткой логики (фаззи-логики).
9.1 Структурная схема комбинированной САУ с нечётким компенсатором
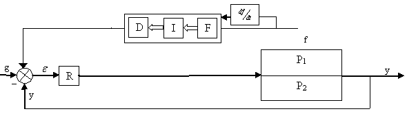
Необходимо составить структурную схему САУ с нечётким компенсатором, подав на него сигналы возмущения f и его производной f’.
На рисунке 6 представлена структурная схема комбинированной системы регулирования с Fuzzy-компенсатором:

UK
U
Р
ис. 7.
Структурная схема САУ с Fuzzy-компенсатором
Fuzzy-компенсатор содержит три основных блока: F – блок фаззификации БФ, I – блок нечеткого вывода БНВ (блок принятия решений), D – блок дефаззификации БДФ.
Вся информация о стратегии управления заложена в базе знаний в виде правил условного логического вывода: Если…. тогда… Эти правила получаются за счет тщательного изучения ОУ и цели его управления путем анкетного опроса экспертов (технологи-операторы, специалисты по автоматизации).
Центральным звеном является БНВ, в котором нечеткая информация о возмущении f (его производной) формирует нечеткое множество управления.
Выполняется инференц-процедура, в результате которой объединяются выводы нечетких правил, и результатом этого объединения является усеченное множество управляющих воздействий.
БФ преобразует конкретное измеренное значение возмущения с помощью некоторой функции принадлежности в нечеткое множество. В БДФ происходит обратный процесс.
9.2 Расчёт управляющего воздействия нечёткого компенсатора
Необходимо рассчитать компенсирующее воздействие нечёткого компенсатора u>2> для случая, когда f = 0,2 и f’ = 0,1. Упрощённый алгоритм нечёткого управления представлен следующими двумя правилами:
Правило №1: Если f = ПБ ИЛИ f’ = ПН, тогда U>к> = ПБ;
Правило №2: Если f = ОБ И f’ = ПН, тогда U>к> = ПН.
Fuzzy-логика осуществляется в 3 этапа:
I этап – фаззификация.
Фаззификация осуществляет переход от четких измеренных значений f и f’ к нечеткому множеству значений входа. Этот переход осуществляется с помощью функций принадлежности. Каждому значению f ставится в соответствие определенное значение функции принадлежности. После этого начинается II этап – разработке нечетких правил.
Вычисление этих правил состоит из двух процедур: сначала рассчитывается все в части Если, а потом в части Тогда.
Посылка «ЕСЛИ», первого правила, содержащая внутри себя союз «ИЛИ» даёт значение функции принадлежности >1> (f>1>, f>2>), соответствующее логической конъюнкции:
>1> (f, f’) = max{>ПБ>(f), >ПН>(f’)} = max {0,4; 0,8} = 0,8;
>2> (f, f) = min{>ОБ>(f), >ПН>(f’)} = min {0,4; 0,2} = 0,2.
Теперь в соответствии с композиционным правилом Мамдани:
>j>n (x, u>j>) = min{>j>(x), >1>(u>j>)} (6.1)
где >j>n (x, u>j>) – ФП, характеризующая i – лингвистическое значение управляющего воздействия u в j – правиле;
x – вектор входных переменных.
Можно определить результирующие функции принадлежности, характеризующие импликации правил 1 и 2 (приложение 5.), где i>U>>2> – функции принадлежности, характеризующие фаззи-множества управляющих воздействий u. Так как функции >1,2> (f>1>, f>2>) принимают конкретные значения, меньшие единицы, то результатам импликации соответствуют «усечённые» функции принадлежности i>U>>2> (приложение5).
Выполняя процедуру фаззи-объединения функций i>U>>2> (агрегирование) получаем результирующую функцию принадлежности *(U>2>) (приложение 5).
Заключительным этапом Fuzzy-логики является дефаззификация, которая сводится к определению точного значения управляющего воздействия u по нечеткому множеству. Она выполняется чаще всего по методу центра тяжести, согласно которому для непрерывной функции искомое значение управляющего воздействия определяется как абсцисса центра тяжести площади фигуры, образованной этой функцией и осью u.
.
На практике широко используется упрощённая формула, в которой интеграл заменяется суммой, т.е.

где u>i> – абсцисса среднего (центрального) значения выходного множества (управляющих воздействий);
>pi>(u) – функция принадлежности – высота отсечения – выходного множества (управляющих воздействий).
Заключение
В данной работе выполнен синтез комбинированной САУ техническим объектом, заданным в форме экспериментальных переходных характеристик. Произведен выбор математической модели объекта управления в форме передаточных функций по управляющему и возмущающему каналам, выбран ПИ алгоритм управления и произведен расчет параметров ПИ-регулятора графоаналитическим методом. Рассчитан физически реализуемый компенсатор, обеспечивающий компенсацию возмущений. Построены кривые переходных процессов в системе и определены показатели качества. Осуществлен переход од аналогового (непрерывного) регулятора к НЦУ. Построена САУ с использованием методов нечёткой логики. Рассчитано компенсирующее воздействие нечёткого компенсатора.
Список используемой литературы
Теория автоматического управления. Расчёт САУ горного производства с использованием ЭВМ: Метод, указания для студентов спец. 2105 / ЛГИ Сост.: В.И. Златкин, С.В. Стороженко. Л., 1991 г. 46 с.
2. Лукас В.А. Основы теории автоматического управления. Л.: Недра, 1977 г. 376 с.
3. Медведев Р.Б., Бондарь Ю.Д., Романенко В.Д. АСУ в металлургии. М.: Металлургия, 1987 г. 253 с.
4. Марюта А.Н., Качан Ю.Г., Бунько В.А. Автоматическое управление технологическими процессами обогатительных фабрик. М.: Недра, 1983 г. 248 с.
5. Теория автоматического управления: Программа, методические указания, контрольные задания и задания к курсовой работе / ЛГИ Сост.: В.И. Златкин, С.В. Стороженко. СПб, 1992 г. 40 с.

