Гаситель комутаційних завад
Міністерство освіти і науки України
Смілянський радіотехнікум
Черкаського державного технологічного університету
Дипломний проект
На тему: Гаситель комутаційних завад
Вступ
Загальновідомо, при ввімкненні потужних навантажень в мережу живлення змінного струму виникають сильні комутаційні завади. Чим більший споживаний струм в момент підключення, тим сильніша завада. Наприклад, при підключенні до мережі електродрелі чи компресора ввімкнена лампа розжарювання змінить яскравість свічення на короткий час (мигання). При підключенні потужних індуктивних споживачів електроенергії (двигунів, дроселів, силових трансформаторів) спостерігається, окрім миттєвих провалів значень напруги, ще й миттєве підвищення напруги в мережі, що створюється самоіндукцією. При цьому багато які неінерційні пристрої (електротермометри, терморегулятори, джерела живлення та інші чутливі пристрої) можуть бути пошкоджені. Звичайно, можна було б обійтися стабілізаторами, підключивши їх до інших, вразливих вузлів споживання електроенергії.
Але ж буде легше вберегти вразливі пристрої шляхом обмеження або недопущення впливу на зовнішню мережу самого джерела комутаційних завад. Даний пристрій (назвемо його гасителем комутаційних завад) призначений саме для недопущення створення завад при підключенні потужних споживачів електроенергії. Такий пристрій ніколи не буде зайвим на підприємствах, де працюють потужні термокамери, холодильники, електропечі, двигуни та інші споживачі струму. Не буде зайвим, тому що при роботі точної апаратури неприпустиме спотворення напруги. Отже, даний гаситель виконує також роль стабілізатора, що робить його конкурентоспроможним з дорогими і складними мережевими стабілізаторами, які використовуються в радіотехнічних лабораторіях. Також не завадить дану схему використовувати в домашніх умовах, адже вмикання комп’ютера, телевізора, електрочайника чи автоматизованої корморізки в сільському господарстві не завжди непомітне для користувача, особливо ввечері, коли використовується штучне освітлення, що є неінерційним і видає світловий потік, пропорційний рівню напруги. Таким чином, гаситель завад буде доречним і вдома.
Постає таке питання: а що саме змусило мене розробити і реалізувати на практиці гаситель комутаційних завад і чому саме така схема гасителя, а не інша? І чи не можна взагалі замінити стабілізатором? Відповідь на перше питання суто практичне. Справа в тому, що в лабораторіях, наприклад, де проводяться випробування експериментальних зразків цифрової техніки, в тому числі радіопристрої, при вмиканні кліматичних камер (а ними користуються часто) знижується якість освітлення (лампи моргають), що заважає роботі з кресленнями конструкторам, монтажникам при установці елементів поверхневого монтажу, складальникам одиниць радіотехніки. Щоб уникнути подібних випадків, як тему для дипломного проекту мені було запропоновано саме гаситель комутаційних завад. Відповідь на друге питання дається в контексті легкості відшукання несправностей та надійності пристрою. Якщо порівняти принципові схеми складних стабілізаторів та даного гасителя завад, то можна сказати, що будь-який пристрій тим надійніший, чим менше в ньому додаткових вузлів чи компонентів і чим менше в ньому елементів. Звідси випливає, що при поломці фірмового стабілізатора буде більше клопотів при пошуку несправностей та заміні елементів у важкодоступних місцях схеми. Натомість гаситель завад не важкий у ознайомленні, легше піддається ремонту з огляду на те, що він розташований на єдиній платі. Також застосування даного пристрою доцільне у фінансово-економічному плані, оскільки складається з недорогих і доступних деталей.
гаситель комутаційний завада
Обґрунтування необхідності проектування на основі критичного аналізу існуючих аналогів
Мені було задано питання: а чому не можна було обійтися простішими пристроями для послаблення завад, уже спроектованими, чому потрібно ускладнювати існуючі пристрої? Відповідь була обґрунтованою: тому що випробувані готові пристрої даного роду або не дали бажаного відсотку послаблення завад, або були непрацюючі.Основною причиною тому були помилки у розробках схем керування ввімкенням навантаження.
Першим прототипом, який буде розглянуто, є схема принципова вибрана з журналу [10]. Його схема електрична принципова зображена на рисунку 1.1.
Схема представляє собою схему затримки ввімкнення лампи розжарювання HL1. Силовим елементом являється симістор VS1, який керується сигналом із виходу тригера DD1.2.
Як відомо, при ввімкненні будь-якого навантаження в мережу через баластний опір (у даному випадку це конденсатор C1) спостерігається різкий стибок амплітуди струму, оскільки конденсатор розряджається на навантаження. Для обмеження цієї амплітуди звичайно паралельно конденсатору підключається струмообмежуючий резистор. Але в даній схемі його немає.

Рис
Ще один цікавий момент. По ТУ [2] максимально допустима напруга для мікросхеми DA1 (КР142ЕН5А) складає 15 В. При можливості появи на вході мікросхеми більших величин напруги для її захисту в схемотехніці принято шунтувати вхід стабілітроном. У поданій схемі ймовірність перенапруги вхідного виводу є, а захисного стабілітрона немає.
Керуючий сигнал подається на керуючий електрод симистора VS1 (ТС112 – 16, а не ТС11/2 – 16, як указано автором, оскільки такого типу просто не існує) через резистор R2 з виходу D– тригера DD1.2. В той же час вивід 7 мікросхеми DD1 по схемі з’єднаний з анодом VS1. Це неминуче призводить до виходу з ладу мікросхеми, якщо симистор знаходиться у закритому стані.
Припустимо, автор схеми помилився у нарисі VS1 в замість анода у схемі повинен підключатися катод симистора, то в тоді мікросхема може працювати. Але в такому випадку на керуючий електрод ключового елемента в цій схемі буде подаватися або нульовий потенціал або +5 В – симистор зможе відкриватися лише в одну з напівхвиль мережевої напруги і лампа розжарювання HL1 буде горіти в половину розжарення, що не відповідає задумам автора.
Автором цієї ж схеми була запропонована деяка модифікація схеми керування. У цій модифікації було започатковано індикацію прослідження появи одиничного потенціалу на неінвертуючому виході тригера DD1.2. Індикатором являється світлодіод EL1. При натисканні кнопки SB1 знімався одиничний потенціал зі входів синхронізації D – тригерів мікросхеми DD1. Сама модифікація зображена на рисунку 1.2.

Рис
Резистор R4 у схемі рис. 1.1 повинен за задумом автора забезпечувати затримку роботи мікросхеми DD1 після ввімкнення живлення тумблером SA1. При випробуваннях на змакетованому пристрою по описаній вище схемі затримки роботи мікросхеми вдалося досягти лише після введення в схему додаткового конденсатора на 100 мкФ. Відразу після подачі живлення напруги 9 В на інтегральний стабілізатор DA1 на виході тригера DD1.2 був наявний нульовий потенціал і контрольний світлодіод не світився.
Досягти стійкого свічення цього індикатора після декількох натискань кнопки SB1, а не однократного натискання, вдалося лише після з’єднання входу R тригера DD1.2 зі входом Cтригера DD1.1. Тепер схема керування відповідала первинному задуму автора.
Ще однією помилкою при публікації схеми автором були значення щодо величини струму керування симістором. За довідником [1] струм керування симистором типу ТС122-16 складає 100 мА (мінімальне значення). Якщо номінал резистора R2 у схемі заданий як 3,9 кОм, а напруга живлення схеми 5 В, то струм в колі керуючого переходу не перевищує 1,3 мА. ТС122-16 при такому струмові не відкриється. Враховуючи обмеження по ТУ на максимально допустимий для мікросхеми типу К155ТМ2 (що використана у схемі) вихідний струм у стані логічної одиниці її прямого виходу, неможливо багатократно зменшувати номінал резистора R2.
Як бачимо, автор схеми на рис. 1.1 не макетував схему, тому то вона не придатна для практичного застосування без переробки (рис. 1.2).

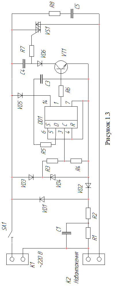
На рис. 1.3 приведений ще один можливий аналог розроблюваної схеми.
У ній вузол ввімкнення силового симистора VS1 виконаний на одному D-тригері і узгоджуючому транзисторі VT1. Як бачимо, подана схема наближена до розроблюваної. Проте тут наявні свої недоліки:
Параметричний стабілізатор у схемі керування не забезпечує високоякісної фільтрації вхідних спотворень;
Схема забезпечує невисокий відсоток нормалізації напруги в мережі при ввімкненні навантаження
Відсутність формувача синхроімпульсів може змінювати час затримки ввімкнення навантаження;
В описанні до схеми відсутня інформація про необхідність встановлення радіатора на корпус симистора, що призводить до вимоги підключення менших навантажень.
Діод VD3 і VD5 служить для прив’язки моментів нульової напруги в мережі до входу «С» тригера DD1. В ці моменти нульовий потенціал на вході С тригера в ці моменти.
Мікросхема DD1 живиться від накопиченого заряду в конденсаторі C3. Але автор не врахував можливих стрибків напруги при розряді конденсатора, оскільки гасячий резистор, що знижує амплітуду стрибка, відсутній.
Після подачі на схему напруги мережі через тумблер SA1 позитивні напівхвилі обмежуються баластним конденсатором C1, випрямляються однонапівперіодним випрямлячем VD1 – VD2.У баластному вузлі дотримано стандартних технічних рішень – резистор R1 забезпечує розряд баластного конденсатора після вимкнення пристрою, а резистор R2 обмежує струм заряду C1.
Випрямленою напругою мережі діодом VD5 відбувається заряджання конденсатора С3. Одночасно заряджається конденсатор С2, обмежуючись зарядним струмом через резистор R5. Безпосередньо після ввімкнення тумблера SA1 напруга на виході мікросхеми (вивід 1) рівна нулю, тому транзистор VT1 і симистор будуть знаходитись в закритому стані. Імпульси з виходу однонапівперіодного випрямляча, що подаються на вхід «С» тригера DD1 лише підтверджують нульовий потенціал на неінвертуючому виході тригера. Як тільки конденсатори С3 і С2 зарядяться, стрибок напруги на вході «С» тригера підтвердить одиничний потенціал на виході «D». При таких умовах тригер переключиться і в подальшому буде зберігати цей стан. Позитивна напруга з неінвертуючого виходу тригера відкриє транзистор VT1, що, в свою чергу, відкриє симистор VS1.
При створенні діючого макету даної схеми було виявлено, що із – за низького коефіцієнта стабілізації опорним діодом VD4 на базі узгоджуючого транзистора наявні спотворення рівня напруги. Це призводить до ненадійного відкривання силового симистора. Крім того, коефіцієнт стабілізації знижується паралельним підключенням стабілітрону подільника напруги R3 – R4.
Технічна характеристика виробу
Даний пристрій матиме наступні характеристики:
Діапазон робочих напругU= 180…250 В;
Струм споживанняi = 0,25…0,30 мА;
Тип робочих напруг – змінна, імпульсна (двополярна);
Робоча частота мережі f = 50…60 Гц;
Відносна зміна напруги ΔU = 14…20 В;
Потужність навантаження P = 1…2000 Вт;
Затримка перед ввімкненням навантаження t = 1 сек.;
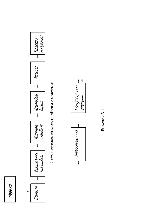
Розробка структурної схеми виробу
Гаситель спотворень при комутації працює по принципу регулятора напруги, в якому ключовий елемент (симістор) стає провідним «за вказівкою» схеми керування, яка забезпечує режим роботи симистора. Структурна схема пристрою зображена на рисунку 3.1. Приведемо детальний опис для окремих вузлів схеми згідно ілюстрованої схеми.
Мережа. до якої підключається гаситель, являється промисловою, зі стандартною змінною напругою 220 В та частотою 50-60 Гц. Від мережі пристрій заживлюється за допомогою стандартного штепселя. Допустимі відхилення в напрузі складають 40 В в сторону зниження напруги і 30 В в сторону підвищення її. Потужність, споживана схемою, визначається потужністю навантаження, що підключається. Виняток становить схема керування, яка споживає не більше 120 мВт. Як видно зі схеми, окрім схеми керування, від мережі заживлений один із електродів симістора. В послідовному з навантаженням підключенні полягає вся комутаційна функція симістора.
Баласт гасить струм із мережі для живлення всієї схеми керування. На виході баластного вузла напруга складає 220-240 В змінної напруги. Але напруга падає до 3-4 В, тому що споживана потужність лише трохи менша, ніж потужність, що видається баластом. Відповідно, падіння напруги на вузлі споживання буде значним. Звичайно, можна було б підключити трансформатор, але оскільки схема керування споживає малу потужність, то заради цього вистачить і силових резисторів. Також застосування трансформатора в даному випадку недоцільне в плані масо-габаритних показників та у фінансово-економічному плані (вартість силового резистора складає приблизно 10% від вартості трансформатора з мінімально допустимими параметрами для схеми.
Мостовий двонапівперіодний випрямляч призначений для випрямлення змінного струму, що надходить із баласту, так як вся схема керування призначена для роботи в постійній напрузі. В даній схемі вибрано мостовий двонапівперіодни й випрямляч саме тому, що він характеризується меншими пульсаціями, ніж однонапівперіодні та двонапівперіодні, має більший коефіцієнт перетворення потужності та стійкіший до короткочасної перенапруги.
Компенсаційний стабілізатор утримує на одному рівні напругу, що надходить на його вхід. На виході отримуємо напругу без істотних спотворень, що необхідно для нормальної роботи тригерів. Спочатку було запропоновано використати параметричний стабілізатор для менших габаритних показників, але потім було виявлено, що від якості стабілізованої напруги залежить чи не вся доцільність застосування гасителя комутаційних завад. Тому для поліпшення параметрів було обрано компенсаційний стабілізатор, щоб досягти максимального ефекту гасіння завад при комутації. Даний вузол стабілізує напругу, що надходить на ключовий вузол.
Ключовий елемент, виконаний на кремнієвому транзисторі, служить для формування імпульсів, які будуть синхронізувати роботу затримки вімкнення транзистора VT2. Він живиться від стабілізованої напруги, що поступає із компенсаційного стабілізатора.
Слідуючим компонентом схеми керування являєтьтся ємнісний фільтр. Помимо виконання своєї основної функції – згладження пульсацій на виході формувача синхроімпульсів, він є накоплювачем заряду для підвищення напруги живлення тригерів та транзисторів. Так як струм, що надходить із баласту, мінімально допустимий для роботи та живлення тригерів, а також наближений до струму утримання у відкритому стані симістора, використано фільтр, що підвищує мале значення струму у схемі.

Рис
Тригери затримки призначені для утворення із напівперіодів імпульсної напруги в змінну напругу для відкривання симістора в такт із частотою зміни напрямку струму в мережі. Також даний компонент виконує затримку включення навантаження, внаслідок цього Навантаженя вмикається плавно, без різких стрибків та провалин у значеннях мережевої напруги.
Основним елементом, яким керує вся вищеописана схема керування, є комутаційний симістор. Саме в ньому нарощується потужність впритул до потрібної для нормальної роботи навантаження; саме симістор замикає коло при ввімкненні тумблера.
Тепер можна узагальнити опис роботи всього пристрою за допомогою структурної схеми. Початковим моментом роботи являється переключення тумблера в положення «Включено». Подана напруга розділяється на два потоки – один потік іде на анод симістора, інший – на схему керування. Один вивід від мережі заживлюється безпосередньо на один із контактів навантаження. Інший вивід мережі підключається послідовно через симістор на другий контакт навантаження. Оскільки симістор не проводить струм через свою структуру при відсутності напруги на керуючому електроді, відкриваючий сигнал на даний електрод виробляє схема керування. В залежності від типу керуючого сигнале працює симістор.
Отже, струм, який надійшов на схему керування, занадто великий для керуючого електрода. В такому випадку для зниження струму керування вбудовано баластний вузол, який потрібен для захисту напівпровідникових компонентів у схемі керування (тригери затримки, ключ) від перевантаження. Оскільки тригери працюють із імпульсним струмом, у схему монтується мостовий випрямляч, що випрямляє напругу. Випрямлення є першою фазою перетворення постійної напруги в імпульсну. Далі випрямлена напруга урівновноважується у своєму значенні за допомогою компенсаційного стабілізатора (стабілізується). Стабілізація потрібна для формування рівномірних імпульсів, які далі керуватимуть симістором.
Стабілізована постійна напруга надходить на ключовий вузол, що являється формувачем імпульсів. Ключовий вузол формує сигнали, які набирають потрібну форму, проходячи через фільтр. Тригери затримки блокують вихідний сигнал, що подається на керуючий електрод симістора в початковий момент ввімкнення навантаження. Навантаження вмикається через 1 секунду після ввімкнення споживача. В наступні моменти потужність куруючих імпульсів наростає до того максимального значення, яке може видаватися баластом.
Розробка принципової схеми виробу
В даному розділі будемо описувати схему електричну принципову, опираючись на структурну схему виробу. Дана схема зображена на рисунку 4.
Сам пристрій має структурну схему симісторного регулятора. Основою його є силовий симістор, який пропускає струм чи не пропускає, в залежності від форми, частоти та амплітуди керуючих сигналів.
Отже, при ввімкненні пристрою з навантаженням в мережу струм починає протікати по основному колі – протікає впритул до одного з електродів симістора, після чого далі не може протікати – поки на керуючий електрод не буде подано керуючий сигнал із амплітудою, здатною утримувати силовий елемент у відкритому стані. В той же час інший потік струму проходить через схему керування, перетворюючись, подається на електрод керування, після чого симістор відкривається, вмикаючи навантаження.
Схема керування являє собою з’єднання необхідних для перетворення сигналу вузлів.
Першим і одним із основних вузлів є баласт, який знижує струм мережі до потрібних значень (Рис. 4.1). Баласт побудований на конденсаторі C1; резистор R1 призначений для гашення стрибка струму при зарядці конденсатора та для розрядки після вимкнення пристрою.; оскільки під час включення в колі конденсатора спостерігається значний стрибок струму, послідовно йому підключено струмообмежуючий конденсаторR2.

Рисунок 4.1
Випрямляч мостовий двонапівперіодний (Рис. 4.2) складається з чотирьох напівпровідникових випрямляючих діодів, призначений для випрямлення напруги. Постійний струм потрібен для формування синхроімпульсів і для нормальної роботи мікросхеми. Вузол працює звичайно – після надходження на катод VD1 напруга не проходить до анода і тому буде зворотньою і набуває знаку «-»; пройшовши через VD3, напруга набуває знаку «+», оскільки діод знаходиться у прямому включенні; у такому випадку напруга не буде протікати через VD2 iVD4, набуде негативного знаку і тоді випрямлена напруга протікатиме через навантаження до цих діодів; напруга буде прямою відносно них.

Рисунок 4.2
Для отримання рівномірних імпульсів із однаковою амплітудою струм, що надходить на формувач, повинен бути урівноважений, тобто стабілізований. Саме для цього призначений компенсаційний стабілізатор. У даній схемі використаний компенсаційний стабілізатор послідовного типу (послідовний, тому що регулюючий елемент підключено послідовно з опором навантаження), оскільки даний тип має більший коефіцієнт корисної дії у порівнянні з стабілізатором паралельного типу. Стабілізаційний вузол зображений на рис. 4.3. У даній схемі транзистор VT1 виконує роль регулюючого елемента. Транзистор VT2 являється одночасно підсилюючим та порівнюючим елементом. Джерелом опорної напруги, з якою порівнюється вхідна напруга, являється параметричний стабілізатор VD5. Якщо через нестабільність вхідної напруги значення вихідної відхилилося від свого номінального значення, то різність опорної та вихідної напруг змінюється. Ця напруга підсилюється транзистором VT2 і діє на регулюючий транзистор, змінюючи його провідність. Тоді вхідна напруга розподілиться між регулюючим транзистором та опором навантаження таким чином, щоб скомпенсувати втрати на навантаженні.

Рисунок 4.3
На транзисторі VT3 (рисунок 4.4) виконанний синхронізатор роботи вузла затримки ввімкнення транзистора VT4, або формувач синхроімпульсів. Конденсатор С2 є розділовим елементом. Він захищає формувач синхроімпульсів від короткого замикання на виході Напруга на виході компенсаційного стабілізатора представляє собоюасимптотально подібну напругу.. Ця напруга призводить до насичення транзистора VT3; при цьому конденсатор С2 заряджається через ключовий транзистор VT3 і резистор R10. На резисторах R6 – R7 виконаний подільник напруги зміщення. При цьому R6 має менший опір для подання на базу ключового транзистора позитивної напруги. Це призведе до відкриття елемента. На вільному виводі розділового конденсатора отримуємо імпульси, наближені за формою до прямокутних, утворені даним формувачем.Керуючий сигнал знімається з колектора транзистора через послідовий струмообмежуючий резистор R12. Поки з вихода тригера DD1.2 не буде подано сигнал, транзистор буде знаходитись у закритому стані.

Рисунок 4.4
Вузол затримки сигналу виконаний на двох D-тригерах, послідовно ввімкнених між собою. Імпульсами напруги на резисторі R10 синхронізується робота D-тригерів мікросхеми DD1, але це стає можливим приблизно через 1 секунду після переключення тумблера S1 у положення «ВКЛ». До того часу заряджається конденсатор C3і на вході S (вивід 6) тригера DD1.1 присутня напруга установки тригера у стан логічної «1». Це призведе до блокування не лише тригера DD1.1, але й тригера DD1.2 по входу R (вивід 10).На прямому виході тригера DD1.2 на протязі, як мінімум, заряду конденсатора С3 присутній нульовий потенціал, і транзистор VT4 буде знаходитись в закритому стані.
Як тільки конденсатор С3 зарядиться, потенціал входу SDD1.2 стане близьким до нуля і DD1.2 стане керуватися імпульсами зі входу С (синхронізаційного).Черговим імпульсом на вході С тригер DD1.1 змінить свій
стан на логічний «0» по виходу 1, і в подальшому буде його зберігати. Відповідно, буде розблокований і тригер DD1.2 по входу R. Наступний імпульс з колектора транзистора VT1 переключить тригер DD1.2. Напруга на вході D-тригера DD1.2 весь наступний час зберігається рівною одиничному потенціалу і, не зважаючи на продовження формування імпульсів транзистором VT3, ключовий транзистор VT4 буде відкритий. Нормальна напруга електроживлення мікросхеми DD1забезпечується використанням накопиченого заряду в конденсаторі С4.

Рисунок 4.5
На конденсаторі С4 побудований фільтр вхідної напруги (вузол зображений на рисунку 4.6). Даний вузол відфільтровує вхідні спотворення, зберігаючи ці паразитні коливання як накопичений заряд і в разі сильних провалів у напрузі (якщо стабілізатор не стабілізував провал) компенсує втрату. Крім того, даний фільтр виконує роль дискримінатора змінної складової випрямленої напруги. Оскільки конденсатор має реактивний опір, то він буде зменшувати амплітудне значення змінної складової. Також енергією конденсатора живляться тригери, отримуючи при цьому напругу 12 В.

Рисунок 4.6
Обґрунтування вибору елементної бази та матеріалів
В даному розділі будуть описані типи елементів та матеріалів, які використані при розробці пристрою для гасіння комутаційних завад.
Резистори складають до 90% всіх елементів електричних кіл. Вони використовуються як штучні завади протіканню електричного струму в колі.
В даній схемі використані деякі типи резисторів, які є найбільш розповсюджені та мають високі показники стійкості до термічного впливу. Зокрема, це резистори типу МЛТ. Ця абревіатура означає «металізований лакований термостійкий». Саме позначення говорить за характеристики елемента.
Застосовані у схемі резистори даного типу мають потужності розсіяння 0,5 Вт, оскільки являються силовими елементами. Електрична міцність резисторів характеризується максимально допустимою напругою, при якій елемент може працювати заданий час без пробою. У даних резисторів міцність має величину 350 В; при цій напрузі час безвідмовної роботи складатиме 213000 годин. Наступний параметр, температурний коефіцієнт опору, складає 2,43 Ом / 1̊ С для високоомних резисторів та 0,19 Ом / 1̊ С. Це допустимо для роботи при температурі 20…40̊ С. Дані елементи відносяться до 1-го класу точності, оскільки мають відхилення значення опору від номіналу ± 5%. Цей фактор також впливає на доцільність застосування їх у даній схемі.
Сучасні виробники РЕА звертають особливу увагу вітчизняним резисторам С2-33. Ці елементи завоювали велику популярність завдяки своїй дешевизні та надійності; являються нащадками славнозвісних МЛТ, які й зараз популярні та поширені, але вважаються морально застарілими, тому не виробляються. Із С2-33 ситуація інакша – виробництво та збут їх лише зростає.
С2-33 мають схожу до С2-23 форму та будову, але є вдосконалення – у високоомний матеріал введено домішки, які знижують відхилення опору від номіналу,що і викликало значний попит на дані елементи.
Конденсатори електролітичні CD263 фірми «ELZET» та «Chang» являються алюмінієвими конденсаторами, призначеними для використання в колах постійного та однополярного імпульсного струмів. Втрати в накопиченій напрузі складають 4 В/хв., що уможливлює застосування цих елементів як подвоювачів напруги та ємнісних фільтрів. Даний тип конденсаторів має широкий вибір номіналів та максимальних напруг – ємність складає від 0,22 мкФ до 50000 мкФ; напруги складають інтервал від 6,3 В до 1000 В. В нашому випадку використаний номінал 470 мкФ для фільтрації та забору енергії для живлення інших енергозалежних елементів; цієї ємності.
Ще один параметр конденсаторів, темперактурний коефіцієнт ємності (ТКЄ). Він показує, на скільки зміниться ємність при зміні температрури навколишнього середовища та корпусу елемента на 1 градус. У даних конденсаторів ТКЄ складає ± 10…30 % / град.
Конденсатори типу К73-17мають найрізноманітніші призначення Їх можна застосовувати у колахRC-, LC-фільтрів, як баластні елементи, як розділові конденсатори. Призначені для роботи у колах змінного, постійного та імпульсного струмів. Ці елементи складаються з двох фольгованихметалевих прокладок, між якими розмішений пропіленова діелектрична плівка. Найбільшим достоїнством даних конденсаторів є самовідновлення діелектричних властивостей після пробою Також є широкий вибір номінальних ємностей та напруг, отже, серед таких конденсаторів можливо знайти потрібну ємність, щоб не підбирати подібні номінали.
ТКЄ цих конденсаторів складає ± 5…10% /град. Час відновлення після елктричного пробою складає 5…7 сек. Діапазон робочих температур, при яких допустимі відхилення будуть складати ± 5%, сягають від -60̊ С до +80̊ С.Виробляються конденсатори в Північнозадонському конденсаторному заводі (РФ). У даному пристрої будуть застосовані конденсатори із робочою напругою 63 В. Оскільки пристрій буде працювати у діапазоні +20…40̊ С, то допустимі відхилення будуть унормовані.
У пристрої також буде наявний інтегральний елемент – мікросхема, яка являє собою два D-тригери (delay-trigger) – затримуючі елементи, які запам’ятовують стан інформаційного входу (у вигляді електричного потенціалу) та видає його на вихід. У випадку даного проектування обраний елемент К561ТМ2, як уже згадувалось, є подвійним тригером. Мікросхема зібрана на МОП-транзисторах, що значно зменшує її споживану потужність завдяки великому вхідному опору вмонтованих транзисторів; напруга живлення становить 8…15 В постійної напруги. Струм споживання складає 13 мА. Це знижує втрати корисної енергії, що доводить застосування саме цієї ІМС в схемі. Як відомо, опір напівпровідників збільшується зі зниженням температури їх і знижується при підвищенні температури. Дана мікросхема призначена для роботи при температурі навколишнього середовища від -20 до +60̊ С. При цьому зміна амплітуди вихідного сигналу складе ± 2…4% від номінальної. Оскільки даний пристрій працюватиме при температурі +20…40̊ С, спотворення вихідного сигналу коливатимуться у межах допустимого. Крім того, теплові втрати у споживанні електроенергій будуть відсутні, тому корпус не буде грітися.
Стабілітрон КС126А використаний у якості елемента опорної напруги для компенсаційного стабілізатора, котрий працює по принципу порівняння опорної та вихідної напруг.
Сам елемент виконаний на кремнієвій основі, з домішками Індію та сурми в р- та n-областях відповідно. Розташований в алюмінієвому корпусі, що перешкоджає електромагнітним полям впливати на відхилення вихідної напруги.Струм, який підлягає стабілізації, коливається в інтервалі 3…29 мА; У нашому випадку протікаючий струм складає ≤ 25 мА (в основному колі схеми керування); струм, який протікає через даний стабілітрон, буде ще меншим.
Зміна коефіцієнта стабілізації від температури навколишнього середовища складає – 0,075 В /град. Як бачимо, напруга стабілізована напруга стабілізації буде знижуватись при зміні температури. При цьому прийнято вважати, що нормальна напруга стабілізації (від 2,5 В до 2,9 В) не змінить свого значення при температурі +20̊ С.
Конденсатори 2А103К та CL21 – це металоплівкові конденсатори, які найчастіше застосовуються у колах, не немає розв’язки від мережі. Призначені для роботи у змінному, постійному та імпульсному струмих. Мають номінали від десятків піко фарад до одиниць мікрофарад. Їхня особливість – це висока надійність та здатність продовжувати працювати нормально через 7 сек після пробою діелектрика. Діелектриком служить поліпропіленова плівка товщиною від 0,005 мм до 0, 1 мм; обкладками служать алюмінієві (в основному) стрічки. Корпус являється затверділою компаундною або пластичною масою, зовні покритою кольоровим лаком. Робоча напруга становить110 В і більше; номінальні напруги складають 110 В, 250 В, 400 В, 630 В, 1000 В, 1500 В, 2000 В 5000 В. У проектованому гасителі комутаційних завад використані конденсатори, розраховані на робочі напруги 110 В та 630 В.ТКЄ становить ±20% / град, що вважається нормальною зміною, враховуючи, що пристрій працюватиме при вище зазначеній температурі. Втрати накопиченої напруги складають 1,7 В / хв, що задовільняє технічні вимоги до елементів, але небажано з точки зору техніки безпеки, оскільки накопичений заряд буде зберігатися і після вимкнення кола від мережі.
Силовий симистор BT136-600 призначений для роботи у колах постійного, змінного та імпульсного струмів, робоча напруга складає 600 В. Максимально допустимий струм навантаження сягає 10 А,напруга відпирання елемента складає 1,23 В при струмові керування 0,008 А, що відповідає вимогам при розробці пристрою зниження комутаційних завад. Струм утримання у відкритому стані сягає0,01 А Так як даний симистор являється силовим елементом, то він найбільше нагрівається. Це пов’язано з великим струмом, який споживає навантаження. Тому для тепловідведення до одного з електродів приєднано металеву пластину товщиною 1,5 мм. Ця пластина має круглий отвір для кріплення радіатора за допомогою болта.
Транзистори КТ3102Б являються малопотужними кремнієвими транзисторами типу n-p-n. Вони мають малі габарити, що дозволило їх застосування у даній схемі. Робоча напруга складає 50 В, що що за результатами розрахунків електричного вузла є найбільш оптимальним вибором.Основним параметром, що характеризує якісні показники транзистора є коефіцієнт передачі по струму, h>21е>. Величина цього параметра показує чутливість приладу до вхідного сигналу Чим більше значення h>21е>, тим кращі підсилювальні власивості транзистора. У даному транзисторові h>21е> = 300. Це значення стало наочним обґрунтуванням обрання даного транзистора не лише по робочі напрузі та максимальному струму колектора.
Транзистори КТ3107Б – це малопотужні середньочастотні транзистори типу p-n-p. Призначені для роботи у колах постійного, імпульсного та змінного (до 200 МГц) струмів. Працюють у двох режимах – у режимі підсилення та у ключовому. При роботі у режимі підсилення h>21е> складає 220, у ключовому режимі значення знижується до 160…200. Для даного елемента максимальна напруга в колі колектор-база складає 50 В, в колі колектор-емітер – 45 В. У розроблюваному пристрої транзистор буде включено по схемі із загальним емітером, в ключовому режимі. Таким чином, у даному елементу коефіцієнт передачі по струму не повністю буде використаний. Проте, у нашому випадку цей транзистор буде основою ключового вузла, де нема вимог до повного використання даного параметра.
Діоди 1N4007 являються випрямляючими кремнієвими діодами,із максимально допустимою зворотною напругою 400 В, максимальний струм складає 1 А постійного струму та 10 А імпульсного. При вказаних параметрах елементи мають малі масо-габаритні показники, що повністю задовольняє вимоги при розробці схем зі щільним монтажем. Наступний параметр, робоча частота, дозволяє визначити галузі застосування елемента. Діоди 1N4007 можуть працювати при частоті до 1100 Гц (у низькочастотних генераторах, підсилювачах, формувачах). Частота промислової мережі складає 50 Гц. Максимальний випрямлений струм складатиме 0,03 А, напруга мережі складає 220 В ± 10%, що повністю задовольняє вимоги до елемента при розробці схеми.
У термоінтерфейсі розроблюваного пристрою застосовано теплопровідну пасту КПТ – 8. Теплопровідна паста (надалі – термопаста) застосовується для кращої теплопровідності між поверхнею, що віддає тепло, і радіатором, що приймає дану енергію. Як би не намагалися виробники зробити рівною поверхню елемента, що видає тепло, все рівно така поверхня не буде ідеально рівною. Отже, і тепловіддача муде меншою, що небажано. Термопаста заповнює всі нерівності на поверхні елемента і радіатора, роблячи теплопередачу більш ефективною.
Термопаста КПТ – 8 використовується для покращення теплопровідності між силовим симистором та радіатором. Вона має вигляд в’язкої білої маси. Виготовляється за допомогою згущення полідиметилоксанової рідини порохом окису цинку.
Електричний розрахунок окремих вузлів виробу
У даному розділі будуть проведені розрахунки окремих електричних вузлів. За результатами даних розрахунків можна буде підібрати потрібні типи та номінали елементів вузла. При наявності правильних результатів і підібраних по них елементів ймовірність коректної та безвідмовної роботи вузла складатиме 98%.
Важливим моментом являється підбір основних типів елементів для компенсаційного стабілізатора. У даному пристрої буде застосований компенсаційний стабілізатор послідовного типу (рисунок 6.1). Розрахунок даного вузла проведемо за методикою [3].

Рисунок 6.1
Для початку зазначимо вихідні дані, зяких будуть проведені всі наступні розрахування:
Номінальна вихідна напруга стабілізатора U>вих> = 4,2 В;
Допустима амплітуда пульсацій вихідної напруги U>max>> п вих> = 0,5 В;
Межі вихідної напругиU>вих >>max> = 4,3 В, U>вих >>min> = 3,9 В;
Номінальний, мінімальний та максимальний струми навантаження I>н> = 0,025 А,I>min> =0,018 А, I>max> = 0,030 А;
Допустимі відносні відхилення вхідної напруги стабілізатора від номінальної a>вх> = 0,3 В, b>вх> = 0,4 В;
Межі зміни температури оточуючого середовища t>от >>max> = 40̊C, t>от>>min> = 20̊C;
Мінімальне значення вхідної напруги U>вх >>min> = 8 В.
6.1 Знаходимо максимальне значення пульсацій на вході стабілізатора:
U>max>> п вих>= 0,1 * (U>вих >>max> + U>КЕр >>min>). (6.1)
Із довідника [3] визначаємо, що U>КЕр >>min> має значення 3 В.
U>max>> п вих>= 0,1 * (4,3 + 3) = 0,73 В
6.2 Визначаємо номінальну напругу на вході стабілізатора по формулі (6.3):
U>вх> = U>вх >>min> / (1 - b>вх>); (6.3)
U>вх>= 8 / (1 – 0,4) = 12 В;
6.3 Визначаємо максимальну вхідну напругу стаббілізатора по формулі (6.4):
U>вх>>max> = U>вх> * (1 - a>вх>); (6.4)
U>вх>>max> = 12 * (1 – 0,3) = 15,6 В;
Далі необхідно знайти максимальну напругу на вході стабілізатора U´>вх >>max> при мінімальному струмові навантаження:
U´>вх >>max> = U>вх>>max> + (I>н >>max>–I>н >>min>) r>0>;
r>0> знаходимо по формулі (6.6):
r>0> = 0,1 * U>вх> / І>н>>max>;(6.6)
r>0> = 0,1 * 12 / 0,030 = 4 Ом.
U´>вх >>max> =15,6 + (0,030 + 0,018) * 4 = 15,684В.
6.4 Визначаємо максимальний струм на колекторі регулюючого транзистора:
І>кр >>max> = І>н >>max> + І>сп>,(6.7)
де І>сп> – споживаний стабілізатором струм, із довідника зазначимо його – 5 мА.
І>кр >>max> = 0,030 + 0,005 = 0,035 А. 6.8)
6.5 Визначаємо максимальну напругу в колі колектор – емітер регулюючого транзистора:
U>КЕр >>max> = U´>вх >>max> - U>вих >>min>;(6.9)
U>КЕр >>max> = 15,684 – 3,9 = 11,784 В;
6.6 Визначаємо величину максимальної потужності, розсіюваної на регулюючому транзисторі по формулі (6.7):
Р>Кр> = (U>вх >>max> - U>вих >>min>) I>кр >>max>; (6.10)
Р>Кр> = (15,6 – 3,9) * 0,035 = 0,4 Вт.
За результатами розрахунків вибираємо із довідника [3] тип транзистора КТ3102Б.
6.7 Для вибору типу стабілітрона, що використовується як джерело опорної напруги, знаходимо величину потрібної опорної напруги за формулою (6.11):
U>оп> = 0,6 * U>вих >>min>;(6.11)
U>оп> = 0,6 * 3,9 = 2,7.
По даному результату вибираємо стабілітрон КС126Б.
Далі розрахуємо параметри підсилюючого транзистора. Для цього зазначаємо із довідника [3] максимальний струм на колекторі І>Кп>>max> = 2 мА.
6.8 Визначаємо максимальну напругу в колі колектор – емітер підсилювального транзистора.
U>KE>>п>>max> = U>вих >>max> - U>ст>; (6.12)
U>KE>>п>>max> = 4,3 – 2,7 = 1,6 В.
6.9 Визначаємо максимальну потужність, розсіювану на колекторі даного транзистора:
P>K>>п>> max> = U>KE>>п>> max> * I>K>>п>> max>;
P>K>>п>>max> = 1,6 * 0,002 = 0,0032 Вт.
По одержаних результатах визначаємо потрібний тип транзистора. Вибираємо транзистор КТ3102Б.
6.9 Визначаємо параметри резистораR3 в колі стабілітрона VD5 знаходимо за формулою (6.13):
R3 = (U>вих >>min> - U>ст>) / I>ст >>min>; (6.13)
де I>ст >>min> – мінімальний струм стабілізації стабілітрона, його вибираємо із довідника [3].
R3 = (3,9 – 2,5) / 0,005 = 280 Ом.
Із довідника [3] підбираємо найближчий номінальний опір – 270 Ом.
6.10 Знаходимо максимальний струм, що протікає через стабілітрон. Для цього корисуємось законом Ома для ділянки кола:
I>R>>3>>max> = (U>вих >>max> – U>ст >>min>) / R3; (6.14)
I>R>>3>>max> = (4,3 – 2,5) / 280 = 0,006 A.
6.11 Визначаємо максимальну потужність розсіяння на резисторі:
P>R3 max> = I2>R3 max> * R3; (6.15)
6.12 Далі визначаємо параметри подільника напруги, що побудований на резисторі R5. Для цього задаємося струмом, що протікає через подільника. Даний параметр зазначаємо із довідника [3]. У даному випадку струм подільникаI>п> складає 0,002 А. За допомогою даного параметра знаходимо опір загальний опір резистора R5:
R5 = U>вих>>max>/ I>п>;(6.16)
R5 = 4,3 / 0,002 = 2150 Ом.
Із довідника [3] визначаємо тип і опір потрібного резистора. У даному випадку задовольняє резистор СП3-19А із опором 2,2 кОм.
6.13 Обчислюємо мінімальний коефіцієнт передачі подільника:
α>min> = U>ст >>min> / U>вих>>max>;(6.17)
α>min> = 2,5 / 4,3 = 0,58.
6.14 Обчислюємо максимальний коефіцієнт передачі подільника:
α>mах> =U>ст >>max> / U>вих>>min>; (6.18)
α>mах> = 2,9 / 3,9 = 0,74.
6.15 Оскільки у даному стабілізаторі буде застосований змінний резистор, то розрахуємо опори його обох частин відносно ротора. Спочатку розрахуємо опір його першої частини, з’єднаної із анодом стабілітрона:
R>1ч> = α>min> * R>п>; (6.19)
R>1ч> = 0,58 * 2200 = 1276 Ом;
Визначаємо опір другої частини, з’єднаної з емітером регулюючого транзистора:
R>2ч> = R>1ч>* (1 - α>mах>) / α>min>; (6.20)
R>2ч> = 1276 * (1 – 0,74) / 0,58 = 572,4 Ом.
6.16 Після того, як був вибраний стандартний номінал подільника, потрібно уточнити значення протікаючого через резистор струму. Для цього застосовуємо закон Ома для ділянки кола:
І>п> = U>вих >>max> / (R>1ч> + R>2ч>); (6.21)
І>п> = 4,3 / (1276 + 572,4) = 0,0105 А.
6.17 Обчислюємо потужності, що розсіюються на обох частинах резистора:
P>1ч> = I2>п> * R>1ч>;(6.22)
P>1ч> = 0,01052 * 1276 = 0,14 Вт;
P>2ч> = I2>п> * R>2>>ч>; (6.23) P>2ч> = 0,063 Вт.
6.18 Знаходимо коефіцієнт корисної дії (ККД) стабілізатора:
η = U>вх> * І>н> / U>вх> * І>вх>; (6.24)
η = 4,2 * 0,025 / 12 * 0,030 * 100%= 30%
6.19 Далі розраховуємо коефіцієнт стабілізації.Цей параметр розраховуємо по формулі (6.25):
К>ст> = (U>мп вх> * U>вх>) / (U>мп вих> * U>вих>). (6.25)
Проте значення U>мп вих> не відоме, тому розрахуємо його:
U>мп вих> = 0,1 * (U>вх >>min> + U>К>>E>>р >>max>); (6.26)
U>мп вх> = 0,1 * (8 + 11,784) = 1,97 В;
К>ст> = (1,97 * 12) / (0,5 * 4,2) = 11,25.
6.20 Визначаємо вихідний опір стабілізатора:
R>вих> = U>мп вих> / ΔІ>н>, (6.27)
де ΔІ>н> – зміна номінального струму, ΔІ>н> = І>н >>max> – І>н>;
ΔІ>н> = 0,005 А.
Rвих = 0,5 / 0,005 А = 100 Ом.
Далі будемо розраховувати параметри формувача синхроімпульсів. Для цього користуємось методикою розрахунку [3]. Розрахунок дозволить визначити номінальну ємність розділового конденсатора С2 та вхідний опір даного формувача. Вузол генератора зображено на рисунку 6.2.

Рисунок 6.2
6.21 Визначаємо вхідний опір генератора за формулою (6.28):
R>вх> = (1 + h>21>>e>) * R>н.е.>, (6.28)
де R>н.е.> = R1 * r>K> / R7 + R8.
Значення r>K> у даному випадку – опір колектора транзистора VT3, його зазначаємо із довідника [3].
R>н.е.> = 2700 * 125000 / 20000 + 5100 = 21,9 кОм;
R>вх> = (1 + 300) * 21900 = 6591900 Ом.
6.22 Уточнюємо опір резистора R7, виходячи з рівності
R7 ≈ 10 * R>вх> / h>21>>e>; (6.29)
R7 ≈ 10 * 659100 / 300 = 21678 Ом.
6.23 Визначаємо ємність розділового конденсатора С2. Використовуємо для цього формулу (6.30):
С2 = 2π * 0,1 / f>p>; (6.30)
f>p> у даному випадку робоча частота імпульсів, яку формує вузол. У нашому випадку потрібна частота складає 50 Гц, нею і задаємося.
C2 = 2π * 0,1 / 50 = 10 нФ.
Розрахунок надійності виробу
Надійність пристрою у роботі – ключовий фактор доцільності його застосування у побуті. Розрахунок надійності визначає точний час безвідмовної роботи, час напрацювання до першої відмови, виходи з ладу елементів. Можна обґрунтувати означення параметрів надійності для кращого розуміння справи.
Надійність – це властивість виробу виконувати функцію у зазначених умовах експлуатації при збереженні показників в раніше зазначених параметрах.
Відмова – це порушення працездатності виробу при роботі всієї системи.
Довговічність – це властивість виробу зберігати працездатність до настання граничного стану при умові виконання вимог по технічному обслуговуванню.
Граничний стан – це критична параметрична точка, при якій ще можливе використання апарату. Після переходу такої точки до більшого значення апарат уже непридатний до застосування.
Інтенсивність відмов – це кількість відмов елементів або всього пристрою на протязі зазначеного інтервалу часу.
7.1 Із довідника [4] визначаємо номінальні значення інтенсивності відмов для кожного типу елементів (λ>н>).
Конденсатори:
CD263 – 0,035;
2A103K – 0,03;
CL21 – 0,03;
Діоди:
1N4007 – 0,2;
КС126А – 0,2;
Резистори:
C2-23 – 0,016;
C2-33 – 0,016;
МЛТ – 0,016;
СП3-19 – 0,08;
Транзистори:
КТ3107Б – 0,84;
КТ3102Б – 0,84;
Мікросхеми:
К561ТМ2 – 0,04;
Симистор:
BT136-600 – 0,07;
Клемники гвинтові 300-5.0-02P-12– 0,01;
Пайка (ПОС-61) – 0,01.
7.2 Визначаємо інтенсивність відмов елементів з урахуванням експлуатаційних умов:
Λ>i>= λ>н >* K>λ>> >,(7.1)
Де K>λ>- коефіцієнт поправки, дорівнює K>λ>>1> * K>λ>>2 >* K>λ>>3>;
K>λ>>1 >- коефіцієнт впливу механічних факторів (вібрація, механічний тиск);
K>λ2 >- кліматичний фактор (температура оточуючого середовища, вологість, газове середовище;
K>λ3 >- фактор атмосферного тиску.
Із перелічених в таблиці [4] значень умов роботи пристрою вибираємо стаціонарні умови, оскільки система призначена для роботи саме в стаціонарних умовах.
Отже, K>λ1 >= 1,07;
K>λ2 >= 1,0 при температурі +40˚ за Цельсієм (така температура утворюється через нагрівання силового симістора та розсіяння тепла радіатором) та відносній вологості повітря 70…80%;
K>λ3 >= 1,0 при нормальному атмосферному тиску.
Підставляючи значення в формулу (7.1), оримуємо:
K>λ>= 1,07 * 1,0 * 1,0 = 1,07;
Λ>i>= λ>н >* 1,07.(7.2)
7.3 Визначаємо інтенсивність відмов Λ>i>для усіх однотипних елементів:
Λ>i >(CD263) = 0,035 * 1,07 = 0,037 * 10-6;
Λ>i >(2A103K) = 0,03 * 1,07 = 0,0321 * 10-6;
Λ>i >(CL21) = 0,03 * 1,07 = 0,0321 * 10-6;
Λ>i>(1N4007) = 0,2 * 1,07 = 0,21 * 10-6;
Λ>i>(КС126А) = 0,2 * 1,07 = 0,21 * 10-6;
Λ>i>(C2-23) = 0,016 * 1,07 = 0,01712 * 10-6;
Λ>i>(C2-33) = 0,016 * 1,07 = 0,01712 * 10-6;
Λ>i>(МЛТ) = 0,016 * 1,07 = 0,01712 * 10-6;
Λ>i>(СП3-19) = 0,089 * 1,07 = 0,95 * 10-6
Λ>i>(КТ3107Б) = 0,84 * 1,07 = 0,8988 * 10-6;
Λ>i>(КТ3102Б) = 0,84 * 1,07 = 0,8988 * 10-6
Λ>i>(К561ТМ2) = 0,84 * 1,07 = 0,8988 * 10-6;
Λ>i>(BT136-600) = 0,07 * 1,07 = 0,0749 * 10-6;
Λ>i>(300-5.0-02P-12) = 0,01 * 1,07 = 0,0107 * 10-6;
Λ>i>(ПОС-61) = 0,01 * 1,07 = 0,0107 * 10-6.
Використовуючи отримані значення із 7.3, можна визначити інтенсивність відмов усієї системи:
Λ>с> =(λ>1> + λ>2> + λ>3> + … + λ>n>) * n>i>,(7.3)
Де λ>1>, λ>2> – числове значення інтенсивності відмов групи однотипних елементів, n>i> – кількість однотипних елементів у кожній групі.
Λ>с> = (0,074 + 0,96 + 1,89 + 0,204 + 0,95 + 1,78 + 0,89 + 0,07 + 0,02 + 0,83) * 10-6 = 7,3 * 10-6.
7.5 При розрахунку надійності проектованого апарата також враховується час, протягом якого проектований пристрій буде працювати без збоїв та виходу з ладу будь-якого елемента. Цей час називається час безвідмовної роботи (Т>ср>). В даному проекті також застосуємо цей норматив:
Т>ср>
=
;(7.4)
Т>ср>
=
= 136986,3 год.
7.6
Визначаємо коефіцієнт впливу зовнішніх
чинників на режим роботи однотипних
елементів. Змінні коефіцієнта впливу
позначимо
.
Необхідні змінні визначаємо з табл. [
].
Для електролітичних конденсаторів
= 1;
Для металоплівкових конденсаторів
= 1;
Для транзисторів КТ310
= 0,42;
Для мікросхеми К561ТМ2
= 1;
Для симетричного тиристора
=0,87;
Для резисторів МЛТ, С2-23, С2-33 та
СП3-19
=0,76;
Для діодів та стабілітронів
=0,76;
Для пайок та контактних елементів
=1.
7.7 Тепер потрібно визначити інтенсивність відмов системи з урахуванням зовнішніх факторів. Для цього використаємо формулу (7.3) і з використанням значень із пункту 7.6 модифікуємо формулу (7.3):
Λ>с>
= (λ>1> + λ>2>
+ λ>3> + … + λ>n>)
* n>i>*
; (7.6)
Λ>с> = (0,074 + 0,96 + 1,43 + 0,155 + 0,74 + 0,89 + 0,06 + 0,83) * 10-6;
Λ>с> = 5,139 * 10-6 .
7.8 Тепер визначимо середній час безвідмовної роботи:
Т>ср>
=
(7.7)
Т>ср>
=
= 194590,3 годин.
7.9 Далі в методиці розрахунку потрібно визначити такий параметр, який би визначив, наскільки ймовірною може бути безвідмовна робота на протязі тривалого часу експлуатації. Цей параметр називається ймовірністю безвідмовної роботи (P(t)). Визначимо Р(t) на протязі деякого часового інтервалу:
P(t)
=
,(7.5)
Де tp –деякий часовий інтервал, год.
P(t) = e -5,139 * 10 -6 * 1000 * 100% = 99,4%
Як бачимо, ймовірність роботи без жодної відмови на протязі 1000 годин складає 99,4%.
7.10 Визначаємо ймовірність безвідмовної роботи апарата з урахуванням зовнішніх факторів. Використовуємо для цього нормативні часові інтервали.
Т>ср> = 100 годин:
P(t)
=
* 100% = 99,94%;
Т>ср> = 1000 годин:
P(t)
=
* 100% = 99,48%;
Т>ср> = 10000 годин:
P(t)
=
* 100% = 94,99%;
Т>ср> = 100000 годин:
P(t)
=
* 100% = 59,81%;
7.11 За умовами методики розрахунку, результати обчислень із пункту 7.10 потрібно зобразити у графічному вигляді.

Отже, результати розрахунку надійності задовольняють технічні вимоги до пристрою.
Конструктивний розрахунок друкованої плати
Для кожного пристрою, ясна річ, повинна бути розроблена та виготовлена друкована плата. Друкована плата дозволяє зекономити від 10% до 80% вільного місця в середині корпусу пристрою при мінімальних витратах провідників.
У даному розділі буде проведено розрахунок площі друкованої плати, тип матеріалу та габарити елементів.
Щільність монтажу друкованої плати для пристрою вибираємо по 1-му класу. 1-й клас має такі значення:
- ширина провідників t = 0,75;
- відстань між провідником і контактними площадками b = 0,75;
- відстань від краю отвору до краю контактної площадки c = 0,3.
8.1Для початку розрахунку визначимо площу, необхідну під резистори:
S = D * l,(8.1)
де D – поперечний переріз металевого тримача, мм;
l–поздовжній розмір елемента (з урахуванням згибів виводів)
Оскільки ми маємо різнотипні та різноформенні резистори, то спочатку визначаємо площу для однотипних резисторів.
S>R>>1,2,13> = 16 * 3 = 48 мм2
S>R>>3,4,6,7,8,10,11,12> = 11 * 2 = 22 мм2
S>R>>9> = 9 * 1,8 = 16,2мм2
Підстроювальний резистор R5 (СП3-19А), має циліндричну форму, тому для нього площа розраховується по іншій формулі:
S = πD2/2,(8.2)
де D– зовнішній діаметр корпусу, мм.
S =
=
62,344 мм2;
8.2 Визначаємо площу, необхідну під усі однотипні резистори:
S>R> = S>R1> * N1 + S>R3> * N2.(8.3)
S>R1,2,13> = 48 * 3 = 144мм2;
S>R3,4,6,7,8,10,11,12>= 22 * 6 = 176мм2;
S>R5> = 62,344 * 1 = 62,344 мм2
S>R9> = 16,2 * 1 = 16,2 мм2.
8.3 Визначаємо загальну площу під усі резистори:
S>R> = 144 + 176 + 62,344 + 16,2 = 398,544 мм2.
Оскільки однотипні резистори були згруповані, то знову множити їх площу на кількість не потрібно.
8.4 Визначаємо необхідну площу під конденсатори.
Для конденсаторів із подовжньою формою площа визначається по формулі
S = L * B,(8.4)
де L – поздовжній розмір елемента, мм;
B – поперечний розмір елемента, мм.
Для конденсатора С5 площа дорівнює:
S>С5>= 11 * 5 = 55 мм2.
Для конденсатора С2:
S>С2> = 6 * 3,5 = 21 мм2.
Для конденсатора C1:
S>C>>1> = 22 * 7 = 154 мм2.
8.5 Визначаємо загальну площу всіх обчислених метало плівкових конденсаторів по формулі (8.3):
S>C>>1,2,5> = 55 * 1 + 21 * 1 + 154 * 1 = 230 мм2.
8.6Для циліндричних конденсаторів площа визначається по формулі (8.2):
Для конденсатора CD263 (C3)площа буде рівною:
S>C>>3> = π * 49/2 = 76,96 мм2.
Для конденсатораC4 площа дорівнює
S>C>>4> = π * 16/2 = 25,132 мм2.
8.7 Визначаємо загальну площу для циліндричних конденсаторів:
S>C>>3,4> = 76,96 * 1 + 25,132 * 1 = 102,092 мм2.
8.8 Визначаємо загальну площу для конденсаторів:
S>C> =230 + 102,092 = 332,092 мм2; Як бачимо, тут теж групування однотипних конденсаторів робить непотрібним множити значення площі на кількість. 8.9 Визначаємо необхідну площу під напівпровідникові діоди.
Оскільки діоди мають форму, схожу на описані раніше резистори, будемо їх обчислювати за аналогічними формулами. У даній схемі використано діоди одного типу – 1N4007, отже групування однотипних елементів тут не потрібне.
Обчислюємо необхідну площу для одного діода:
S>VD>>1> = 10 * 4 = 40 мм2;
8.10Визначаємо площу під усі діоди:
S>VD> = 40 * 6 = 240 мм2;
8.11. Визначаємо площу для стабілітронів:
S>VD>>5> = 17 * 11 = 187 мм2;
У схемі пристрою застосовано лише один стабілітрон, отже, площа вище розрахованого є загальною площею для даного типу елементів.
8.12 Визначаємо площу для транзисторів:
S>VT>>1> = π * 62/2 = 56,548 мм2;
Площа під усі транзистори:
S>VT> = 56,548 * 2 = 113,096 мм2;
8.13 Площа під мікросхему:
S>DD> = 18 * 7 = 126 мм2;
Мікросхема одна, тому тут випадок, аналогічний із стабілітроном.
8.14 Площа під симістор:
S>VS> = 10 * 5 = 50 мм2.
8.15Для приєднання виводу елемента з друкованим провідником,навколо отвору виконують контактну площадку у вигляді кільця. Діаметр кільця визначаємо по формулі:
d>кп> = d>отв>+ 2b + c. (8.5)
Спочатку треба визначити діаметр отворів під виводи елементів по формулі:
d = d>вив> + 0,2...0,3,
де d>вив>– діаметр виводу елемента.
Діаметр отвору під виводи мікросхеми:
d>DD>>1> = 0,35 + 0,3 = 0,65мм;
Під виводи діодів:
d>1>>N>>4007> = 0,8 + 0,3 = 1,1 мм;
Під виводи транзисторів:
d = 0,35 + 0,3 = 0,65 мм;
Під виводи стабілітрона:
d>Анод> = 0,75 + 0,3 = 1,05 мм;
d>Катод> = 1 + 0,3 = 1,3 мм2;
Під виводи резисторів:
d>R>>1,2,13> = 0,85 + 0,3 = 1,15 мм;
d>R>>2->>R>>12> = 0,4 + 0,3 = 0,7 мм;
Під виводи конденсаторів:
d>C>>1,>>C>>5> = 0,8 + 0,3 = 1,1 мм;
d>C>>2->>C>>4> = 0,5 + 0,3 = 0,8 мм;
Під виводи симістора:
d>VS> = 0,8 + 0,3 = 1,1.мм.
Використовуючи отримані результати, визначаємо діаметр контактних площадок.
Для мікросхеми, транзисторів та резисторів R2-R12 це буде:
d>кп> = 0,65 + 1,8 = 2,45 мм;
Для конденсаторів С1, С5, симістора VS1, усіх діодів, резисторів R1, R2, R13, анодного виводу стабілітрона:
d>кп> = 1,1 + 1,8 = 2,9 мм;
Для катодного виводу стабілітрона:
d>кп> =1,3 + 1,8 =3,1 мм;
Для конденсаторів С2-С4:
d>кп> = 0,8 + 1,8 = 2,6 мм.
8.16 Визначаємо загальну площу на друкованій платі, яку займуть усі контактні площадкиоднотипних елементів. Для цього використовуємо формулу (8.4):
S= (πD2 /4) * N(8.6)
де D – діаметр контактної площадки для виводу елемента, N–кількість контактних площадок на платі.
S>DD>>1, >>VT>>1-2, >>R>>2-12> = π * 2,45/4 = 1,924 мм2;
S>C>>1, >>C>>5, >>VS>>1, >>VD>>1,2,3,4,5,6, >>R>>1-2, >>R>>13> = 2,9 * π/4 = 2,277 мм2;
S>VD>>5> = 3,1 * π /4 = 2,434 мм2;
SC2-4 = 2,6 * π / 4 = 2,042 мм2;
Сумуємо отримані значення:
S>заг> = 1,942 + 2,277 + 2,434 + 2,042 * 85 = 739,075мм2.
8.17Обчислюємо загальну площу під усі елементи. Для цього додаємо раніше отримані результати:
S = 398,544 + 332,092 + 240 + 187 + 56,548 + 126 + 50 = 1389,636 мм2.
8.18Обчислюємо площу друкованої плати:
S>пл> = К>з> (S>ел> + S>пл>);(8.7)
К>з> - це коефіцієнт заповнення, константа, яку отримуємо із джерела інформації [5].
S>пл> = 1,6 (1389,636 + 739,075) = 3405 мм2
Як матеріал для плати, вибираємо текстоліт розмірами 150×230мм.
Вибір та обґрунтування типу виробництва. Вибір типу технології виготовлення друкованої плати
Друкована плата розроблюваного пристрою є односторонньою. Тому застосовано хімічний метод для її виготовлення.
Хімічний метод виготовлення плати полягає у витравленні їдким розчином незахищених ділянок металевої фольги на поверхні текстолітової основи. У даному випадку як витравлюючий розчин використано мідний купорос. Як заготовку використовуємо склотекстолітову пластину розмірами, зазначеними в результаті конструктивного розрахунку. Далі буде описано послідовність виконання операцій для одержання друкованої плати.
1. Фольговану поверхню на платі очищаємо від забруднень, знежирюємо, сушимо при температурі + 30…40̊ С;
2.Наносимо створений раніше схематичний малюнок друкованих провідників на поверхню
Інструкція по ремонту та регулюванню
Зважаючи на те, що радіоелементам та їх схемам притаманний такий показник як інтенсивність відмов (про що свідчить розрахунок надійності), можна і потрібно сказати, що при нештатних режимах роботи (перевищене від допустимого навантаження, сильні стрибки напруги у мережі, несприятливі кліматичні умови, інтенсивна вібрація і т. д.) підвищується інтенсивність відмов окремих елементів. Особливо згубно впливає висока температура оточуючого середовища та перевантаження, так як в обох випадках із-за перегріву силового елемента пристрій може вийти з ладу. Крім того, для нормальної роботи пристрою потрібне регулювання для отримання бажаних характеристик.
Для ремонту та регулювання необхідний наступний комплект інструментів:
1. Комплект запасних деталей (на випадок необхідності заміни деяких складових), їх типи та номінали вказані у переліку елементів;
2. Робочий стіл СМ – 2;
3. Осцилограф С1 – 65;
4. Комбінований пристрій M890G;
5. Припій ПОС – 61;
6. Флюс паяльний Ф2;
7. Паяльник ПСН – 25.
Економічний розділ
Підприємство в сучасній системі господарювання
Підприємство як організація виникло ще в античні часи і до наших днів стало невід’ємною частиною будь-якої економічної сфери. Після виникнення і еволюційних стадій дана організація
Розрахунок кошторисної вартості виготовлення гасителя комутаційних завад
У цьому пункті будемо розраховувати калькуляцію собівартості пристрою, що розглядається.
Розрахунок прямих матеріальних витрат.
Вартість сировинних матеріалів комплекту радіоелементів (ВМ) обраховуємо по формулі (12.1):
ВМ = Σ Нв * Ц(од) * (1 + Нтзв / 100), (12.1)
Де Нв – норма витрат окремого типу матеріального ресурсу, Ц(од) – ціна за одиницю виробу, Нтзв - норматив транспортно-заготівельних витрат за статистичними даними; Нтзв=5%.
Для слідуючих розрахунків складемо таблицю вартостей матеріальних ресурсів. Дані внесемо до таблиці 10.1.
Таблица
|
№ ск. |
Назва матеріалів Комплектуючих виробів |
Одиниці виміру |
Нв |
Ціна, грн. |
Нтзв, % |
Вартість з ТЗВ в грн. |
|
1 |
Склотекстоліт фольгований |
кг |
0,12 |
7 |
5 |
1,34 |
|
2 |
Припій ПОС-61 |
кг |
0,5 |
15 |
5 |
1,34 |
|
3 |
Каніфоль соснова |
кг |
0,050 |
10,0 |
5 |
0,6 |
|
21 |
Термопаста |
л |
0,15 |
5 |
5 |
1,1 |
|
Всього матеріалів: |
3,34 |
|||||
|
4 |
Конденсатор CL21 |
шт. |
1 |
2 |
5 |
2,68 |
|
5 |
Конденсатор CD263 |
шт. |
1 |
4 |
5 |
4,21 |
|
6 |
Конденсатор Chang |
шт. |
1 |
2,50 |
5 |
3,5 |
|
7 |
Мікросхема К561ТМ2 |
шт. |
1 |
3 |
5 |
4,81 |
|
8 |
Резистор МЛТ – 0,125 |
шт. |
6 |
0,5 |
5 |
4 |
|
9 |
Резистор МЛТ – 0,05 |
шт. |
1 |
0,25 |
5 |
0,3 |
|
8 |
Резистор С2 – 23 – 0,5 |
шт. |
1 |
0,75 |
5 |
1 |
|
11 |
Резистор С2 – 33 – 0,25 |
шт. |
2 |
0,5 |
5 |
1 |
|
12 |
Діод 1N4007 |
шт. |
6 |
1 |
5 |
6,4 |
|
13 |
Стабілітрон КС126А |
шт. |
1 |
2 |
5 |
2,21 |
|
14 |
Конденсатор 2A103К |
шт. |
1 |
0,5 |
5 |
0,61 |
|
15 |
Конденсатор К73 – 17 |
шт. |
1 |
0,8 |
5 |
1,25 |
|
16 |
ТранзисторКТ3102Б |
шт. |
3 |
1,2 |
5 |
1,76 |
|
17 |
ТранзисторКТ3107Б |
шт. |
1 |
1,2 |
5 |
1,76 |
|
18 |
Симистор ВТ136 – 600 |
шт. |
1 |
7,0 |
5 |
7,34 |
|
19 |
Клемник гвинтовий |
шт. |
2 |
2 |
5 |
2,11 |
|
20 |
Радіатор тепловідвідний |
кг |
0,2 |
3 |
5 |
4,22 |
|
22 |
Корпус пристрою |
шт. |
1 |
40 |
5 |
43,9 |
|
Разом комплектуючих |
151,22 |
Підставляючи значення із таблиці в формулу, отримуємо:
ВМ = 29,02 * 109,2
Техніка безпеки та охорона праці
Відомо, що при проектуванні будь – якого електротехнічного пристрою також висуваються вимоги техніки безпеки при роботі, щоб не зашкодити здоров’ю користувача та навколишньому середовищу.
Далі буде перелік усіх необхідних вимог, яких потрібно дотримуватися при налаштуванні та ремонті апарату і яких дотримувався я при розробці.
13.1 На робочому столі не повинно бути зайвих речей та матеріалів, які можуть заважати роботі. Неприпустиме попадання води, їдких сумішей та електроліту в середину корпусу, тим паче на поверхню елементів та друкованої плати, оскільки це може призвести до небажаних замкнень та корозії металевих частин.
13.2 Не намагатися проводити ремонт або регулювання пристрою при підключеній напрузі від мережі. В крайньому випадку можна підключати лише до джерела, в якому є розв’язка від мережі.
13.3 При обточувальних роботах необхідно користуватися захисними окулярами для запобігання попаданню осколків в очі.
13.4 Для ремонту та регулювання паяльник ПСН – 25 обрано не випадково. Адже він призначених для роботи при напрузі живлення 36 В; така напруга відповідає стандартам техніки безпеки на виробництві.
13.5 При роботі необхідно користуватися місцевим освітленням. Для такого освітлення потрібно використовувати люмінесцентні лампи із електронними баластами, або лампи розжарювання. Дроселево – стартерні лампи використовувати не можна, оскільки мерехтіння на краях колби заважає роботі та може призвести до травматизму (якщо частота мерехтіння кратна частоті обертів верстатного електродвигуна, то обертання ротора останнього буде непомітним).
13.6 Спиляні ошурки необхідно відразу видаляти шляхом протирання мокрою ганчіркою зі столу. Це додатково вбереже від попадань цих ошурків у корпус.
13.7 Хоча у схемі вбудовані засоби розряджання конденсаторів, але бажано проводити ремонтніта регулювальні роботи не відразу після відключення пристрою від мережі, а через 4 сек. За цей час накопичений заряд в конденсаторах буде ліквідовано.
13.8 Під фразою «відключити від мережі» потрібно розуміти, що це не означає, що перемикання тумблера в положення «ВИКЛ» відповідає означенню. Потрібно не лише переключити тумблер, а й витягнути шнур із розетки.
Список використаної літератури
1. Терещук Р. М., Чаплинский А. Б. Справочник радиолюбителя. - К.: Наукова думка, 1975.
2. Трейстер Р., Мейо Д. 44 источника питания. - М.:Энергоатомиздат, 1990.
3. Гершунский Б. С. Справочник по расчету электронных схем. - К.: Вища школа, 1983.
4. Яншин
5. Горобец
6. Фрумкин Г. Д. Расчет и конструирование радиоаппаратуры. - М.: Высшая школа, 1989.
7. Варламов Р. Г. Компоновка радиоэлектронной аппаратуры. - М.: Советское радио, 1975.
8. Марченко А. Н. Переменные резисторы. - М.: Энергия, 1980.
9. Важенина З. П. Импульсные генераторы на полупроводниковых устройствах. – М.: Энергия, 1977.
Ефремов В. Д., Захаров В. К. Импульсные элементы автоматики и вычислительной техники. – М.: Энергия, 1977.
10. Журнал «Електрик». – К:, 2010
