Гастроэнтеростимулятор ГЭС-35-01 "Эндотон-01Б"
Введение
Механизм нервной регуляции функции желудочно-кишечного тракта сложен и в настоящее время недостаточно изучен. В регуляции принимают участие кора головного мозга, спинальные центры и нервные сплетения вегетативной нервной системы. Большое значение имеют водители ритма, ответственные за моторную координированную активность желудочно-кишечного тракта. Доказано, что наиболее выраженный моторный эффект можно получить при воздействии электрическими импульсами соответствующих параметров именно в этих зонах - в области пипоруса желудка и двенадцатиперстной кишки, в сигмовидной и прямой кишке и др. Активация перистальтики при этом имеет не локальный, а распространенный характер. Положительное влияние электростимуляции обычно не проявляется сразу же, а постепенно, в течение 0,5 ÷ 3 часов. При сильно раздутом, атоническом кишечнике положительный эффект может отсутствовать (эффект оценивается по данным опроса и осмотра больного, данным аускультации, электроэнтерографии, электрогастрографии и др.).
1. НАЗНАЧЕНИЕ И ОБЛАСТЬ ПРИМЕНЕНИЯ
Гастроэнтеростимулятор ГЭС-35-01 "Эндотон-01Б" предназначен для активизации моторной деятельности желудочно-кишечного тракта в лечебных и профилактических целях при острой и хронической гиподинамии или адинамии кишечника:
- у хирургических больных с динамической непроходимостью желудочно-кишечного тракта, порезом кишечника в результате болевого синдрома (почечная колика, острый панкреатит, приступы каменной болезни печени и желчных путей и т.п.) в результате лапаротомии или хирургического вмешательства на органах брюшной полости и забрюшинного пространства (в том числе, с явлениями перитонита);
- у больных с порезом и параличом желудочно-кишечного тракта вследствие переломов позвоночника и травм головного и спинного мозга;
- у больных с хроническим запором;
- у лежачих больных с гипокинезией желудочно-кишечного тракта вследствие общей гиподинамии.
Кроме того, аппарат может использоваться для лечения:
- недержания мочи и кала посттравматического и послеоперационного происхождения или возникающего вследствие функциональной недостаточности;
- нарушений функции мочевого пузыря, вызванных заболеваниями или повреждениями центральной или периферической нервной системы.
Не рекомендуется использовать аппарат при механической непроходимости кишечника, при подозрении на возможную несостоятельность швов желудочно-кишечного тракта, беременности, язвенном колите, внутреннем кровотечении, остром и подостром гастроэнтеритах.
Аппарат может применяться как в специальных кабинетах, так и непосредственно у постели больного в палатах лечебных учреждений и на дому.
Аппарат предназначен для эксплуатации в нормальных климатических условиях: в интервале температур от +10 Со до +35 Со; относительной влажности не более 80 % и атмосферном давлении 750 ± 30 мм рт.ст.
2. ТЕХНИЧЕСКИЕ ДАННЫЕ
Аппарат рассчитан на одновременное обслуживание одного пациента.
Аппарат генерирует монополярные импульсы прямоугольной формы и серии биполярных импульсов
Р

ежим
работы аппарата: непрерывный и
периодический формы выходного тока,
представлены на рис.1.

2c
2c
5мс
а)
б)
5мс
в)
Рис. 1 - Форма выходного тока, выдаваемая аппаратом «ЭНДОТОН-01Б»: а) последовательность прямоугольных монополярных импульсов; б) последовательность серий биполярных импульсов; в) серия биполярных импульсов (в увеличенном масштабе)
Наибольшее амплитудное значение выходного тока 35 мА ± 15 % на активной нагрузке 1 кОм ± 0,5 %.
Длительность монополярных импульсов и серий биполярных импульсов (5 ± 1) мс.
Частота следования монополярных импульсов и серий биполярных импульсов 12,5; 25; 50; 100 Гц ± 20 %.
Частота биполярных импульсов 1000 Гц ± 20 %.
Длительность фронта и среза монополярного импульса составляет не более 1 мс для каждого из них.
Период следования посылок (4 ± 0,8) с.
Длительность посылок (2 ± 0,4) с.
Относительное значение основной погрешности выходного тока σ не превышает:

где: А>к> - конечное значение шкалы прибора.
А>х> - показание прибора;
15 и 3 - числовые коэффициенты;
Минимальный ток срабатывания защитного устройства (50 ± 7,5) мА.
Напряжение питающей сети 220 В ± 10 % частотой (50 ± 0,5) Гц.
Время установления рабочего режима не более 1 мин.
Время непрерывной работы аппарата 5 ч.
Мощность, потребляемая аппаратом, не более 15 Вт.
Масса аппарата, без комплекта не более 3,5 кг в полном комплекте не более 9 кг.
Габаритные размеры аппарата 300х315х108 мм.
По защите от поражения электрическим током аппарат выполнен по II классу и не требует защитного заземления.
Наработка на отказ электронной части аппарата не менее 2000 ч.
Средний срок службы аппарата до списания не менее 5 лет.
3. ПРИНЦИП ДЕЙСТВИЯ И ОПИСАНИЕ ПРИНЦИПИАЛЬНОЙ ЭЛЕКТРИЧЕСКОЙ СХЕМЫ
3.1 Принцип действия
По принципу действия аппарат представляет собой генератор монополярных прямоугольных и серий биполярных прямоугольных электрических импульсов.
Форма импульсов, создаваемых аппаратом в разных режимах, показана на рис.1, а функциональная схема аппарата - на рис. 2.

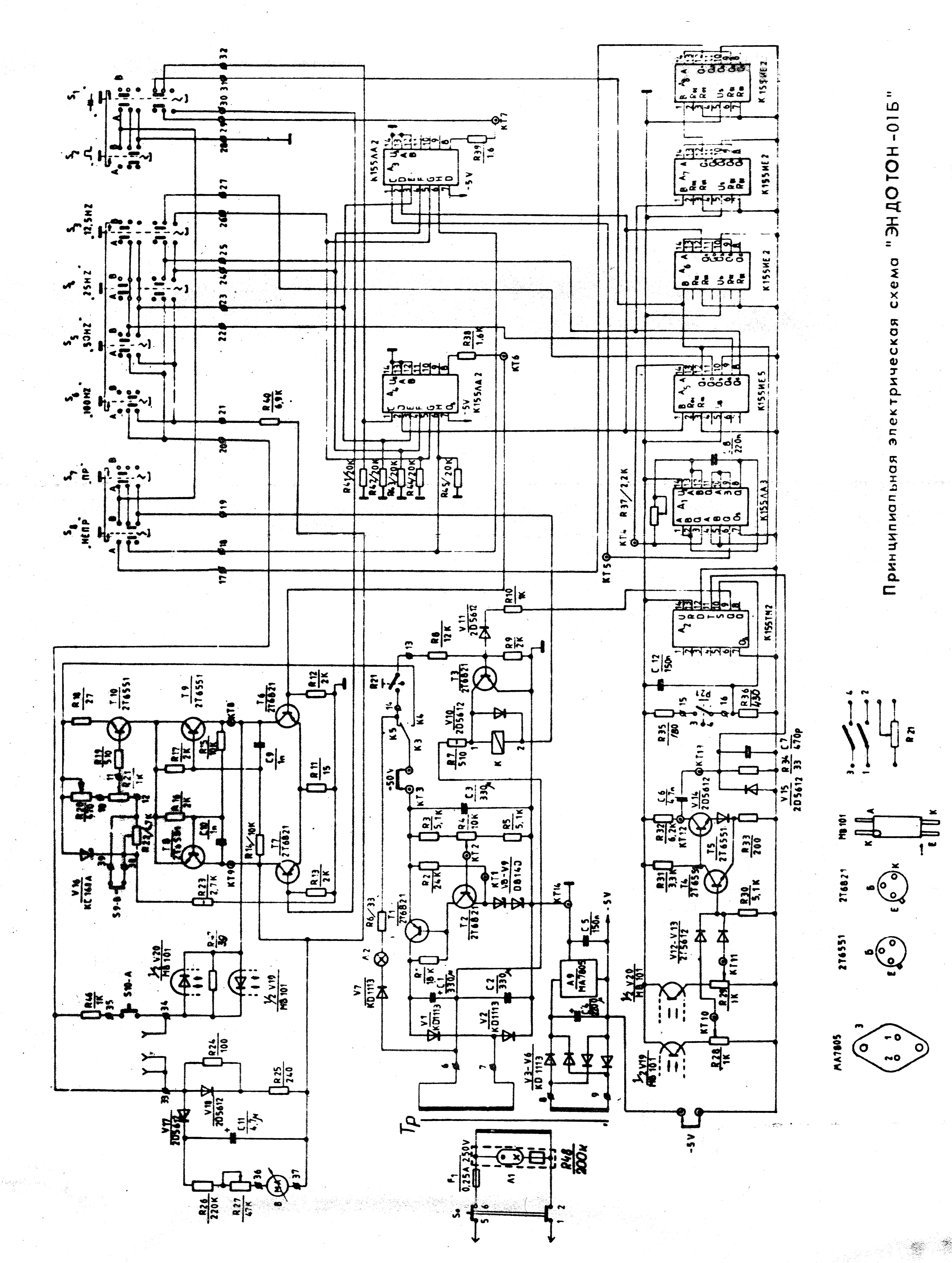
Рис. 2 - Функциональная схема аппарата
Функциональная схема состоит из задающего генератора (1), делителя частоты (2), блока коммутации (3), формирователя импульсов (4), усилителя мощности (5), измерительного блока (6), защитного устройства (7) и блока питания (8).
Аппарат работает следующим образом: с генератора опорной частоты (2000 Гц) напряжение подается на делитель частоты, на выходе которого получаются напряжения с частотами 1000, 100, 50, 25, 12,5 и 0,25 Гц. Эти напряжения через блок коммутации поступают на формирователь импульсов, а затем на усилитель мощности. С выхода усилителя мощности через блок измерения амплитуды импульсов стимулирующий ток подается в цепь пациента. В цепь пациента включено защитное устройство, срабатывающее в случае, если выходной ток превысит значение 50 мА.
3.2 Описание принципиальной электрической схемы
ЗАДАЮЩИЙ ГЕНЕРАТОР - выполнен на трех логических элементах "И-Не" - микросхеме A1 (K155 ЛАЗ), конденсаторе С8 и потенциометре R37. Потенциометр служит для подстройки частоты. С задающего генератора напряжение опорной частоты подается на делитель частоты, выполненный на микросхемах: А5 (К155 ИЕ5), А6, А7, А8 (К155 ИЕ2) .
БЛОК КОММУТАЦИИ выполнен на переключателях S1- S8 и служит для выбора параметров стимуляции. Через него напряжение поступает на формирователь импульсов, выполненный на микросхемах A3 и А4 (К155 ЛА2). В зависимости от комбинации импульсов, подаваемых на входы формирователя, на его выходе - A3 (8) получаются монополярные импульсы или биполярные импульсы, заполненные импульсами частоты 1000 Гц; на А4 (8) - биполярные импульсы, заполненные импульсами частоты 1000 Гц, которые сдвинуты по фазе на 180о относительно импульсов 1000 Гц на выходе A3 (8) .
С выхода формирователя управляющие напряжения поступают на усилитель мощности.
УСИЛИТЕЛЬ МОЩНОСТИ выполнен по мостовой схеме на транзисторах различного типа проводимости (Т6 ÷ Т9), работающих в ключевом режиме. Нижние плечи моста выполнены на транзисторах Т6, Т7 - 2Т 6821, а верхние плечи - на транзисторах Т8, Т9 - 2Т 6551. Режим транзисторов определяется резисторами R11 ÷ R17 и конденсаторами С9, С10.
Выходные напряжения, определяющие частоту и режим стимуляции, подаются с выходов формирователя импульсов через резисторы R38 и R39 на базы транзисторов Т6 и Т7, а выходной ток снимается с коллекторов транзисторов Т7 ÷ Т9.
На транзисторе Т10, резисторах R18-R22 и стабилитроне V16 построен генератор постоянного тока, который, в зависимости от положения потенциометра R21, определяет значение выходного тока.
ИЗМЕРИТЕПЬНЫЙ БЛОК включен в цепь пациента и выполнен по схеме пикового вольтметра на диоде V17, конденсаторе С11, резисторах R26, R27 и микроамперметре В, проградуированном в миллиамперах. Измерительный блок регистрирует падение напряжения в цепочке резисторов R24, R25 и диоде V18. Калибровка измерительного устройства производится с помощью резистора R27.
ЗАЩИТНОЕ УСТРОЙСТВО состоит из оптронов V19, V20, развязывающих цепь пациента от цепей питания и двух пороговых элементов: триггера Шмидта, выполненном на транзисторах Т4, Т5, резисторах R31 ÷ R34, диоде V14 и Д-триггере на микросхеме А2 (К155 ТМ2).
При токе в цепи пациента, превышающем 50 ± 7,5 мА с выхода микросхемы А2 подается напряжение на базу транзистора ТЗ, закорачивающего обмотку реле К. При этом контакты реле К3-4 отключают питание усилителя мощности.
БЛОК ПИТАНИЯ включает в себя два выпрямителя: высоковольтный и низковольтный, а также устройство блокировки. Высоковольтный выпрямитель, создающий стабилизированное напряжение "-50 В", выполнен по схеме удвоения напряжения на диодах V1, V2 и конденсаторах С1 и С2. Выпрямленное напряжение подается на стабилизатор напряжения на транзисторах T1, Т2, резисторах R1-R8 и диодах V8, V9.
Низковольтный выпрямитель выполнен на диодах V3 ÷ V6. Выпрямленное напряжение подается на интегральный стабилизатор МА 7805, на выходе которого получается стабилизированное напряжение "-5 В".
Реле К обеспечивает блокировку напряжения питания усилителя мощности в случае, если потенциометр регулировки выходного тока R21 находится не в нулевом положении. При этом через контакты К3-5 реле К, контакты 1-2 потенциометра R21 и резистора R8 напряжение -50В подается на базу транзистора ТЗ, который закорачивает обмотку реле и напряжение питания не подается на усилитель мощности. Одновременно с этим через контакты К 3-5 реле К подается напряжение "-50 В" на сигнальную лампу Л2. Аналогично происходит блокировка питания усилителя мощности при переключении кнопок "ПР" (периодический), "НЕПР" (непрерывный) при невыведенном в нулевое положение регулятора тока.
4. УСТРОЙСТВО АППАРАТА
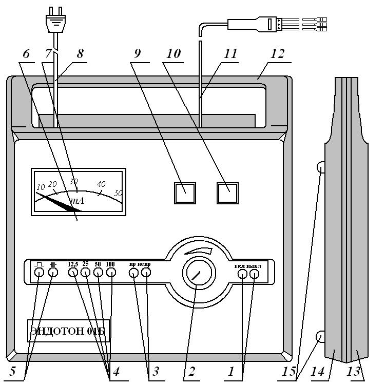
Корпус аппарата имеет переносную конструкцию и выполнен из ударопрочной пластмассы (рис. 3). В верхней части корпуса имеется ручка (12) для переноски аппарата, выполненная как единое целое с корпусом.
Органы управления - ручка регулятора выходного тока (2) и кнопка переключателей (3, 4, 5) -для защиты от случайных ударов при переноске расположены в специальной нише. В верхней части корпуса, под ручкой имеется отсек, закрывающийся крышкой, куда убираются сетевой шнур (8) и кабель пациента (11) при переноске и хранении аппарата. Внутри отсека находятся две кнопки: красная - "Защита" - для проверки срабатывания защитного устройства и черная - "Контроль" - для проверки выходного тока при нагрузке 1 кОм, а около сетевого шнура - плавкий предохранитель.
Корпус аппарата выполнен из двух частей - крышки (13) и основания (14), соединяемых между собой четырьмя винтами (15).
В передней части корпуса, а также в основании имеются отверстия, служащие для вентиляции внутреннего объема аппарата. На лицевой панели аппарата расположены: выключатель сети (1), имеющий две кнопки "ВКЛ" и "ВЫКЛ", регулятор "Ток пациента" (2), имеющий две кнопки « » и « », служащий для установки режимов стимуляции различными формами тока: монополярной и биполярной.


Рис. 3 - Общий вид аппарата: 1 - переключатель сети; 2 - регулятор ТОК ПАЦИЕНТА; 3 - переключатель режима стимуляции; 4 - переключатель параметров стимуляции; 5 - переключатель видов тока; 6 - корректор установки на нуль; 7 - измеритель выходного тока; 8 - сетевой шнур; 9 - индикатор ЗАЩИТА; 10 - индикатор СЕТЬ; 11 - кабель пациента; 12 - ручка; 13 - лицевая панель; 14 - основание; 15 - винты
К
роме
того, на лицевой панели находятся
стрелочный прибор (7), по которому
проводится установка величины выходного
тока и корректор (6), которым производится
установка начального положения стрелки
прибора. На лицевой панели имеются также
два сетевых индикатора: индикатор
"Защита" (9) (красная лампа),
сигнализирующий о срабатывании защитного
устройства и индикатор "Сеть" (10)
(зеленая лампа), сигнализирующий о
включении сетевого напряжения.
Внутри корпуса расположена основная монтажная плата, на которой смонтированы узлы и детали электронной части аппарата. В комплект гастроэнтеростимулятора "Эндотон-01Б" входят специально разработанные полостные электроды: гастральные, ректальные, анальные и плоские.
Гастральный электрод - зонд выполнен из эластичной пластмассовой трубки, на дистальном конце которой находится полюсный наконечник из нержавеющей стали, имеющий форму оливы, (рис.4в). Внутри трубки проходит гибкий изолированный провод, который заканчивается однополюсной вилкой (вилка обычно подключается к отрицательному, черному гнезду кабеля пациента, а к положительному, красному - плоский электрод). Несколько выше полюсного наконечника в трубке имеются отверстия, а на противоположном конце - штуцер для подсоединения электрода к стандартному шприцу. Такая конструкция электрода позволяет не только проводить электростимуляцию желудка и двенадцатиперстной кишки, но и при необходимости откачивать содержимое или вводить лекарственные препараты и питательные смеси. Через штуцер производится также и промывка внутренней полости электрода.
Ректальные электроды (рис.4а) имеют полуэластичную герметичную конструкцию. На дистальном конце находится цилиндрический полюсный наконечник со сферическим концом. Второй полюсный наконечник, имеющий вид кольца, расположен на расстоянии около 50 мм от первого. Внутри электрода проходит стальная проволока, которая определяет упругие свойства электрода. С другой стороны электрод заканчивается двухполюсной вилкой, которая подключается к кабелю пациента.

Рис. 4 - Общий вид электродов
Около одного из штырей двухполюстной вилки на пластмассе имеется знак: *, этот штырь электрически связан с дистальным концом ректального электрода. В зависимости от методики стимуляции возможны различные варианты подключения ректального электрода к аппарату. Нередко при стимуляции используется только один (обычно дистальный) полюсный наконечник: для этого к штырю * подключается только "минусовое" гнездо кабеля пациента (черные гнезда), а плоский индифферентный электрод подключается к красному "плюсовому" гнезду кабеля пациента.
Наиболее часто применяется параллельное включение двух полюсных наконечников (например, при стимуляции мочевого пузыря). При этом к вилке подключаются оба минусовых гнезда (черные), а плоский электрод к красному плюсовому гнезду. В случаях, когда требуется локальное воздействие (например, на простату), к переходной вилке подключается и "плюсовое" и "минусовое" гнездо.
Ректальные электроды хранятся в специальных футлярах, для использованных и чистых.
Анальные электроды (рис.4г) имеют грибовидную форму. Пластмассовый корпус электрода имеет кольцевые полюсные наконечники из нержавеющей стали. Электрод заканчивается двухполюсной вилкой, служащей для подключения к кабелю пациента. Ректальные и анальные электроды имеют по два типа размера (для взрослых и для детей).
5. УКАЗАНИЕ МЕР БЕЗОПАСНОСТИ
Б
езопасность
пациента обеспечивается конструкцией
аппарата, а также специальными решениями
электрических схем. По защите от поражения
электрическим током электростимулятор
выполнен по II
классу и при работе не требует защитного
заземления, что делает удобным его
применение, особенно в условиях больничной
палаты и на дому у постели больного. В
аппарате предусмотрено электронное
защитное устройство, срабатывающее при
стимулирующем токе, превышающем 50 мА.
Электростимулятор имеет блокировку,
исключающую подачу тока в цепь пациента
в случае, если при включении его в сеть
регулятор выходного тока не был выведен
в "нулевое" положение. Блокировка
срабатывает также в том случае, когда
во время работы аппарата регулятор
выходного тока не находится в начальном
"нулевом" положении и производится
переключение режимов работы (кнопки
"НЕПР" и "ПР") или формы выходного
тока (кнопки " ", " "). При
срабатывании блокировки или защитного
устройства загорается красная сигнальная
лампа. При работе с аппаратом не
разрешается: включать аппарат в сеть
при невыведенном в нулевое положение
регуляторе "Ток пациента"; располагать
пациента ближе 1 м от заземленных
предметов; подсоединять, отсоединять
или перемещать электроды при включенном
аппарате. Запрещается проводить процедуры
при неисправном аппарате.
6. ПОДГОТОВКА К РАБОТЕ
Подготовка аппарата к работе осуществляется следующим образом: аппарат извлекается из транспортной тары и устанавливается не далее 1 м от предполагаемого места расположения пациента.
Аппарат "Эндотон-01Б" снабжен комплектом полостных и наружных электродов. Полостные электроды: гастральные, ректальные и анальные при работе имеют контакт со слизистой оболочкой внутренних органов, а прокладки плоских электродов - с кожными покровами. Поэтому перед работой все полостные электроды и прокладки плоских электродов подвергаются обеззараживанию. Дезинфекция ректальных и анальных электродов производится следующим образом: электроды моются горячей водой с мылом, а затем протираются ватным тампоном, смоченным раствором (3 % формалина, 0,3 % фенола, 15 % двууглекислого натрия). Допускается дезинфекция электродов погружением их рабочей части на 45 мин. в тройной раствор.
Для обеззараживания гастральных электродов их промывают горячей водой с мылом или моющим средством (30 г моющего средства на 1 л воды). Затем они погружаются на 6 часов в 6 % раствор перекиси водорода. Прокладки для полостных электродов обеззараживаются кипячением в воде в течение 30 мин.
Обеззараживание корпуса аппарата, футляров и мешочков для переноски и хранения электродов производится протиранием наружных поверхностей тампоном, смоченным 1 % раствором хлорамина или 3 % раствором перекиси водорода с добавлением 0,5% моющего средства. К месту проведения процедуры электроды доставляют в обеззараженных футлярах или полиэтиленовых мешочках, прокладки плоских электродов перед процедурой необходимо смочить водой. Затем ручки и кнопки управления устанавливаются в исходное положение: регулятор "Ток пациента" должен находиться в "нулевом" положении, (повернут до отказа против часовой стрелки), а переключатель сети должен находиться в положении "Выкл." (нажата красная кнопка). Положения остальных кнопок определяются предписанием врача.
После этого открывается крышка отсека и из него извлекаются сетевой шнур и кабель пациента, вилка сетевого шнура вставляется в розетку сети напряжением 220 В.
Далее производится проверка работоспособности электростимулятора.
Для этого кнопкой "Вкл." сетевого выключателя производится включение аппарата, при этом должна загореться зеленая сигнальная лампа "Сеть".
Если загорится красная сигнальная пампа "Защита", то это означает, что сработало блокировочное устройство. Причины срабатывания могут быть следующие:
- Регулятор "Ток пациента" не находится в начальном, нулевом положении.
- Нажаты одновременно две кнопки в переключателях вида тока или режима стимуляции.
- Между полюсными наконечниками электродов, подключенных к
аппарату, - короткое замыкание.
При срабатывании блокировочного устройства следует выключить аппарат кнопкой "Выкл."; поворотом до упора против часовой стрелки вывести регулятор "Ток пациента" в нулевое положение, проверить положение кнопок переключателей режимов работы и формы тока, а также проверить цепь электродов. Затем произвести повторное включение и проверить работоспособность аппарата. Аппарат готов к работе через минуту после включения.
7. ПОРЯДОК РАБОТЫ
Работа с аппаратом должна производиться в соответствии с "Инструкцией по применению гастроэнтеростимулятора ГЭС-35-01 "Эндотон-01Б" (Приложение 1).
При наружной стимуляции на плоские электроды надевают прокладки, они накладываются на кожные покровы и прижимаются мешочками с песком; при внутриполостной стимуляции активный электрод вводится в соответствующую полость, а индифферентный (плоский) - располагается на поверхности тела. При анальной стимуляции пользуются только активным полостным электродом. Перед процедурой с помощью переключателей устанавливают необходимые параметры стимуляции: форму тока, частоту следования импульсов и режим (непрерывный или периодический). Электроды подключают к аппарату. Плавно вращая по часовой стрелке регулятор "Ток пациента" и одновременно следя за показаниями измерителя выходного тока и ощущениями пациента, устанавливают величину выходного тока. Во время процедуры необходимо следить, чтобы электроды не сместились, не произошло нарушение контакта электродов с кабелем пациента, величина тока не превысила выбранного значения. При проведении длительной процедуры, с применением плоских электродов необходимо следить также за тем, чтобы не подсохли прокладки. После проведения процедуры ток плавно уменьшают выведением регулятора "Ток пациента" в нулевое положение, выключают аппарат и отключают электроды.
Вывод
В данной работе рассмотрен аппарат «Эндотон 01Б», предназначенный для активизации моторной деятельности желудочно-кишечного тракта. Приведены принципиальная и функциональная схемы аппарата, их описание и принцип действия. Также рассмотрены частные методики лечения прибором. Прилагается инструкция по эксплуатации.
Список использованной литературы
Паспорт: Гастроэнтеростимулятор ГЭС-35-01 «Эндотон 01Б» - В., Завод медицинского оборудования «Дружба», 1983. -37 с.;
Инструкция по применению гастроэнтеростимулятора ГЭС-35-01 «Эндотон 01Б» - В., Завод медицинского оборудования «Дружба», 1983. - 10 с.;
Аллен Х.К. Сборник научных трудов – К.: Либідь, 1992. - 245 с.
Приложение 1
гастроэнтеростимулятор электрический схема инструкция
Инструкция по применениию гастроэнтеростимулятора ГЭС-35-01 "Эндотон-01Б"
НАЗНАЧЕНИЕ
Гастроэнтеростимулятор ГЭС-35-01 "ЭНДОТОН-01Б" предназначен для активизации моторной деятельности желудочно-кишечного тракта. Аппарат может применяться также для стимуляции мочевого пузыря и для печения анального недержания.
Аппарат предназначен для применения в клиниках, больницах и на дому.
ТЕХНИКА ПРОВЕДЕНИЯ ПРОЦЕДУР
Аппарат устанавливается не далее 1 м от предполагаемого места расположения пациента. Выключатель "СЕТЬ" должен находиться в положении "ВЫКЛ" - нажата красная кнопка, регулятор выходного тока - в нулевом положении (крайнее левое положение).
Аппарат подключается к штепсельной розетке 220 В. Включается выключатель "СЕТЬ". Аппарат готов к работе через 1 мин после включения.
ПРИМЕЧАНИЕ. В случае срабатывания блокировочного устройства загорается красная пампа - необходимо отключить аппарат от сети, нажать красную кнопку выключателя сети, вывести регулятор тока пациента в крайнее левое положение, выяснить причину срабатывания блокировки (в переключателях режима и формы стимула должна быть нажата ОДНА кнопка), устранить ее, затем снова включить аппарат.
ПОКАЗАНИЯ К ПРИМЕНЕНИЮ
Электрическая стимуляция желудочно-кишечного тракта показана в лечебных и профилактических целях при острой и хронической гиподинамики или адинамии кишечника:
- у хирургических больных с динамической непроходимостью, порезом кишечника в результате болевого синдрома (почечная колика, острый панкреатит, приступы каменной болезни печени и желчных путей и т.д.), в результате паперотомии или хирургического вмешательства на органах брюшной полости и забрюшинного пространства (в том числе с явлениями перитонита);
- у больных с порезом и параличом желудочно-кишечного тракта вследствие переломов позвоночника и травм спинного мозга;
- у больных с хроническим запором, также и при болезни Гиршпрунга и др.;
функциональная недостаточность анального жома, недостаточность анального жома после травм, операций, родов и др. I и II степени; подготовка мышц анального жома перед пластическими операциями; гипокинезия желудочно-кишечного тракта вследствие общей гиподинамики у лежачего больного.
Следует отметить возможность и в ряде случаев необходимость одновременного применения электростимуляции в комплексе и другими лечебными мероприятиями.
ПРОТИВОПОКАЗАНИЯ
- механическая непроходимость кишечника;
- подозрение на возможную несостоятельность швов желудочно-кишечного тракта;
- беременность;
- язвенный колит;
- внутреннее кровотечение;
- острый и подострый гастроэнтерит и т.д.
- общие для физиотерапевтических процедур (новообразования, туберкулез, ишемическая болезнь сердца и др.); острые гинекологические, проктологические, урологические воспалительные заболевания; менструальный период.
ЧАСТНЫЕ МЕТОДИКИ ЭЛЕКТРИЧЕСКОЙ СТИМУЛЯЦИИ ЖЕЛУДОЧНО-КИШЕЧНОГО ТРАКТА.
Электростимулятором "ЭНДОТОН-01Б" можно осуществлять транскутанную, трансдуоденальную и трансректальную стимуляцию желудочно-кишечного тракта.
Транскутанная стимуляция желудочно-кишечного тракта осуществляется с использованием 2-х пластинчатых электродов с прокладками, смоченными физиологическими раствором. Один электрод устанавливается на брюшную стенку над стимулируемым органом желудочно-кишечного тракта, а второй помещается на спине в районе проекции стимулируемого органа. Параметры: частота 50 Гц; величине тока 15 ÷ 30 мА.
Трансдуоденальная электростимуляция применяется при прорезах и параличах верхних отделов желудочно-кишечного тракта. Для усиления эффекта стимуляции за 40 минут до начала процедуры может проводиться паранефральная новокаиновая блокада по А.В.Вишневскому. Зонд-электрод (катод) вводят в просвет двенадцатиперстной кишки, причем полюсный наконечник должен располагаться на уровне фатетерова соска (рис.4).
Индифферентный (пластинчатый) электрод (анод) помещается на брюшной стенке в области двенадцатиперстной кишки.
Параметры стимуляции: частота 12.5-25 Гц; ток 8-15 мА.
Трансректальная стимуляция желудочно-кишечного тракта применяется при порезах, параличах, гиподинамиях нижних отделов желудочно-кишечного тракта (рис.5).
Ректальный электрод (катод), смазанный вазелиновым маслом, вводят в ампулу прямой кишки на глубину 15-20 см. Индифферентный электрод устанавливают на брюшной стенке над ректальным.
ЧАСТНАЯ МЕТОДИКА ЭЛЕКТРОСТИМУЛЯЦИИ АНАЛЬНОГО ЖОМА.
Электростимуляция проводится как в стационарных, так и в амбулаторных условиях. Специальной подготовки больного не требуется. Положение больного на боку с согнутыми в коленях ногами. Прилагаемый грибовидный электрод нужного размера предварительно обрабатывается спиртом и неметаллическая часть смазывается вазелиновым маслом. Электрод вводится в анальный канал.
Параметры:
Пачки биполярных импульсов с частотой повторения 100 Гц; режим непрерывный – 5 мин, прерывный – 10 мин. Величина тока – по ощущению больного (легкое покалывание) 6-20мА. Продолжительность сеанса – 15 мин. На курс – 10/15 сеансов.
Приложение 2
Схема электрическая принципиальная

Приложение 3
Таблица 1 – Перечень элементов гастроэнтеростимулятора ГЭС-35-01
|
Поз. означение |
Наименование |
Количество |
|
Микросхемы |
||
|
А1 |
K155ПА3 |
1 |
|
A2 |
К155ТМ2 |
1 |
|
A3, A4 |
К155ЛА2 |
|
|
A5 |
К155ИЕ5 |
|
|
A6, A7, A8 |
К155ИЕ2 |
|
|
A9 |
МА7805 |
|
|
Транзисторы |
||
|
T1, T2, T3, T6, T7 |
2T6821 |
5 |
|
T4, T5, T8, T9, T10 |
2T6551 |
5 |
|
Диоды |
||
|
V1÷V7 |
КД1113 |
7 |
|
V10÷V15, V17, V18 |
2Д5612 |
8 |
|
Стабилитроны |
||
|
V8, V9 |
ДС814Д |
2 |
|
V16 |
КС168А |
1 |
|
Оптроны |
||
|
V19, V20 |
MB101 |
2 |
|
Микроамперметр |
||
|
B |
MPB-60, проградуирован в мА |
1 |
|
Конденсаторы |
||
|
С1, С2, С3 |
КЕА-11-330 мкФ/63 В |
3 |
|
С4 |
КЕА-11-2200 мкФ/16 В |
1 |
|
С6 |
КрМО-1В 4,7 нФ/25 В |
1 |
|
С7 |
КрМО-1В 470 пФ/25 В |
1 |
|
С8 |
КрМО-11С1 220 нФ/25 В |
1 |
|
С9, С10 |
КрМО-1В нФ/25 В |
2 |
|
С11 |
КЕА-11 4,7 мкФ/16 В |
1 |
|
С5, С12 |
КМ-65-Н-90 150 нФ |
1 |
|
Резисторы |
||
|
R1 |
РПМ-0,25-1,8 кОм +5% |
1 |
|
R2 |
РПМ-0,25-24 кОм +5% |
1 |
|
R3, R5 |
РПМ-0,25-5,1 кОм +5% |
2 |
|
R4 |
СП5-2-10 кОм+10% |
2 |
|
R6, R47 |
РПМ-0,25-39 Ом+5% |
1 |
|
R7 |
РПМ-1,0-510 Ом+5% |
1 |
|
R8 |
РПМ-0,25-12 кОм+5% |
5 |
|
R9, R12, R13, R16, R17 |
РПМ-0,25-2 кОм+5% |
1 |
|
R10 |
РПМ-0,25-1 кОм+5% |
1 |
|
R11 |
РПМ-0,25-15 Ом+5% |
2 |
|
R14, R15 |
РПМ-0,25-10 кОм+5% |
1 |
|
R18 |
РПМ-0,25-27 Ом+5% |
1 |
|
R19 |
РПМ-0,25-510 Ом+5% |
1 |
|
R20 |
СП5-2-470 Ом+10% |
1 |
|
R21 |
СП3-4Вм-1 кОм+20% А-20 |
1 |
|
R22 |
Сп5-2-4,7 кОм+10% |
1 |
|
R23 |
РПМ-1,0-2,7 кОм+5% |
1 |
|
R24 |
РПМ-0,25-100 Ом+5% |
1 |
|
R25 |
РПМ-0,25-240 Ом+5% |
1 |
|
R26 |
РПМ-0,25-220 кОм+5% |
1 |
|
R27 |
СП5-2-47 кОм+10% |
1 |
|
R28, R20 |
СП5-2-1 кОм+10% |
2 |
|
R30 |
РПМ-0,25-5,1 кОм+5% |
1 |
|
R31 |
РПМ-0,25-3,3 кОм+5% |
1 |
|
R32 |
РПМ-0,25-6,2 кОм+5% |
1 |
|
R33 |
РПМ-0,25-200 Ом+5% |
1 |
|
R34 |
РПМ-0,25-33 Ом+5% |
1 |
|
R35 |
РПМ-0,25-180 Ом+5% |
1 |
|
R36 |
РПМ-0,25-430 Ом+5% |
1 |
|
R38, R39 |
РПМ-0,25-1,6 кОм+5% |
2 |
|
R37 |
СП5-2-2,2 кОм+5% |
1 |
|
R40 |
РПМ-0,25-6,9 кОм+5% |
1 |
|
R41, R42, R43, R44, R45 |
РПМ-0,25-20 кОм+5% |
5 |
|
R46 |
РПМ-0,25-1 кОм+5% |
1 |
|
R48 |
РПМ-0,25-200 кОм+10% |
1 |
|
Tp |
Трансформатор сетевой Тр магнитопровод тип ПЛ 12,5x16x32 НО 666.001 |
1 |
|
Л1 |
Лампа неоновая 110V+резистор 100-111 кОм |
1 |
|
Л2 |
Лампа накаливания 24 В |
1 |
|
Е1 |
Предохранитель 0,25 А-250 В |
1 |
|
S0 |
Переключатель сетевой |
1 |
|
S1-S10 |
Переключатель режимов |
1 |
Приложение 4
Таблица 2 – Перечень элементов регулировки
|
Регулируемая величина |
Элемент регулировки |
В какую сторону нужно вращать винт потенциометра для увеличения регулируемой величины |
|
Стабилизированное напряжение “-50 В” |
R4 |
Против часовой стрелки |
|
Опорная частота |
R37 |
Против часовой стрелки |
|
Установка нулевого положения |
R20 |
Против часовой стрелки |
|
Калибровка измерительного устройства (показания прибора) |
R27 |
Против часовой стрелки |
|
Максимальное значение пациентного тока |
R22 |
Против часовой стрелки |
|
Порог срабатывания защитного устройства при монополярном токе |
R28 |
Против часовой стрелки |
|
Порог срабатывания защитного устройства при биполярном токе |
R29 |
Против часовой стрелки |
Приложение 5
Таблица 3 – Таблица обмоточных данных трансформатора
|
Обмотка |
Номера выводов |
Число витков |
Диаметр провода, мм |
Марка провода |
|
1 |
1 - 2 |
3300 |
0,12 |
ПЕТ – 1F |
|
2 |
6 – 7 |
450 |
0,27 |
ПЕТ – 1F |
|
3 |
8 - 9 |
130 |
0,27 |
ПЕТ – 1F |