Водонагрівочі
Міністерство освіти і науки України
Кафедра інженерно-технічних дисциплін
Індивідуальне завдання
з дисципліни “Устаткування у готельному та ресторанному господарстві”
по підготовці інформаційних матеріалів щодо окремих видів устаткування
Водонагрівачі
Київ- 2009
План
1. Технічні показники і характеристика існуючих моделей водонагрівачів
2. Загальна характеристика водонагрівачів
2.1 Характеристика проточних водонагрівачів
2.2 Характеристика накопичувальних (ємнісних) водонагрівачів
3.Типова схема проточних та накопичувальних водонагрівачів
3.1 Схема електричного проточного водонагрівача
3.2 Схема електричного накопичувального водонагрівача
Використана література
1. Технічні показники і характеристика існуючих моделей водонагрівачів
|
№ з/п |
Найменування |
Характеристика |
Модель |
Виробник |
Габаритні розміри, мм |
Потуж-ність, кВт |
Ціна з ПДВ, грн |
|
1 |
Електричні нокопітельниє |
Ємкість - 80, л. Вага - 33, кг Час первинного нагріву - 185, мін . |
GBFU 80 N |
Gorenje |
803х454х454, мм. |
2, кВт |
1'495,34 |
|
2 |
Електричні нокопітельниєе |
Обсяг води, л 50 Електроживлення 230У/50Гц Максимальний робочий тиск, Мпа 0,7 Діапазон робочих температур, 0С 35...75 Вага (нетто), кг 18,8 Клас електробезпечності ІP X4 |
SEV-50 |
CLASSICAL Mod |
450 х 574 х 480, мм |
1,5,кВт |
908,60 |
|
3 |
Електричні нокопітельниєе |
обсяг води, л 100 Електроживлення 230У/50Гц Максимальний робочий тиск, Мпа 0,7 Діапазон робочих температур, 0С 35...75 Вага (нетто), кг 24,5 Клас електробезпечності ІP X4 |
SEV-100 |
CLASSICAL Mod |
450 х 949 х 480 |
1,5 |
1'004,63 |
|
4 |
Електричні нокопітельниєе |
Обсяг бака - 100 л Напруга харчування - 220 У Час нагрівання (на 45 ?С) - 2 ч. 40 хв. Тип установки: вертикальний Колір: нержавіюча сталь |
MSS100V |
ATT (США-Россия |
1072*445*272 мм |
2,0 кВт |
1'842,05 |
|
5 |
Електричні нокопітельниєе |
Обсяг бака - 80 л Напруга харчування - 220 У Час нагрівання (на 45 ?С) - 2 ч. 10 хв. Тип установки: вертикальний Колір: нержавіюча сталь |
MSS80V |
: ATT (США-Россия) |
892*528*321мм |
2,0 кВт |
1'650,54 |
|
6 |
Електричні проточні водонагрівачі |
Необмежена кількість теплої води o Нагрівальний елемент із нержавіючої сталі o Термостат із захистом від перегріву o Запобіжний клапан з багаторазовою дією o Легкий монтаж Номінальна напруга [V/Hz] 230V/50Hz |
IWH 05 Z01 BA/S |
TESY |
0.275 / 0.120 / 0. 190 |
3 ступеня потужності; Максимальна потужність [W] 7000 W; Ступеня потужності хв/середня /Макс 3000 W / 4000 W / 7000 W |
740,21 |
|
7 |
Електричні проточні водонагрівачі |
• Необмежена кількість теплої води o 3 ступеня потужності o Нагрівальний елемент із нержавіючої сталі o Термостат із захистом від перегріву o Запобіжний клапан з багаторазовою дією o Легкий монтаж,Номінальна напруга [V/Hz] 230V/50Hz |
IWH 07 Z01 IL |
TESY |
0.275 / 0.120 / 0. 190 |
3000 W / 4000 W / 7000 W |
705,36 |
|
8 |
Електричні проточні водонагрівачі |
Необмежена кількість теплої води o 3 ступеня потужності o Нагрівальний елемент із нержавіючої сталі o Термостат із захистом від перегріву o Запобіжний клапан з багаторазовою дією o Легкий монтаж,Номінальна напруга [V/Hz] 230V/50Hz |
IWH 05 Z01 KI |
TESY |
0.275 / 0.120 / 0. 190 |
2000 W / 3000 W / 5000 W |
640,29 |
|
9 |
Електричні проточні водонагрівачі |
Автоматичне включення водонагрівача при відкритті крана гарячої води. Споживання електроенергії тільки в момент розбору гарячої води. Комплектуючі, що мають безпосередній контакт із водою виготовлені з міді й латуні. Термічний запобіжник захищає від приросту тиску. Перемикач щаблів потужності - повна потужність і 2/3 потужності. Нагрівальні елементи в блоці нагрівання перебувають у мідних трубках. Висока якість і надійність водонагрівача підтверджені сертифікатом VDE. тиск води на вході 0,15-0,6 Мпа. Номінальна напруга В 380 3~. Водні з'єднання G1/2". Ступінь захисту ІP 24. |
EPV-24 luxus |
Kospel |
450 x 228 x 140 |
24 кВт |
1'715,12 |
|
10 |
Електричні проточні водонагрівачі |
споживання електроенергії тільки в момент розбору гарячої води; комплектуючі, що мають безпосередній контакт із водою, виготовлені з міді й латуні; високоякісний датчик спостереження за протокою води (Honeywell), що включає водонагрівач уже при протоці 2,5 л/хв; можливість вибору пріоритетного включення при спільній роботі з іншими споживачами електроенергії; можливість догрева попередньо нагрітої води ? послідовна робота з іншим приладом нагрівання води. електронне регулювання споживання потужності, залежне від величини протоки; плавне регулювання й стабілізація температури води в діапазоні від 30 °С до 60 °С |
EPPV-18 bonus |
Kospel |
453 x 228 x 127 |
18 кВт |
2'125,75 |
2. Загальна характеристика водонагрівачів
Говорячи про водонагрівачі слід відмітити, що вони відносяться до водонагрійного устаткування, яке призначене для нагрівання і кип’ятіння води.
Адже на даний момент часу жодна людина не уявляє своє життя без гарячої води.
Найдешевше паливо і, відповідно, спосіб отримати гарячу воду - газ і газова колонка. Але цей варіант підійде тільки в тому випадку, якщо газова магістраль пролягає неподалік від будинку. Можна, звичайно, підігріти воду, установивши котел, що працює на рідкому паливі (солярці). Але нагадаємо, що для розміщення цього агрегату потрібно окреме приміщення.
Є ще один непоганий спосіб підігріти воду - купити електричний водонагрівач. Електрика, щоправда, дорожче, ніж газ, але зате електрика сьогодні є в кожному домі. Тому ми в даній практичній роботі зупинимося на електричних водонагрівачах як самому зручному способі підігріву води.
Електричні водонагрівачі можна розділити на дві великі групи:
1. проточні
2.накопичувальні (ємнісні).
Зовні вони начебто б схожі - «шафи» квадратної або циліндричної форми, на лицьовій панелі яких встановлена ручка регулювання температури. Правда, накопичувальні водонагрівачі - більшого розміру, ніж проточні (проточні нагрівачі за розміром приблизно як взуттєва коробка). Але головна різниця між ними - спосіб нагріву води.
Характеристика проточних водонагрівачів
Всередині такого водонагрівача встановлений нагрівальний елемент - тен.
Тен - система нагріву з допомогою нагрівальних елементів для проточних і накопичувальних водонагрівачів. Тен складається з мідної труби, в яку запресованих нагрівальна спіраль з ніхрома. Тенові нагрівальні елементи не бояться повітряних пробок і відрізняються надійністю та тривалим терміном служби.
Тен розігрівається електрострумом (для цього треба, звичайно, включити прилад в мережу). Холодна вода проходить через трубу,в якій знаходиться нагрівальний елемент, і випливає з пристрою вже гарячою. У проточного водонагрівача немає ємності, він повинен нагріти до потрібної температури весь об'єм води, що проходить через нього. Тому тут є одне «але»: щоб швидко нагріти велику кількість води, потрібен прилад великої потужності (від 3 до 27 кВт). Приміром, щоб не обмежувати себе під час прийняття душу, треба включити прилад потужністю не менше 8 кВт. Існують малі проточні водонагрівачі з споживаної потужністю 3-8 кВт, але не всяка електропроводка їх витримає. Краще їх встановлювати в будинках, де є електричні плити, - там проводка розрахована на цю потужність (але й тут треба обов'язково проконсультуватися з електриком). А от у старих, «сталінських» або «хрущовських», будинках при підключенні проточного водонагрівача обов'язково виникнуть проблеми. Дома були розраховані на «лампочку Ілліча» і в кращому випадку на телевізор «КВН». Що робити?
Вихід є: великий обсяг гарячої води при меншому навантаженні на електромережу забезпечать накопичувальні (ємнісні) водонагрівачі.
2.2 Характеристика накопичувальних (ємнісних) водонагрівачів
У ємності, заповненій холодною водою, так само, які в проточні водонагрівачі, встановлено нагрівальний елемент - тен. Він нагріває воду до заданої температури (35-85 ° С) і відключається. Як тільки вода в накопичувачі прохолоджується на 0,5 ° С, тен автоматично вмикається і знову підігріває воду до заданої температури. Для зменшення втрати тепла між ємністю (баком) з гарячою водою і зовнішнім корпусом нагрівача прокладена теплоізоляція з твердого пінопласту.
Ще один плюс. Не треба турбуватися за електропроводку - середня потужність таких водонагрівачів близько 2 кВт (хоча діапазон - від 0,9 до 6 кВт). Головне - правильно вибрати потрібний об'єм бака і потужність водонагрівача (наприклад, нагрівачі з баком 50 л бувають потужністю і 1,2 кВт, та 2 кВт). І не поспішаючи, годину-дві, нагрівають воду до певної (35-85 ° С) температури - як чайник на повільному вогні. При такому щадну режимі електроенергії витрачається менше.
Причому, збільшуючи температуру води в баці, ми збільшуємо обсяг необхідної нам гарячої води. Як це відбувається? Розповімо докладно. Приміром, щоб прийняти душ, потрібна вода температурою близько 38 ° С. Якщо встановити цю температуру на панелі керування водонагрівача ємністю 50 л, то витратить майже вся гаряча вода. А якщо збільшити температуру в баці до 60 ° С і відкрити ще і холодний кран, щоб вода змішувалась, ми спорожнимо бак тільки наполовину.
Перед тим як купувати водонагрівач, треба визначитися, скільки кранів в квартирі (або в будинку) він буде «обслуговувати». Якщо один кран (або, як кажуть, на одну мийку), підійде накопичувальний водонагрівач відкритого (безнапірні) типу. Якщо у вас в будинку кілька кранів, то потрібно брати прилад закритого (напірного) типу.
У чому різниця? У водонагрівачі відкритого (безнапірні) типу вентиль, перекриває воду, стоїть між магістраллю і баком. Він захищає бак від тиску у водопроводі (вода в трубах, як відомо, тече під тиском). Таким чином, в баці є тільки атмосферний тиск і немає ніякого натиску. Це зовсім не означає, що вода з бака не буде текти. Коли ми відкриваємо водопровідні крани, гаряча вода з верхньої частини бака зливається через кран в раковину (ванну) за рахунок того, що холодна вода знизу починає надходити в бак.
Напірні водонагрівачі. Тут система інша - перекриває вентиль стоїть між водопровідним краном і баком. Вони без особливих проблем підключаються до системи водопостачання і можуть працювати на кілька мийок.
За способом кріплення накопичувальні водонагрівачі бувають настінні, вбудовувані (для встановлення, скажімо, під кухонної мийкою) і напольні (великі, об'ємом від 150 літрів). Перш ніж придбати вподобану модель настінного водонагрівача, треба чітко визначити місце його встановлення. Простіше кажучи: над раковиною або підраковиною. Тут треба бути уважним: водонагрівачі з верхнім і нижнім підключенням зовні практично не відрізняються. Різниця лише у розташуванні тена. Але прилад з верхнім підключенням в жодному разі не можна встановлювати під раковиною. Процес нагріву води стане некерованим.
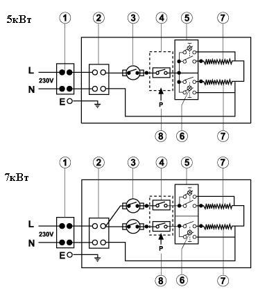
3.Типова схема проточних та накопичувальних водонагрівачів
3.1 Схема електричного проточного водонагрівача
Водонагрівач електричний проточний, далі водонагрівач, призначений для моментального нагрівання водопровідної води в побутових умовах. Нагрівання води здійснюється тільки при проходженні її через прилад, причому нагрівається лише та кількість води, яка необхідна вам для витрати. Нижче приведемо типову схему електричного проточного нагрівача (див малюнок 1)

Малюнок 1. Схема проточного електричного водонагрівача
Де,
Вхідний автоматичний двухполюсний вимикач .
Колодка підключення.
Термозапобіжник.
Вимикач реле тиску.
Блок перемикачів режимів роботи.
Сигнальна лампа.
Нагрівальний елемент.
Реле тиску води.
3.2 Схема електричного накопичувального водонагрівача

Малюнок 2. Схема накопичувального електричного водонагрівача
Холодна вода надходить у нижню частину внутрішнього бака (3) через коротку трубку з розсікачем (5). Добір гарячої води відбувається через довгу трубку (1) з верхньої частини внутрішнього бака (3). Нагрівання води відбувається за допомогою мідного нагрівального елемента (4). Магнієвий анод (2) охороняє внутрішній бак від корозії, продовжуючи його ресурс. Контроль температури, вибір режиму нагрівання і захист від перегріву проводиться біметалічним терморегулятором (6). Внутрішній бак захищений від корозії спеціальним покриттям, подібним по фактурі до скла.
Використана література:
http://neomax.com.ua/dohlyad-za-nakopychuvalnym-vodonahrivachem.html
http://209.85.229.132/search?q=cache:XvvW_az8O6kJ:www.ariston.ua/
http://pani-ua.info/dim/dim42.html
www.euro-trade.od.ua/
http://www.dom2000.com.ua/articles.php?aid=3033
http://infomincer.net/query/wat.htm
http://www.milla.ua/dir.php?id=88
http://www.technohit.com.ua/price/122/