Основы маркетинга (работа 8)
1. ФОРМЫ И ВИДЫ МАРКЕТИНГА
Форма маркетинга - это совокупность основных видов и темпов маркетинга присущей конкретной области социально-экономических процессов проходящих в обществе. Формы: коммерческий, не коммерческий, национальный, международный, потребительский, промышленный, инвестиционный, услуги, организаций, личности, социальный, маркетинг идей, маркетинг мест, макро-маркетинг. Виды маркетинга – это маркетинг конкретной формы которая отличается степенью охвата групп потенциальных потребителей и использованных при этом инструментарием для изучения и воздействия на них. Три вида маркетинга: массовый – применяется при всеобщем охвате потенциальных потребителей одной и той же группой родственных товаров. Дифференцированный – характеризуется тем, что для различных групп потребителей предлагается различные по своим потребительским свойствам товары. Целевой (концентрированный) – для конкретной узкой группы потенциальных потребителей в процессе предложения им товара имеющего специфические особенности делающие этот товар привлекательного и желаемого для данной группы потребителя.
2. СУЩНОСТЬ ПОКУПАТЕЛЬСКОГО ПОВЕДЕНИЯ
Поведения покупателя – это непосредственная деятельность покупателя обусловлено приобретением товаров и услуг и включающий процесс обоснования, и принятие решения о покупке саму покупку и после покупочную оценку приобретения товаров. Задачи маркетинга состоят в том, что бы понять и предсказать возможные действия покупателя, обосновать причинно следственные связи в процессе покупки и потребления товаров и услуг.

3. ЁМКОСТЬ РЫНКА
Емкость рынка определяется как объем товара (в стоимостном выражении или в физических единицах), который может быть реализован на данном рынке обычно за год.
При определении емкости рынка товаров народного потребления анализируются уровень текущих доходов населения, наличие сбережений, уровень текущих цен и другие факторы, определяющие покупательский спрос населения. Устанавливая емкость рынка товаров промышленного назначения, учитывают прежде всего основные тенденции развития отраслей народного хозяйства и возможности реализации в них соответствующих инвестиционных проектов. Емкость рынка и тенденции ее изменения являются важными факторами, которые должны учитывать производители при выходе на соответствующий рынок. Нет смысла выходить на исследуемый рынок, если емкость его невелика или она станет таковой в ближайшем будущем. Наряду с емкостью рынка часто рассматривают так называемый рыночный потенциал, а также позиции отдельных фирм на рынке.
4. ПОНЯТИЕ И СВОЙСТВА МАРКЕТИНГОВОЙ ИНФОРМАЦИИ
Под маркетинговыми исследованиями принято считать систематический сбор, обработку и анализ данных по разным аспектам маркетинговой деятельности. Поэтому маркетинговые исследования можно представить в виде функции юридического лица, связывающего через определенную информацию маркетологов с рынком потребителей, конкурентами, со всеми элементами внешней среды маркетинга. Целью маркетинговых исследований является создание информационно-аналитической базы для принятия решений и снижения уровня неопределенности, связанной с ними. Как правило, задачами маркетинговых исследований являются: сбор, обработка, хранение информации; анализ влияния макросреды маркетинга на деятельность фирмы; оценка и анализ конъюнктуры рынка, расчет емкости рынка, прогнозирование спроса, анализ ценовой эластичности; оценка собственных возможностей фирмы, ее потенциала и конкурентоспособности; оценка возможностей и поведения конкурентов; анализ рынка сбыта, оценка его доли, занимаемой фирмой.
5. МАРКЕТИНГОВАЯ МОДЕЛЬ ТОВАРА
В маркетинге используется трех уровневая модель: 1. товар по замыслу характеризует основное предназначения товара т. е это та цель ради достижения которой потребители совершают покупки.2. товар в реальном исполнении характеризует физические характеристики товара, то что делает товар привлекательным для потребителя.3. товар с подкреплением характеризует расширенные характеристики товара т. е дополнительные услуги и льготы представляемые потребителю.
6. СЕРВИСНОЕ ОБСЛУЖИВАНИЕ
Сервис – это система обслуживания покупателей, позволяющая выбрать наилучший товар и обеспечить его оптимальное потребление в течение периода времени приемлемого для потребителя. Различают виды сервиса:
1. предпродажный (инструкция).
2. сервис при продажи (доставка, демонстрирование).
3. после продажный сервис. Формы осуществления сервиса.
1. сервис осуществляется исключительно персоналом производителя.
2. сервис осуществляется производителями через собственные сервисные центры.
3. сервис осуществляется независимыми организациями, с которыми производитель заключает договора на оказания сервисных услуг.
4. обеспечивается тем звеном распределения, который находится ближе всего к потребителю, а производитель поставляет только запасные части.
7. ЖИЗНЕННЫЙ ЦИКЛ ТОВАРА
Жизненный цикл товара – это процесс развития продаж и получения прибыли во времени. Если товар рассматривать в динамике можно получить граф. изображение традиционного жизненного цикла с отчетливым выделением пяти этапов, определяющих две важные проблемы: 1. как эфиктивно работать с товарами находящихся на рынке, чтобы продлить срок их жизни.2. когда начинать обновления продукции для замены устаревающих товаров.

Нулевая стадия – разработка товара, превращения замысла товара в реальное изделие. Для этого этапа характерны большие материальные и физические затраты, прибыль отсутствует. Задачи маркетологов применить развивающий маркетинг.
1. этап – внедрение или выведения на рынок (позиционирование товаров на рынке, проникновение на рынок, активная система формирования спроса). Большие затраты на продвижения товара к потребителю. Прибыль отсутствует. Задачи маркетологов применить развивающий и стимулирующий маркетинг.
2. этап. Рост товара признан потребителем, спрос на него резко вырастает и опережает предложения.
Рынок регулируется политикой ценообразования. Появляются конкуренты. Прибыль растет однако еще не окупаются затраты предыдущих этапов. Задачи маркетологов применить стимулирующий маркетинг иногда демаркетинг.
3. этап зрелости. Спрос на товар становится массовым, однако темпы роста его сбыта начинают замедляться. Прибыль высока и окупает затраты предыдущих этапов. Обостряется конкуренция. Задачи маракетологов применить поддерживающий маркетинг иногда синхромаркетинг.
4 этап спад спрос. Товар остаётся популярным, но спрос на него начинает снижаться, соответственно падают объемы продаж. На рынке появляется товары новинки. Задача маркетолога применить ремаркетинг конверсионный.
8. ПОНЯТИЕ И ФУНКЦИЯ ЦЕНЫ
Цена – это количество денег, которое может получить продавец от покупателя при определенных устраивающих обе стороны условий. Функции цены:
1. информационная.
2. распределительная.
3. стимулирующая.
4. сбалансированности спроса и предложения.
5. учетная.
9. ЦЕНООБРАЗУЮЩИЕ ФАКТОРЫ
Факторы, оказывающие на цену, подразделяются:
1. факторы макро среды.
1.1состояние экономики.
1.2политическая среда.
1.3. финансовая, налоговая и кредитно-денежная политика государства.
1.4. политика государственных регулирований цен.
1.5внешнеэкономическая политика государства.
2. факторы внутренней среды.
2.1факторы потребительского выбора – это определяет конкурентоспособность. Полезность для потребителя; потребительские свойства товара; сопоставимость товаров; взаимозаменяемость товаров; привычки покупателя; престижность товара.
2.2факторы предложения товара определяют цену предложения товара. Стоимость производства; стадия производства; ожидаемый объем выпуска; точка окупаемости; интеграция с другой продукцией; запасы товара на складе; доля рынка и положение конкурентов; цены на материалы, раб. силу.
2.3факторы характеризующие рынок. Используемые каналы распределения; структура распределения; географическое распределение; возможности продвижения товара; наличие сервисного обслуживания.
10. ТИПЫ ПОСРЕДНИКОВ И ВЗАИМООТНОШЕНИЯ МЕЖДУ НИМИ
Посредников можно разделить на насколько типов по признаку самостоятельности: распределительные органы производства; торговые посредники; партнеры по сбыту
Посредники вступают в конкурентные отношения между собой за симпатию производителя и потребителя: Горизонтальная конкуренция – отражает соперничество между посредниками одного типа, находящимися на одном уровне сбытового канала. Вертикальная конкуренция – между посредниками находящимися на разном уровне сбытового канала. конкуренция между сбытовыми каналами. Конкурентная борьбы друг с другом отнимает у посредников значительные ресурсы. В целях более эффективной деятельности формируются координированные сбытовые структуры, где наблюдается сотрудничество в отношении участников распределительной системы. Координирующая сбытовая структура – это совокупность нескольких уровней канала распределения которая действует как единая система, где один из участников либо владеет остальными, либо предоставляет им торговые привилегии, либо обладает силой обеспечивать их полное сотрудничество.
Типы координирующие сбытовые структуры: корпоративная, управляемые, договорные.
11. ОПТОВАЯ ТОРГОВЛЯ И ЕЕ ФУНКЦИИ
Оптовая торговля – деятельности по продаже товара тем субъектам рынка, которые приобретают его с целью перепродажи или профессионального или профессионального использования.
Функции оптовой торговли: предоставление информации о рынке; закупка товаров в объеме более удобном для производства деятельности; разбивка крупных партий товара на более мелкие; формирование товарного ассортимента; осуществление мер по стимулированию; хранение запасов товара; транспортировка и экспедирование; принятие риска; финансирование; услуги по управлению; рекламные услуги; консультационные услуги;
12. КЛАССИФИКАЦИЯ ОПТОВЫХ ПОСРЕДНИКОВ
1. По степени самостоятельности:
1.1. распределительные органы производства (прямая опт продажа).
1.2. независимые оптовики.
2. По характеру прав перехода собственности на товар:
2.1. предприятия оптовой торговли.
2.2. партнеры по сбыту.
3. По объему предоставляемых услуг:
3.1. оптовики с полным циклом обслуживания.
3.2. оптовики с ограниченным циклом обслуживания.
4. По специфике ассортимента:
4.1. оптовики смешанного ассортимента.
4.2. узкоспециализированные оптовики.
Виды оптовиков: отдел сбыта. коммивояжер – сотрудник предприятия, которому поручается поиск клиентов и работа с ними. сбытовой филиал. агент – является независимым оптовиком который находит рынки сбыта. Агент независим от производителя. брокер – ему поручают ограниченные по объему сделки. Дистрибьютер – получает от производителя право на продажу. дилер – крупный оптовик. комиссионер.
13. РОЗНИЧНАЯ ТОРГОВЛЯ И ЕЕ ФУНКЦИЯ
Розничная торговля – это любая деятельность по продаже товара, непосредственно конечному потребителю для их личного некоммерческого использования. Функции розничной торговли: предоставление информации о рынке; закупка товаров в объемах более удобных для производственной деятельности; разбивка крупных и средних партий товаров на более мелкие единичные экземпляры; формирование товарного ассортименты; осуществление мер по стимулированию сбыта; принятие риска; финансирование; маркировка товара, проставление на них цены; хранение запасов на складах; транспортировка и экспедирование; рекламные услуги; консультационные услуги.
14. Цели и принципы маркетинга
С точки зрения общества значимости можно сформулировать четыре альтернативных цели маркетинга:
1. достижение максимально-возможного уровня потребления;
2. достижение максимальной удовлетворенности потребителя;
3. предоставление максимально широкого выбора товаров;
4. максимальное повышение качества жизни.
Принципы маркетинга: "Потребитель-король" - ориентация деятельности предприятия на конечный коммерческий результат через учет требований потребителей. "Производить то, что продается, а не продавать то, что производится" - направление деятельности предприятия на долговременный результат маркетинговой работы, что подразумевает исследование и разработка на их основе товаров рыночной новизны которые обеспечат высокоэффективную деятельность предприятия. "создавая товар, создавать и потребителя" - применение в единстве и взаимосвязи стратегии и тактики активного приспособления к требованиям потенциальных покупателей с одновременным целенаправленным воздействием на них. Гибкость и оперативность системы в условиях острой конкуренции.
15. Классификация розничных посредников
1. В зависимости от степени привязки к стационарному помещению:
1.1. торговля через розничные магазины.
1.2. внемагазинная торговля.
2. В зависимости от широты и глубины предлагаемого ассортимента:
2.1. специализированные магазины – осуществляют торговля соответствующей ассортиментной группой товаров определенной глубины.
2.2. универмаг – крупное предприятие, предлагающее широкий ассортимент различных групп товаров.
2.3. универсам – крупное предприятие, рассчитанное на первоочередное удовлетворение нужд покупателя в продовольственных товарах и товарах домашнего обихода.
2.4. супермаркеты – предприятие имеющие большую торговую площадь и предлагающее одновременно с полным набором продовольственных товаров не требующих особого внимания к покупателю со стороны торгового персонала.
2.5. магазины товаров повседневного спроса – не велики по размеру и торгуют товарами ограниченного потребления.
3. В зависимости от политики цен:
3.1. торгующие по высоким ценам.
3.2. торгующие по обычным ценам.
3.3. торгующие по сниженным ценам.
3.4. торгующие по "бросовым" ценам.
4. В зависимости от уровня обслуживания:
4.1. магазины самообслуживания.
4.2. магазины с ограниченным обслуживанием.
4.3. магазины с полным обслуживанием.
5. в зависимости от степени концентрации:
5.1 расположены в центральном районе.
5.2. расположены в "спальных" районах.
16. Понятие продвижения и маркетинговых коммуникаций
Продвижение – это любая форма распространения сообщения, для создания лояльности потребителей и общества к фирме, информирующих, убеждающих или напоминающих о ее деятельности или товарах. Маркетинговые коммуникации – это процесс обмена информацией между фирмой и другими субъектами маркетинговой деятельности с целью предоставления и совершенствования деятельности фирмы и ее товаров.
Цели маркетинговых коммуникаций:
информирование потенциальных потребителей о продукте, условиях продажи и тд.; убедить покупателя отдать предпочтение данным товарам, маркам, магазинам; "заставить" покупателя действовать. Средства маркетинговых коммуникаций: Основные: Реклама, Связи с общественность, Стимулирование сбыта.
Синтетические:
Брендинг,
Спонсорство,
Участие в выставках и ярмарках,
Интегрирование маркетинговых коммуникаций в местах продаж,
Неформальные, вербальные маркетинговые коммуникации (слухи).
17. Понятие и виды рекламы
Реклама – любая платная форма не личного представления и продвижения товара, услуг, идей от имени известного спонсора.
Характерные черты рекламы: общественный характер; способность к убеждению; экспрессивность; обезличенность; однонаправленность; опосредованность. Виды рекламы:
1. Информативная – преобладает на этапе внедрения товара на рынок. Задача – информировать о товаре-новинке или нового применения существующего товара:
Информирование о изменении цены;
Объяснение принципов действия товара;
Описание оказываемых услуг; Рассеянье опасений покупателя; Формирование образа фирмы.
2. Увещивательная – на этапе роста. Задачи: Формирование предпочтения к марке; Поощрение к переключению на данную марку; Убеждение совершить покупку не откладывая.
3. Напоминающая – преобладает на этапе зрелости. Задачи: Напомнить потребителю где можно купить товар; Удержание товара в памяти потребителя в период межсезонья; Поддержание осведомленности о товаре на высоком уровне.
18. Средства и каналы распространения рекламы
Средство рекламы – это прием воплощения идеи рекламным обращением связи с использованием определенного типа раздражителей для кодирования информации в какой либо воспринимаемой форме. Виды рекламных средств: акустические, графические, воздействие на обоняние, визуальные, декоративные, предметные. Каналы распространения рекламы – способ тиражирование рекламных обращений и доставки его до широкой публики, распространенные во времени и пространстве. Типы каналов распространения:
1. прямая реклама: печатная (буклеты); Телефонная; с помощью компьютерных сетей.
2. реклама в СМИ: реклама в прессе; на радио; на телевидении; в кино.
3. реклама на конкретном месте: на мечте продажи; на транспорте; наружная реклама.
19. Связи с общественностью
Связи с общественностью – это не личные и не оплачиваемые спонсором стимуляторы спроса на товар, услугу или организацию посредством распространения о них в печатных средствах информации или благожелательное представление по радио, телевидению или со сцены. Характерные черты: некоммерческий характер передаваемой информации; ориентация на долгосрочные отношения; открытость и достоверность; организация обратной связи; непредсказуемость последствий. Приемы связи с общественностью: организация мероприятий для журналистов: подготовка материала для печати, пресс-конференции и приемы, ответы на запросы прессы, редакционные письма, оплачиваемые статьи. организация мероприятий для внутренней аудитории: корпоративная культура, внутренние газеты, внутренние мероприятия по случаю торжественных событий. организация мероприятий для широкой общественности: посещение объектов, телефонные разговоры, информационные выпуски на радио и телевидении, дискуссионные клубы, выпуск годового отчета, размещение информации в Интернете, прямая рассылка информационных материалов или материалов престижного характера.
Персональные продажи.
Персональные продажи – это устное представление товара, в ходе беседы с одним или несколькими потенциальными покупателями, с целью совершения продажи. Характерные черты: коммерческая направленность; непосредственный контакт между продавцом и покупателем; наличие двухсторонней связи; обязательные коммуникативные способности продавца; возможность накопить информацию о спросе и конкурентах; большие затраты в расчете на один контакт. Приемы организации контактов с потребителем: торговый агент контактирует с одним покупателем; торговый агент контактирует с группой покупателей; группа сбыта продавца контактирует с группой представителей покупателя; проведение торговых совещаний; проведение торговых семинаров.
Стимулирование сбыта.
Стимулирование сбыта – это кратковременные побудительные меры поощрения покупки или продажи товара. Характерные черты: дополнительная мотивация; информативность; быстродействие; ненавязчивость; стимулирование действия. Средства стимулирования сбыта: предложение цены; предложения в натуральной форме; предложения в активной форме. В зависимости от субъектов коммуникации выделяют следующие приемы стимулирования сбыта:
1. стимулирование покупателей:
- скидки, - купоны, - сбытовой зачет,
- упаковки по льготной цене, - бесплатные образцы товаров, - бесплатные сувениры,
- кредит, - возврат устаревшего товара,
- конкурсы, лотерея.
2. Стимулирование посредников: - Скидки, - Бесплатная выдача товаров, - Бесплатное оборудование для сервиса, - Проведение совместной рекламы, - Организация выставок, Повышение квалификации сотрудников посредника.
3. Стимулирование продавцов: денежное вознаграждение,
- ценные подарки,
- предоставление дополнительного отпуска, - организация экскурсий,
- моральные поощрения.
20. Понятие каналов распределения
Распределение товаров – это совокупность действий по доставке товаров от производителей к потребителям. Каналы распределения (сбыта) – это совокупность организаций или отдельных лиц которые принимают на себя или помогают передать кому либо другому права собственности на конкретный товар на его пути от производителя к посреднику. Причины обращения к посредникам: сокращение количества прямых контактов между производителем и потребителем; невелируются (сглаживаются) несоответствие в масштабах производства партии товара и потребленной единицы товара; разнообразие ассортимента; улучшается обслуживание потребителей. Уровень канала распределения – это каждый тип посредника, выполняющего те или иные действия по приближению тавра к конечному потребителю. В зависимости от количества типов посредников, у которых задерживается товар говорят о длине канала распределения: 1. канал прямого маркетинга.2. косвенные каналы. В зависимости от числа посредников на одном уровне, говорят о плотности канала распределения: 1. интенсивное распределение – производство стремиться распространить свой товар через всех посредников.2. эксклюзивное распределение.3. селективное распределение – выбор определенного количества посредников.
Классификация цен:
Цена товара - это количество денег, которое может получить продавец от покупателя при определенной устраиваемости обе стороны условий. Классификация цен: По степени осязаемости предлагаемого продукта: Цена на осязаемою продукцию; Тарифы на услуги. В зависимости от обслуживания отраслей и сфер экономики: Закупочные цены; Цены строительства; Цены промышленности; Транспортные тарифы; Тарифы бытового и коммунального обслуживания; Тарифы на тепло - и энергопотребление; Цены обслуживающие внешнеторговый оборот; Цены используемые в учете и статистике. В зависимости от срока согласования: Твердые цены – устанавливаются в момент подписания контракта и не подлежит изменению в течении всего срока его действия; Подвижные цены – зафиксированы при заключении контракта, но могут быть пересмотрены в дальнейшем если рыночная цены измениться к моменту поставки.; Скользящие – исчисляются в момент исполнения контракта путем пересмотра исходной цены с учетом изменений издержек производства. В зависимости от участия государства в установлении цены: Свободные; Регулируемые. В зависимости от территории действия: Отпускная цена предприятия по месту изготовления; Единая цена; Зональная цена; Цена базисного пункта. В зависимости от способа предоставления информации о цене: публикуемые; расчетная цена поставщика. В зависимости от сферы товарооборота: Оптовые; Розничные.
Структура цены.
Себестоимость + Прибыль + Косвенные налоги = Отпускная цена предприятия.
Издержки + прибыль + Косвенные налоги = Оптовая надбавка.
Отпускная цена предприятия + Оптовая надбавка = Оптовая цена.
Издержки + Прибыль + Косвенные налоги + Местные налоги = Торговая Надбавка.
Оптовая цена + Торговая надбавка = Розничная цена.
Классификация маркетинговой информации.
Маркетинговая информация может классифицироваться: По характеру: - количественная (данные, числа); - качественная. По информационным потокам: - входящая, анализируемая, хранимая, выходящая. По способу получения: Первичная – это информация об объекте исследования полученная непосредственно от источника в момент возникновения в результате специально проведенных для решения конкретных проблем полевых маркетинговых исследований. Вторичная – это информация об объекте исследования собранная ранее для целей отличных от целей данного исследования. Метод ее сбора называется кабинетным. Преимущества вторичной информации: быстрота получения, меньшая стоимость, легкость использования, возможность сопоставления нескольких источников. Недостатки вторичной информации: неполное соответствие задачам исследований, разная степень полноты новизны, невысокая достоверность, доступность конкурентам.
Источники маркетинговой информации.
Источники первичной информации – это непосредственно сам объект или субъект который создает информацию в соответствии с поставленными целями ее сбора. Объектами являются процессы и события происходящие во внутренней и внешней среде фирмы, наблюдаемые в режимы реального времени. Субъектами являются потребители, конкуренты, партнеры, посредники (это все внешние субъекты), а так же специалисты и менеджеры фирмы (это внутренние субъекты). Источники вторичной информации – это носители или субъекты маркетинговой среды, предоставляемые информацию об объекте исследований в обработанном виде, предназначенную для других целей. Источники подразделяются:
внешние - официальные издания, и документы (средства массовой информации, справочники); неофициальные источники; специфические источники (приобретение товара конкурента); синдикативные источники. внутренние – внутренние документы фирмы, а так же отчеты предыдущих маркетинговых исследований.
Сущность и функционирование маркетинговой информационной системы.
Маркетинговая информационная система – это совокупность постоянно функционирующих приемов и ресурсов для сбора классификаций, анализа, оценки и распространения актуальной информации с целью ее использования для принятия эффективных маркетинговых исследований. Цель: предоставление информации с заданными свойствами для принятия управленческих решений. Задачи: определить круг пользователей информации; определить информационное потребление пользователей; выбрать источники информации; определить структуру базы данных; определить порядок предоставления информации. Ресурсы: специалисты, методическое обеспечение, оборудование. Технологии: планирование, организация и контроль сбора информации; планирование и организация обработки информации; планирование и организация анализа информации; организация и контроль организационных потоков. Цель маркетинговой информационной системы можно считать достигнутой если в ходе ее функционирования получен продукт удовлетворяющий заданным требованиям (базы данных или отчеты о маркетинговых исследованиях).
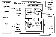
Модель маркетинговой информационной системы Ф. Котлера.

Понятие сегментации рынка.
Сегментация рынка – это процесс деления потребителей на отдельные группы, каждая из которых предъявляет свой специфический запрос на рынке.
Сегментация рынка – это группа потребителей обладающих отличительными характеристиками предъявляющие специфический спрос на товар и одинаково реагирующих на определенный набор маркетинговых стимуляторов.
Критерии сегментирования – это способ оценки выбора того или иного сегмента рынка: емкость сегмента, каналы распределения и сбыта продукции, устойчивость рынка, прибыльность, совместимость с рынком основных конкурентов, опыт работы на выбранном сегменте, защищенность выбранного сегмента от конкурентов.
Признаки сегментации.
Признаки сегментации – это способ выделения данного сегмента на рынке.
Географические признаки сегмента: регион, административное деление, численность населения, плотность населения, климат. Демографические признаки сегментации: пол, возраст, размер семьи, этап жизненного цикла семьи, уровень доходов, род занятий, уровень образования, национальность, вероисповедание, раса. Психографические признаки сегментации: социальный слой, образ жизни, личные качества. Поведенческие признаки сегментации: повод для совершения покупки, искомые выгоды, статус пользователя, интенсивность потребления, степень приверженности, отношение к товару.
Емкость рынка и ее оценка.
Емкость рынка - это количество (стоимость) товаров которое может поглотить рынок зо определенный промежуток времени при данных условиях: - Упрощенный подход к определению емкости рынка заключается в приравнивании ее объема к объему реализации исчисляемому по балансовой формуле: Е=В+З+Э-И, где Е – емкость, В – производство товара, З – запас, Э – экспорт, И – импорт. - Более точный расчет емкости базируется на потребительском принципе, а именно на определении численности потребителей и прогнозируемом среднем уровне потребления.
Е=∑ni=1(Si*Пi*(1+Т ценпр*Эцi) *(1+Тдох пр*Эдi)) +Dстим-(Н-Иф-Им) - А где, Si – численность потребителей i группы; Пi – потребление на душу в i группе в базисном периоде, Тценпр – темпы прироста цен на товары, Эцi – эластичность спроса по цене, Тдох пр – темп прироста дохода, Эд – эластичность спроса по доходам, Dстим – искусственно стимулированный прирост спроса, Н – насыщенность рынка (наличие товаров у потребителей), Иф – износ товаров физический, Им – износ товаров моральный, А – альтернативные формы потребления. Доля рынка – это часть рынка, охваченная продукцией конкретной фирмы. Др=ОП/Е*100, где ОП – объем продаж, Е – емкость рынка
Основные понятия маркетинга.
Маркетинг – это вид человеческой деятельности направленной на удовлетворение нужд и потребностей посредством обмена. Основные понятия маркетинг: Нужда - ощущение нехватки человеком чего-либо (пищи, одежды, тепла, безопасности, духовной близости, уважения, самовыражения). Потребности - это нужды, принявшие специфическую форму в соответствии с культурным уровнем человека (сотовый телефон, факс, принтер и т.д.). Они выражаются в объектах, удовлетворяющих ту или иную нужду по мере культурного развития общества. Нужды человека ограничены, потребности - безграничны. Поэтому потребитель будет выбирать те товары, которые доставляют ему наибольшее удовлетворение в рамках его финансовых возможностей. Спрос - это потребность в определенных товарах, подкрепленная покупательной способностью. Товар - всё то, что может удовлетворить нужды и потребности человека (материальные продукты, услуги или идеи). Обмен - это акт получения желаемого товара с предложением чего-либо взамен. Он является одним из основных понятий маркетинга как научной дисциплины. Сделка - коммерческий обмен ценностями между двумя сторонами (денежная, бартерная). Она является основой практической деятельности в сфере маркетинга. Рынок образуют все реальные и потенциальные покупатели товара с определенными нуждами и потребностями, желающими принять участие в обмене. Таким образом маркетинг – это завершающее понятие цикла рынка; работа с рынком для осуществления обмена цель которых удовлетворить человеческую нужду и потребность. Процесс обмена требует определенной работы: поиск покупателя, выявление их нужд и потребностей, создание соответствующих товаров, продвижение их на рынок, складирование, перевозка, ценообразование, организация сервиса, что и составляет содержание маркетинга.