Геометрия пространства двойной планетной системы: Земля - Луна (работа 1)
Геометрия пространства двойной планетной системы: Земля - Луна
И.В. Злобин
Член Финляндской Астрономической Ассоциации,Хельсинки, Финляндия
В данной
работе рассмотрен процесс устойчивости
Луны на орбите вокруг Земли, с точки
зрения геометродинамики. Представлено
предложение, в котором формулируется
гипотеза о существовании гравитационного
"барьера" между Землей и Луной.
Методом диаграмм погружения количественно
определена высота предполагаемого
"барьера" в точке пересечения
искривленных метрик; так, высота "барьера"
со стороны Луны оценивается величиной
см
, а со стороны Земли
см.
Проведена оценка времени соскальзования
Луны со своей орбиты, в результате
торможения вызванного излучением слабых
гравитационных волн. Оказалось, что
сек
1. Введение
Задача об устойчивом движении естественного спутника Земли является одной из самых сложных в небесной механике. Это вызвано следующими обстоятельствами: 1) Луна - самое близкое к Земле небесное тело малейшие неправильности в движении Луны могут быть замечены с Земли; 2) изменение положения Луны относительно Земли происходит: во-первых - за счет притяжения ее Землей (основная сила) и во-вторых - за счет того, что Солнце притягивает Луну слабее или сильнее, чем Землю, т.к. Луна оказывается (в процессе движения по орбите вокруг Земли) то ближе, то дальше от Солнца по сравнению с Землей, т.е. вследствие разности сил притяжения Солнцем Земли и Луны; 3) Земля не является точным шаром, она имеет форму - сфероида. Однако, возмущающая сила за счет сжатия не превышает 10 - 6 силы притяжения между Луной и Землей [ 1 ]; 4) Луна перемещается в пространстве по орбите глубоко внутри сферы действия Земли.
Сегодня, теория движения Луны основывается на представлениях ньютоновской механики и оперирует законами классической физики. Использование этих законов позволяет достаточно точно описывать поведение естественного спутника Земли в любой точке на орбите. Ниже будет показано, что пользуясь некоторыми существующими следствиями, вытекающими из геометродинамики, можно по-новому взглянуть на задачу устойчивого движения Луны вокруг Земли.
2. Теоретическая часть.
Прежде, чем перейти к анализу примем ряд допущений: 1) планета Земля и ее естественный спутник Луна - есть по необходимости сферические симметричные системы.. Это обусловленно тем, что можно пренебречь малостью возмущающей силы, которая возникает за счет степени сжатия Земли и Луны. Следовательно, создаваемые этими объектами гравитационные поля должны обладать сферически симметричной топологией; 2) расчет будем проводить для определенного статического положения, т.е. для фиксированной в пространстве и во времени координатной точки расположенной на орбите Луны; 3) квантовыми флуктуациями метрики возникающими вблизи выше указанных объектов пренебрегаем.
Итак, приняв за основу, что Земля и Луна в нашем случае являются сферическими симметричными системами, то к системам такого рода можно применить теорему Биргоффа [2], которая формулируется следующим образом: любая сферически симметричная геометрия некоторой области пространства-времени (являющаяся решением уравнения Эйнштейна в вакууме) с необходимостью является частью геометрии Шварцшильда. Таким образом, сферически симметричное гравитационное поле в пустом пространстве должно быть статическим и описываться метрикой Шварцшильда [3]
, (1)
где
угловой элемент. Причем, здесь принята
метрика с сигнатурой (+ ; -;-;-). Так же,
понятно, что в данном случае поля
тяготения создаются непосредственно
Землей и Луной.
Известно, что любая неоднородность в пространстве, вызванная наличием исходных масс, ведет к возмущению пространственно-временной метрики. Вопрос состоит в том, на сколько то или иное тело "деформирует" геометрию пространства? Здесь, следует отметить, что глубина гравитационной ямы прямо пропорциональна массе М стоящей под знаком радикала. Это означает, что для любого текущего значения М можно расчитать параметры гравитационной потенциальной ямы.
Для того, чтобы получить численные значения глубин гравитационных ям, необходимо воспользоваться выводами, вытекающими из геометродинамики [3]. В ее основе лежат законы, которые применяются для анализа сильных гравитационных полей, т.е. для объектов с достаточно большими массами. Задача данного исследования сводится к том, чтобы применить методику применяющуюся в геометродинамики непосредственно к поля тяготения создаваемые Луной и Землей. Законы геометродинамики не ограничивают применения ее правил для анализа слабых гравитационных полей.
Известно, что исходная двойная планетная система Земля-Луна обладает медленным движением и слабым гравитационным полем, это подтверждается неравенствами [4]
(2)
где М - масса системы, R - радиус системы, v - скорость внутри системы, 2GM /с2 - радиус Шварцшильда, с - скорость света. К тому же, как отмечается в [5], из предложения о малой скорости вытекает условие, что само гравитационное поле должно быть слабым. В связи с этим, планета Земля и ее естественный спутник создают вокруг себя искривление пространства-времени, но кривизна метрики будет небольшой.
Сформулируем такое предложение
Для того,
чтобы величины
и
имели
достоверный характер, необходимо и
достаточно, получить полное согласование
расчетных данных с выводами как с
ньютоновской концепцией тяготения, так
и с эйнштейновской теорией гравитации.
Для раскрытия сущности Предложения воспользуемся одним из правил геометродинамики, а именно, методом диаграмм погружения. Идея этого метода состоит в том, чтобы для погруженной поверхности [3] с постоянными t и г необходимо найти функцию Z (г) такую, для которой
(3)
Решение имеет вид
(4)
Соотношение (4) представляет собой параболоид, полученный путем вращения параболы вокруг оси г . В выражение (4) входят: масса объекта М , имеющая размерность - см ; радиус-вектор г - единицы измерения, которого тоже см . Оба этих параметра имеют размерность выраженную через геометризованные единицы [6] .
С физической точки зрения необходимо отметить и такой факт: диаграммы погружения для планет (звезд) строятся, как для внутренних областей, так и для внешних. Но для движущихся частиц (тел) не имеет значения какова геометрия внутри планеты (звезды), поскольку частица (тело) никогда не попадет внутрь планеты (звезды); прежде чем, это произойдет будет наблюдаться процесс столкновения с поверхностью планеты (звезды), разумеется в том случае, если центром притяжения является планета (звезда).
3. Результаты
Прежде чем, перейти к вопросам расчетного характера, необходимо сказать следующее: т.к. в геометродинамике все величины переводятся в геометризованные единицы, следовательно и здесь необходимо предварительно скорректировать физические параметры Луны и Земли. Для того, чтобы привести физическую массу выше указанных объектов к геометризованной воспользуемся выражением вида [4]
(5)
где M>geom>
- приведенная масса тела, M>phys>
- физическая масса тела, G
- гравитационная постоянная, с - скорость
света. Физическая масса Земли и Луны
определяются, как
г
и
г
соответственно. Теперь воспользовавшись
(5) оценим приведенные геометризованные
массы Луны и Земли:
см
,
см.
При построении
диаграмм погружения, следует учитывать,
что текущее значение радиус-вектора r
в формуле (4) выбирается в зависимости
от величины 2М , т.к. при
имеет
место действительная область
шварцишльдовской геометрии, а при г <
2М - геометрия становится сингулярной.
Для определения
координат диаграмм погружения подставляем
и
,
а так же варьированные значения г в (4)
причем дляпростоты расчетов будем
выражать текущие значения радиус-вектора
через текущие значения приведенных
масс Земли и Луны соответственно, см.
формулу (4). Полученные результаты
занесены в Таблицы 1 и 2.
Таблица 1
|
|
|
|
|
см |
n |
см |
|
0,01090 |
2 |
0 |
|
0,01635 |
3 |
0,0154142 |
|
0,02180 |
4 |
0,0217990 |
|
0,02725 |
5 |
0,0266983 |
|
0,03270 |
6 |
0,0308285 |
|
0,03815 |
7 |
0,0344688 |
|
0,04360 |
8 |
0,0377584 |
|
0,04905 |
9 |
0,0407835 |
|
0,05450 |
10 |
0,0435993 |
Таблица 2
|
|
|
|
|
см |
n |
см |
|
0,874 |
2 |
0 |
|
1,311 |
3 |
1,2360226 |
|
1,748 |
4 |
1,6748000 |
|
2,185 |
5 |
2,1408540 |
|
2,622 |
6 |
2,4720453 |
|
3,059 |
7 |
2,7638306 |
|
3,496 |
8 |
3,0276248 |
|
3,933 |
9 |
3,2702085 |
|
4,37 |
10 |
3,4960000 |
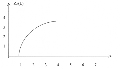
В данном анализе этого достаточно для того, чтобы выявить конфигурацию диаграмм.. На Рисунках 1 и 2 показаны гравитационные "профили" погруженных поверхностей.

Рис. 1.

Рис. 2.
Следующим
шагом является выявление инвариантности
между радиус-вектором г и средним
расстоянием L между Землей и Луной.
Действительно, радиус-вектор г - это, по
суте дела, текущее расстояние от тела
до произвольной координатой точки в
пространстве. Таким образом, легко
заметить, что L тождественно некоторому
текущему значению г . Известно, что
среднее расстояние от Зумли до Луны
оценивается в 384400 км [7]. Запишем L в
системе СГС, получаем:
см
. Подставляя L в (4) и учитывая соотношение
значений
и
находим,
что глубина гравитационной ямы равна:со
стороны Земли
см,со
стороны Луны
см.
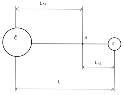
Следующим этапом является определение координат точки, являющейся местом пересечения двух диаграмм погружения. Обозначим эту точку через А ; примем так же, что А обладает единичной массой m>A>. Каким свойствам должна подчиняться эта точка:
1) т. А будет
располагаться между орбитами Луны и
Земли на таком расстоянии, на котором
сила тяготения
от
Земли до А и сила тяготения
от
Луны до А - адекватны, т.е.
;
при этом
и

2) т. А располагается на вершине гребня двух пересеченных метрик, т.е. она будет являться наивысшей точкой "барьера", высоту которого обозначим через h.
Проведем проработку пунктов 1 и 2 , для этого используем (Рис.3).

Рис 3.
По пункту 1 запишем закон всемирного тяготения для т. А , Земли и Луны. Имеем:
со стороны
Земли
(6)
со стороны
Луны
С учетом равентсва этих сил, получим
(7)
где
-
гравитационная постоянная;
г
- физическая масса Земли,
г
- физическая масса Луны; m>A>
- единичная масса т. А ;
-
расстояние от Земли до т. А ;
-
расстояние от т. А до Луны. Так как
,
следовательно выражение (7) перепишется
в виде
(8)
Это соотношение
разрешимо относительно
,
если
;
.После
преобразований находим, что
(9)
Отсюда
см
. И тогда
см
. Проверка: в выражение (6) подставляем
и
и
выясняем, что
;
.
Видно, что значения гравитационных сил
согласуется до четвертого знака после
запятой.
Теперь,
остается подставить
и
,
которые тождественны г , в (4) , чтобы
определить величину параметра h ,
указанного в пункте 2) . Таким образом,
со стороны Луны т. А располагается на
высоте
,
а со стороны Земли
смПерейдем
теперь к вопросу, который касается
проблемы связанной с процессом
гравитационного излучения исходной
двойной системы. Естественно ожидать,
что при тех параметрах, которыми обладает
двойная планетная система Земля-Луна
полная энергия излучения Е и мощность
Р будут определяться весьма малыми
значениями. В данной работе не проводятся
численные оценки этих параметров, ибо
это не входит в задачу данного исследования.
Здесь, просто, констатируется выше
указанный факт.
Из всего комплекса характеристик описывающих процесс гравитационного излучения двойной системы, заслуживает внимание только время t, через которое расстояние между Землей и Луной уменьшится до нуля [3]
(11)
где L - расстояние
между Землей и Луной;
-
масса, равная
-
масса, равная
.
Учитывая их численные значения, которые
указаны в (5), находим
см
. Используя калибровку вида [4]
(12)
определяем,
что время, выраженное в физических
единицах, при котором расстояние между
Луной и Землей уменьшится до нуля, равно
сек
. Таким образом, двойная планетная
система Земля-Луна будет устойчива на
большом временном промежутке, даже в
случае излучения слабых гравитационных
волн.
Согласно предложенному сценарию строения межпланетной геометрии пространства двойной системы Земля-Луна, наблюдаем следующую картину (Рис. 4).

Рис.4
Пусть, некоторое
пробное тело движется от Земли к Луне.
Тогда, оно будет подниматься по
геодезической из потенциальной
гравитационной ямы
Земли
по направлению к вершине "барьера"
метрики (т. А). По мере движения вверх по
"барьеру" пробное тело испытывает
уменьшение воздействия поля тяготения
Земли. На вершине "барьера" действие
гравитационных сил со стороны Луны и
Земли одинаково. Соскальзывая с "барьера"
(процесс погружения ), пробное тело все
больше захватывается потенциальным
гравитационным полем Луны. Спустившись
с "барьера" метрики оно оказывается
в гравитационной яме
,
созданной Луной.
4. Заключение.
В данной
работе, используя методику диаграмм
погружения, были определены: 1) глубины
потенциальных гравитационных ям
создаваемые Землей и Луной соответственно;
2) найдены конкретные значения высоты
пространственного "барьера", как
со стороны Луны -
,
так и со стороны Земли -
.
Как и предполагалось, эти числовые
характеристики малы в соизмерении, как
с расстоянием L между Землей и Луной,
так и с самими размерами этих тел [4]
(радиус Земли равен
см,
а радиус Луны -
см).
Этот факт находится в хорошем согласии
с механикой Ньютона, которая применяется
для анализа слабых источников
гравитационных полей.
Возможно, наличие "барьера" метрики между Землей и Луной в дополнительной степени способствует устойчивости в пространстве исходной двойной планетной системы. Хотя высота этого "барьера" и незначительна, но Луна, просто не может преодолеть этот "барьер" без внешнего притока дополнительной энергии, такой, при которой Луна смогла бы подняться на вершину "барьера" и скатиться по искривленному профилю метрики в центр потенциальной гравитационной ямы создаваемой Землей.
Отсутствие
же "пространственного барьера",
по всей видимости, может привести к
неустойчивому состоянию двойной
планетной системы Земля - Луна . Отмечается
так же, что найденные параметры
и
будут
необходимы для более тонких оценок
физико-геометрического состояния
искривленного пространства в выше
указанной системе.
Отметим так же, что предложенное в данном работе исследование не подменяет собой строгие классические выводы объясняющие устойчивое положение на орбите естественного спутника Земли. Оно позволяет глубже взглянуть на механизм гравитационной связанности Луны и Земли.
И в окончании, хотелось бы отметить два чрезвычайно важных следствия, которые вытекают из анализа представленного в данной статье:
1) так как, Луна движется вокруг Земли по эллиптической орбите, т.е. имеется апогей (406700 км) и перигей (356400км), то легко заметить, что высота гравитационного "барьера" h будет варьироваться от min до max величины. Причем min высота достигается при апогее, a max - при перигее. Численные значения планируется получить в новом исследовании;
2) аппроксимируя методику диаграмм погружения в целом на всю Солнечную систему можно точно построить гравитационный профиль нашей планетной системы, что, так же, в перспективе найдет отражение в будущих работах.
Список литературы
Ю.А. Рябов, Движение небесных тел, Наука, Москва (1977).
G. D. Birkhoff, Relativity and modern physics, Mass., Harvard University Press, Cambridge, (1923).
А. Лайтман, В. Пресс, Р. Прайс, С. Тюкольский, Сборник задач по теории относительнотси и гравитации, пер. с англ. А. П. Бондарев и Ю. А.Данилов, под ред. И. М. Халатникова, Мир, Москва, (1979).
К. R. Lang, Astrophysical formulae, Part 2, Springer-Verlad , Berlin, Heidelberg, New York, (1974)
Л. Д. Ландау, Е. М. Лифшиц, Теория Поля, Наука, Москва, (1973).
С. W. Misner, К. S. Thorn, J. A. Wheeler, Gravitation, W. H. Freeman, New York, (1973).
М. У. Сагитов, Лунная гравиметрия, Наука, Москва, (1979).



