Сварочный аппарат
Сварочный аппарат
Устройство управления
Сварочный аппарат является высоковольтным силовым устройством. Для удобства эксплуатации и безопасности ему необходим слаботочный узел управления.

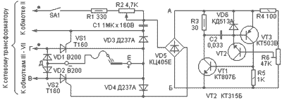
Рис. 8. Устройство управления сварочным аппаратом.
Принципиальная схема узла управления сварочным аппаратом показана на рис. 8. Переменное напряжение, поступающее с обмотки II сетевого трансформатора, перезаряжает конденсатор С1 в каждый полупериод с постоянной времени, определяемой сопротивлением резисторов R1, R2. К выводам конденсатора С1 подключена последовательная цепь, состоящая из диодного моста VD5 и управляющих переходов тринисторов VS1 и VS2 с развязывающими диодами VD3, VD4. На транзисторах VT1, VT3 собрано пороговое устройство с регулируемым подстроечным резистором R6 порогом срабатывания.
Как только напряжение на конденсаторе С1 (положим, плюс на верхней по схеме обкладке), увеличиваясь, достигнет порогового уровня, устройство срабатывает и конденсатор разряжается через мост VD5 и управляющий переход тринистора VS2. На этом тринисторе в текущем полупериоде прямое напряжение, поэтому он открывается, пропуская ток к месту возникновения сварочной дуги. Диоды VD4 и VD2 в текущем полупериоде закрыты. В следующем полупериоде изменяется на обратную полярность напряжения на конденсаторе С1.
Поэтому после очередного срабатывания порогового устройства окажется закрытым диод VD3 и импульс разрядки конденсатора откроет тринистор VS1. Таким образом, сварочную дугу будут зажигать импульсы одинаковой полярности.
Как уже упомянуто, порог срабатывания можно регулировать резистором R6. При повышении порога увеличивается мощность импульса, открывающего тринисторы, что может потребоваться, когда аппарат эксплуатируют при пониженной окружающей температуре. Переменный резистор R2 позволяет изменять время зарядки конденсатора С1 от начала полупериода до момента срабатывания порогового устройства, т. е. регулировать крутизну падения характеристики аппарата. Резистор R3 ограничивает ток разрядки конденсатора С1 и определяет длительность импульсов, открывающих тринисторы VS1, VS2; конденсатор С2 способствует формированию фронта и спада импульсов. Диод VD6 защищает эмиттерный переход транзистора VT3 от перегрузки в момент спада импульса. Транзистор VT2 играет роль слаботочного стабилитрона.
Тумблер SA1 монтируют на панели управления аппаратом. Для контактной сварки этот тумблер целесообразно дублировать ножным переключателем. При массовой сварке тонколистовых деталей включать и выключать аппарат можно исполнительными контактами реле времени, подключаемыми параллельно тумблеру SA1. Если же изменения порога срабатывания не требуется, пороговое устройство VT1VT3 можно заменить последовательной цепью из резистора сопротивлением 51 Ом мощностью 0,5 Вт и динистора КН102Б, подключенной к точкам А и Б. Резистор служит ограничителем тока разрядки конденсатора С1.
В узле управления аппаратов конденсатор С1 - МБМ или любой бумажный на номинальное напряжение 160 В и более; конденсатор С2 - КМ-6. Переменный резистор R2 - ППБ-2 с характеристикой А; подстроечный R6 - СП5-16ВА. Тумблер SA1 -МТ-1. Диоды Д237А можно заменить любыми, которые выдерживают импульсы тока в 1А. Таким же критерием определен выбор диодного моста VD5. Вместо КД513А подойдет любой маломощный кремниевый с малым обратным током. Диоды VD1 и VD2 должны иметь предельно допустимый прямой ток не менее значения сварочного тока для выбранной конструкции. То же самое относится и к выбору тринисторов VS1 и VS2. Вместо КТ807Б подойдет любой n-p-n транзистор, выдерживающий импульсный ток коллектора не менее 1 А при напряжении коллектор-эмиттер не менее 40 В, а вместо КТ502В -любой, структуры p-n-p на ток коллектора не менее 0,35 А на то же коллекторное напряжение.
Общее устройство сварочного аппарата
На рис. 9 схематически показано устройство аппарата. Его основой служит рама 1, собранная из дюралюминиевых планок уголкового профиля или, в крайнем случае, из деревянных реек, усиленных дюралюминиевыми уголками. В нижней части рамы закреплен сетевой трансформатор 3 в обечайке от трансформатора ЛАТР. На правой стойке рамы крепят изоляционную колодку 2 с зажимами для подключения аппарата к сети, на левой стойке - коробку 4 с электронным узлом и органами управления - переменным резистором R2 и тумблером SA1.

Рис. 9. Внешний вид сварочного аппарата а) спереди, б) сверху.
Вторичные обмотки трансформатора переключают на самодельной прочной текстолитовой колодке 5. Сварочные "шланги" подключают либо к соединенным вместе гибким выводам диодов VD1 VD2 - один - и тринисторов VS1, VS2 -другой, -либо непосредственно к теплоотводам 8 (для так называемого максимального режима контактной сварки необходимо обеспечить минимальное падение напряжения на подводящих проводниках).
Мощные диоды 7 и тринисторы 6 (VD1, VS1 и VD2, VS2) располагают на двух изолированных теплоотводах 8 площадью не менее 100 см2 каждый. В мощном аппарате теплоотводы установлены на дополнительных поперечных рейках. Для защиты трансформатора от механических повреждений и прикосновения к токоведущим деталям предусмотрен общий цилиндрический кожух из листовой стали, прикрепляемый к несущей раме (на рисунке он не показан).
Налаживание аппарата сводится к установке амплитудного значения напряжения открывающего импульса, достаточного для открывания тринисторов, переменным резистором R6 (около 20...30 В). Для контроля амплитуды импульсов осциллограф подключают к точкам А и Б (рис. 8). При синхронизации осциллографа от сети можно провести проверку и корректировку пределов регулирования угла отсечки, имея в виду, что увеличение номиналов R1, R2, С1, а также увеличение амплитуды открывающих импульсов приводит к увеличению времени Тз. Оптимизируют режим сварки переменным резистором R2, ограничить угол отсечки можно подборкой резистора R1.
В заключение сообщим, что аппараты обеспечивают два режима контактной сварки - максимальный и регулируемый (соединение тонких листовых деталей). При максимальном режиме электронный узел исключают из работы. Сварочные "шланги" - это отрезки гибкого многопроволочного изолированного кабеля сечением 10...15 мм2, в зависимости от значения сварочного тока.
Технология электродуговой сварки хорошо освещена в литературе, следует лишь отметить, что в показанном на схеме рис. 8 подключении детали и электрода лучше сваривать тонкие изделия, а массивные - при обратной полярности подключения.
Ограничитель напряжения холостого хода
Многие сварочные трансформаторы на холостом ходу имеют напряжение на вторичной обмотке 40В и более. При сварке в особо опасных помещениях это напряжение является опасным для сварщика. Поэтому необходимо ограничить напряжение холостого хода при разорванной цепи сварочной дуги. Устройство ограничения должно обладать высоким быстродействием.
Общая информация
Электросварочная аппаратура принадлежит к оборудованию повышенной опасности, так как при ее эксплуатации не исключается прикосновение сварщика к рабочему электроду аппарата. В случае работы во влажных местах с электродами под напряжением 40-80 В даже во время холостого хода сварочного трансформатора это может привести к несчастному случаю. Были случаи поражения электрическим током сварщиков, попадавших под напряжение холостого хода сварочного оборудования.
Постоянный ток по своему поражающему действию примерно в 3-5 раз безопаснее, чем переменный ток частотой от 15 до 400 Гц. Поэтому при ручной дуговой сварке покрытыми электродами на постоянном токе применение ограничителей напряжения холостого хода не обязательно. Если сварку на постоянном токе выполняют в условиях повышенной опасности поражения электрическим током, электросварщиков кроме спецодежды должны обеспечивать диэлектрическими перчатками, галошами или ковриками, а при вероятности соприкосновения с металлом свариваемой конструкции - наколенниками и наплечниками.
Повышенная опасность поражения электрическим током характерна в таких случаях.
помещение или рабочее место ограничивает свободу движений, из-за чего рабочий должен выполнять сварку в неудобном положении (на коленях, сидя, лежа и т. д.);
мокрое, влажное (относительная влажность 75% при температуре 20 °С) или нагретое помещение (температура воздуха выше 30 °С), где влажность или конденсат влаги существенно снижают сопротивление кожи и тела человека, изолирующие свойства вспомогательных средств и средств индивидуальной защиты.
Замкнутыми пространствами (помещениями) считают пространства, ограниченные поверхностями, имеющие люки (лазы), с размерами, препятствующими свободному и быстрому проходу через них работающих и затрудняющими естественный воздухообмен; труднодоступными следует считать такие пространства (помещения), в которых ввиду малых размеров затруднено выполнение работ, а естественный воздухообмен недостаточен.
В соответствии с требованиями ГОСТ 12.2.007.8-75 "Устройства электросварочные и для плазменной обработки. Требования безопасности" оборудование для ручной дуговой сварки с источником переменного тока необходимо обеспечивать ограничителями напряжения холостого хода.
Также, ввиду роста количества травм, случившихся при использовании сварочных трансформаторов, Госнадзорохрантруда письмом от 16.12.97 г. № 08-6/5063 запретил с 1 марта 1998 г. эксплуатацию оборудования для ручной дуговой сварки с источником переменного тока без ограничителей напряжения холостого хода. Устройство снижения напряжения холостого хода должно обеспечить на выходных клеммах источника питания напряжение не выше 12 В в течение не более 1 с после прекращения сварки или увеличения сопротивления внешней сварочной цепи более 2000м.
Промышленность наладила выпуск ограничителей напряжения холостого хода для сварочных трансформаторов различных модификаций.
Трансформаторный ограничитель напряжения холостого хода (ТОН) обеспечивает автоматическое снижение напряжения на электродах электросварочного аппарата с 60~80 В до 6-12 В после угасания дуги. При соприкосновении рабочего электрода со сварочной поверхностью ограничитель автоматически восстанавливает рабочее (повышенное) напряжение на электродах для стойкого зажигания дуги и выполнения сварки.
Современный ограничитель напряжения холостого хода должен отвечать всем требованиям, выдвигаемым к подобным защитным аппаратам. Он обеспечивает: проверку исправности самого защитного устройства, прекращение работы сварочного трансформатора при потере работоспособности ТОН; ограничение напряжения на вторичной обмотке сварочного трансформатора во время холостого хода до безопасного уровня с фиксированной (не более 1 с) выдержкой времени после размыкания сварной цепи; стойкое зажигание сварочной дуги в начале сварки; сигнализацию в аварийных ситуациях в случае, если напряжение холостого хода сварочного трансформатора более 12 В при разъединенных электродах, или когда есть нарушение целостности сварочной цепи (обратного проводника изделие - сварочный трансформатор). ТОН позволяет снизить расход электроэнергии при холостом ходе сварочного трансформатора.
Ограничитель напряжения холостого хода дополнительно может быть оснащен стабилизатором сварочной дуги, который значительно расширяет функциональные возможности сварочного трансформатора.
Стабилизатор сварочной дуги обеспечивает:
аргонно-дуговую сварку алюминия и его сплавов плавящимися электродами на переменном токе;
сварку плавящимися электродами, предназначенными как для переменного, так и для постоянного тока;
стойкое зажигание сварочной дуги в неблагоприятных условиях (наличие на поверхности изделия шлака, ржавчины, окалины);
повышенное качество сварного шва;
уменьшение разбрызгивания металла при сварке.
По своим эксплуатационным показателям сварочный трансформатор переменного тока, оснащенный ограничителем напряжения холостого хода и стабилизатором дуги, практически отвечает аналогичным показателям более дорогих источников постоянного тока. Применение сварочных трансформаторов вместе с ограничителями напряжения холостого хода существенно улучшает условия труда персонала, особенно если сварочные работы выполняются на сравнительно большом удалении от места расположения сварочных трансформаторов. Например, при строительстве и реконструкции зданий сварочные работы часто выполняются на лесах, на крышах, то есть в условиях, когда персоналу трудно делать частые включения/отключения сварочных трансформаторов. В таких условиях сварочные трансформаторы намного дольше работают на холостом ходу и потребляют значительное количество электроэнергии только вследствие неудобства их отключения. В случае установления ограничителя напряжения холостого хода необходимость в оперативном отключении сварочного трансформатора отпадает. Достаточно только "разорвать" сварную цепь, закрепить рабочий электрод, и можно вести подготовку к сварочным работам. На время проведения подготовительных работ (замена электродов, перестановка свариваемых изделий) в сварочном трансформаторе будет отсутствовать ток холостого хода индуктивного происхождения, который вызывает значительные потери мощности на первичной обмотке трансформатора и кабеля питания. То есть установка ТОН является энергосберегающей мерой, так как при существующих ценах на электроэнергию экономия средств в год будет довольно значительной.
Факторы поражения электрическим током
При эксплуатации и ремонте электрического оборудования и сетей человек может оказаться в сфере действия электрического поля или непосредственном соприкосновении с находящимися под напряжением проводками электрического тока. В результате прохождения тока через человека может произойти нарушение его жизнедеятельных функций.
Опасность поражения электрическим током усугубляется тем, что, во первых, ток не имеет внешних признаков и как правило человек без специальных приборов не может заблаговременно обнаружить грозящую ему опасность; во вторых, воздействия тока на человека в большинстве случаев приводит к серьезным нарушениям наиболее важных жизнедеятельных систем, таких как центральная нервная, сердечно-сосудистая и дыхательная, что увеличивает тяжесть поражения; в третьих, переменный ток способен вызвать интенсивные судороги мышц, приводящие к не отпускающему эффекту, при котором человек самостоятельно не может освободиться от воздействия тока; в четвертых, воздействие тока вызывает у человека резкую реакцию отдергивания, а в ряде случаев и потерю сознания, что при работе на высоте может привести к травмированию в результате падения.
Электрический ток, проходя через тело человека, может оказывать биологическое, тепловое, механическое и химическое действия. Биологическое действие заключается в способности электрического тока раздражать и возбуждать живые ткани организма, тепловое - в способности вызывать ожоги тела, механическое - приводить к разрыву тканей, а химическое - к электролизу крови.
Воздействие электрического тока на организм человека может явиться причиной электротравмы. Электротравма - это травма, вызванная воздействием электрического тока или электрической дуги. Условно электротравмы делят на местные и общие. При местных электротравмах возникает местное повреждение организма, выражающиеся в появлении электрических ожогов, электрических знаков, в металлизации кожи, механических повреждениях и электроофтальмии (воспаление наружных оболочек глаз). Общие электротравмы, или электрические удары, приводят к поражению всего организма, выражающемуся в нарушении или полном прекращении деятельности наиболее жизненно важных органов и систем - легких (дыхания), сердца (кровообращения).
По величине тока, токи подразделяются на:
неощущаемые (0,6 - 1,6мА);
ощущаемые (3мА);
отпускающие (6мА);
неотпускающие (10-15мА);
удушающие (25-50мА);
фибрилляционные (100-200мА);
тепловые воздействия (5А и выше).
По ГОСТ 12.1.038-82 ССБТ "Предельно допустимые величины напряжений и токов. Электробезопасность". Факторы величины напряжения и время воздействия электрического тока, приведены в табл. 2.
Таблица 2. Допустимые величины не поражающих напряжений и токов.
|
Время действия, сек. |
Длительность(с) |
До 30 |
1 |
0,5 |
0,2 |
0,1 |
|
Величина тока, мА. |
1 |
6 |
50 |
100 |
250 |
500 |
|
Величина напря-жения, В. |
6 |
36 |
50 |
100 |
250 |
500 |
При кратковременном воздействии (0,1-0,5с) ток порядка 100мА не вызывает фибрилляции сердца. Если увеличить длительность воздействия до 1с, то этот же ток может привести к смертельному исходу. С уменьшением длительности воздействия значение допустимых для человека токов существенно увеличивается. При изменении времени воздействия от 1 до 0,1с допустимый ток возрастает в 16 раз. Кроме того, сокращение длительности воздействия электрического тока уменьшает опасность поражения человека исходя из некоторых особенностей работы сердца.
Постоянный и переменный токи оказывают различные воздействия на организм, главным образом, при напряжениях до 500 В. При таких напряжениях степень поражения постоянным током меньше, чем переменным той же величины. Считают, что напряжение 120В постоянного тока при одинаковых условиях эквивалентно по опасности напряжению 40В переменного тока промышленной частоты. При напряжении 500В и выше различий в воздействии постоянного и переменного токов практически не наблюдаются.
Исследования показали, что самыми неблагоприятными для человека являются токи промышленной частоты (50Гц). При увеличении частоты (более 50Гц) значения неотпускающего тока возрастает. С уменьшением частоты (от 50Гц до 0) значения неотпускающего тока тоже возрастает и при частоте, равной нулю (постоянный ток - болевой эффект), они становятся больше примерно в три раза.
Значения фибрилляционного тока при частотах 50-100Гц равны, с повышением частоты до 200Гц этот ток возрастает примерно в 2 раза, а при частоте 400Гц - почти в 3,5 раза.
Величина тока походящего через какой-либо участок тела человека, зависит от приложенного напряжения (напряжения прикосновения) и электрического сопротивления оказываемого току данным участком тела.
Между воздействующим током и напряжением существует нелинейная зависимость: с увеличением напряжения ток растет быстрее. Это объясняется главным образом нелинейностью электрического сопротивления тела человека. На участке между двумя электродами электрическое сопротивление тела человека в основном состоит из сопротивлений двух тонких наружных слоев кожи, касающихся электродов, и внутреннего сопротивления остальной части тела. Плохо проводящий ток наружный слой кожи, прилегающий к электроду, и внутренняя ткань, находящаяся под плохо проводящим слоем, как бы образуют обкладки конденсатора емкостью С и сопротивлением его изоляции R (рис.10). С увеличением частоты тока сопротивление тела человека уменьшается и при больших частотах практически становится равным внутреннему сопротивлению.

Рис. 10. Эквивалентное сопротивление верхнего слоя кожи.
При напряжении на электродах 40-45В в наружном слое кожи возникают значительные напряженности поля, которые полностью или частично нарушают полупроводящие свойства этого слоя. При увеличении напряжения сопротивление тела уменьшается и при напряжении 100-200В падает до значения внутреннего сопротивления тела. Это сопротивление для практических расчетов может быть принято равным 1000 Ом.
Сварочный осциллятор
В домашнем хозяйстве мастерового хозяина всегда найдётся сварочный аппарат. Как правило, это обычный трансформатор мощностью около 3 кВт, со вторичной обмоткой из медной или алюминиевой шины с сечением 25...30 мм2 и напряжением холостого хода 60...70 В.
Для сварки применяются электроды переменного тока, которые стали относительно дефицитными. Более предпочтительными являются электроды постоянного тока, но сварочный аппарат постоянного тока, работающий от однофазной сети пока достаточно редок. Причина тому - необходимость использования мощного дросселя, габариты которого соизмеримы с самим сварочным трансформатором. Кроме того, обязательными являются дорогие мощные диоды, установленные на больших радиаторах. Масса такого аппарата чуть не в два раза больше обычного. Конечно, массу сварочного аппарата можно уменьшить - для этого применяют трансформаторы и дроссели меньшей мощности и обмотки с меньшим сечением, а затем обдувают мощным вентилятором.
Для улучшения обдува обмоток трансформатор и дроссель располагаются в закрытом с боков корпусе, с торца которого установлен мощный вентилятор, воздушный поток которого проходит в зазоре между обмотками и железом и выходит с другого торца. Но существует способ, который позволяет удерживать сварочную дугу при использовании электродов постоянного тока на сварочных аппаратах переменного тока. Для этого на дугу подаётся мощный короткий импульс напряжением около 200 В, сдвинутый относительно начала полупериода примерно на 15 ... 20 градусов. Такое устройство называется сварочным осциллятором.
Схема устройства очень проста, не содержит активных элементов, а поэтому очень надёжна. Выход осциллятора подключается параллельно сварочной цепи, а сетевой шнур непосредственно на сетевые клеммы сварочного трансформатора. Категорически не допускается подключать сетевой шнур осциллятора не к сварочному трансформатору, а в сетевую розетку - в этом случае, при отключении сварочного трансформатора от сети, не отключив осциллятор, можно получить поражение электрическим током, т.к. на сетевой обмотке возникают очень мощные импульсы напряжением в несколько тысяч вольт.
При работе с осциллятором требуется соблюдать особую осторожность. При смене сварочного электрода обязательно выключать устройство. С осциллятора и сварочного аппарата переменного тока можно вести сварку не только обычными электродами постоянного тока, но и электродами для нержавейки, а также использовать оборудование в аппарате аргоновой сварки.
Работу с осциллятором можно несколько обезопасить, если применить схему с автоматическим отключением импульса при отсутствии дуги. Для контроля наличия дуги применяют трансформатор тока, через который подаётся сварочный ток. Осциллятор включается автоматически при появлении тока сварки, и отключается при его исчезновении через 2,3 сек.
Промышленные ограничители холостого хода
ОАО "ЭЛМИС" (Киев) приступило к производству ограничителя-стабилизатора сварочной дуги ТОН-2СД, обеспечивающий устойчивое горение сварочной дуги, автоматическое снижение напряжения холостого хода (до 12 В) после размыкания сварочной цепи. Возможно его использование с любым серийно выпускаемым трансформатором для ручной дуговой сварки с напряжением холостого хода 45-80 В.
Ограничитель-стабилизатор сварочной дуги ТОН-2СД дает возможность:
уменьшить потребление электроэнергии сварочным трансформатором в режиме холостого хода;
улучшить зажигание сварочной дуги;
обеспечить стабильное горение дуги переменного тока;
уменьшить разбрызгивание электродного металла при сварке;
выполнять сварку переменным током покрытыми электродами (типа УОНИ, ОЗЛ, ЦЛ и т. п.), предназначенными для сварки постоянным током.
ИИПТ НАН Украины предлагает новый универсальный блок снижения напряжения холостого хода ОНХХ-500 для переменного и постоянного тока. Блок предназначен для повышения электробезопасности сварочных работ и необходим при сварке в условиях повышенной опасности и особо опасных условиях эксплуатации (в замкнутых и стесненных условиях - туннелях, колодцах и т.п.). Блок должен эксплуатироваться совместно со сварочными трансформаторами, имеющими напряжение холостого хода не более 80В и номинальным током до 500А или со сварочными выпрямителями с напряжением холостого хода не более 100В и номинальным током до 500А.
Предприятие "ЮжНИИМФэлектро" (Киев) по заданию Госнадзорохрантруда разработало и освоило серийный выпуск энергосберегающих ограничителей напряжения холостого хода. Они обеспечивают необходимый уровень электробезопасности при производстве сварочных работ с применением сварочных трансформаторов и выпрямителей, имеющих напряжение холостого хода трансформатора в пределах от 42 до 80 В и номинальный (вторичный) сварочный ток до 500 А. Эти устройства имеют наименование "Выключатель напряжения холостого хода источников сварочного тока типа "ВИСТ-1" и выпускаются по ТУ У З1. 22505634.001 - 98.
Применение выключателей типа "ВИСТ-1" позволяет существенно экономить электроэнергию, так как при размыкании сварочной цепи выключатель полностью отключает сварочное оборудование от электрической сети, тем самым исключается режим холостого хода сварочного трансформатора, который забирает приблизительно 80% всего рабочего времени.
Конструктивное исполнение выключателей типа "ВИСТ-1" позволяет применять их с одно-, двух- и трехфазным сварочным оборудованием, в том числе имеющим в своем составе тиристорный выпрямительный блок. Быстрое действие выключателей при замыкании сварочной цепи позволяет выполнять все виды электросварочных работ.
Расчет ограничителей
Как известно опасность для жизни человека представляет не напряжение, а ток. Поэтому для обеспечения безопасности при работе со сварочным трансформатором можно предложить 2 схемы решения. Первый выход - ограничить ток, который может пройти через тело человека, при прикосновении на холостом ходу к обоим электродам.
Второй - ограничить напряжение холостого хода. Поэтому в работе предложены 2 схемы.
Первая схема - ограничитель тока, вторая ограничитель напряжения холостого хода.
Ограничитель тока
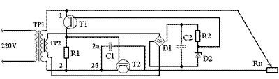
Схема ограничителя тока приведена на рис. 11. Принцип работы схемы следующий: при замыкании цепь вторичной обмотки по ветке 2а пойдет ток. Его значение ограничивается конденсатором С1. На вторичной обмотке трансформатора ТP2 по закону Фарадея появляется э.д.с. индукции 5В. Напряжение со вторичной обмотки выпрямляется диодным мостом D1, конденсатором С2 сглаживаются пульсации. В итоге на стабилитроне D2 получаем стабильное напряжение 4В, которое поступает на затвор транзистора Т1. Транзистор Т1 открывается и на резисторе R1 появляется напряжение, достаточное чтобы открыть мощный IGBT транзистор T2. После этого ток идет по ветке 2б. При размыкании цепи транзистор T2 закроется.

Рис. 11. Схема ограничителя тока.
,
где I = 5 мА-безопасный для человека ток,
согласно таб. 2, U = 60 В-напряжение на
вторичной обмотке трансформатора T1,
,
где f = 50 Гц-частота переменного тока в
сети.
D1-диодный мост КЦ405А, максимально допустимый ток которого намного превышает текущий по нему в схеме.
С2=200мкФ,( 20V).
,
резистор нужен для задания нужного
режима работы стабилитрона. В данном
случае режим работы задается током в
10мА.
D2-стабилитрон 2С139А
R1=100
,
падение напряжения на нам подается на
затвор Т2.
T1-транзистор КТ504А.
T2-мощный IGBT транзистор IPT30GT60AR (фирма Advanced Power Technology), максимальный постоянный ток до 80А, ток текущий в схеме зависит мощности трансформатора и обычно не превышает 70А.
Rn - эффективное сопротивление плазменного канала дуги, составляет единицы Ом.
Ограничитель напряжения
Схема ограничителя напряжения приведена
на рис.12. Принцип работы следующий: пока
вторичная цепь трансформатора не
замкнута ток по первичной цепи идет
через конденсатор С2, поэтому э.д.с.
индукции, наведенное во вторичной
обмотке будет равна
,
что, согласно табл. 2, составляет безопасное
значение 5В. Для этого ток первичной
обмотки согласно закону Фарадея
необходимо уменьшить в k раз, где
,
где 60В это значение напряжения во
вторичной обмотке без ограничения, 5В
это значение напряжения во вторичной
обмотке после ограничения.
Конденсатором С3 ограничен максимальный допустимый ток в низковольтной цепи. Максимальное значение тока составляет I=40мА, этого вполне достаточно для открытия стабилитрона и транзисторов. Следовательно, значение емкости не должно превышать

Заключение
Мы рассмотрели принцип работы сварочного аппарата, виды и типы современной сварки, некоторые особенности работы со сварочным оборудованием. Обратили внимание на технологию изготовления тех или иных сварочных принадлежностей, и выяснили условия безопасной работы с электросварочным оборудованием. Ознакомились со сварочной терминологией и узнали, как правильно произвести расчет сварочного трансформатора. Разработали несколько схем, зачищающих сварщика от поражения электрическим током.
Список литературы
1. Вересов Г. П. Электропитание бытовой РЭА. М.,1983.
2. Белопольский И. И., Пикалова Л. Г. Расчет трансформаторов и дросселей малой мощности. М.-Л.: Госэнергоиздат, 1963. - 272с.
3. Сидоров И. Н., Скорняков С. В. Трансформаторы бытовой РЭА. М.: Радио и связь, 1994. - 367с.
4. Каретников К. А. Расчет трансформаторов и дросселей. М..:, 1973. - 272с.
5. Эраносян С. А. Сетевые блоки питания с высокочастотным преобразованием. Л.:Энергоатомиздат, 1991.
6. А. С. 1317420 СССР, МКИ 05 1/569 Источник питания с бестрансформаторным входом.
7. Простаков В. Г. Открытия, изобретения. 1987.N22.
8. Петров А. Эффективный импульсный стабилизатор напряжения. Радиолюбитель. N1, 1993, с. 29,
Для подготовки данной применялись материалы сети Интернет из общего доступа