Шпаргалки по метрологии
Шпаргалки по метрологии
Томск, 2007 г.
1. Классификация измерений. Прямые, косвенные, совместные, совокупные.
Измерение- нахожд.знач. ФВ опытным пустеем с помощью спец.тех.средств.
Измерение имеет ряд хар-к: Принцип изм., Метод изм., Качество изм.(Точность, Сходимость, Правильность, Погрешность, достоверность, воспроизведение)
Классификация измерений:
1.по хар-ке точности – равноточные, неравноточные;
2.по числу изм. –однократные, многократные;
3.по отношению к изменению изм.В- статические, динамические;
4.по метрологическому назначению – технические(не связанные с передачей ФВ), метрологические(связанные с передачей размера ФВ)
5.по выражению результата измерений- абсолютные, относительные;
6.по приемам получения результата - Прямые, косвенные, совместные, совокупные.
ПРЯМОЕ ИЗМЕРЕНИЕ
Измерение проводимое прямым методом, при котором искомое значение ФВ получают непосредственно из опытных данных.
КОСВЕННОЕ ИЗМЕРЕНИЕ
Измерение, проводимое косвенным методом, при котором искомое значение ФВ определяют на основании результатов прямых измерений других ФВ (аргументы), функционально связанных с искомой величиной (известная функциональная зависимость).
Во многих случаях вместо термина "косвенное измерение " применяют термин "косвенный метод измерения".
СОВОКУПНЫЕ ИЗМЕРЕНИЯ
Проводимые одновременно измерения нескольких одноименных величин, при которых искомые значения величин определяют путем решения системы уравнений, получаемых при измерениях различных сочетаний этих величин.
СОВМЕСТНЫЕ ИЗМЕРЕНИЯ
Проводимые одновременно измерения двух или нескольких неодноименных величин для определения зависимости между ними.
2. Классификация методов измерения. Метод непосредственной оценки и метод сравнения с мерой.
Принцип измерения- физ.явл. на которомосновано взаимодействие СИ с объектом измерения.
Методом измерения наз.совокупность приемов сравнения изм.ФВ с ее единицей.
Классификация:
1.по физ.принципу- электрические, магнитные, акустические, механические, оптические..
2.по режиму взаимод. СИ с единицей.изм: статические и динамические.
3.по виду изм.сигналов: аналоговые и цифровые.
4.по совокупности приемов:
-метод непосредственной оценки, знаечние ФВ опред.непосредственно подсчетному устр-ву прибора.
-метод сравнения с мерой, изм.В сравниваемс образцовой В меры:
а)противопоставление, изм.В и мера одновременно воздействует на прибор сравнения с помощью которого устанав.соотношение м/у ними.
б)дифференциальный, на прибор воздействует разность измеряемой и образцовой.
в)нулевой, действие изм.В на прибор полностью уравновешивается образцовой.
г)замещение, изм.В последовательно во времени замещают образцовой, изменяя ее до того же показания прибора, которое было при изменение не известной В.
д)совпадение, изм.В определяют по совпадению разметок шкал или периодических сигналов.
е)дополнения, значение изм.В дополняется образцовой, с таким расчетом, чтобы на прибор воздействовала их сумма, равная заранее заданному значению.
3. Классификация средств измерения. Их характеристики.
Для реализации любого вида измерений необходимы специальные технические средства – средства измерений.
1)Классификация по роли вып-й в системе обеспечения ед-ва измерений:
Метрологические СИ(учавствуют в передачи размерности единицы) и рабочие СИ.
2)По уровню автоматизации: неавтоматические, автоматизированные, автоматические.
3)По уровню стандартизации: стандартизованные и нестандартизованные.
4)По отношению к изм.ФВ: основные и вспомагательные.
5)Классификация по функциональному назначению: Меры ФВ(СИ, пред.для воспроизведения ФВ зад.величины), Средства сравнения(компоратор, СИ длясравнения 2-х однородных величин), Измерительные преобразователи(СИ предназ.для выр.сигнала изм.инф-ии в форме, удобной для передачи дальн.преобразования, обр-ки и хран-я, но непод.непоср.воспр.), Измерительные приборы(СИ, предназнач.для выр-я сигнала в форме цдобной для человека), Измерительные установки(Совместимость функцион.объед-х СИ и вспомогательных устр-в, располож.в одном месте, и предназ-х для выполнения массовых технологических изм.), Измерительные системы(Совместимость функционально объед. изм., выч. и вспомогательных средств для получения измерительной информации, ее преоб-я и обработки с целью представления потребителю в требуемом виде, либо автомат. осуществляя ф-й контроль, значения, идентификации).
Меры, измерительные преобразователи и средства сравнения называют элементарными СИ. Они позволяют реализовать отдельные операции прямого измерения.
Все остальные СИ наз.комплексными. Они позволяют реализовать всю процедуру измерения.
Хар-ки СИ.
Метрологические:
1.Ф-я преобразования(статич.хар-ка преобразования) у=F(x)
2.Чувствительности СИ /S= Δ y/Δx при Δx->/ -абс
/Sот= Δ y/Δx/x / - относит.
3.Постоянная прибора C=1/S
4.Порог чувствительности(наим. Изсенение измВ, которое вызывает видимое измен вых. Сигнала)
5.Предел чувствительности(мин.В входного сигнала, обесп-я норм.рапотоспособность прибора).
6.Диапозон изм-й(обл-ть зн-ий изм-й величины, для кот.нормированы допускаемы погрешности СИ) Область значение м/у max и min значениями наз-ся диапозоном показаний, а само max значение – пределом шкалы.
7.Обл-сть рабочих частот(диапазон частот)
8.Цена деления шкалы.
9.Разреш-ся способность – мин.разность двух значений ФВ, которая м.б. различима
10.Входное полное сопротивление.
11.Выходное полное сопротивление.
12.Быстродействие хар-т скорость изм-й: макс.число измерений в единицу t.
13.Погрешности.
Не метрологические хар-ки: Вес, габариты, напрежения питания и др.
4.Классификация погрешностей.
Действительные значения ФВ – найденное экспериментальным путем и настолько близкое к истинному значению, что для поставленной истинной задачи может его заменить.
Классификация:
1)по способу выражения:
а) абсолютная Δ= Хизм- Хист
б) относительная δ= Δ/Хист*100%
в) δпр – приведенная относительная погрешность δпр= Δ/Хнормир.= Δ/Хшк*100%
2)по природе возникновения:
а)методическая, обусловлена упрощениям допущения при выборе модели измерения, несовершенства метода.
б)инструментальная(приборная, аппаратурная)-погрешность установки.
в)внешняя погрешность(за счет влияющих факторов)
г)субъективная или личностная погрешность. Ошибки оператора при отсчете показания. Отсутствие цифровых приборов.
д)погрешность вычисления.
3)В зависимости от поведения изм.В во времени различают погрешности.
4)По условию измерения СИ:
а) основная погрешность СИ, при нормальных условиях эксплуатации, влияющие величины лежат в нормальных границах.
б)дополнительная погрешность, при выходе влияющей величины за пределы нормали.
Погрешность сил в реальных условиях наз.рабочей.
5)По хар-ру зависимости о т изм.В: адьетивную(не зависит от ИВ) и мультипликативную(зависит)
6) По хар-ру проявления:
а)систематические, которые остаются не изменными. Могут быть предсказаны, определенны и устранены. Хар-ет првильность результата.
б)случайные, при повторном измерение одной и той же велечины, изменяется случ. В виде разброса. Хар-ет сходимость результата.
в)грубые погрешности(промахи) погрешность, величина которой существенно превосходит погрешность условленной экспериментом. Промахи выбрасывают из результата. Промахи влияют на годность измерений.
5. Систематические погрешности. Методы обнаружения, методы исключения.
Классификация:
1. По хар-ру изменения во времени:
-постоянные
-переменные
А)монотонно-изменяющиеся
Б)периодические
В)прогрессирующие(дрейфовые)
2.По источнику:
-методические(опред. Путем анализа метода измерения)
-инструментальные
-личностные
Методы устранения:
-Устранение источников погрешности до начала имерения(профилактика)
-Внесение поправок в результат измерения. Результат изм., сод. Систематическую погрешность наз неисправленным. Если же погрешность устранена, то результат исправленный
Хизм=(х+ Δx)+а, а= - Δx – поправка
-Исключение погрешности в процессе измерения(коррекция)
Понятие несключенного остатка систематической погрешности(НСП)
Δx+- Δ Δсист
В рез-те измерения всегда есть НСП. Обозначается θ.
Сама НСП носит детерминированный хар-р, но в дальнейшем обрабатывается по правилам случ.величин.
6.Случайные погрешности. Законы распределения, точечные оценки.
F(x)=P(x<X). Интегральный закон

F’(x)=p(x)
дифференциальный закон
P(a<x<b)=∫p(x)dx
∫p(x)dx=1
Начальный момент
Ls[x]= ∫ xsp(x)dx
1)M[x]= ∫ xp(x)dx
Мат.ожидание-фигуры:

Величина мат.ожидания – сист.погрешность
2) Мs[x]= ∫ (x-м)sp(x)dx – центральный момент
D[x]=G2=∫ (x-м)2p(x)dx
G- средне-квадратическое отклонение(СКО)
3) Sk=M3/G3 харак-ет ассиметрию закона распределения

4) Эксцесс
E=(M4/G4) – 3 хар-ет островершиность

Контрэксцесс e=1/^E
5) Квантиль Хр

Значение случ.величины для которой вероятность р
6)коэффициент корреляции
rij=kji/GiGj
-1<r<1
Законы распределения случ. Погрешностей
Равномерный

2. Трапециадальный
Хар-ет закон распределения двух величин с равномерным законам, но в разных границах.

3. Закон Симпсона(треугольный закон распределения)

Хар-ет сумму двух составляющих, кот.распределены равномерными законами в одних интервалах.
4. Лапласа
5. Арксинусоидальный

6. Закон Гаусса (нормальный закон распределения)



7. Статистические оценки случайных погрешностей. Определение доверительных интервалов погрешностей.
При n неравной бесконечности мат.ожидание не точно определяется.
Оценки:

1.max значение погрешности
2. G- СКП
3. Интервальная (квантильная) оценка – значение погрешности Е с заданной доверительной вероятностью, как границ интервала на протяжение которого встречается Рд всех возможных значений погрешности.
P(|Δx|<E) = Pд
(Хизм-Е)<Xист<(Хизм+Е)
Е=tPдG
Для нормальных изм Рд=0,9
Для радиоэл-х Рд=0,95
Определение доверительного интервала случайных погрешностей.
Для нормального з-на
=F(E)-F(-E) t=E/G
Рд=Ф(E/G)-Ф(-E/G)=Ф(t)-Ф(-t)=2Ф(t)
tн=Ф-1(Рд/2) ->tн(Рд)
Рд=0,9, tн=1,643
Рд=0,95, tн=1,96
Рд=0,975, tн=2,247
Eрд = tн(Рд)*S
X – распределение ср.ариф-го, рассчитанного по конечной выборке из нормально распределений генеральной совокупности наз. Распределение Стьюдента.
ts(Рд,n)
Ex=ts*Sx= ts(Рд,n)S/^n
При n больших, tn=ts.
При малых n tn и ts сильно различаются, если n>=30-40 tn=ts.
8. Погрешности СИ, их нормирование. Классы точности СИ.
ΔХси=Хси-Хдст
ΔХмеры=Хм.ном-Хм.дст
(Хм.ном-номинальное знаечние меры;
Хм.дст-дейст.знаечние ФВ, воспроиз.мерой)
Нормирование погрешности рабочих СИ производится по пределу суммы сист. и случ. Погрешности.
Классы точности – одна един.цифра в % хар-ет погрешность прибора.
9. Определение результата и погрешности косвенных измерений.
Y=F(x1,x2..xn)
Δyсист=
Δi=Δiсист+Δiсл
10. Обработка результатов прямых равноточных измерений. Идентификация закона распределения случайных чисел. Критерий Пирсона.
11.Правила суммирования погрешностей.(НСП и случайные погрешности)
1) суммирование систематических погрешностей.
M[x+y+z]=M[x]+M[y]+M[z]
,
Где k(0,9)=0,95, k(0,95)=1.1, k(0,99)=1,4
-по
равновероятному з-ну СКП
2)Случайные погрешности

Для зависимых
rij=+1 , S=S1+S2
rij=-1, S=S1-S2
Для независимых:
rij=0,

Ei -> tiSi ->Si=Ei/ti, а потом суммирование по общим правилам.
EΣ=tΣ-SΣ, если Рд=0,9 tΣ=1,6; Рд=0,95, tΣ =1,8
3)Сумма случайных и систематических погрешностей
Если отношение
,
то определяется

а
(НСП принебригают)
:
(случ.погр. принебригают)
Если
,
,
где
,

12.Сигналы измерительной информации.
Сигнал функционально связывающий с измеряемой ФВ, наз.сигналом измерительной информации.
1. Непрерывный по информативному параметру и по времени.
-амплитудная модуляция АМ
-частотная ЧМ
-фазовая ФМ
2. Непрерывная по инф-му пар-ру и дискретна во времени.
АИМ, ЧИМ, ШИМ

3.Непрывные по времени, квантованные по инф.парам.

4.Квантованные по инф.парам и дискретные по времени
Кодоимпульсные сигналы.

Представление сигналов.
1. Временное представление
U(t)=Um*Sinωt
y(t)=

2. Спектральные пр-е
y(t)=A0+
- ряд Фурье для периодических сигналов
Амплитудный спектр:

Фазовый спектр:

13.Электромеханические приборы – магнитоэлектрической системы, электромагнитной, электромеханической систем, электростатической системы. Принцип действия, уравнения шкалы, области применения, условные обозначения на шкале.
Аналоговыми наз. Приборы, показания которых являются непрерывной ф-ей измерений величины.
э/мех приборы состоят:
-измерительная цепь
-измерит.мех-зм
-отсчетное устр-во
-вспомогательное устр-во(успокоитель,корректор, арретир)
Изм.мех-м преобразует энергию э/маг поля в поворот вращающийся части прибора.
Мвр=dWэм/dα – вращающийся момент
Мпр=W*α – противодействующий момент.
Логометр – прибор, в котором противодействующий момент созд.электр.полем.
Вспомогательное уст-во: Успокойтель гасит колебания стрелки. Арретир – только в гальванометрах, не позволяет им выходить из строя.
1. магнитоэлектрическая система
Вращающийся момент возникает в результате взаимодействия магн.поля простого магнита и магнитного поля катушки с током.
Достоинства:
-высокая чувствительность до нА
-высокая точность
-малое собственное потребление жнергии
-слабое влияния внеш.полей
-низкая температурная погрешность
-линейная и стаб-я хар-ка преобрпзования.
Недостатки:
-малая перегрузочная способность по току.
-сложность, дороговизна.
Применение:
Основной прибор(индикатор) в электронных СИ.
Гальвонометры, Логометры
2.Электромагнитная система.
Вращающийся момент за счет взаимодействия одного или нескольких ферромагнитных сердечников подвижной части и магнитного поля неподвижной катушки.
Достоинства:
-простота констукции
-способность выдерживать высокие нагрузки и перегрузки
-измер и пост.и переем.ток
-дешевизна
-надежность
Недостатки:
-низкая чувствительность
-малая точность
-сильное влияния внеш.полей
Применение: основная часть счетовых приборов. Для измерения токов, напряж-й, частот, фаз и тп.
3. Электромеханическая система
Вращ.момент за счет взаимодействия магнитных полей неподвижной и подвижной катушки.
Достоинства:
-достаточно точны
-изм. Постоянный и переменные токи до 10кГц
-высокая стабильность св-в
Недостатки:
-низкая чувствительность
-влияния внешних полей
-сложность в изучение
-мала перегрузная способоность
Применение: Для изм-я пост/перем токов и напр-й, мощ-ти, разности фаз и тд.
4.Электростатические
Вращающий момент за счет взаимод-я 2-х систем зар-х проводников, один из кот-х неподвижный, а другой подвиж.
Силы взаимодействия э/с полей в порядки раз меньше, чем у э/м полей.
Достоинства:
-малое собственное потреб-е
-слабая чувст-ть к частоте и форме напр-я
-возм-ть измерения выс-х напр-й до 100 кВ
Недостатки:
-малая чувствительность
-сильное влияние внеш.полей
Применение: для изм-й напр-й в диапозоне частот до 100 кГц и до 100 кВ.
14.Электромеханические приборы с преобразователями – выпрямительные и термоэлектрические. Принцип действия, дост и недост, применение.
а)выпрямительные приборы, выполнены чаще всего на полупроводниковых диодах, исп. Однополупериодные и двух-полупериодные.
Достоинства:
-работает с любыми пер-ми токами и напр-ми.
-диапазон частот до ГГц
Недостатки: Маленький
б) термоэлектрический
Достоинства: высокая точность в изм-м диапозоне частот при любой форме сигнала.
Недостатки:
-малая перегру-я спос-ть
-зависимость показ.от температуры окр.ср.
-ограниченный срок службы.
15. Классификация цифровых измерительных устр-в. Основные хар-ки цифр.уст-в.
Цифр.изм.прибором наз.прибор автоматически вырабатываемый дискретные сигналы измерит. инф-ии, показания кот-го представлены в цифровой форме.
Процесс, включающий в себя дискретизацию, квантование и кодирование вх-й величины наз.аналого-цифровым преобразованием.
16. Вольтметры постоянного напряжения. Компенсаторы.
17. Вольтметры переменного напряжения. Классификация. Обобщенные структурные схемы. Виды детекторов.
1) прямого преобразования
U(t)àПà УПТà ИМ
U(t)à Упà Пà ИМ
Напряжение измеряется путем преобразования его в постоянное напряжение.
Преобразователи переменного тока в постоянный существует 3 вида детектора:
Um(амплитудный), Uср.в(средневыпрямленное значение), Uд(среднеквадратичное значение)
2)уравновешенные преобразования
0100090000037800000002001c00000000000400000003010800050000000b0200000000050000000c02c4012105040000002e0118001c000000fb021000070000000000bc02000000cc0102022253797374656d000121050000426300008047110004ee8339a8feef050c020000040000002d01000004000000020101001c000000fb02ceff0000000000009001000000cc0440001254696d6573204e657720526f6d616e0000000000000000000000000000000000040000002d010100050000000902000000020d000000320a2d00000001000400000000002105c201200f1600040000002d010000030000000000
ВУ содержит делитель, ПОС- преобразователь цепи обратной связи
18. Влияния формы кривой напряжения на показания вольтметра переменного тока.
U(t)àД àШкала
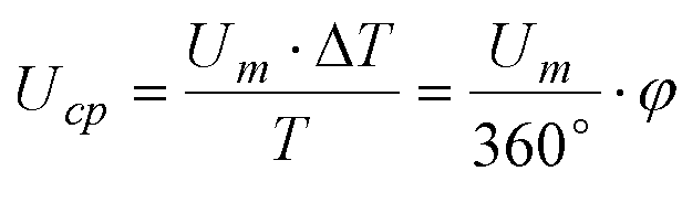
Uш*0,707 = Ап1
Uср.в.*1,1=Ап2
U*1=Ап3


Um=max(U(t))
C1*Ums=Us
C2*Uср.вs=Us
C3*Us=Us
C1,C2,C3- градуирующий коэффициент
С1=Us/Ums=1/Kas=1/^2=0,707
C2=Us/Uср.вs=Kфs=1,11
U(t)àЭл.цепьàV
19. Цифровые вольтметры с время импульсным преобразованием.
В основу работы цифровых вольтметров постоянного тока с время-импульсным преобразованием положен время-импульсный метод преобразования постоянного напряжения в пропорциональный интервал времени с последующим измерением длительности интервала цифровым способом. Структурная схема вольтметра

Измеряемое напряжение подаётся на входное устройство, в котором напряжение приводится к некоторому номинальному пределу с помощью делителя напряжения и далее поступает на усилитель постоянного тока. В усилителе оно усиливается до величины, не превышающей максимального уровня сигнала генератора линейно-изменяющегося напряжения (ГЛИН), чтобы обеспечить сравнение этих напряжений. Запуск схемы осуществляется управляющим устройством, импульсы которого одновременно производят сброс счетчика перед каждым измерением и срабатывание формирователя измерительных импульсов. Работа цифровой части вольтметра поясняется временными диаграммами:

Импульсы управляющего устройства (а) запускают ГЛИН, вырабатывающий симметричное линейно-изменяющееся напряжение (6). Это напряжение, являющееся образцовым, поступает на устройство сравнения (компаратор) двух напряжений, где производится сравнение измеряемого напряжения с выхода усилителя постоянного тока и напряжения ГЛИН. В момент равенства двух напряжений устройство сравнения вырабатывает импульс (г), которым производится срабатывание формирователя импульсов, роль которого выполняет триггер с раздельным запуском. Другое срабатывание триггера осуществляется импульсом управляющего устройства, проходящего через линию задержки, осуществляющую задержку импульса на величину, равную половине прямого хода сигнала ГЛИН (в). Таким образом длительность импульса формирователя (д) будет пропорциональна измеряемому напряжению Δt = kUx, где к - коэффициент пропорциональности, характеризующий угол наклона пилообразного напряжения. Импульс формирователя поступает на ключ, пропускающий за это время сигналы генератора счетных импульсов на вход счетчика. Цифровое измерительное устройство отображает на цифровом табло количество счетных импульсов N = Δtf0 (е). Полярность измеряемого постоянного напряжения определяется очерёдностью срабатывания формирователя импульсов и соответствующий сигнал «-» или «+» подаётся в цифровое измерительное устройство.
Погрешности: зависит от линейности и отклонения скорости изменения пилообразного напряжения от номинальной, стабильности частоты генератора счетных импульсов, чувствительности сравнивающего устройства, точности установки импульса нулевого уровня и др.
Недостатки: влияние различных помех на результат измерения.
По лекциям:
UxàTxàN
а) с помощью линейно-измен. Напряжения
б) интегрирования
а)


tx=Ux/Vмин
N=tx/T0=fotx=f0/Vмин*Ux
Причины возникновения погрешности:
-нестабильность ЛИН
-Настабильность частоты ГОЧ
-погрешность дискретности (Δ+-t0; δ=1/N)
20. ЦВ, исп. Метод двойного интегрирования.
Uàtx


T1*Ux=U0*T2
Ux=T2/T1*U0=N2*T0/N1*T0=U0/N1*N2
Uвып=∫Uxdt=Uxt
Прибор помехоустойчив
Причины возникновения погрешностей:
-интегратор не идеален.
-СУ имеет порог чувствительности
21. Цифровые интегрирующие вольтметры(с частотно-импульсными преобразованиями)
UxàfxàN


Fx=k*Ux
N=Tизм/Tx=Тизм*Fx=Tизм*K*Ux
Причины погрешности:
-неидеальность интегратора
-порог чувствительности СУ
-нестабильность U0
-нестабильность Тизм
-стандартная погрешность дискретности
Общие погрешности дост-т порядка 10-4 – 10-5
22. ЦВ уравновешивающего преобр-я


Погрешности: погрешности ЦАП и порог чувствительности СУ.
23. Структура и принцип действия универсального электронного осциллографа. Основные характеристики.
Универсальные С1-…
Для исследования периодических сигналов в полосе частот до 500 мГц. Амплитуда от мВ до 100В. Длительность сигнала от мс до с. Осциллограф в реальн. масштабе времени.

Y – канал вертикального отклонения:
1)ВУ обеспечивает высокое входное напряжение, коммутирующий емк-ть, открытый и закрытый вход, тут же стоит делитель.
2)ПУ- предварительный уселитель.
3)ЛЗ – линия задержки(не во всех приб.=0,1 мкс) для возможности просмотра переднего фронта импульса.
4)Вых У – выходной усилитель для усиления сигнала до полн.отклонения луча экрана.
Х – канал горизонтального отклонения:
ГР – генератор развертки. Для формирования пилообразного напряжения развертки, обеспеч. Линейного перемещения луча.
Тр=nTс, n=1,2,3
Tp=tпр+tобр
Изменяет масштаб изображения по горизонтали.
Требование:
-высокая линейность напряжения
-большой диапазон частоты
БС- блок синхронизации и запуска. Для получения устойчивого изображения сигнала.
УГО – усилитель горизонтального отклонения, увеличивает сигнал развертки, чтобы луч мог двигаться полностью по экрану.
Канал Z предназначен для установки яркости изображения.
КА и КД –калибраторы амплитуды(длительности). Для повешения точности измерения путем поминального значения коэффициента развертки.
Режим работы осциллографа:
1. Автоколебательный – режим непрерывной развертки. Для анализа периодических сигналов с небольшой скважностью.
2. Ждущий. Для исследования импульсов с большой скважностью.
3. Однократный(не во всех)
4. Растягивание во времени путем измен.коэф-та УГО.
5. Быстрой/медленной развертки(не во всех)
Виды развертки: Линейная развертка, круговая, спиральная.
Основные хар-ки:
1.АЧХ
2.Переходная – отклик на экране осциллографа на скачок напряжения на входе У

3. Коэффициент отклонения
Kо=1/Sч, Sч=Кус*Sэлт
Ко=U/ly [В/дел]-масштаб по У
4.Коэффициент развертки
Кр=tпр/lx [c/дел]
V=lx/tпр – скорость движения луча.
5. Zвх
НЧ Rвх>=1 МОм; Свх=30-50 пФ
ВЧ Rвх>=0,5 МОм; Свх = 3-5 пФ.
24. Осциллографические методы измерения параметров сигналов. Погрешности измерений.
1) U=Kотк[V/дел]*ly[дел]*Mo; Мо=1;10
2) t=Кр[c/дел]*lx[дел]*Мр
Погрешности
Систематические:
1)
Uизм*b=Uдейст
2)


3) случайная визуальная погрешность
Δобщ = 0,4*q/l
q – ширина луча(из пасп. данных)
25. Цифровые осциллографы
26. Времяимпульсный измеритель временных интервалов. Принцип действия, структура, погрешности.
tàN
структурная схема:
где
Эпюр напряжения:


Погрешности:
-относительная нестабильность ГОЧ
-погрешность дискретности. Определяется значением периода счетных импульсов То.
-погрешность δф преобразования(нестабильность порога срабатывания формирователей)
27. Нониусный измеритель временных интервалов.
Данный метод позволяет уменьшить обе составляющие погрешности – в начале измеряемого интервала и в конце.
Реализация метода:

Импульс «старт» запускает генератор ГОЧ1. Импульсы с периодом Т1 поступают на счетчик СЧ1, где подсчитываются. Импульс «стоп» запускает ГОЧ2 с периодом повторения нониусных импульсов Т2 = Т1 - ΔT = Т1 -Т1/р, обычно р = 10,100. Число этих импульсов подсчитывает СЧ2. Импульсы с ГОЧ1 и ГОЧ2 поступают на входы схемы совпадения СС, на выходе которой при совпадении счетных и нониусных импульсов возникает импульс «останов», срывающий работу обоих генераторов. При этом количество импульсов N1 и N2 фиксируется счетчиками. Арифметическое устр-во АУ рассчитывает величину временного интервала
tx = (N1 -1)Т1 - (N2-1)Т2 =T1(N1-N2) + Т1/р(N2-1)
где величину ΔT =T1/p, определяющую шаг дискретизации, называют шагом нониуса.
Видно, что дискрет измерения tx уменьшается в р раз. Но выбирать большие значения р нецелесообразно, так как начинают преобладать другие виды погрешностей (нестабильность управляемых ГОЧ, погрешности определения момента совпадения импульсов и т. д.).
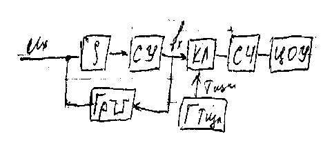
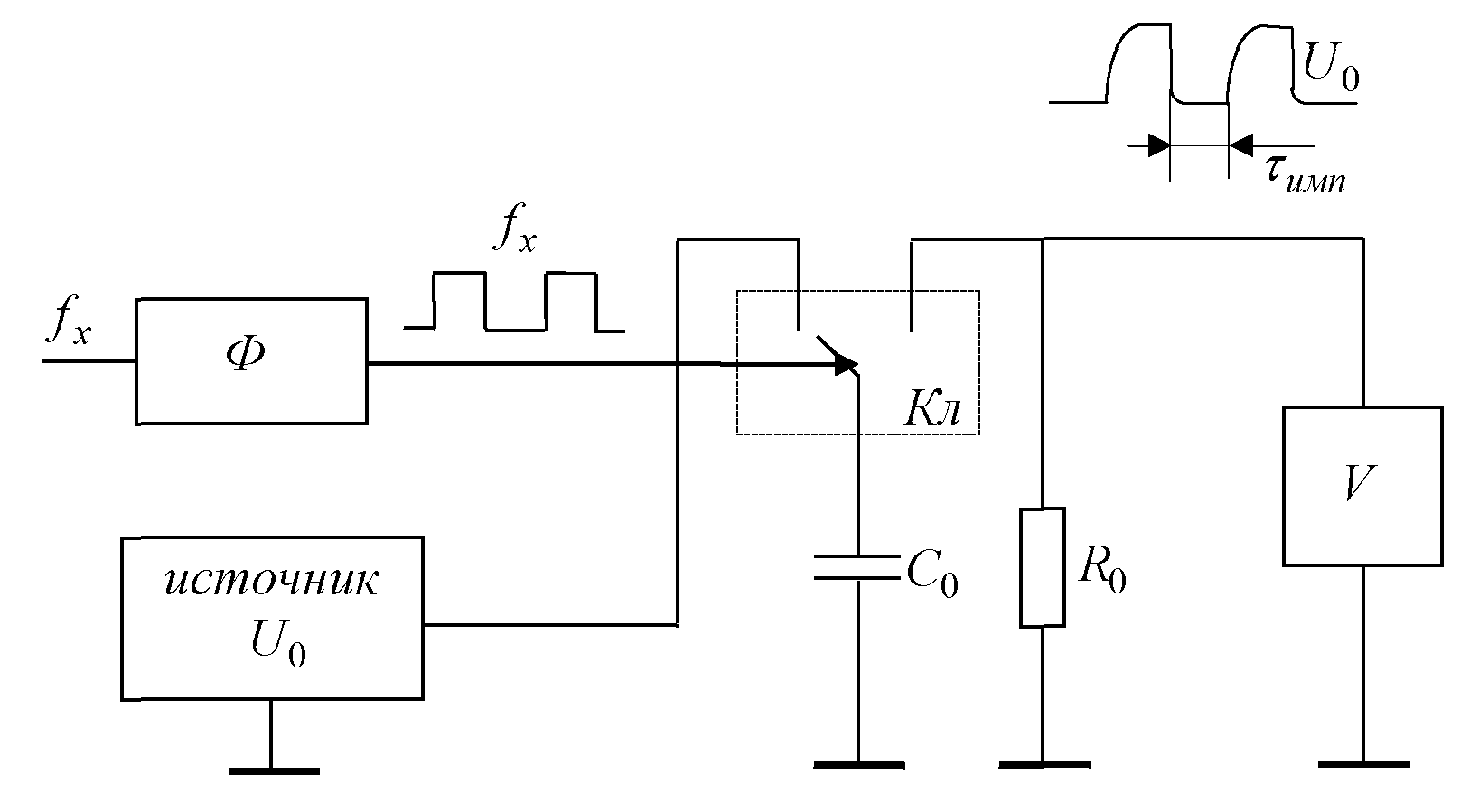
28. Электронные аналоговые частотомеры(в том числе резонансные)
1)Аналоговые электронные частотомеры применяются для измерений в более широком диапазоне частот (от 10 Гц до нескольких МГц). В основном используют преобразование частоты в напряжение, которое затем измеряется магнитоэлектрическим прибором.
Схема:

Формирователь Ф из входного сигнала формирует последовательность импульсов частотой fx, управляющем переключателем Кл. Работа основана на заряди емкости Со от источника образцового напряжения Uо с последующим разрядом через сопротивления Ro. На Ro формируются импульсы с постоянной площадью, среднее значение которых
Измеряется вольтметром V. Погрешность определяется в основном стабильностью Ro, Co, Uo и вольтметром. Классы точности 0,5-2,5.
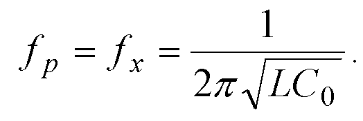
2)Резонансные частотомеры
Работа прибора основана на явление резонанса в колебательном контуре.

Справедливо при резонансе, а значит fx=fp.
Метод в основном используется в диапазоне высоких и сверхвысоких частот (от МГц до десятков ГГц). Погрешность определяется добротностью контура, чувствительностью индикатора, точностью градуировки шкалы, температурой и влажностью окружающей среды. Классы точности частотомеров 0,05-0,5.
29. Цифровые частотомеры
В настоящее время нашли наиболее широкое распространение. Основаны на том, что для измерения частоты fx периодического сигнала достаточно сосчитать число его
периодов за известный интервал времени То . Результат измерения определяется соотношением

Схема:


Формирователь Ф из Uвх формирует импульсы с частотой fx. Устройство управления УУ формирует из стабильных колебаний генератора образцовой частоты ГОЧ с помощью делителя частоты ДЧ строб-импульс длительностью То, открывающий ключ Кл. За время То на счетчик Сч проходит N импульсов с периодом Тх. Обычно берут T = 10-к с (К = 0, 1, 2 . . .), тогда fx= N*10-k Гц. Значение множителя 10-k учитывается положением запятой или включением соответствующей надписи (Гц, кГц, МГц и т. д.) на цифровом отсчетном устройстве ЦОУ.
Погрешности:
-нестабильность ГОЧ
-погрешности дискретности
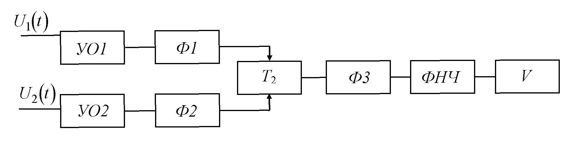
30. Цифровые фазометры с времяимпульсным преобразованием
Этот метод нашел широкое распространение, т. к. позволяет несколько уменьшить погрешность измерения по сравнению с рассмотренными ранее вилами фазовых измерения. При этом различают:
а) Фазометры с измерением за один период (фазометры мгновенных значений фазового сдвига).


Формирователь
Ф и устройство управления УУ из входных
сигналов создают последовательность
импульсов с длительностью ΔТ.
Ключ КЛ1 открывается на время Т, а КЛ2 на
время ΔТ.
Пропуская на счетчики СЧ1 и СЧ2 импульсы
с частотой fo с генератора образцовой
частоты ГОЧ. Счетчик СЧ1 осуществляет
подсчет числа счетных NT, соответ периоду
Т, а счетчик СЧ2- числа счетных импульсов
NΔT, соответ.
периоду ΔT. В
АЛУ осуществляется вычисление величины
фазового сдвига
которое отображается в цифровом отсчетном устр-ве ЦОУ.
Погрешность:
-нестабильность ГОЧ
-дискретность кодирования интервала
б) Фазометры с постоянным временем измерения (фазометры с усреднением ).


Формирователь Ф формирует импульсы длительностью ΔТ, пропорциональной измеряемому фазовому сдвигу. Ключ КЛ1 открывается на время ΔТ и пропускает N счетных импульсов частотой fо с генератора образцовой частоты ГОЧ. Ключ КЛ2 открыт на длительное время измерения Тизм , формируемое устройством управления УУ с помощью делителя частоты ДЧ из импульсов высокостабильного ГОЧ. При этом время Тизм для постоянной частоты входного сигнала обычно выбирается кратным периоду входных сигналов, т. е. Тизм = m-Т . Тогда счетчик за время Тизм подсчитает число импульсов:

n- коэффициент деления делителя частоты.
Недостаток: большое время измерения , зависящее от частоты исследуемого сигнала и необходимой точности измерений.
31.Фазометры с промежуточным преобразованием сдвига фаз в напряжение.
Структурная схема и эпюр:


Усилители - ограничители превращают входные синусоидальные сигналы в прямоугольные (меандры). Формирователи Ф1 и Ф2 получают последовательности коротких
импульсов, совпадающих во времени с моментами перехода входных напряжении через нуль с одинаковой, например, положительной производной. На выходе триггера создаются импульсы длительностью ΔT, характеризующей величину измеряемого фазового сдвига. Формирователь Ф3 стабилизирует размах Uм этого импульсного напряжения. Фильтр нижних частот ФНЧ выделяет среднее значение напряжения, которое измеряется вольтметром. При этом может быть использован как аналоговый, так и цифровой вольтметр. Постоянная составляющая импульсной последовательности:

Погрешность:
-преобразование φ в интервал времени ΔТ, а затем в постоянное напряжение.
-нестабильность Um
-погрешность вольтметра
32.Фазометры уравновешивающего преобразования(компенсационные)
Метод основан на сравнении измеряемой разности фаз с образцовой, воспроизводимой фазовращателем.
Сигналы U1(t) и U2(t) поступают на установочный φу и измерительный φобр фазовращатель, а затем подводятся к индикатору ИНД разности фаз.

Индикатор позволяет фиксировать точно некоторое значение разности фаз (например, φ= О или φ= 90°). Измерительный фазовращатель может быть проградуирован в значениях φ.
При измерениях сначала калибруют фазометр с целью устранения собственных фазовых сдвигов обоих каналов прибора, для чего подают на оба входа одно и то же напряжение. Измерительный фазовращатель при этом устанавливается на ноль, а установочным
устанавливают индикатор в требуемое состояние (либо φ = 0 , либо φ = 90°). После этого производят непосредственно измерение. Подают на фазометр оба сигнала и, регулируя измерительный фазовращатель, добиваются отсчетного состояния индикатора. Данный процесс может осуществляться как вручную, так и автоматически с помощью устройства управления УУ. Результат измерения считывается с измерительного фазовращателя.
Погрешность:
-не точность градуировки образцового фазовращателя и разрешающей способности индикатора.
33.Мостовые методы измерения параметров цепей. Виды мостов. Их особенности. Области применения.
1. Мост

z – комплексное сопротивление.
Различают уравновешенные (где V=0 в изм. диагонали) и неуравновешанные.
Условия баланса моста: z1*z4=z2*z3
Хар-ка моста:
1) Чувствительность S=Δy/Δx
Sm=Δα/(Δz/z) – относительная чувствительность, где Δα – показ-я вольтметра/гальвонометра; z – знач.образц.величины при балансе; Δz – отклонение.
2) Сходимость
Возможность достижения равновесия моста опред.кол-м переходов от одного элемента к другому.
Питание моста:
Для изм.актив.сопр-ий – постоян.напр.
Для изм.реакт.сопр-ий – перемен.напр.
Мосты в которыx сопр-е Zобразц.включается в смежное с Zx плечо моста наз-ся мостами отношения вспомогательных плеч Zx*Z4=Z2*Z0 => Zx=(Z2/Z4)*Z0.
Мосты в которых обр-е Zобр вкл-ся в противополож. с Zx плечом наз-ся мостами проводимости.
Разновидности мостов:
-Четырехплечий: имеет плохую сходимость; нет заземления; не может измерять низкое сопротивление.
-Шестиплечий(двойной): сопротивление до 10-5 Ом; Хорошая сх-ть; нет заземления;
-Т- образный мост, до 50 МГц;
-Трансформаторный, до 300-400 МГц.
Погрешность мостов:
1)погрешности образцовых элементов
2)погрешность балансировки моста
3)погрешность за счет паразитных эл-ов
4)неточность отсчета по шкалам.
34.Цифровые измерители параметров цепей с предварительным преобразованием параметра в напряжение.
zàt


35. Цифровые измерители параметров цепей с времяимпульсным преобразованием.
zàtxàN


Cx=(1/(Ro*fo))*N
Uc(t)=Uo*e-t/τ
τ =Cx*Ro
при t= τ , Uc=Uo/e
tx= τ=Cx*Ro
N=tx/To=Ro*Cx*fo
Погрешности: точность делителя, нестабильность ГОЧ, погрешность дискретности.
Суммарная погрешность до 1%.
36.Контурный метод измерения параметров цепей. Куметр: принцип действия, структура, основные хар-ки, измерения.
Метод измерения заключается в определении собственной резонансной частоты колебательного контура, составленного из образцового и измеряемого элементов.
Значение измеряемого параметра вычисляется из формулы:

Резонансный метод применяется на высоких частотах для измерения индуктивности, емкости и сопротивления потерь в них. Основным преимуществом метода является то, что измерение можно производить на рабочих частотах.
Измерение добротности контура резонансным методом основано на известном из теории цепей определении добротности контура как отношении напряжения на реактивном элементе в момент резонанса к величине э.д.с, вводимой в контур. Значит, определяя значение э.д.с. Uo по индикатору И1 и напряжение Up по индикатору И2 при настройке контура в резонанс, можно определить добротность контура.

Для непосредственного определения добротности индикатор И2 градуируют непосредственно в значениях добротности при некотором фиксированном значении э.д.с. Uo, вводимом в контур.
Погрешность: точность настройки в резонанс, точность индикаторов, влияние входного сопротивление, влияния магнитного поля катушки.
37. Генераторный метод измерения параметров цепей.
Генераторный метод, являющийся разновидностью резонансного, основан на изменении частоты генератора при включении в измерительный контур измеряемых ёмкости или индуктивности. структурная схема прибора, в котором реализован генераторный метод.

Схема имеет два идентичных генератора Г1 и Г2. В контур первого из них включены образцовые конденсаторы переменной ёмкости, в контур второго генератора последовательно с катушкой индуктивности, изменяемой дискретно в зависимости от выбранного предела измерения, включают измеряемую катушку Lx . Если же измеряется емкость то зажимы Lx закорачивают, а измеряемый конденсатор включают параллельно контуру генератора Г2 (зажимы Сх).
До включения измеряемых индуктивности и ёмкости оба генератора настраивают на одинаковую частоту по нулевым биениям, для чего предусмотрены смеситель и фильтр нижних частот ФНЧ. Нулевые биения фиксируются либо по телефонам, либо по индикаторам, на которые поступает сигнал нулевых биений, проходя через детектор. После подключения измеряемого элемента в контур Г2 частота его изменяется и разностная частота с выхода смесителя не проходит через ФНЧ. Перестраивая частоту первого генератора образцовым конденсатором, вновь добиваются равенства частот генераторов. Изменение ёмкости образцового конденсатора однозначно определяет измеряемые индуктивность или ёмкость. Примечательным является то, что как при измерении емкости, так и при измерении индуктивности градуировка сохраняется и имеет линейный закон. Это позволяет с высокой точностью производить измерение индуктивности в пределах от 100 нГн до 1 мГн и емкости в пределах от 10 пФ до 10 нФ с точностью не хуже 1-1,5%.
38. Панорамные измерители амплитудно-частотных хар-к цепей.
Панорамные автоматизированные измерители АЧХ, построенные на основе генератора с качающейся частотой и электронно-лучевого индикатора. Структурная схема панорамного измерителя АЧХ:

Основой прибора является генератор качающейся частоты ГКЧ, охваченной петлей стабилизации амплитуды с блоком автоматической регулировки амплитуды АРА. Изменение частоты генератора производится чаще всего по пилообразному закону сигналом генератора модулирующего сигнала ГМС, напряжение которого одновременно поступает на горизонтально-отклоняющие пластины электронно-лучевой трубки ЭЛТ. Синусоидальный сигнал с переменной частотой и постоянной амплитудой от ГКЧ поступает на исследуемый четырехполюсник X, вызывая на его выходе отклик пропорциональный АЧХ четырехполюсника. Синусоидальный отклик детектируруется детектором Д, затем усиливается линейным усилителем постоянного тока У и поступает на вертикально - отклоняющие пластины ЭЛТ. Для создания частотной шкалы на экране ЭЛТ используется генератор частотных меток ГЧМ, жестко синхронизированный с перестройкой частоты ГКЧ, иначе невозможно наблюдение неподвижных частотных отметок. Калибровку по амплитуде производят замыканием накоротко исследуемого четырёхполюсника при его предварительном включении.
39. Измерение мощности в цепях звуковых и высоких частот.
В диапазоне звуковых и более высоких частот применение электродинамических приборов недопустимо из-за большого влияния паразитных ёмкостей и значительной индуктивности катушек. Поэтому на частотах до 1МГц используют квадратичные преобразователи, в качестве которых используются либо полупроводниковые диоды, либо термоэлектрические преобразователи. Работа таких ваттметров поясняется по структурной схеме, где в качестве квадраторов используются вышеупомянутые преобразователи.

Подавая на вход схемы напряжение u=Um*sinωt, пропорциональное напряжению на нагрузке и напряжению Ri, пропорциональное току через нее i = Im sin(ωt + φ), на выходе перемножителя с квадраторами сигнал будет содержать постоянную и переменную составляющие 4Rui = 4Ruicosφ-4RUI cos(2ωt- φ).
Постоянная составляющая этого напряжения, пропорциональная мощности UIcos φ), измеряется магнитоэлектрическим прибором. Приборы называются по типу применяемых преобразователей: выпрямительными или термоэлектрическими. Поскольку на измерительный прибор ответвляется только часть мощности, выделяемая на нагрузке, приборы эти относят к ваттметрам проходящей мощности, в отличие от ваттметров, где вся мощность поглощается в измерительном приборе.
40. Измерение мощности на СВЧ Калориметрический, термоэлектрический, терморезистивный ваттметры: принцип действия, погрешности.
Калориметрический метод относится к наиболее точным при измерении высокочастотной мощности. Используется при измерении больших и средних мощностей в широком диапазоне частот (до сотен ГГц). Метод основан на преобразовании электрической энергии в теплоту, которое нагревает некоторое рабочее тело. Нагрев осуществляется либо в статических, либо в проточных калориметрах. В качестве нагреваемого тела обычно используется вода. В наиболее часто применяемых проточных калориметрах вода, протекая через резервуар, в который помещена нагрузка, нагревается. По разнице температур на входе и выходе, измеряемой термометрами T1 и Т2 определяют значение падающей в нагрузке мощности. При непосредственном измерении вместо термометров устанавливают термопары при встречном включении и по микроамперметру определяют мощность. В технических измерениях калориметрический метод позволяет определить мощность с погрешностью 5-7%.
Болометрический и термисторный методы основаны на изменении сопротивления терморезистора, помещенного в волноводный или коаксиальный СВЧ - преобразователь, в котором создаются условия для рассеивания на нём всей измеряемой мощности, как на оконечной нагрузке. Терморезистор зачастую включают в мостовую схему, работающую на постоянном или низкочастотном токе. По разбалансу моста от изменения сопротивления терморезистора определяют значение падающей мощности. Болометр представляет собой тонкую вольфрамовую нить (3-5 мкм) длиной меньше 0,1 X, запаянную в стеклянный баллончик.
Они имеют положительный температурный коэффициент, невысокую чувствительность и сопротивление 5-10 Ом. Допустимая мощность рассеивания таких болометров до 2 Вт на частотах до 1 ГГц. На частотах до 10 ГГц используются плёночные болометры, имеющие сопротивление до нескольких сот омов. Термистор изготавливают из полупроводникового материала с впрессованными в него тонкими платиновыми проводниками. Бусинку из такого материала помещают в стеклянный баллончик. Сопротивление термистора изменяется в широких пределах и имеет отрицательный температурный коэффициент. Для улучшения согласования рабочая точка термистора регулируется предварительно подогревом постоянным током или током низкой частоты. Чувствительность термисторов в несколько раз выше чувствительности болометров, потому они применяются для измерения малых и очень малых мощностей в диапазоне частот до 100 ГГц. Погрешность термисторных ваттметров без учета рассогласования составляют 3-10%, болометрических до 1,5%.
Пондеромоторный метод измерения мощности на СВЧ заключается в использовании механического (пондеромоторного) действия электромагнитного поля на тела, расположенные в поле, воздействия индуцированных в них электрических зарядов и токов.
Подобные ваттметры измеряют проходящую мощность более 1 Вт в диапазоне частот свыше 1000 МГц с точностью 1-1,5%.
41. Измерение коэффициента гармоник сигнала.
42. Параметрические преобразователи неэлектрических величин в электрические(параметрические датчики). Виды, достоинства, недостатки, области применения.
Выходной величиной таких ИП является параметр электрической цепи (R, L, М, С). Для обеспечения процесса измерения с помощью таких ИП требуется внешний источник питания.
1)Реостатные преобразователи.
Основаны на изменении электрического сопротивления проводника под влиянием входной величины - перемещения.

Измерительные цепи: равновесные и неравновесные мосты, делители напряжения.

Достоинства:
-Высокая точность преобразования
-Большие выходные сигналы
-Простота конструкции
Недостатки:
-наличие скользящего контакта, что приводит к достаточно быстрому износу.
Погрешности:
-Температурная
-Дискретности
Область применения: для преобразования относительно больших перемещений и других неэлектрических величин, которые могут быть преобразованы в перемещение (усилие, давление, уровни жидкостей и т.д.).
2)Тензочувствительные
Основаны на тензоэффекте, заключающемся в изменении активного сопротивления проводника (полупроводника) под действием вызываемого в нем механического напряжения и деформации.

K=(ΔR/R)/( Δl/l) – коэффициент тензочувствительности.
Погрешности:
-сильная температурная зависимость сопротивления тензорезистора
Достоинства:
-линейность статической характеристики преобразования;
-малые габариты и масса, простота конструкции.
Недостатки:
-Относительно малая чувствительность.
-Плохая воспроизводимость параметров.
Область применения: для измерения деформаций и других неэлектрических величин, которые могут быть преобразованы в деформацию - усилий, давлений, моментов, ускорений и т.д.
3)Терморезисторы
Основаны на зависимости электрического сопротивления проводников или полупроводников от температуры. По режиму работы делятся на:
-перегревные,
-без преднамеренного нагрева.
По виду материала, из которого изготовлены терморезисторы, различают:
-металлические терморезисторы (болометры);
-полупроводниковые терморезисторы.
Измерительные цепи для терморезисторов - мосты, логометрические приборы.
Погрешности:
-отклонение характеристики преобразования от номинальной;
-изменение сопротивления внешних цепей (соединительные провода, контакты).
Достоинства:
-Достаточно высокая чувствительность, особенно у полупроводниковых терморезисторов.
-Малая инерционность (высокое быстродействие).
-Относительно малые размеры (особенно у термисторов).
-Высокая надежность и малая стоимость.
Недостатки:
-Малые значения начальных сопротивлений у металлических терморезисторов.
-Узкий диапазон рабочих температур для полупроводниковых терморезисторов.
-Плохая воспроизводимость характеристик для полупроводниковых терморезисторов.
Область применения: терморезисторы без преднамеренного перегрева - измерения температуры и физических величин, которые могут быть преобразованы в температуру. Перегревные терморезисторы - для измерения самых различных физических величин.
4)Электролитические(кондуктометрические) преобразователи
Основаны на зависимости электрического сопротивления раствора электролита от его концентрации, площади соприкосновения с электродами и других факторов.
Измерительные цепи: мосты.
Погрешности:
-Сильное влияние на проводимость электролита температуры окр.среды.
-за счет электролиза при протекание измерительного тока.
Области применения: для измерения концентрации раствора, а также перемещений, скорости, температуры.
5) Индуктивные преобразователи
Основаны на зависимости индуктивности или взаимной индуктивности обмоток на магнитопроводе от положения, геометрических размеров и магнитного состояния элементов их магнитной цепи.
Измерительные цепи: равновесные и неравновесные мосты для чисто индуктивных ИП, а для трансформаторных ИП - вольтметры или компенсаторы.
Достоинства:
-Значительные по мощности выходные сигналы.
-Простота конструкции, высокая надежность.
Недостатки:
-Обратное воздействие ИП на исследуемый объект (реакция якоря). Дело в том, что при протекании измерительного тока через обмотки, возникает электромагнитное поле, противодействующее первичному возмущению.
-Высокая инерционность (относительно малое быстродействие).
Область применения: для преобразования линейных и угловых перемещений, а также усилий, давлений, моментов и прочих физических величин.
6)Емкостные преобразователи
Основаны на зависимости электрической емкости конденсатора от размеров, взаимного расположения его обкладок и от диэлектрической проницаемости среды между ними.
Достоинства:
-Простота конструкции.
-Высокая чувствительность.
-Малая инерционность.
Недостатки:
-Сильное влияние внешних электрических полей, температуры, влажности.
-Относительная сложность цепей включения и необходимость в источниках питания высокой частоты.
7)Ионизационные
Основаны на явлении ионизации газа или люминесценции некоторых веществ под воздействием ионизирующего излучения.
Погрешности:
-С течением времени интенсивность излучения источника уменьшается за счет естественного распада.
-Ядерный распад носит случайный характер как по времени распада и по траектории частицы распада, так и по захвату частиц веществом. Для уменьшения случайной погрешности необходимо увеличить время измерения.
Достоинства:
-Возможность бесконтактных измерений.
-Отсутствие влияния изменения внешних условий (температура, давление, напряжение питания и др.).
Недостаток: необходимость применения биологической защиты.
Область применения: измерения плотности и состава веществ, геометрических размеров, изделий, механических величин и т.д.
8)фотоэлектрические
Основаны на зависимости величины фототока или сопротивления ИП от освещенности преобразователя. Различают три вида преобразователей: с внешним фотоэффектом, с внутренним фотоэффектом и фотогальванические.
Погрешности: погрешность достаточно велика, определяется старением, усталостью и зависимостью параметров преобразователей от температуры, отклонением от номинальной характеристики.
Достоинства:
-Высокая чувствительность фотопреобразователей.
-Высокое быстродействие (ФЭУ, фотодиоды).
-Возможность измерения без механического контакта с объектом измерения.
Недостатки:
-Сильная зависимость характеристик фоторезисторов и фотодиодов от температуры.
-Относительно малое быстродействие газонаполненных фотоэлементов.
Область применения. Для измерения освещенностей и других (несветовых) величин, которые могут быть преобразованы в силу света (концентрации растворов, частота и скорость углового и линейного перемещения и т.д.).
43. Генераторные преобразователи неэлектрических величин в электрические(генераторные датчики). Виды, достоинства, недостатки, области применения.
1)Термоэлектрические преобразователи
Основаны на термоэлектрическом эффекте, возникающем в цепи термопары.
Термопара представляет собой два отрезка проволоки, изготовленных из разнородных проводников (или полупроводниковых) и соединенных одним концом.
Измерительные цепи: магнитоэлектрические милливольтметры с предварительным усилением термоЭДС и потенциометры постоянного тока, в том числе автоматические.
Погрешности.
-Отличие от номинальной характеристики.
-Погрешность термоЭДС, обусловленная изменением температуры свободных концов термопары.
-Погрешность, обусловленная изменением внешнего сопротивления соединительных контактов и проводов в зависимости от температуры, степени окисления и т.д.
Достоинства: широкий диапазон рабочих температур.
Недостатки.
-Относительно малая чувствительность.
-Необходимость обеспечения постоянства температуры свободных концов термопары (иногда применяется термостатирование).
Область применения. Для измерения температуры и других физических величин, которые преобразуются в температуру.
2)Индукционные преобразователи
Основаны на использовании закона электромагнитной индукции, согласно которому ЭДС, индуцированная в катушке

Индукционные преобразователи служат для измерения скорости линейных и угловых перемещений.
Погрешности.
-За счет изменения магнитного поля во времени и от температуры.
-Погрешность, определяемая величиной потребляемого измерителем от преобразователя тока.
-Изменение сопротивления обмоток за счет изменения температуры.
Достоинства:
-простота конструкции, высокая надежность;
-высокая чувствительность.
Недостаток: ограниченный частотный диапазон измеряемых величин.
3)Пьезоэлектрические преобразователи
Основаны на использовании прямого пьезоэлектрического эффекта, заключающегося в появлении электрических зарядов на поверхности некоторых кристаллов (кварц, турмалин, сегнетова соль и др.) под влиянием механических напряжений.
Погрешности.
-За счет нестабильности параметров входной цепи измерителя.
- из-за несовершенства материала преобразователя.
-Погрешность, обусловленная поперечным пьезоэффектом.
-За счет наводок от внешних электромагнитных полей.
-Погрешность, обусловленная зависимостью характеристик материала от температуры.
Достоинства: высокая стабильность свойств.
Недостатки:
-Возможность измерения только переменных величин.
-Достаточно жесткие требования к измерительным приборам в части стабильности входных параметров.
Области применения: используются для измерения переменных усилий, давлений, параметров вибраций, ускорений, температур и т.д.
4)Гальванические
Основаны на зависимости ЭДС гальванической цепи от химической активности ионов электролита, т.е. от концентрации ионов и окислительно-восстановительных процессов в электролите.
Применяются для определения реакции раствора (кислая, нейтральная, щелочная), которая зависит от активности водородных ионов раствора, а также для измерения концентрации ионов в растворе.
Измерительные цепи: электронные вольтметры, компенсаторы, потенциометры.
Погрешности.
-За счет конечного Rex измерительной цепи. При измерении ЭДС через раствор протекает ток, происходит электролиз, что приводит к погрешности.
-При протекании измерительного тока на большом внутреннем сопротивлении электролита падает напряжение, что приводит к погрешности измерения.
-Температурная погрешность.
5)Гальваномагнитные преобразователи
Основаны на физических эффектах, возникающих в находящихся в магнитном поле твердых телах при движении в них заряженных частиц (при протекании тока). Известны эффекты Холла и Гаусса.
Погрешности:
-Нелинейность характеристики (0,1-10% при изменении индукции В в пределах 0-е-10 Тл).
-Нестабильность чувствительности (0,1-е-1 % в год).
-Наличие и дрейф остаточного напряжения (ЭДС Холла при В=0).
-Температурная погрешность.
Основная погрешность при малых В обычно составляет десятые доли процента.
Достоинства. Возможность измерения как постоянных, так и переменных магнитных полей. Хорошее пространственное разрешение благодаря малым размерам преобразователя.
Недостаток. Сравнительно большая зависимость ЭДС Холла от температуры.
Область применения. Измерение магнитных полей и измерение неэлектрических величин, которые могут быть преобразованы в ток и магнитную индукцию.
44.Автоматизация измерений: микропроцессорные СИ, информационно-измерительные системы.
Наиболее широкое распространение получили отдельные измерительные приборы с использованием микропроцессоров или микро-ЭВМ. Микро-ЭВМ в этом случае встраиваются непосредственно в приборы и производят всю логическую и математическую обработку информации программными методами. При этом ЭВМ выполняет функции управления процессом измерения (контроллера), математической обработки результатов измерений (вычислителя) и преобразования информации к виду, необходимому для отображения на средствах индикации, а также для передачи на внешние устройства.
Микро-ЭВМ может использоваться в самых различных цифровых измерительных приборах и выполнять различные функции в соответствии с программой. При этом можно указать следующие достоинства использования ЭВМ в СИ:
1). Сокращается время проектирования и изготовления измерительных приборов вследствие хорошей проработки программных и технологических средств вычислительной техники.
2). ЭВМ позволяет реализовать сложнейшие алгоритмы измерений, ранее невозможные из-за технических трудностей.
3). Обеспечивается многофункциональность приборов. Возможно совмещение измерения различных физических величин в одном приборе.
4). Расширение измерительных возможностей приборов - использование косвенных и совокупных измерений.
5). Упрощение и обеспечение управления прибором - автоматический выбор режима работы, выбор диапазона измерений, интервала дискретизации и т.д. Чем проще передняя панель прибора, тем он "умнее".
6). Возможность получения математических функций измеренных значений от простейших до сложнейших (вывод гистограмм, графиков и т.д.).
7). Получение статистических характеристик.
8). Повышение надежности прибора - миниатюризация, экономичность аппаратуры, осуществление авто диагностики, как текущей, так и прогнозируемой.
9). Улучшение метрологических характеристик прибора:
а) исключение систематических погрешностей - автоматическая установка нуля и авто калибровка, включение в окончательный результат поправок и поправочных множителей в зависимости от условий измерений;
б) уменьшение влияния случайных погрешностей путем статистической обработки результатов измерений;
в) компенсация внутренних шумов прибора (до начала измерений определяется величина шума, которая из результата измерения исключается) - это увеличивает чувствительность прибора, расширяет рабочий диапазон в сторону малых значений входной величины;
г) поддержание метрологических характеристик в процессе эксплуатации - режимы самодиагностики и авто калибровки.
В микропроцессорные приборы в обязательном порядке встраиваются узлы сопряжения, обеспечивающие возможность агрегатирования приборов в систему с помощью стандартных интерфейсов. Среди последних наибольшее распространение получили широко известные, международные, стандартные интерфейсы КАМАК (САМАС) и МЭК.
ИИС подразделяют на системы ближнего действия и системы дальнего действия - телеизмерительные системы. Наиболее важная функция ИИС - получение измерительной информации, т.е. представление значений измеряемых физических величин в виде чисел, пригодных для дальнейшей цифровой обработки, хранения и отображения полученной информации.
1.Многоканальные ИИС

Схема состоит из п независимых измерительных каналов. Обладает высокой надежностью, наиболее высоким быстродействием, возможностью подбора средств измерения к конкретным измерительным величинам. Недостаток: громоздкость, сложность, большая стоимость.
2.Сканирование ИИС

Сканирующее устройство Ск.У последовательно во времени перемещает датчик в пространстве по заранее заданной программе (пассивное сканирование), либо программа может меняться в зависимости от условий, от полученной информации (активное сканирование).
Недостаток – малое быстродействие.
3.Мультиплицированные ИИС

Позволяет выполнить сравнение со всеми измеряемыми величинами без применения коммутирующего устройства. Обычно мера вырабатывает линейно изменяющуюся величину. Например, используется ЦАП со ступенчато нарастающей величиной выходного напряжения. Эти системы имеют меньший аппаратурный объем, чем параллельные системы, но достаточно высокое быстродействие.
4.Многоточечные ИИС

Эти системы применяются для исследования сложных объектов с большим числом измеряемых параметров. Измерительный коммутатор ИК последовательно подключает к сравнивающему устройству датчики, число которых может достигать нескольких тысяч. Возможно, использование параллельно-последовательного принципа организации системы, наращивания числа измеряемых величин за счет коммутатора. Недостаток - меньшее быстродействие, чем у параллельных систем. Но эти системы имеют меньший аппаратный объем.
5)Телеизмерительные системы ТИС
ТИС осуществляют измерения на объектах, удаленных от места обработки информации (движущиеся объекты, объекты атомной энергетики, объекты, рассредоточенные на больших площадях и т.д.). Особенностью ТИС является наличие канала связи, под которым понимается совокупность технических средств, необходимых для передачи информации от различных источников по линиям связи.
Наиболее распространены:
-токовые ТИС - сигнал передается по проводной линии связи постоянным током 0-5 мА. Используется временное разделение каналов. Дальность действия: по воздушным линиям связи - 7-10 км, по кабелю 20-25 км;
-частотные ТИС - информация заложена в частоте синусоидального или импульсного сигнала. Может передаваться как по проводным, так и по радиолиниям связи. Разделение каналов - частотное. Дальность действия -сотни километров. Из-за перекрестных искажений и помех по соседнему каналу число одновременно передаваемых сообщений в настоящее время не превышает 18;
-времяимпульсные ТИС - информационным параметром является длительность импульсов постоянного тока или длительность интервалов между импульсами. Временное разделение каналов. Системы дальнего действия - с радиоканалом дальность действия составляет сотни и тысячи километров;
-цифровые ТИС (кодоимпульсные системы). Информация передается в виде комбинации импульсов, т.е. кодовой комбинацией. Из-за помех применяются специальные коды - с обнаружением и исправлением ошибок. Достоинства: высокие метрологические характеристики, высокая помехозащищенность, работа с различными линиями связи, возможность непосредственного ввода информации в ЭВМ. Недостаток - относительная сложность.
45. Метрологическое обеспечение измерений. Гос.метрологическая служба. Структура и ф-ии.
Для достижения единства и требуемой точности измерений в стране необходима соответствующая служба - метрологическая служба страны. В
ГОСТ Р 8.000-2000 “Государственная система обеспечения единства измерений” [17] это понятие определяется следующим образом. Метрологическая служба – совокупность субъектов деятельности и видов работ, направленных на обеспечение единства измерений. Организационные принципы построения, структура и основные задачи метрологической службы страны регламентированы основополагающим стандартом ГОСТ 1.25-76 "ГСС. Метрологическое обеспечение. Основные положения.".
Строгое, устоявшееся определение понятия "метрологическое обеспечение" пока отсутствует. Можно определить это понятие следующим образом.
Метрологическое обеспечение измерений (МО) - деятельность метрологических и других служб, направленная на создание в стране необходимых эталонов, образцовых и рабочих СИ, разработку и установление метрологических правил и норм, выполнение ряда других метрологических работ, необходимых для обеспечения требуемого качества измерений на рабочем месте.
Чтобы эти службы эффективно выполняли стоящие перед ними задачи необходимо научное, техническое и правовое обеспечение их деятельности.
Научной основой МО является метрология - наука об измерениях.
Техническую основу МО составляют:
система государственных эталонов единиц ФВ;
система передачи размеров единиц ФВ от эталонов всем средствам измерений с помощью образцовых СИ и средств поверки;
система государственных испытаний СИ, обеспечивающая единообразие СИ при разработке и выпуске их в обращение;
система обязательной поверки и метрологической аттестации СИ, находящихся в эксплуатации;
система стандартных образцов состава и свойств веществ и материалов;
система стандартных справочных данных о физических константах и свойствах веществ и материалов.
Правовую основу МО составляет Государственная система обеспечения единства измерений (ГСИ), представляющая собой комплекс нормативно-технических документов (ГОСТов, методических указаний, методик и т.п.), устанавливающих единую номенклатуру стандартных взаимоувязанных правил и положений, требований и норм, относящихся к организации и методике оценивания результатов и обеспечения точности измерений.
Организационной основой МО является метрологическая служба страны, состоящая из государственной и ведомственной служб. Под метрологической службой подразумевается сеть учреждений и организаций, возглавляемая Госстандартом Российской Федерации.
Рост экономических и культурных связей между странами потребовал решения задач единства измерений и требуемой точности в международном масштабе. Для координации сотрудничества разных стран по вопросам метрологии созданы международные метрологические организации. Примером такой организации может служить, например, Международная организация законодательной метрологии (МОЗМ).
Для обеспечения единства и требуемой точности измерений в стране с технической точки зрения очень важными являются:
система государственного надзора за состоянием СИ в стране и система передачи размеров единиц ФВ от эталонов всем средствам измерений.
46.Система передачи размеров единиц ФВ рабочим СИ. Эталоны, поверочные схемы.
Единство измерений в стране обеспечивается, прежде всего, единообразием СИ. Первым условием единообразия СИ является унификация единиц ФВ, в которых градуируются средства измерений. При выполнении требований этого стандарта оказывается, что единообразие СИ фактически означает такое их состояние, когда все СИ являются метрологически исправными. Для достижения такого состояния СИ необходимо регулярно проводить их поверку. Привлекаются специальные технические, организационные и нормативные средства.
Техническими средствами являются первичные эталоны, рабочие эталоны, поверочные установки и вспомогательные устройства, используемые при проведении поверок. Большое число СИ одной ФВ не позволяет передать им размер единицы с наивысшей точностью от одного исходного средства измерений, которое воспроизводит единицу (от эталона). Поэтому приходится создавать иерархические системы технических средств поверки. Технические средства этих систем расположены в определенном порядке в соответствии с их точностью и принимают участие в последовательной передаче размере единицы от исходного СИ (эталона) всем СИ этой ФВ. Порядок передачи устанавливается нормативно-техническими документами (НД) специального вида - поверочными схемами. Кроме поверочных схем, к нормативным средствам обеспечения единообразия СИ относятся НД, устанавливающие требования к методикам поверок и правила поверочной деятельности. Технические и нормативные средства обеспечения единообразия СИ одной ФВ представляют собой упорядоченные системы средств измерений и документов, предназначенные для достижения общей цели.
Такой же упорядоченной системой является организационные средства обеспечения единообразия СИ. Они также располагаются в определенной иерархической последовательности в соответствии с порядком передачи размеров единиц. Высший уровень иерархии - метрологические НИИ Госстандарта (хранители эталонов), низший - поверочные лаборатории промышленных предприятий и организаций.
Первичные и специальные эталоны - средства измерений особой государственной важности. Они утверждаются в ранге государственных эталонов соответствующим Гос.стандартом. Для каждого эталона утверждаются правила его хранения и применения. Хранятся и обслуживаются эталоны в соответствующих НИИ Госстандарта.
Эталонная база Российской Федерации имеет в своем составе 114 государственных эталонов и более 250 вторичных эталонов единиц различных ФВ, в том числе первичные государственные эталоны метра, килограмма и секунды. Точность последних эталонов особенно важна, так как эти единицы участвуют в образовании производных единиц всех научных направлений.
В отличие от первичных эталонов, рабочие эталоны не обязательно уникальные, специально изготовляемые СИ. В качестве рабочих эталонов допускается использование следующих СИ:
выпускаемых по стандарту или техническим условиям на СИ конкретного типа (стандартизованные рабочие эталоны - поверочные установки);
импортируемых из-за границы партиями или единичными экземплярами;
нестандартизованных ( то есть, изготовленных единичными экземплярами);
индивидуально собранных из СИ, которые выпускаются по стандарту или техническим условиям в качестве рабочих СИ широкого назначения.
По своему метрологическому назначению рабочие эталоны стоят ниже в иерархии средств поверки. Рабочие эталоны индивидуально утверждаются. Формой такого утверждения является метрологическая аттестация СИ в качестве рабочего эталона соответствующего разряда. Метрологическая аттестация СИ проводится перед вводом их в эксплуатацию, после ремонта или при необходимых изменениях разряда.
Особой категорией СИ являются стандартные образцы (СО) состава и свойств веществ и материалов. Стандартные образцы по своему назначению выполняют роль мер. СО являются чрезвычайно перспективным средством повышения эффективности поверочных работ в области физико-химических измерений. В отличие от классических мер, стандартные образцы реализуются в виде части (порции) однородного материала, которая является полноценным носителем воспроизводимой единицы. Стандартные образцы предназначены для обеспечения единства измерений и требуемой точности посредством:
градуировки, метрологической аттестации и поверки СИ;
метрологической аттестации методик выполнения измерений;
контроля показателей точности измерений;
измерения ФВ, характеризующих состав или свойства веществ и материалов, методами сравнения.
Стандартные образцы объединяются в типы. Тип – это классификационная группа образцов, определяющими признаками которых являются одно и то же вещество, из которого они изготовлены, и единая документация, по которой они выполнены. Типы СО допускаются к применению при условии их утверждения и регистрации в соответствующем реестре. Для каждого типа СО при их аттестации устанавливается срок действия (не более 10 лет) и определяются метрологические характеристики, которые нормируются в документации на их разработку и выпуск. К метрологическим характеристикам СО относятся:
аттестованное значение – значение аттестованной характеристики образца, им воспроизводимое, установленное при его аттестации и приводимое в свидетельстве с указанием погрешности;
погрешность аттестованного значения – разность между аттестованным и действительным значением величины, воспроизводимой той частью образца, которая используется при измерении;
характеристика однородности – характеристика свойства образца, выражающегося в постоянстве значения величины, воспроизводимой его различными частями, используемыми при измерениях;
характеристика стабильности – характеристика свойства образца сохранять значения метрологических характеристик в установленных пределах в течение указанного в свидетельстве срока годности при соблюдении оговоренных условий хранения и применения;
функции влияния – зависимость метрологических характеристик образца от изменения внешних влияющих величин.
Быстрое развитие выпуска и применение стандартных образцов привело к созданию Государственной службы стандартных образцов (ГССО) с соответствующим НИИ Госстандарта во главе.
Важнейшим элементом систем воспроизведения единиц ФВ и передачи их размеров являются поверочные схемы - НД, определяющие порядок передачи размеров единицы. Различают государственные, ведомственные и локальные поверочные схемы. Государственная поверочная схема - основная. Она распространяется на все СИ соответствующей ФВ. На ее основе составляются все остальные поверочные схемы.
47. Поверка и калибровка СИ.
Установление пригодности средства измерений к применению на основании экспериментально определяемых метрологических характеристик и контроля их соответствия установленным требованиям.
Различают: государственную ведомственную, первичную, периодическую и др. поверки средств измерений.
ОБЯЗАТЕЛЬНАЯ ПОВЕРКА
Поверка средств измерений, без которой не допускается его эксплуатация.
К обязательной поверке в стране относят, как правило, первичную и периодическую поверки.
ПЕРИОДИЧЕСКАЯ ПОВЕРКА
Поверка, выполняемая через установленные межповерочные интервалы времени, средств измерений, находящихся в эксплуатации или на хранении.
48. Правовые основы стандартизации. Основные положения закона «Об основах тех.рег.»
Стандартизация, по определению академика Н.Н.Семенова, - это наука о формах наиболее эффективной организации производства, а также потребления его продуктов. Она соединяет воедино такие основные направления как экономика, технология и фундаментальная наука.
Основополагающим документом в России по стандартизации является Закон Российской Федерации от 10.06.93 № 5154–1 “О стандартизации” [20]. В России действует Государственная система стандартизации (ГСС) – комплекс взаимоувязанных Нормативно технических документов, регламентирующих все сферы деятельности по разработке и контролю за внедрением и соблюдением стандартов в стране.
ГОСТ Р 1.0-92 "Государственная система стандартизации (ГСС) Российской Федерации. Основные положения" определяет понятие стандартизации следующим образом.
Стандартизация - это установление и применение правил с целью упорядочения деятельности в определенной области на пользу и при участии всех заинтересованных сторон и, в частности, для достижения всеобщей оптимальной экономии при соблюдении условий эксплуатации (использования) продукции и требований безопасности. Это определение гармонизировано с соответствующим определением международного документа по стандартизации – Руководства ИСО/МЭК 2. По форме проведения стандартизация может быть государственной, национальной и международной.
Основные аспекты стандартизации как целенаправленной деятельности общества: техническая и экономическая эффективность; качество и безопасность продукции.
Основными объектами стандартизации являются, главным образом, элементы материального производства (средства, технология и организация производства), а также элементы нематериальной сферы (термины, символы, величины, системы документации, нормы техники безопасности и т.п.).
49.Виды и принципы стандартизации.
Стандартизация осуществляется в целях:
повышения уровня безопасности жизни, здоровья граждан, а также жизни и здоровья животных и растений, имущества физических или юридических лиц, государственного или муниципального имущества, окружающей среды, в том числе для содействия выполнению требований технических регламентов;
стимулирования научно-технического прогресса;
повышения конкурентоспособности продукции, работ и услуг в соответствии с уровнем развития науки, техники и технологии;
экономии и рационального использования ресурсов;
технической и информационной совместимости;
сопоставимости результатов измерений и испытаний, технических и экономико-статистических данных на международном и национальном уровнях;
взаимозаменяемости продукции.
Стандартизация в Российской Федерации осуществляется в соответствии с принципами:
добровольности применения стандартов;
максимального учета при разработке стандартов интересов всех заинтересованных лиц;
использования международных стандартов как основы для подготовки стандартов, за исключением случаев, когда такое использование признано невозможным из-за несоответствия уровня требований международных стандартов климатическим и географическим особенностям, техническим и (или) технологическим различиям или по иным соразмерным по значимости основаниям, а также случаев, когда Российская Федерация возражала в соответствии с принятыми процедурами против принятия данного международного стандарта или отдельного его положения;
недопустимости создания препятствий для производства и оборота продукции, работ и услуг в большей степени, чем это минимально необходимо для выполнения целей, указанных в статье 12 настоящего Федерального закона. Стандарты должны основываться на требованиях к характеристикам потребительских свойств и (или) эксплуатационным характеристикам продукции, а не на требованиях к ее конструктивным или описательным характеристикам;
недопустимости установления в стандартах требований, противоречащих требованиям технических регламентов;
обеспечения условий для единообразного применения стандартов.
50. Виды и методы стандартизации.
Наряду со стандартизацией, осуществляемой в масштабах государства, широко используются:
отраслевая стандартизация, осуществляемая в отдельных отраслях промышленности с целью обеспечения единства технических требований и норм к продукции отрасли и создания условий для кооперации и специализации в этой отрасли. Под отраслью понимается совокупность предприятий и организаций независимо от их территориального расположения и ведомственной принадлежности, разрабатывающих и изготавливающих определенные виды продукции;
республиканская стандартизация, проводимая в союзной республике в целях установления требований и норм на продукцию, не охваченную государственной или отраслевой стандартизацией;
местная стандартизация, проводимая на предприятиях (в объединениях) и устанавливающая требования, нормы и правила, применяемые только на данном предприятии.
В зависимости от последующего влияния на развитие народного хозяйства можно выделить три вида стандартизации, принципиально отличающиеся подходом к установлению в стандартах соответствующих норм:
стандартизация по достигнутому уровню, устанавливающая показатели, отражающие свойства существующей и освоенной в производстве продукции, и таким образом фиксирующая достигнутый уровень производства;
опережающая стандартизация, заключающаяся в установлении повышенных по отношению к уже достигнутому на практике уровню норм;
комплексная стандартизация, при которой для оптимального решения конкретной проблемы осуществляется целенаправленное и планомерное установление и применение системы взаимосвязанных требований как к самому объекту комплексной стандартизации в целом, так и к его основным элементам. Примерами объектов комплексной стандартизации являются аппаратура и оборудование для радиовещания и телевидения, аппаратура проводной связи, аппаратура записи и воспроизведения звука и т.п. Осно-ванная на системном подходе, комплексная стандартизация создает благоприятные условия для планомерного развития соответствующих отраслей промышленности.
В зависимости от метода решения основной задачи различают несколько форм стандартизации.
Симплификация – форма стандартизации, заключающаяся в простом сокращении числа применяемых при разработке изделия или при его производстве марок полуфабрикатов, комплектующих изделий и т.п. до количества, технически и экономически целесообразного, достаточного для выпуска изделий с требуемыми показателями качества. Являясь простейшей формой и начальной стадией более сложных форм стандартизации, симплификация оказывается экономически выгодной, так как приводит к упрощению производства, облегчает материально-техническое снабжение, складирование, отчетность.
Унификация – рациональное уменьшение числа типов, видов и размеров объектов одинакового функционального назначения. Объектами унификации наиболее часто являются отдельные изделия, их составные части, детали, комплектующие изделия, марки материалов и т. п. Проводится унификация на основе анализа и изучения конструктивных вариантов изделий, их применяемости путем сведения близких по назначению, конструкции и размерам изделий, их составных частей и деталей к единой типовой (унифицированной) конструкции.
В настоящее время унификация является наиболее распространенной и эффективной формой стандартизации. Конструирование аппаратуры, машин и механизмов с применением унифицированных элементов позволяет не только сократить сроки разработки и уменьшить стоимость изделий, но и повысить их надежность, сократить сроки технологической подготовки и освоения производства.
Типизация – это разновидность стандартизации, заключающаяся в разработке и установлении типовых решений (конструктивных, технологических, организационных и т. п.) на основе наиболее прогрессивных методов и режимов работы. Применительно к конструкциям типизация состоит в том, что некоторое конструктивное решение (существующее или специально разработанное) принимается за основное – базовое для нескольких одинаковых или близких по функциональному назначению изделий. Требуемая же номенклатура и варианты изделий строятся на основе базовой конструкции путем внесения в нее ряда второстепенных изменений и дополнений.
Агрегатирование – метод создания новых машин, приборов и другого оборудования путем компоновки конечного изделия из ограниченного набора стандартных и унифицированных узлов и агрегатов, обладающих геометрической и функциональной взаимозаменяемостью.
51. Государственная система стандартизации(ГСС). Научная и организационная основа.
Государственная система стандартизации (ГСС) – комплекс взаимоувязанных нормативных документов, регламентирующих все сферы деятельности по разработке и контролю за внедрением и соблюдением стандартов в стране.
В основе лежит 5 стандартов:
«ГСС в РФ. Основные положения».
«ГСС РФ. Порядок разработки гос.стандартов».
«ГСС РФ. Порядок согласования, утверждение и регистрации тех.условий».
«ГСС РФ. Стандарты предприятия. Общие положение».
«ГСС РФ. Общие требования к построению, изложению, оформлению и содержанию стандартов».
52. Нормативные документы по стандартизации.
53.Подтверждение соответствия. Цели, принципы, объекты и формы.
Цели подтверждения соответствия1. Подтверждение соответствия осуществляется в целях:
удостоверения соответствия продукции, процессов (методов) производства, эксплуатации и утилизации, работ и услуг требованиям технических регламентов, положениям стандартов, условиям гражданско-правового договора;
содействия покупателям в компетентном выборе продукции, работ и услуг;
повышения конкурентоспособности продукции, работ и услуг на российском и международном рынках;
создания условий для обеспечения свободного перемещения товаров в Российской Федерации, а также для участия в международном экономическом, научно-техническом сотрудничестве и международной торговле.
Объекты и формы подтверждения соответствия1. Объектами подтверждения соответствия являются продукция, процессы (методы) производства, эксплуатации и утилизации, работы или услуги, системы качества, системы управления охраной окружающей среды, в отношении которых техническими регламентами, стандартами и гражданско-правовыми договорами устанавливаются обязательные требования, добровольные правила, общие принципы или характеристики и (или) формы подтверждения соответствия этим требованиям, правилам, общим принципам или характеристикам.
2. Подтверждение соответствия на территории Российской Федерации осуществляется в формах:
принятия изготовителем (продавцом) декларации о соответствии;
сертификации.
Подтверждение соответствия может носить добровольный или обязательный характер.
Подтверждение соответствия осуществляется на основе: открытости и доступности информации о порядке проведения процедур подтверждения соответствия для всех заинтересованных лиц;
недопустимости применения обязательных процедур подтверждения соответствия к объектам, в отношении которых отсутствуют обязательные требования технических регламентов;
независимости органов по сертификации и испытательных лабораторий (центров) от изготовителей, исполнителей, продавцов, покупателей продукции;
установления исчерпывающего перечня форм и схем обязательного подтверждения соответствия в отношении определенной продукции в соответствующем техническом регламенте;
минимизации сроков прохождения и затрат заявителя на прохождение процедур обязательного подтверждения соответствия;
недопустимости принуждения заявителей к прохождению добровольных процедур подтверждения соответствия, в том числе в определенной системе добровольной сертификации;
защиты имущественных интересов заявителей, в том числе путем соблюдения коммерческой тайны в отношении сведений, полученных в процессе прохождения процедур обязательного подтверждения соответствия;
недопустимости подмены подтверждения соответствия продукции, подлежащей обязательному подтверждению соответствия, добровольной сертификацией;
недопустимости совмещения деятельности по подтверждению соответствия с деятельностью по осуществлению государственного контроля (надзора).
2. Процедуры подтверждения соответствия разрабатываются и применяются одинаковым образом и в равной мере в отношении данной или аналогичной продукции, процессов (методов) производства, эксплуатации и утилизации независимо от страны и (или) местности их происхождения (осуществления), характера или особенностей сделок и (или) лиц, которые являются изготовителями, исполнителями, продавцами, покупателями.
54. Добровольное подтверждение соответствия(Добров.серт.)
1. Добровольное подтверждение соответствия проводится по инициативе заявителей на условиях договора между заявителем и органом по сертификации.
Добровольное подтверждение соответствия осуществляется только в форме добровольной сертификации.
2. Добровольное подтверждение соответствия проводится органом по сертификации, входящим в систему добровольной сертификации.
3. Система добровольной сертификации может быть создана юридическим лицом или индивидуальным предпринимателем.
Лицо, образовавшее систему добровольной сертификации, устанавливает перечень объектов, подлежащих сертификации в данной системе, перечень правил, общих принципов или характеристик, на соответствие которым проводится добровольная сертификация, правила проведения и порядок оплаты работ в данной системе сертификации, определяет участников данной системы добровольной сертификации. Система добровольной сертификации может предусматривать применение знака соответствия.
4. Юридическое лицо или индивидуальный предприниматель, образовавшие систему добровольной сертификации, вправе зарегистрировать созданную систему в федеральном органе исполнительной власти в области технического регулирования.
Для регистрации системы добровольной сертификации заявитель представляет:
свидетельство о государственной регистрации юридического лица или индивидуального предпринимателя;
правила функционирования системы добровольной сертификации, в которых отражены положения, установленные пунктом 3 настоящей статьи;
изображение знака соответствия для данной системы добровольной сертификации и порядок его применения, если применение знака соответствия предусмотрено данной системой;
документ, подтверждающий оплату стоимости регистрации.
Регистрация осуществляется в пятидневный срок с момента представления регистрирующему органу документов, необходимых для регистрации системы добровольной сертификации. Стоимость регистрации системы добровольной сертификации устанавливается Правительством Российской Федерации. Плата за регистрацию системы добровольной сертификации подлежит зачислению в федеральный бюджет.
5. Отказ в регистрации систем добровольной сертификации допускается только в случае непредставления необходимых для регистрации документов либо совпадения наименования системы и (или) знака соответствия с наименованием и (или) знаком соответствия зарегистрированной ранее системы добровольной сертификации. Уведомление об отказе в регистрации направляется заявителю в трехдневный срок после принятия решения об отказе в регистрации с указанием оснований отказа. После устранения причин, послуживших основанием отказа в регистрации, регистрирующий орган обязан зарегистрировать систему добровольной сертификации в пятидневный срок с момента повторного обращения.
Отказ в регистрации системы добровольной сертификации может быть обжалован в судебном порядке.
6. Федеральный орган исполнительной власти в области технического регулирования ведет единый реестр зарегистрированных систем добровольной сертификации. Сведения о зарегистрированных системах добровольной сертификации должны быть доступны для заинтересованных лиц в полном объеме. Порядок ведения единого реестра зарегистрированных систем добровольной сертификации и порядок предоставления сведений из реестра устанавливается федеральным органом исполнительной власти в области технического регулирования.
Добровольная сертификация
1. Добровольная сертификация осуществляется на основании договора между заявителем и органом по сертификации. Порядок проведения работ по добровольной сертификации устанавливается правилами соответствующей системы добровольной сертификации.
Срок выполнения работ по добровольной сертификации, а также порядок и размер их оплаты, определяются правилами соответствующей системы и договором между заявителем и органом по сертификации.
2. Орган по сертификации вправе:
проводить испытания объектов добровольной сертификации в испытательной лаборатории (центре), входящей в состав органа по сертификации или в других испытательных лабораториях (центрах);
осуществлять иные действия по подтверждению соответствия объектов добровольной сертификации правилам, общим принципам или характеристикам данной системы сертификации и условиям договора с заявителем;
выдавать сертификаты соответствия на объекты, прошедшие добровольную сертификацию;
предоставлять заявителям право на применение знака соответствия системы добровольной сертификации, если применение такого знака предусмотрено данной системой;
приостанавливать либо отменять действие выданных им сертификатов соответствия в случаях и порядке, предусмотренными правилами соответствующей системы добровольной сертификации.
55. Обязательное подтверждение соответствия. Объекты и формы.
1. Обязательное подтверждение соответствия проводится только в случаях, установленных соответствующим техническим регламентом.
Объектом обязательного подтверждения соответствия может быть только продукция, поступающая в обращение на территории Российской Федерации, и исключительно в отношении требований технических регламентов.
2. Форма обязательного подтверждения соответствия в отношении конкретной продукции, процедуры и схемы подтверждения соответствия могут устанавливаться только в техническом регламенте с учетом степени риска недостижения целей технических регламентов.
3. Обязательное подтверждение соответствия осуществляется в формах:
принятия изготовителем (продавцом) декларации о соответствии (далее - декларирование соответствия);
сертификации (далее - обязательная сертификация).
Порядок применения форм обязательного подтверждения соответствия устанавливается настоящим Федеральным законом.
4. Формы обязательного подтверждения соответствия имеют равную юридическую силу. Документы, подтверждающие прохождение процедур обязательного подтверждения соответствия, действуют на всей территории Российской Федерации.
5. Оплата работ по обязательному подтверждению соответствия осуществляется заявителем (лицом, принимающим декларацию).
Устанавливаемая органом по сертификации методика определения стоимости работ по обязательной сертификации должна предусматривать применение единых правил и принципов установления цен в отношении одинаковых или сходных видов продукции, независимо от страны и (или) местности ее происхождения, а также лиц, которые являются заявителями, и на основе единых принципов отражать уровень фактических затрат, необходимых для осуществления работ по обязательной сертификации.
56. Обязательная сертификация
1. Обязательная сертификация осуществляется по обращению заявителя органом по сертификации. Схемы сертификации, применяемые для сертификации конкретной продукции, определяются соответствующим техническим регламентом.
2. Соответствие продукции требованиям технических регламентов подтверждается сертификатом соответствия, выдаваемым заявителю органом по сертификации, осуществлявшим обязательную сертификацию. Сертификат соответствия действует на всей территории Российской Федерации.
В сертификате соответствия указываются:
наименование и местонахождение заявителя;
наименование и местонахождение изготовителя продукции, проходившей сертификацию, кроме случаев, когда изготовителя установить невозможно;
наименование и местонахождение органа по сертификации, выдавшего сертификат соответствия;
информация об объекте сертификации, позволяющая идентифицировать его;
наименование технического регламента, на соответствие требованиям которого проводилась сертификация;
срок действия сертификата соответствия.
Сертификат действует в течение всего срока выпуска продукции, если иное не установлено техническим регламентом.
Сертификат соответствия также включает информацию о проведенных испытаниях, оценке системы качества, предусмотренных соответствующей схемой подтверждения соответствия, а также информацию о документах, представленных заявителем в орган по сертификации в качестве доказательств соответствия продукции требованиям соответствующего технического регламента. Форма сертификата соответствия утверждается федеральным органом исполнительной власти в области технического регулирования.
Орган по сертификации ведет реестр выданных сертификатов. Порядок ведения реестра и передачи сведений о выданных сертификатах в единый реестр, а также порядок ведения единого реестра выданных сертификатов соответствия и предоставления сведений из реестра, устанавливается федеральным органом исполнительной власти в области технического регулирования.
57. Декларирование соответствия
1. Декларирование соответствия, если оно предусмотрено техническим регламентом, осуществляется:
принятием изготовителем (продавцом) декларации о соответствии на основе собственных доказательств;
принятием изготовителем (продавцом) декларации о соответствии на основе собственных доказательств и доказательств, полученных с участием третьей стороны.
Способ декларирования в отношении конкретной продукции устанавливается только соответствующим техническим регламентом. Участие третьей стороны в декларировании соответствия допускается лишь в случаях, когда отсутствие третьей стороны может привести к недостижению целей подтверждения соответствия.
2. При декларировании на основе собственных доказательств лицо, принимающее декларацию, самостоятельно формирует доказательственную базу с целью подтверждения соответствия продукции требованиям технических регламентов. В качестве доказательств могут использоваться техническая документация, результаты собственных исследований и испытаний и (или) другие документы, послужившие основанием для заявления о соответствии декларируемой продукции требованиям технических регламентов.
3. При декларировании соответствия на основе собственных доказательств и доказательств, полученных с участием третьей стороны, лицо, принимающее декларацию, по своему выбору использует одну из следующих схем:
в дополнение к собственным доказательствам, сформированным в порядке, предусмотренном пунктом 2 настоящей статьи, лицо, принимающее декларацию, включает в комплект технической документации протоколы испытаний декларируемой продукции, проведенных в испытательной лаборатории (центре), аккредитованной в порядке, установленном Правительством Российской Федерации;
в дополнение к собственным доказательствам, сформированным в порядке, предусмотренном пунктом 2 настоящей статьи, лицо, принимающее декларацию, представляет сертификат системы качества, выданный в соответствующей системе добровольной сертификации, предусматривающей контроль выдавшего сертификат органа по сертификации за объектом сертификации. Сертификат системы качества может использоваться в составе доказательств при принятии декларации в отношении любой продукции кроме случаев, когда для такой продукции техническими регламентами предусмотрена иная форма подтверждения соответствия.
4. Декларация о соответствии оформляется на русском языке и должна содержать:
наименование и место нахождения изготовителя (продавца);
информацию об объекте подтверждения соответствия, позволяющую идентифицировать его;
наименование технического регламента, соответствие требованиям которого подтверждается;
указание на способ декларирования, примененный для подтверждения соответствия;
заявление лица, принимающего декларацию, о том, что продукция при использовании в соответствии с ее целевым назначением является безопасной и изготовителем (продавцом) были приняты меры по обеспечению соответствия продукции требованиям технических регламентов;
срок действия декларации;
иные сведения, предусмотренные техническим регламентом.
Срок действия декларации определяется самостоятельно лицом, принимающим декларацию, если техническим регламентом не предусмотрено установление определенного срока действия декларации.
Форма декларации о соответствии утверждается федеральным органом исполнительной власти в области технического регулирования.
5. Оформленная по установленным правилам декларация подлежит регистрации в уведомительном порядке федеральным органом исполнительной власти в области технического регулирования в трехдневный срок.
Для регистрации декларации о соответствии лицо, принимающее декларацию, представляет в регистрирующий орган оформленную в соответствии с требованиями пункта 4 настоящей статьи декларацию о соответствии.
Порядок ведения реестра зарегистрированных деклараций о соответствии, доступа к информации о зарегистрированных декларациях о соответствии и порядок оплаты определяются Правительством Российской Федерации.
6. Декларация о соответствии имеет равную юридическую силу с сертификатом соответствия и действительна на всей территории Российской Федерации.
Декларация о соответствии хранится у лица, принявшего декларацию, до завершения трехлетнего срока с момента окончания срока ее действия. Второй экземпляр декларации о соответствии хранится у регистрирующего органа.
58. Госконтроль и надзор за соблюдением требований нормативных документов.
1. Государственный контроль (надзор) за соблюдением требований технических регламентов осуществляют федеральные органы исполнительной власти, органы исполнительной власти субъектов Российской Федерации, подведомственные им государственные учреждения, уполномоченные на проведение государственного контроля (надзора) в соответствии с действующим законодательством Российской Федерации (далее – органы государственного контроля (надзора)).
Федеральный орган исполнительной власти в области технического регулирования осуществляет координацию деятельности органов государственного контроля (надзора).
2. Государственный контроль (надзор) осуществляется должностными лицами органов государственного контроля (надзора).
Полномочия органов государственного контроля (надзора)
1. Полномочия органов государственного контроля (надзора) устанавливаются федеральными законами, техническими регламентами и иными нормативными правовыми актами Российской Федерации.
2. На основании положений настоящего Федерального закона и требований технических регламентов органы государственного контроля (надзора) вправе:
требовать предъявления изготовителями (исполнителями, продавцами) декларации о соответствии или сертификата соответствия, подтверждающих соответствие продукции требованиям технических регламентов, если наличие таких документов предусмотрено соответствующим техническим регламентом;
привлекать изготовителя (исполнителя, продавца) к ответственности, предусмотренной действующим законодательством.
3. Государственный контроль (надзор) не должен создавать препятствий осуществлению изготовителями (исполнителями, продавцами) хозяйственной деятельности в большей степени, чем это минимально необходимо для достижения целей государственного контроля (надзора).
4. Органы государственного контроля (надзора) обязаны:
в ходе мероприятий по контролю (надзору) проводить разъяснительную работу по применению законодательства о техническом регулировании, а также принятых в соответствии с ним нормативных правовых актах, информировать изготовителей (исполнителей, продавцов) о действующих технических регламентах;
соблюдать коммерческую тайну и иную охраняемую законом конфиденциальную информацию;
соблюдать порядок проведения и оформления мероприятий по контролю (надзору), установленный действующим законодательством;
принимать по результатам мероприятий по контролю (надзору) меры для устранения последствий нарушений требований технических регламентов, минимально влияющие на осуществление изготовителями (исполнителями, продавцами) хозяйственной деятельности;
осуществлять другие полномочия, предусмотренные настоящим Федеральным законом и иными федеральными законами.
5. В случае выявления нарушений требований технических регламентов органы государственного контроля (надзора) вправе:
требовать устранения нарушений в срок, обоснованный с учетом характера нарушения;
принимать мотивированные решения о запрете отчуждения и (или) передачи продукции третьим лицам, а также полном или частичном приостановлении процессов (методов) производства, эксплуатации и утилизации, если иными мерами устранить нарушения обязательных требований невозможно;
принимать иные предусмотренные законодательством Российской Федерации меры с целью недопущения причинения вреда.
6. В случае выявления несоответствия продукции требованиям технических регламентов органы государственного контроля (надзора) направляют информацию о несоответствии продукции требованиям технических регламентов в соответствии с положениями раздела 7 настоящего Федерального закона.
Список литературы
Для подготовки данной применялись материалы сети Интернет из общего доступа