Эффекты конечной разрядности и их учет
Эффекты конечной разрядности и их учет
А. Т. Бизин
Сибирская Государственная Академия телекоммуникаций и информатики
Новосибирск 1998 г.
Шум квантования и шумовая модель
Отсчеты сигнала на входе цифровой системы квантуются к ближайшему из разрешенных уровней. Расстояния между смежными уровнями равно шагу квантования D. Шаг квантования и разрядность кодовых слов связаны соотношением
D = 2-b (4.1)
где b - разрядность кодовых слов.
Значение младшего разряда кодовых слов численно равно шагу квантования.
Разность истинного и квантованного числа называется ошибкой квантования. Ошибка квантования е(n) определяется неравенствами:
-
при округлении чисел,
-
при усечении чисел. (4.2)
На выходе цифровой системы ошибки квантования воспринимаются в виде шума, который называется шумом квантования.
Цифровые умножители наравне с АЦП являются источниками шума квантования; на выходе умножителей длину кодовых слов приходится ограничивать, т.к. разрядность результата перемножения кодовых слов возрастает и равна сумме разрядностей множимого и множителя.
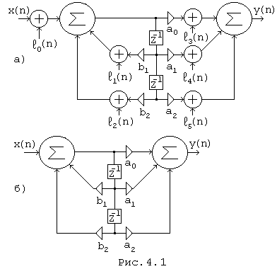
Расчет уровня шума квантования осуществляется по шумовой модели, которая отличается от исходной цепи наличием источников шума квантования на выходе АЦП и каждого из умножителей.

На Рис. 4.1, а приведена в качестве примера шумовая модель цифровой цепи, схема которой показана на Рис. 4.1, б. Обозначения для источников шума:
e>0>(n) - источник шума от АЦП
e>i>(n) - источник шума от каждого из Z множителей.
Расчет шумов квантования
Уровень шума квантования можно оценить, например, по величине максимума шума, т.е. оценка шума по условию наихудшего случая, или по величине усредненной энергии шума, т.е. вероятностная оценка шума.
Расчет максимума шума
Шум квантования на выходе цепи от i-го источника шума определяется по формуле свертки

где e>i>(n) - шум на выходе i-го источника шума,
h>i> (n) - импульсная характеристика участка цепи от i-го источника шума до выхода цепи.
Максимум шума Е>i> получается в этом выражении при условии выполнения равенств в формулах (4.2) и совпадении знаков e>i> (k) и h>i> (n-k). В результате
- при
округлении чисел,
- при
усечении чисел.
Максимум шума на выходе цепи Е от всех источников шума определяется суммой максимумов, т.е. наихудший случай, от всех источников шума
(4.3)
где D>0>/2 - максимум шума на выходе АЦП при округлении чисел,
D/2 - максимум шума на выходе каждого из Z умножителей при округлении чисел или условии одинаковой разрядности всех умножителей.
Оценка шума по максимуму приводит к значительному превышению расчетного уровня шума по отношению к реальному. Поэтому чаще применяется вероятностная оценка шума.
Расчет усредненной энергии шума
Шум квантования имеет характер случайной последовательности типа "белый шум". Поэтому дисперсия шума на выходе цепи согласно (2.24), (2.25) определяется формулой
,
где
-
дисперсия шума на выходе i-го источника
шума. Учитывая характер шума, дисперсия
шума на выходе источника будет определяться
известными формулами:
-
при округлении чисел
-
при усечении чисел (4.4)
Следовательно, при округлении чисел

Дисперсия шума от всех источников на выходе цепи, при условии отсутствия корреляции между источниками шума, определяется суммой дисперсий шума от всех источников
(4.5)
где
-
дисперсия шума на выходе АЦП при
округлении чисел.
-
дисперсия шума на выходе каждого из Z
множителей при округлении чисел.
Вероятностная оценка шума характеризует усредненный уровень энергии шума, поэтому в реальных условиях не исключены кратковременные скачки помехи относительно расчетного значения.
Влияние структуры ЦФ на шум квантования
Уровень шума квантования зависит от добротности полюсов передаточной функции. Добротность К-ого полюса определяется по формуле
(4.6)
где
r>k>
- радиус полюса, Z>k>
=
(Рис. 4.2, а), Q>к>
= w>к>Т
- угол полюса, w>к
>-
частота полюса.
Действительно, поскольку Z = epT, то

следовательно

Отсюда

поэтому

Чем выше добротность полюсов, тем выше уровень шумов квантования поскольку высокой добротности соответствует длительная циркуляция сигнала по цепи ОС при условии медленного снижения уровня сигнала с каждым новым обходом петли обратной связи. Но цепь ОС содержит, как правило, умножители, поэтому с каждой новой циркуляцией по цепи ОС сигнал все больше поражается помехой.
Реализация цепи на каскадном принципе позволяет ослабить негативное воздействие полюсов на помехозащищенность сигнала если, с одной стороны, каждому полюсу подобрать в пару ближайший к нему нуль (при совпадении полюса и нуля влияния полюса на шум полностью исключено), с другой стороны - располагать звенья в порядке нарастания добротности полюсов.
Основой каскадной реализации является представление передаточной функции в виде произведения простейших сомножителей в числителе и знаменателе
(4.7)
где Z>0m> - нули H(Z), Z>¥>>m> - полюсы H(Z).
Сомножителям 1-го порядка (нули и полюсы - вещественные) соответствуют звенья 1-го порядка, сомножителям 2-го порядка (нули и полюсы - комплексно-сопряженные) соответствуют звенья 2-го порядка. При этом добротность вещественных полюсов тем выше, чем ближе к единичной окружности на плоскости Z располагается полюс.
Пример. Построить цепь на каскадном принципе по известной передаточной функции
H(Z) = 0,8

Решение.
Здесь
=
0,1 ±
0,4,
=
0,1 ±
0,3
Следовательно

что соответствует схеме цепи на рис. 4.2, б.

Реализация на каскадном принципе передаточных функций высокого порядка может привести к значительному снижению уровня шумов квантования по сравнению с реализацией другими структурами цепи.
Квантование коэффициентов. Расчет разрядности
Габариты, вес и стоимость специализированного процессора, предназначенного для обработки сигналов, тем меньше, чем короче кодовые слова и, в частности, кодовые слова, соответствующие коэффициентам цифровой цепи. Кодовые слова коэффициентов имеют, в общем случае, бесконечную разрядность, поэтому разрядность приходится ограничивать в пределах допусков на отклонение от нормы системных характеристик.
Спецпроцессор функционирует в системе чисел с фиксированной запятой. В этом случае дробная часть кодовых слов определяет модуль числа, целая часть - знак числа: знаку плюс соответствует нуль, знаку минус - единица. Перевод чисел из десятичной системы в двоичную удобно выполнить в форме таблицы, в которой первая клетка отводится исходному числу, остальные клетки - результату перемножения на два дробной части предыдущего числа. Целая часть числа в основных клетках определяет дробную часть двоичного числа.
Пример. Дано десятичное число А>(10)> = 0,32.
Определить прямой код двоичного числа А>(2)>, если разрядность двоичного числа принять равной 8.
Решение
Заполним таблицу промежуточных расчетов.
|
0,32 2 |
0,64 2 |
1,28 2 |
0,56 2 |
1,12 2 |
0,24 2 |
0,48 2 |
0,96 2 |
1,92 2 |
1,84 |
Отсюда двоичное число А>(2)> = 0,010100011
Последний - девятый - разряд необходим для округления.
Окончательный результат:
А>(2)> = 0,01010010 - после округления;
А>(2)> = 0,01010001 - после усечения.
Оценим погрешность полученных чисел конечной разрядности.
При округлении
А>(10)>
0*2-1
+ 0*2-3
+ 1*2-4
+ 0*2-5
+ 0*2-6
+ 1*2-7
+ 0*2-8
= 0,3203125
Отсюда, относительная погрешность представления исходного числа кодовым словом конечной разрядности равной 8 составляет d » 0,1 %
При усечении
А>(10)>
0*2-1
+ 0*2-3
+ 1*2-4
+ 0*2-5
+ 0*2-6
+ 0*2-7
+ 1*2-8
= 0,31640625
что соответствует d » 1,15 %
Существуют различные способы расчета разрядности коэффициентов по допускам на системные характеристики. Самый простой способ - метод проб.
Расчет по методу проб начинается с выбора разрядности коэффициентов ориентировочно, субъективно. Затем следует расчет системных характеристик с новыми - приближенными - значениями коэффициентов, оценка искажений характеристик и соответствующая коррекция разрядности коэффициентов в ту или иную сторону. Расчет повторяется столько раз, сколько потребуется для удовлетворительного решения задачи по выбору разрядности коэффициентов.
Чувствительность
Анализ искажений, вызванных квантованием коэффициентов, удобно выполнить по функции чувствительности S.
Чувствительность некоторой величины M к изменению параметра q (сокращенно - чувствительность M по q) определяется так:
(4.8)
Чувствительность отвечает на вопрос: на сколько процентов изменится величина М, если параметр q изменится на 1%. Параметром q цифровой цепи могут быть как коэффициенты цепи, так и зависящие от них вторичные параметры, например, координаты полюсов и нулей на плоскости Z. Содержание величины М может быть разным в зависимости от поставленной задачи; например, одна из системных характеристик или положение полюса, если параметром q является коэффициент цепи.
Рассмотрим более подробно чувствительность передаточной функции по одному из коэффициентов цепи a>i>
(4.9)
Чувствительность комплекса передаточной функции удобно получать непосредственно по (4.9)

Чувствительность АЧХ и ФЧХ

Можно выразить через вещественную и мнимую части чувствительности комплекса передаточной функции. Действительно,



Следовательно
(4.10)
Пример. Определить чувствительность АЧХ по коэффициенту b, если

Решение
Здесь

Следовательно

где

Отсюда чувствительность АЧХ по коэффициенту b

Чувствительность частотных характеристик достаточно оценить на частоте полюса максимальной добротности w>к>, которая определяется, согласно (4.6), значением угла полюса
Q>к> = w>к>Т
На частоте w>к >чувствительность принимает максимальное значение:
Оценку максимума чувствительности по коэффициенту a>i >можно применить, в частности, к расчету разрядности коэффициентов по допускам на отклонение АЧХ. Расчет начинается с определения среднеквадратичной чувствительности по всем коэффициентам a>i>.
(4.11)
Необходимость среднеквадратичного критерия объясняется разным сочетанием знаков чувствительностей в зависимости от частоты, поэтому суммарная чувствительность может оказаться равной нулю даже на частоте w>к>.
В режиме малых приращений коэффициентов реакция системы проявляется по линейному закону, поэтому можно воспользоваться пропорцией
1% -

d>S>> >- d>Н>
и определить среднеквадратичное значение погрешности коэффициентов d>S> по допуску на отклонение АЧХ d>Н>.
Сравнивая требуемое значение d>S>> >и реализованное значение среднеквадратичной погрешности коэффициентов d'>S>
d'>S>
=
(4.12)
можно определить разрядность коэффициентов методом проб.
В качестве примера анализа цепи по функции чувствительности можно сделать ссылку на анализ чувствительности полосового ЦФ к изменению тактовой частоты. Оказалось, что смещение полосы пропускания увеличением тактовой частоты, при неизменной ширине полосы пропускания, потребует увеличения разрядности коэффициентов.
Масштабирование сигнала в цепи
Уровень шума квантования на выходе источника шума не зависит от уровня сигнала: уровень шума определяется величиной шага квантования. Поэтому соотношение сигнал/шум тем выше, чем выше уровень сигнала в цепи. Но высокие уровни сигнала могут привести к переполнению сумматоров цепи, т.е. к выходу числа за пределы разрядной сетки слева в регистре сумматора, на котором вырабатывается сумма. В системе чисел с фиксированной запятой таким пределом называется единица.
Переполнение сумматора равносильно ограничению сигнала сверху пороговым нелинейным элементом в аналоговой цепи.
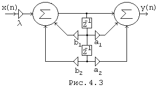
Поэтому возникает необходимость в масштабировании сигнала с таким расчетом, чтобы получить высокие уровни сигнала в цепи с минимальным риском перегрузки сумматоров. Масштабирование осуществляется специальным умножителем, который устанавливается на входе цепи. На рис. 4.3. приведен пример цепи с масштабным умножителем.

Расчет множителя l выполняется по каждому сумматору отдельно. Из множества расчетных значений l необходимо выбрать наименьшее, т.е. l того сумматора, который наиболее подвержен опасности переполнения.
Расчетные значения l рекомендуется округлить в меньшую сторону до ближайшего числа кратного степени 2: операцию умножения на число кратное степени 2 можно выполнить простым сдвигом числа в числовом регистре, что практически не требует затрат времени и оборудования на умножение поступающих кодовых слов.
Рассмотрим методы расчета масштабного множителя.
Расчет по условию ограничения максимума сигнала
Сигнал на входе i-ого сумматора определяется по формуле свертки

где x(n) - сигнал на входе цепи
lh>i>(n) - импульсная характеристика участка цепи от входа до выхода i-ого сумматора.
Максимум модуля сигнала y>i>(n) имеет место при соблюдении условия:
x(n-k)={+1, если h>i>(k)>0
-1, если h>i>(k)<0}
поэтому

Если ограничить максимум модуля сигнала единицей, т.е.
,
то требование отсутствия переполнения сумматора выполняется при условии:
(4.13)
Расчет масштабного множителя по (4.13), т.е. по условию ограничения максимума сигнала, приводит к режиму работы цепи, при котором перегрузка сумматоров исключена, но уровни сигнала в цепи - низкие. Поэтому чаще применяется вариант расчета по условию ограничения энергии сигнала, который приводит к более высоким уровням сигнала.
Расчет по условию ограничения энергии сигнала
Энергия сигнала на выходе i-го сумматора определяется согласно (2.25) по формуле

Формула справедлива для случайных сигналов с равномерным энергетическим спектром, что примерно соответствует реальным сигналам.
Сигнал на входе цепи не превышает единицы по абсолютной величине, поэтому сигнал на выходе i-го сумматора не превысит, наиболее вероятно, модуля единицы, если потребовать выполнение условия:
1.

2. Корреляционные связи сигнала и системы - отсутствуют.
В результате исходная формула принимает вид

Отсюда
(4.14)
Масштабный умножитель с коэффициентом (4.14) обеспечивает относительно высокие уровни сигнала в цепи, но возникает опасность перегрузок сумматоров. Перегрузки маловероятны и кратковременны, поэтому для многих систем обработки сигналов вполне допустимы, тем более, что отрицательный эффект от перегрузок можно ослабить, если подставлять единицу на выход сумматора по признаку переполнения.
Расчет по условию ограничения максимума усиления цепи
Усиление участка цепи от входа цепи до выхода i-го сумматора в значительной мере определяет условия перегрузки i-го сумматора. Поэтому, ограничивая максимум усиления единицей

приходим к режиму работы цепи, при котором опасность перегрузки i-го сумматора становится минимальной, поскольку сигнал на входе цепи не превышает по модулю единицы. Отсюда расчетная формула для масштабного множителя
(4.15)
Частоту максимального усиления w>к> можно определить по известному углу высокодобротного полюса Q>к> = w>к>Т (4.6) передаточной функции H>i>(Z).
Расчет масштабного множителя по (4.15) применяется чаще при каскадной реализации, когда масштабирование можно выполнить внутри каждого звена.
Динамический диапазон ЦФ
Динамический диапазон цепи определяется границами уровня выходного сигнала. Для цифровой цепи, функционирующей в системе чисел с фиксированной запятой, динамический диапазон равен
[D; 1,0],
где D - значение младшего разряда кодовых слов.
Эффективность использования динамического диапазона оценивается с одной стороны - вероятностью перегрузки сумматоров, с другой - величиной помехозащищенности сигнала на выходе цепи относительно уровня шумов квантования на выходе цепи
(4.16)
где R>ш> - помехозащищенность сигнала,
-
дисперсия шума
-
усредненная энергия сигнала,
Р>с>, Р>ш> - мощности сигнала и шума.
Масштабирование сигнала позволяет добиться высокой эффективности использования динамического диапазона цепи.
Предельные циклы
Предельными циклами называется ложный сигнал, который возникает на выходе рекурсивного ЦФ, если на вход цепи поступает сигнал в виде константы. Причиной появления предельных циклов является процедура квантования сигнала в умножителях, охваченных обратной связью.
Пример. Определить форму предельных циклов заданной цепи (рис. 4.4), если сигнал на выходе умножителя округляется на уровне десятых долей, а сигнал на входе в момент t=0 прерывается, т.е. наступает пауза. Состояние цепи к моменту t=0 характеризуется условием: y(-1) = 0,5.

Решение.
Разностное уравнение цепи: y(n) = x(n) + 0,8y(n-1)
Решение разностного уравнения.
n=0 : y(0) = 0 + 0,8 * 0,5 = 0,4
n=1 : y(1) = 0 + 0,8 * 0,4 = 0,32 » 0,3
n=2 : y(2) = 0 + 0,8 * 0,3 = 0,24 » 0,2
n=3 : y(3) = 0 + 0,8 * 0,2 = 0,16 » 0,2
n=4 : y(4) = 0 + 0,8 * 0,2 = 0,16 » 0,2
............................................................
Следовательно y(n) = {0,4; 0,3; 0,2; 0,2; 0,2; ... }, т.е. сигнал "зависает" на уровне 0,2. Если знак коэффициента 0,8 заменить на противоположный, то форма предельных циклов принимает вид знакопеременной последовательности y(n) = {-0,4; 0,3; -0,2; 0,2; -0,2; ... }.
В цепях высокого порядка предельные циклы имеют сложную форму и определяются, при необходимости, моделированием фильтра на ЭВМ.
Ложные сигналы в системах передачи информации не допустимы, поэтому применяются различные способы борьбы с предельными циклами. Можно, например, подмешивать к сигналу на входе цепи псевдослучайную последовательность нулей и единиц на уровне младшего разряда кодовых слов. Но в этом случае необходимо увеличить на единицу разрядность кодовых слов, чтобы помехозащищенность сигнала оставить на прежнем уровне.