Дифференциальные уравнения для электрической цепи
Министерство Образования Российской Федерации
ИрГТУ
Кафедра АПП
Курсовая работа
по математике
Выполнил: студент группы АТП-05-1
Поверил: профессор
Баев А. В.
Иркутск
2007 г
Задание.
Для заданной электрической цепи составить дифференциальные уравнения при входном воздействии типа скачка.
Применить к полученному уравнению преобразование Лапласа при нулевых начальных условиях.
Решить уравнение операторным методом.
Построить переходный процесс.
Записать выражение и построить частотные характеристики цепи: АЧХ, ФЧХ, ДЧХ, МЧХ и АФЧХ (амплитудно-фазовую характеристику).
Описать динамику вашей цепи в терминах пространства состояния.
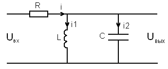
Схема электрической цепи

Дано:
R = 5
L = 10
C = 12



;



При подстановке данных получаем окончательное дифференциальное уравнение:

Применим преобразование Лапласа и запишем передаточную функцию для данной цепи


Решаем характеристическое уравнение:

График переходного процесса


Заменим P = jω, получая комплексную переменную:

Решаем алгебраически:
АФЧХ :

ДЧХ :
ФЧХ :

С помощью MathCAD строим все виды характеристик цепи:

Графики частотных характеристик цепи:
ДЧХ и МЧХ:

АЧХ:

ФЧХ:

АФЧХ:

Опишем динамику нашей цепи в терминах пространства состояния.
Компактная форма:

Составляем матрицу A:

Составляем матрицу единичную матрицу Ep:

Выражение для передаточной функции:

Составляем матрицу из алгебраического дополнения:

Составляем транспонированную матрицу:


Находим определитель ∆




Выражение для передаточной функции:


При подстановке данных, получаем:


Дискретная форма.
Передаточная функция равна:

Находим корни корни характеристического уравнения:

Из таблицы оригиналов и значений:

Произведем подстановку данных:


Разделим числитель и знаменатель на z в max степени:

Следовательно:

где m- максимальная степень z, L- максимальная степень z в знаменателе:

Находим, целю часть:

Следовательно:

График дискретной функции :
