Моделирование движения парашютиста
БЕЛОРУССКИЙ НАЦИОНАЛЬНЫЙ ТЕХНИЧЕСКИЙ УНИВЕРСИТЕТ
РЕСПУБЛИКАНСКИЙ ИНСТИТУТ ИННОВАЦИОННЫХ ТЕХНОЛОГИЙ
КАФЕДРА ИНФОРМАЦИОННЫХ ТЕХНОЛОГИЙ
Курсовая работа
Дисциплина «Математическое моделирование»
Тема: «Моделирование движения парашютиста»
Минск 2008
Содержание
Введение
1. Свободное падение тела с учетом сопротивления среды
2. Формулировка математической модели и ее описание.
3. Описание программы исследования с помощью пакета Simulink
4. Решение задачи программным путем
Список использованных источников
Введение
Формулировка проблемы:
Катапульта выбрасывает манекен человека с высоты 5000 метров. Парашют не раскрывается, манекен падает на землю. Оценить скорость падения в момент удара о землю. Оценить время достижения манекеном предельной скорости. Оценить высоту, на которой скорость достигла предельного значения. Построить соответствующие графики, провести анализ и сделать выводы.
Цель работы:
Научиться составлять математическую модель, решать дифференциальные уравнения программными средствами (используется язык технических вычислений MatLAB 7.0, пакет расширения Simulink) и анализировать полученные данные о математической модели.
Свободное падение тела с учетом сопротивления среды
При реальных физических движениях тел в газовой или жидкостной среде трение накладывает огромный отпечаток на характер движения. Каждый понимает, что предмет, сброшенный с большой высоты (например, парашютист, прыгнувший с самолета), вовсе не движется равноускоренно, так как по мере набора скорости возрастает сила сопротивления среды. Даже эту, относительно несложную, задачу нельзя решить средствами “школьной” физики: таких задач, представляющих практический интерес, очень много. Прежде чем приступать к обсуждению соответствующих моделей, вспомним, что известно о силе сопротивления.
Закономерности,
обсуждаемые ниже, носят эмпирический
характер и отнюдь не имеют столь строгой
и четкой формулировки, как второй закон
Ньютона. О силе сопротивления среды
движущемуся телу известно, что она,
вообще говоря, растет с ростом скорости
(хотя это утверждение не является
абсолютным). При относительно малых
скоростях величина силы сопротивления
пропорциональна скорости и имеет место
соотношение,
где
определяется
свойствами среды и формой тела. Например,
для шарика
—
это формула Стокса, где
—
динамическая вязкость среды, r
— радиус шарика. Так, для воздуха при t
= 20°С и давлении 1 атм
=
0,0182 H.c.м-2
для воды 1,002 H.c.м-2
, для глицерина 1480 H.c.м-2.
Оценим, при какой скорости для падающего вертикально шара сила сопротивления сравняется с силой тяжести (в движение станет равномерным).
Имеем

или
(1)
Пусть r=
0,1 м,
=
0,8 кг/м (дерево). При падении в воздухе
м/с,
в воде
17
м/с, в глицерине
0,012
м/с.
На самом деле
первые два результата совершенно не
соответствуют действительности. Дело
в том, что уже при гораздо меньших
скоростях сила сопротивления становится
пропорциональной квадрату скорости:
.
Разумеется, линейная по скорости часть
силы сопротивления формально также
сохранится, но если
,
то вкладом
можно
пренебречь (это конкретный пример
ранжирования факторов). О величине k2
известно следующее: она пропорциональна
площади сечения тела S,
поперечного по отношению к потоку, и
плотности среды
и
зависит от формы тела. Обычно представляют
k2
= 0,5сS
,
где с — коэффициент лобового сопротивления
— безразмерен. Некоторые значения с
(для не очень больших скоростей) приведены
на рис.1.
При достижении достаточно большой скорости, когда образующиеся за обтекаемым телом вихри газа или жидкости начинают интенсивно отрываться от тела, значение с в несколько раз уменьшается. Для шара оно становится приблизительно равным 0,1. Подробности можно найти в специальной литературе.
Вернемся к указанной выше оценке, исходя из квадратичной зависимости силы сопротивления от скорости.
Имеем

или
(2)
для шарика
(3)
|
|
Диск Полусфера Полусфера Шар Каплевидное тело Каплевидное тело |
с = 1,11 с = 1,33 с = 0,55 с = 0,4 с = 0,045 с = 0,01 |
Рис 1. Значения коэффициента лобового сопротивления для некоторых тел, поперечное сечение которых имеет указанную на рисунке форму
Примем r
= 0,1 м,
=0,8.103
кг/м3 (дерево). Тогда для движения в
воздухе (
=
1,29 кг/м3 ) получаем

18
м/с, в воде(
=
1.103 кг/м3 )

0,65
м/с, в глицерине (
=
1,26.103 кг/м3 )

0,58
м/с.
Сравнивая с приведенными выше оценками линейной части силы сопротивления, видим, что для движения в воздухе и в воде ее квадратичная часть сделает движение равномерным задолго до того, как это могла бы сделать линейная часть, а для очень вязкого глицерина справедливо обратное утверждение. Рассмотрим свободное падение с учетом сопротивления среды. Математическая модель движения — уравнение второго закона Ньютона с учетом двух сил, действующих на тело: силы тяжести и силы сопротивления среды:
(4)
Движение является одномерным; проецируя векторное уравнение на ось, направленную вертикально вниз, получаем
(5)
Вопрос, который
мы будем обсуждать на первом этапе,
таков: каков характер изменения скорости
со временем, если все параметры, входящие
в уравнение (7) заданы? При такой постановке
модель носит сугубо дескриптивный
характер. Из соображений здравого смысла
ясно, что при наличии сопротивления,
растущего со скоростью, в какой-то момент
сила сопротивления сравняется с силой
тяжести, после чего скорость больше
возрастать не будет. Начиная с этого
момента,
,
и соответствующую установившуюся
скорость
можно
найти из условия
=0,
решая не дифференциальное, а квадратное
уравнение. Имеем
(6)
(второй —
отрицательный — корень, естественно,
отбрасываем). Итак, характер движения
качественно таков: скорость при падении
возрастает от
до
.
Как и по какому закону – это можно
узнать, лишь решив дифференциальное
уравнение (7).
Однако даже в столь простой задаче мы пришли к дифференциальному уравнению, которое не относится ни к одному из стандартных типов, выделяемых в учебниках по дифференциальным уравнениям, допускающих очевидным образом аналитическое решение. И хотя это не доказывает невозможность его аналитического решения путем хитроумных подстановок, но они не очевидны. Допустим, однако, что нам удастся найти такое решение, выраженное через суперпозицию нескольких алгебраических и трансцендентных функций – а как найти закон изменения во времени перемещения? Формальный ответ прост:
(7)
но шансы на реализацию этой квадратуры уже совсем невелики. Дело в том, что класс привычных нам элементарных функций очень узок, и совершенно обычна ситуация, когда интеграл от суперпозиции элементарных функций не может быть выражен через элементарные функции в принципе. Математики давно расширили множество функций, с которыми можно работать почти так же просто, как с элементарными (т. е. находить значения, различные асимптотики, строить графики, дифференцировать, интегрировать). Тем, кто знаком с функциями Бесселя, Лежандра, интегральными функциями и еще двумя десятками других, так называемых специальных функций, легче находить аналитические решения задач моделирования, опирающихся на аппарат дифференциальных уравнений. Однако даже получение результата в виде формулы не снимает проблемы представления его в виде, максимально доступном для понимания, чувственного восприятия, ибо мало кто может, имея формулу, в которой сопряжены логарифмы, степени, корни, синусы и тем более специальные функции, детально представить себе описываемый ею процесс - а именно это есть цель моделирования.
В достижении
этой цели компьютер — незаменимый
помощник. Независимо от того, какой
будет процедура получения решения -
аналитической или численной, — задумаемся
об удобных способах представления
результатов. Разумеется, колонки чисел,
которых проще всего добиться от компьютера
(что при табулировании формулы, найденной
аналитически, что в результате численного
решения дифференциального уравнения),
необходимы; следует лишь решить, в какой
форме и размерах они удобны для восприятия.
Слишком много чисел в колонке быть не
должно, их трудно будет воспринимать,
поэтому шаг, с которым заполняется
таблица, вообще говоря, гораздо больше
шага, с которым решается дифференциальное
уравнение в случае численного
интегрирования, т.е. далеко не все
значения
и
,
найденные компьютером, следует записывать
в результирующую таблицу (табл. 2).
Таблица 2
Зависимость перемещения и скорости падения от времени (от 0 до 15 с)
|
t(c) |
S(m) |
|
t(c) |
S(m) |
|
|
0 1 2 3 4 5 6 7 |
0 4.8 18.7 40.1 66.9 97.4 130.3 164.7 |
0 9,6 17,9 24,4 28,9 31,9 33,8 35,0 |
8 9 10 11 12 13 14 15 |
200.1 235.9 272.1 308.5 345.0 381.5 418.1 454.7 |
35.6 36.0 36.3 36.4 36.5 36.6 36.6 36.6 |
Кроме таблицы
необходимы графики зависимостей
и
;
по ним хорошо видно, как меняются со
временем скорость и перемещение, т.е.
приходит качественное понимание
процесса.
Еще один элемент наглядности может внести изображение падающего тела через равные промежутки времени. Ясно, что при стабилизации скорости расстояния между изображениями станут равными. Можно прибегнуть и к цветовой раскраске — приему научной графики, описанному выше.
Наконец, можно запрограммировать звуковые сигналы, которые подаются через каждый фиксированный отрезок пути, пройденный телом — скажем, через каждый метр или каждые 100 метров — смотря по конкретным обстоятельствам. Надо выбрать интервал так, чтобы вначале сигналы были редкими, а потом, с ростом скорости, сигнал слышался все чаще, пока промежутки не сравняются. Таким образом, восприятию помогают элементы мультимедиа. Поле для фантазии здесь велико.
Приведем конкретный пример решения задачи о свободно падающем теле. Герой знаменитого фильма “Небесный тихоход” майор Булочкин, упав с высоты 6000 м в реку без парашюта, не только остался жив, но даже смог снова летать. Попробуем понять, возможно, ли такое на самом деле или же подобное случается только в кино. Учитывая сказанное выше о математическом характере задачи, выберем путь численного моделирования. Итак, математическая модель выражается системой дифференциальных уравнений.
(8)
Разумеется, это не только абстрактное выражение обсуждаемой физической ситуации, но и сильно идеализированное, т.е. ранжирование факторов перед построением математической модели произведено. Обсудим, нельзя ли произвести дополнительное ранжирование уже в рамках самой математической модели с учетом конкретно решаемой задачи, а именно — будет ли влиять на полет парашютиста линейная часть силы сопротивления и стоит ли ее учитывать при моделировании.
Так как постановка задачи должна быть конкретной, мы примем соглашение, каким образом падает человек. Он опытный летчик и наверняка совершал раньше прыжки с парашютом, поэтому, стремясь уменьшить скорость, он падает не “солдатиком”, а лицом вниз, “лежа”, раскинув руки в стороны. Рост человека возьмем средний — 1,7 м, а полуобхват грудной клетки выберем в качестве характерного расстояния — это приблизительно 0,4 м. для оценки порядка величины линейной составляющей силы сопротивления воспользуемся формулой Стокса. Для оценки квадратичной составляющей силы сопротивления мы должны определиться со значениями коэффициента лобового сопротивления и площадью тела. Выберем в качестве коэффициента число с=1,2 как среднее между коэффициентами для диска и для полусферы (выбор дня качественной оценки правдоподобен). Оценим площадь: S = 1,7 ∙ 0,4 = 0,7(м2).
В физических задачах на движение фундаментальную роль играет второй закон Ньютона. Он гласит, что ускорение, с которым движется тело, прямо пропорционально действующей на него силе (если их несколько, то равнодействующей, т.е. векторной сумме сил) и обратно пропорционально его массе:
.
Так для свободно падающего тела под действием только собственной массы закон Ньютона примет вид:

Или в дифференциальном виде:


Взяв интеграл от этого выражения, получим зависимость скорости от времени:

Если
в начальный момент V0
= 0, тогда
.
Далее определим зависимость высоты от времени, для чего проинтегрируем последнее выражение.


.
Выясним,
при какой скорости сравняются линейная
и квадратичная составляющие силы
сопротивления. Обозначим эту скорость
Тогда

или

Ясно, что практически с самого начала скорость падения майора Булочкина гораздо больше, и поэтому линейной составляющей силы сопротивления можно пренебречь, оставив лишь квадратичную составляющую.
После оценки всех параметров можно приступить к численному решению задачи. При этом следует воспользоваться любым из известных методов интегрирования систем обыкновенных дифференциальных уравнений: методом Эйлера, одним из методов группы Рунге — Кутта или одним из многочисленных неявных методов. Разумеется, у них разная устойчивость, эффективность и т.д. — эти сугубо математические проблемы здесь не обсуждаются.
Вычисления производятся до тех пор, пока не опустится на воду. Примерно через 15 с после начала полета скорость становится постоянной и остается такой до приземления. Отметим, что в рассматриваемой ситуации сопротивление воздуха радикально меняет характер движения. При отказе от его учета график скорости, изображенный на рисунке 2, заменился бы касательной к нему в начале координат.

Рис. 2. График зависимости скорости падения от времени
Формулировка математической модели и ее описание
парашютист падение сопротивление математическая модель
При построении математической модели необходимо соблюдение следующих условий:
- манекен массой 50 кг соответственно падают в воздухе с плотностью 1,225 кг/м3;
- на движение влияют только силы линейного и квадратичного сопротивления;
- площадь сечения тела S=0.4 м2;
Тогда для свободно падающего тела под действием сил сопротивления закон Ньютона примет вид:
,
где a – ускорение тела, м/с2,
m – его масса, кг,
g – ускорение свободного падения на земле, g = 9,8 м/с2,
v – скорость тела, м/c,
k1 – линейный коэффициент пропорциональности, примем k1 = β = 6πμl (μ – динамическая вязкость среды, для воздуха μ = 0,0182 Н.с.м-2; l – эффективная длина, примем для среднестатистического человека при росте 1,7 м и соответствующем обхвате грудной клетки l = 0,4 м),
k2 – квадратичный коэффициент пропорциональности. K2 = α = С2ρS. В данном случае достоверно можно узнать лишь плотность воздуха, а площадь манекена S и коэффициент лобового сопротивления С2 для него определить сложно, можно воспользоваться полученными экспериментальными данными и принять K2 = α = 0,2.
Тогда получим закон Ньютона в дифференциальном виде:

Так как

Тогда можно составить систему дифференциальных уравнений:

Математическая модель при падении тела в гравитационном поле с учетом сопротивления воздуха выражается системой из двух дифференциальных уравнений первого порядка.
Описание программы исследования с помощью пакета Simulink
Для имитационного моделирования движения парашютиста в системе MATLAB используем элементы пакета расширения Simulink. Для задания величин начальной высоты - H_n, конечной высоты - H_ k, числа - pi, μ – динамическая вязкость среды - my, обхват - R, массе манекена m, коэффициент лобового сопротивления - c, плотность воздуха - ro, площадь сечения тела - S, ускорение свободного падения - g, начальная скорость - V_n используем элемент Constant находящийся в Simulink/Sources (рисунок 3).

Рисунок 3. Элемент Constant
Для операции умножения используем блок Product, находящийся в Simulink/Math Operations/Product (рисунок 4).

Рисунок. 4
Для ввода k1 – линейного коэффициента пропорциональности и k2 – квадратичного коэффициента пропорциональности используем элемент Gain, находящийся в Simulink/Math Operations/Gain (Рисунок. 5.)

Рисунок. 5
Для интегрирования – элемент Integrator. Находящийся в Simulink/Continuous/Integrator. Рисунок. 6.

Рисунок. 6
Для вывода информации используем элементы Display и Scope. Находящиеся в Simulink/Sinks. (Рисунок. 7)

Рисунок. 7
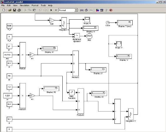
Математическая модель для исследования с использованием вышеперечисленных элементов, описывающая последовательный колебательный контур приведена на рисунке 8.

Рисунок. 8
Программа исследований
1. Исследование графика зависимости высоты от времени и скорости от времени масса парашютиста равна 50кг.

Рисунок 9
Из графиков видно, что при расчете падения парашютиста массой 50 кг, следующие данные: максимальная скорость равна 41,6 м/с и время равно 18с , и должна достигаться через 800 м падения, т.е. в нашем случае на высоте около 4200 м.

Рисунок. 10
2. Исследование графика зависимости высоты от времени и скорости от времени масса парашютиста равна 100кг.

Рисунок 11

Рисунок 12
С массой парашютиста 100 кг.: максимальная скорость равна 58 м/с и время равно 15с , и должна достигаться через 500 м падения, т.е. в нашем случае на высоте около 4500 м. (рисунок. 11., рисунок. 12).
Выводы по полученным данным, которые справедливы для манекенов, отличающихся только массой, но с одинаковыми размерами, формой, типом поверхности и другими параметрами, определяющими внешний вид объекта.
Легкий манекен при свободном падении в гравитационном поле с учетом сопротивления среды достигает меньшей предельной скорости, но за меньший промежуток времени и, естественно, при одинаковой начальной высоте – в более низкой точке траектории, чем тяжелый манекен.
Чем тяжелее манекен, тем быстрее он достигнет земли.
Решение задачи программным путем
М-файл функции parashut.m:
%Функция моделирования движения парашютиста
function dhdt=parashut(t,h)
global k1 k2 g m
% система ДУ первого порядка
dhdt(1,1)= -h(2);
dhdt(2,1)=(m*g-k1*h(2)-k2*h(2)*h(2))/m
М-файл вывода результатов parashutist.m:
% Моделирование движения парашютиста
% Васильцов С. В.
clc
global h0 g m k1 k2 a
% k1-линейный коэффициент пропорциональности, определяющийся свойствами среды и формой тела. Формула Стокса.
k1=6*0.0182*0.4;
%k2-квадратичный коэффициент пропорциональности, пропорционален площади сечения тела, поперечного по
%отношения к потоку, плотности среды и зависит от формы тела.
k2=0.5*1.2*0.4*1.225
g=9.81; % ускорение свободного падения
m=50; % масса манекена
h0=5000; % высота
[t h]= ode45(@parashut,[0 200],[h0 0] )
r=find(h(:,1)>=0);
s=length(r);
b=length(t);
h(s+1:b,:)=[];
t(s+1:b,:)=[];
a=g-(k1*-h(:,2)+k2*h(:,2).*h(:,2))/m % вычисляем ускорение
% Построение графика зависимости высоты от времени
sub>plot(3,1,1), plot(t,h(:,1),'LineWidth',1,'Color','r'),grid on;
xlabel('t, c'); ylabel('h(t), m');
title('График зависимости высоты от времени', 'FontName', 'Arial','Color','r','FontWeight','bold');
legend('m=50 kg')
% Построение графика зависимости скорости от времени
sub>plot(3,1,2), plot(t,h(:,2),'LineWidth',1,'Color','b'),grid on;
xlabel('t, c');
ylabel('V(t), m/c');
Title('График зависимости скорости от времени', 'FontName', 'Arial','Color','b','FontWeight','bold');
legend('m=50 kg')
% Построение графика зависимости ускорения от времени
sub>plot(3,1,3), plot(t,a,'-','LineWidth',1,'Color','g'),grid on;
text (145, 0,'t, c');
ylabel('a(t), m/c^2');
Title('График зависимости ускорения от времени', 'FontName', 'Arial','Color','g','FontWeight','bold');
legend('m=50 kg')
Экранная форма вывода графиков.







Список использованных источников
Вся физика. Е.Н. Изергина. – М.: ООО «Издательство «Олимп», 2001. – 496 с.
Касаткин И. Л. Репетитор по физике. Механика. Молекулярная физика. Термодинамика/ Под ред. Т. В. Шкиль. – Ростов Н/Д: изд-во «Феникс», 2000. – 896 с.
Компакт-диск «Самоучитель MathLAB». ООО «Мультисофт», Россия, 2005.
Методические указания к Курсовой работе: дисциплина Математическое моделирование. Движение тела при учете сопротивления среды. – Минск. РИИТ БНТУ. Кафедра ИТ, 2007. – 4 с.
Решение систем дифференциальных уравнений в Matlab. Дубанов А.А. [Электронный ресурс]. – Режим доступа: http://rrc.dgu.ru/res/exponenta/ educat/systemat/dubanov/index.asp.htm;
Энциклопедия д.д. Физика. Т. 16. Ч.1. с. 394 – 396. Сопротивление движению и силы трения. А. Гордеев. /Глав. ред. В.А. Володин. – М. Аванта+, 2000. – 448 с.
Matlab Function Reference [Электронный ресурс]. – Режим доступа: http://matlab.nsu.ru/Library/Books/Math/MATLAB/help/techdoc/ref/.
