Синтез и анализ логической схемы при кубическом задании булевой функции
Министерство образования Российской Федерации
Томский политехнический университет
Факультет автоматики и вычислительной техники
Кафедра вычислительной
техники
Курсовая работа
по дисциплине “Теория автоматов”
на тему: «Синтез и анализ логической схемы при кубическом задании булевой функции»
Томск 2009
СОДЕРЖАНИЕ
Введение
Нахождение минимального покрытия
Построение факторизованного покрытия
Составление логической схемы на основе данного базиса логических элементов
Нахождение по пи-алгоритму Рота единичного покрытия
Синтез контролирующего теста. Контроль схемы тестом
Заключение
Литература
ВВЕДЕНИЕ
Аппарат алгебры логики широко применяется в теории ЦВМ, в частности для решения задач анализа и синтеза схем. При решении задачи синтеза исходное логическое выражение, описывающее некоторую логическую функцию, преобразуется и упрощается так, чтобы каждый член полученного эквивалентного логического выражения мог быть представлен простой схемой. Таким образом, при синтезе вычислительных и управляющих схем составляется математическое описание задачи в виде формул алгебры логики. Затем производится минимизация исходной формулы и из числа эквивалентных логических схем выбирается та, которая допускает наиболее простую реализацию.
В данной курсовой работе стоит задача синтеза схемы, реализующей функцию, заданную кубическим комплексом к(f). В табл. 1 приведено исходное покрытие из 8 кубов. Логическую схему следует построить в универсальном базисе элементов ИЛИ-НЕ, который характеризуется коэффициентом объединения по входу к(вх)=4 и коэффициентом разветвления по выходу к(р)=2. Стоимость покрытия равна 48.
Таблица 1
|
Обозначение куба |
Покрытие |
Размерность куба |
|
a |
1011X10 |
6 |
|
b |
1X1XX11 |
4 |
|
c |
1011X11 |
6 |
|
d |
XX1X1X0 |
3 |
|
e |
0X11111 |
6 |
|
f |
00X0XX0 |
4 |
|
g |
0X00101 |
6 |
|
h |
10X00X0 |
5 |
Порядок выполнения работы можно определить следующим образом:
1). Нахождение минимального покрытия;
2). Построение факторизованного покрытия;
3). Составление логической схемы на основе данного базиса логических элементов;
4). Нахождение по пи-алгоритму Рота единичного покрытия;
5). Построение контролирующего теста;
6). Проверка логической схемы контролирующим тестом.
1. НАХОЖДЕНИЕ МИНИМАЛЬНОГО ПОКРЫТИЯ
В первую очередь необходимо найти минимальное в смысле Кванта покрытие. Минимальное покрытие булевой функции ищется в два этапа:
1).получение минимального множества Z простых импликант;
2).выделение L-экстремалей на множестве Z.
Для выполнения этих этапов используются операции *-произведения, #-вычитания кубов.
При выполнении операции *-произведения одного куба на другой получается новый куб, противоположные грани которого лежат в исходных кубах. Этот новый куб может стать простой импликантой исходного покрытия. Надо иметь в виду, что куб является простой импликантой исходного покрытия, если он не составляет грань никакого другого комплекса К или того куба, который получился при произведении в процессе нахождения простых импликант. Это означает, что простые импликанты при *-произведении не дают новых кубов, не входящих в предыдущие кубы.
При нахождении простых импликант выполняются все попарные произведения с учетом того, что произведение куба самого на себя приводит к кубу, участвующему в произведении; что произведение первого куба на второй равно произведению второго куба на первый.
Операция *-произведения двух кубов а=а>1>а>2>…а>i>…a>n> и b=b>1>b>2>…b>i>…b>n> определяется на основе табл. 2.
Таблица 2
|
a>i * >b>i> |
a>i> |
|||
|
0 |
1 |
X |
||
|
b>i> |
0 |
0 |
Y |
0 |
|
1 |
Y |
1 |
1 |
|
|
X |
0 |
1 |
X |
Если значение Y получается только в одной координате, то произведение кубов a и b дает так называемый вновь образованный куб, в котором величина Y заменяется на X. Если же имеется более одной координаты Y, то звездчатое произведение дает 0.
Процесс нахождения множества простых импликант является циклическим. В каждом цикле вначале удаляются те кубы исходного покрытия, которые являются гранями других кубов этого покрытия. Далее удаляются кубы исходного покрытия, являющиеся гранями кубов покрытия. Должны быть удалены полученные при *-произведении кубы, являющиеся гранями кубов покрытия. И наконец, удаляются полученные кубы с размерностью, на единицу меньшей номера цикла. Оставшиеся в таблице кубы передаются на следующий цикл *-произведения. Циклы выполняются до тех пор, пока перестанут появляться вновь образованные кубы. Процесс нахождения множества простых импликант для 35-го варианта приведен в табл. 3,4,5,6. Куб «с» не используется при нахождении данного множества, т.к. он входит в куб «b».
1 цикл нахождения множества простых импликант Таблица 3
|
1011X10 |
1X1XX11 |
XX1X1X0 |
0X11111 |
00X0XX0 |
0X00101 |
|
|
1011X10 |
- |
|||||
|
1X1XX11 |
1011X1X |
- |
||||
|
XX1X1X0 |
1011110 |
1X1X11X |
- |
|||
|
0X11111 |
|
XX11111 |
0X1111X |
- |
||
|
00X0XX0 |
|
|
00101X0 |
|
- |
|
|
0X00101 |
|
|
|
|
000010X |
- |
|
10X00X0 |
101X010 |
101001X |
1010XX0 |
|
X0X00X0 |
|
2 цикл нахождения множества простых импликант Таблица 4
|
1Х1ХX11 |
XX1X1X0 |
00X0XX0 |
0X00101 |
1011X1X |
101X010 |
1X1X11X |
XX11111 |
101001X |
0X1111X |
1010XX0 |
000010X |
|
|
1X1XX11 |
- |
|||||||||||
|
XX1X1X0 |
- |
|||||||||||
|
00X0XX0 |
- |
|||||||||||
|
0X00101 |
- |
|||||||||||
|
1011X1X |
1011X11 |
101111X |
|
|
- |
|||||||
|
101X010 |
101X01X |
101XX10 |
Y010010 |
|
1011010 |
- |
||||||
|
1X1X11X |
1X1X111 |
1X1X110 |
Y010110 |
|
101111X |
101XY10 |
- |
|||||
|
XX11111 |
1X11111 |
XX1111X |
|
|
1011111 |
|
1X11111 |
- |
||||
|
101001X |
1010011 |
1010Y10 |
Y010010 |
|
101X01X |
1010010 |
1010Y1X |
|
- |
|||
|
0X1111X |
XX11111 |
0X11110 |
001Y110 |
|
X01111X |
|
YX1111X |
0X11111 |
|
- |
||
|
1010XX0 |
1010X1X |
10101X0 |
X010XX0 |
|
101XX10 |
1010010 |
1010110 |
|
1010010 |
|
- |
|
|
000010X |
|
00Y0100 |
0000100 |
0000101 |
|
|
|
|
|
|
|
- |
|
X0X00X0 |
101001X |
X010XX0 |
00X00X0 |
0000Y01 |
101Y010 |
1010010 |
1010Y10 |
|
1010010 |
|
10100X0 |
0000Y00 |
3 цикл нахождения множества простых импликант Таблица 5
|
1X1XX11 |
XX1X1X0 |
00X0XX0 |
0X00101 |
1011X1X |
1X1X11X |
000010X |
X0X00X0 |
101X01X |
1010X1X |
101XX10 |
XX1111X |
|
|
1X1XX11 |
- |
|||||||||||
|
XX1X1X0 |
- |
|||||||||||
|
00X0XX0 |
- |
|||||||||||
|
0X00101 |
- |
|||||||||||
|
1011X1X |
- |
|||||||||||
|
1X1X11X |
- |
|||||||||||
|
000010X |
- |
|||||||||||
|
X0X00X0 |
- |
|||||||||||
|
101X01X |
101X011 |
101XX10 |
X010010 |
|
101101X |
101XX1X |
|
1010010 |
- |
|||
|
1010X1X |
1010X11 |
1010110 |
X010X10 |
|
101XX1X |
101011X |
|
1010010 |
101001X |
- |
||
|
101XX10 |
101XX1X |
101X110 |
X010X10 |
|
1011X10 |
101X110 |
|
1010010 |
101X010 |
1010X10 |
- |
|
|
XX1111X |
1011111 |
XX11110 |
001X110 |
|
101111X |
1X1111X |
|
|
1011X1X |
101X11X |
1011110 |
- |
|
X010XX0 |
1010X1X |
X0101X0 |
0010XX0 |
|
101XX10 |
1010110 |
00X0100 |
X0100X0 |
1010010 |
1010X10 |
1010X10 |
X01X110 |
4 цикл нахождения множества простых импликант Таблица 6
1X1XX11 |
XX1X1X0 |
00X0XX0 |
0X00101 |
000010X |
X0X00X0 |
XX1111X |
X010XX0 |
101XX1X |
|
|
1X1XX11 |
- |
||||||||
|
XX1X1X0 |
- |
||||||||
|
00X0XX0 |
- |
||||||||
|
0X00101 |
- |
||||||||
|
000010X |
- |
||||||||
|
X0X00X0 |
- |
||||||||
|
XX1111X |
- |
||||||||
|
X010XX0 |
- |
||||||||
|
101XX1X |
101XX11 |
101X110 |
X010X10 |
|
|
1010010 |
101111X |
1010X10 |
- |
|
1X1X11X |
1X1X111 |
1X1X110 |
X010110 |
|
|
1010X10 |
1X1111X |
1010110 |
101X11X |
В таблицах 3, 4, 5 и 6 опущены те *-произведения, которые были рассмотрены раньше. Множество простых импликант Z выглядит следующим образом:
Z={ 1X1XX11, XX1X1X0, 00X0XX0, 0X00101, 000010X, X0X00X0, XX1111X, X010XX0, 101XX1X,1X1X11X }.
Стоимость данного покрытия составляет 53, что на 5 больше стоимости исходного покрытия.
После нахождения множества Z в нем необходимо выделить такое подмножество, которое покрывало бы все вершины из комплекса L и имело бы минимальную стоимость по Квайну. В основе лежит понятие L-экстремали, то есть куба Z>i>>, >содержащего в себе одну или несколько вершин из комплекса L (L=C), которой нет ни в одной другой простой импликанте из множества Z.
Куб Z>i>> >является L-экстремалью, если для него выполняется следующее соотношение:
[ Z>i>> ># ( Z - Z>i>)] L ,
где # - знак операции вычитания кубов.
Операция вычитания, например, из куба а куба b служит для удаления их общей части, т.е. их пересечения, из куба а. Эта операция определяется следующим образом:
Координатное вычитание кубов ( a>i>> # >b>i>> >) Таблица 7
|
a>i # >b>i> |
a>i> |
|||
|
0 |
1 |
X |
||
|
b>i> |
0 |
Z |
Y |
1 |
|
1 |
Y |
Z |
0 |
|
|
X |
Z |
Z |
Z |
Операция вычитания из куба а куба b определяется следующим образом:
a
,
при наличии Y,
a # b = , если a>i>> ># b>i>> >= Z,
( a>1>a>2>…a>i>>-1>>i>a>i>>+1>…a>n>),
где >i>> >= 0 или 1, объединение берется по всем таким >i>.
Процесс выделения L-экстремали является циклическим, на каждом цикле очередная простая импликанта вычитается из предыдущей разности. Процессы вычитания и пересечения для полученных выше простых импликант отражены в табл. 8.
Выделение L-экстремалей Таблица 8
|
Z>1> 1X1XX11 |
Z>2> XX1X1X0 |
Z>3> 00X0XX0 |
Z>4> 0X00101 |
Z>5> 000010X |
Z>6> X0X00X0 |
Z>7> XX1111X |
Z>8> X010XX0 |
Z>9> 101XX1X |
Z>10> 1X1X11X |
||
|
1 |
2 |
3 |
4 |
5 |
6 |
7 |
8 |
9 |
10 |
11 |
12 |
|
Z>1> |
1X1XX11 |
- |
0ZZZZ0Y XX1X1X0 |
YZ0ZZ0Y 00X0XX0 |
YZYZZYZ 0X00101 |
YZYZZY0 000010X |
0Z0ZZ0Y X0X00X0 |
0ZZZZZZ 0X1111X |
0ZZZZ0Y X010XX0 |
ZZZZZZ0 101XX10 |
ZZZZZZ0 1X1X110 |
|
Z>2> |
XX1X1X0 |
ZZZZ0ZY 1X1XX11 |
- |
ZZ0Z0ZZ 0000XX0 00X00X0 |
ZZYZZZY 0X00101 |
ZZYZZZ1 000010X |
ZZ0ZYZZ X0X00X0 |
ZZZZZZ1 0X11111 |
ZZZZ0ZZ X0100X0 |
ZZZZ0ZZ 101X010 |
ZZZZZZZ |
|
Z>3> |
00X0XX0 |
Y1Z1ZZY 1X1XX11 |
11Z1ZZZ 1X1X1X0 X11X1X0 XX111X0 |
- |
Z1ZZZZY 0X00101 |
ZZZZZZ1 0000101 |
1ZZZZZZ 10X00X0 |
Z1ZYZZY 0X11111 |
1ZZZZZZ 10100X0 |
YZZ1ZZZ 101X010 |
|
|
Z>4> |
0X00101 |
YZY10YZ 1X1XX11 |
YZY1Z1Y 1X1X1X0 1ZY1Z1Y X11X1X0 1ZYYZ1Y XX111X0 |
ZZZZ01Y 0000XX0 ZZ1ZY1Y 00X00X0 |
- |
ZZZZZZZ |
YZ1ZY1Y 10X00X0 |
ZZYYZYZ 0X11111 |
YZYZY1Y 10100X0 |
YZY1YYY 101X010 |
|
|
Z>5> |
000010X |
Y1Y10YZ 1X1XX11 |
Y1Y1Z1Z 1X1X1X0 1YY1Z1Z X11X1X0 11YYZ1Z XX111X0 |
ZZZZ01Z 00000X0 0000X10 ZZ1ZY1Z 00X00X0 |
Z1ZZZZZ 0100101 |
- |
YZ1ZY1Z 10X00X0 |
Z1YYZYZ 0X11111 |
YZYZY0Z 10100X0 |
YZY1YYY 101X010 |
|
|
Z>6> |
X0X00X0 |
Z1Z11ZY 1X1XX11 |
Z1Z1YZZ 1X1X1X0 ZYZ1YZZ X11X1X0 Z1ZYYZZ XX111X0 |
ZZZZZZZ ZZZZ1ZZ 0000110 ZZZZZZZ |
ZYZZYZY 0100101 |
|
- |
Z1ZYYZY 0X11111 |
ZZZZZZZ |
ZZZ1ZZZ 1011010 |
|
|
Z>7> |
XX1111X |
ZZZ00ZZ 1X10X11 1X1X011 |
ZZZ0Z0Z1X101X0 1X1X100 ZZZ0Z0ZX1101X0 X11X100 |
ZZYYZZZ 0000110 |
ZZYYZYZ 0100101 |
|
ZZ0YY0Z 10X00X0 |
- |
|
ZZZZYZZ 1011010 |
|
|
Z>7> |
ZZZZZ0Z XX111001 |
||||||||||
|
Z>8> |
X010XX0 |
Z1ZZZZY 1X10X11 Z1Z1ZZY 1Z1Z011 |
Z1ZZZZZ 11 01X0 Z1Z1ZZZ 111X100 1X11100 ZYZZZZZ X1101X0 Z1ZYZZZ XX11100 |
ZZYZZZZ 0000110 |
ZYYZZZY 0100101 |
|
ZZ0ZZZZ 10000X0 |
Z1ZYZZY 0X11111 |
- |
ZZZYZZZ 1011010 |
|
|
Z>9> |
101XX1X |
Z1ZZZZZ 1110X11 Z1ZZZZZ 111X011 |
ZYZZZ0Z 11101X0 ZYZZZYZ 111X100 Z1ZZZYZ 1X11100 0YZZZ0Z X1101X0 0YZZZYZ X11X100 01ZZZYZ XX11100 |
YZYZZZZ 0000110 |
YYYZZYZ 0100101 |
|
ZZYZZ0Z 10000X0 |
Y1ZZZZZ 0X11111 |
|
- |
|
|
Z>10> |
1X1X11X |
ZZZZ0ZZ 1110011 111X011 |
ZZZZZ0Z 1110100 ZZZZZYZ 111X100 ZZZZZYZ 1X11100 0ZZZZ0Z 01101X0 X110100 0ZZZZY1 X11X100 0ZZZZYZ XX11100 |
0000110 |
0100101 |
|
10000X0 |
0X11111 |
|
ZZZZYZZ 1011010 |
- |
|
|
|
|
|
|
|
|
|
|
|
Полученное минимальное покрытие:
1X1XX11
XX1X1X0
00X0XX0
0X00101
X0X00X0
XX1111X
101XX1X
Cтоимость полученного покрытия равна 36 ( стоимость исходного покрытия равна 53 ).
ПОСТРОЕНИЕ ФАКТОРИЗОВАННОГО ПОКРЫТИЯ
Покрытие, полученное на основе простых импликант и выделения из них L-экстремалей, принято называть минимальным. Однако практика показывает, что дополнительная минимизация возможна при помощи факторизации. Таким образом, минимальным следует считать факторизованное покрытие, а не множество L-экстремалей.
Факторизация покрытия основана на операции -произведения, которая предназначена для выделения общей части двух кубов. Эта операция является поразрядной:
0
при a>i>>
>= b>i>>
>= 0, i
= 1,n;
a>i>> > b>i>> >= 1 при a>i>> >= b>i>> >= 1, i = 1,n;
во всех остальных случаях.
Символ указывает координату исходных кубов, которая различна в них, либо есть Х.
Куб, в котором хотя бы одна координата является , называется -кубом и обозначается через е>>. Такой куб может участвовать в -произведении, тогда при умножении на координату должна получаться координата .
Стоимость для -куба определяется путем подсчета числа координат со значениями 0 и 1. Куб с наибольшей стоимостью считается максимальным. Если стоимость равна 0, то -куб считается пустым, он равен . Покрытие с учетом -куба записывается в несколько измененном виде: под -кубом фиксируются соответствующие ему кубы с сохранением тех координат, которые расположены под символами .
Алгоритм факторизации покрытия является циклическим. Количество циклов равно числу уровней разложения покрытия ( числу -кубов ). В разложенном по многим уровням покрытии выделяются на i-м цикле -куб е>>i, M>i> ( множество кубов с прочерками, соответствующее е>>i ), C>i> (множество кубов, которые будут рассматриваться на ( i+1)-м цикле).
Алгоритм факторизации можно сформулировать следующим образом:
Вычисляются -произведения всех пар из С>i>>-1>. В первом цикле С>0> = Е. Во втором цикле дело надо иметь с С>1>, в третьем – с С>2> и т.д.
Выбирается -куб с наибольшей стоимостью е>>i. Если несколько кубов имеют одинаковую стоимость, то выбирается первый.
Покрытие оформляется разложенным на две части: нижнюю часть М>i> и верхнюю часть С>i>. C>i> содержит оставшиеся от С>i>>-1 >кубы после удаления из него кубов М>i> и добавленный куб е>>i. Видимо,
C>i >= ( C>i-1> – M>i> ) e>>i.
Если С>i> состоит из одного куба или получаются пустые -кубы, процесс факторизации следует закончить, в противном случае перейти к пункту 1.
Процесс факторизации по данному алгоритму удобно отражать в таблицах. Первый цикл представлен в табл. 9.
Первый цикл факторизации Таблица 9
|
e>1> 1X1XX11 |
e>2> XX1X1X0 |
e>3> 00X0XX0 |
e>4> 0X00101 |
e>5> X0X00X0 |
e>6> XX1111X |
||
|
e>1> |
1X1XX11 |
- |
|||||
|
e>2> |
XX1X1X0 |
1 |
- |
||||
|
e>3> |
00X0XX0 |
|
0 |
- |
|||
|
e>4> |
0X00101 |
1 |
1 |
00 |
- |
||
|
e>5> |
X0X00X0 |
|
1 |
000 |
0 |
- |
|
|
e>6> |
XX1111X |
11 |
11 |
|
1 |
|
- |
|
e>7> |
101XX1X |
111 |
1 |
0 |
|
0 |
11 |
Из этой таблицы видно, что е>>1 = 111.. Покрытие после первого цикла выглядит следующим образом:

Так как С>1 >содержит больше одного куба, осуществляется переход ко второму циклу ( табл. 10 ).
Второй цикл факторизации Таблица 10
|
е>2> XX1X1X0 |
е>3> 00X0XX0 |
е>4> 0X00101 |
е>5> X0X00X0 |
е>6> XX1111X |
||
|
е>2> |
XX1X1X0 |
- |
||||
|
е>3> |
00X0XX0 |
0 |
- |
|||
|
е>4> |
0X00101 |
1 |
00 |
- |
||
|
е>5> |
X0X00X0 |
0 |
000 |
0 |
- |
|
|
е>6> |
XX1111X |
11 |
|
1 |
|
- |
|
е>>1 |
111 |
1 |
|
|
|
11 |
Очевидно, что е>>2 = 000.
Покрытие после второго цикла факторизации выглядит следующим образом:

Так как С>2> содержит больше одного куба, осуществляется переход к третьему циклу ( табл. 11 ).
Третий цикл факторизации Таблица 11
|
e>2> XX1X1X0 |
e>4> 0X00101 |
e>6> XX1111X |
||
|
e>2> |
XX1X1X0 |
- |
||
|
e>4> |
0X00101 |
1 |
- |
|
|
e>6> |
XX1111X |
11 |
1 |
- |
|
e>>2 |
000 |
0 |
0 |
|
Из таблицы 11 видно, что е>>3 = 11.
Покрытие после третьего цикла выглядит так:

Так как С>3> содержит больше одного куба переходим к четвертому циклу (табл. 12).
Таблица 12
Четвертый цикл факторизации
|
e>4> 0X00101 |
||
|
е>4> |
0X00101 |
- |
|
е>>3 |
11 |
1 |
Ясно, что е>>4 = 1.
Факторизованное покрытие выглядит следующим образом:

Чтобы определить стоимость факторизованного покрытия, нужен соответствующий алгоритм. Его сущность можно изложить следующим образом:
определить стоимость рассматриваемого куба покрытия;
если куб является маскирующим (-куб), то добавить к стоимости 2;
если куб является обычным, то при S>i> > 1 добавить к стоимости 1, в противном случае ( S>i> = 1 ) добавлять 1 не нужно;
полученные стоимости кубов с добавлениями сложить.
В полученном выше факторизованном покрытии 11 кубов, его стоимость составляет 30. До факторизации стоимость покрытия составляла 36.
СОСТАВЛЕНИЕ ЛОГИЧЕСКОЙ СХЕМЫ НА ОСНОВЕ ДАННОГО БАЗИСА ЛОГИЧЕСКИХ ЭЛЕМЕНТОВ
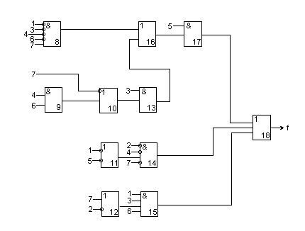
По любому кубическому покрытию можно построить логическую схему. По факторизованному покрытию схема строится следующим образом. Обычные кубы отражаются на схеме как элементы & с числом входов, равным стоимости куба. Прочеркнутые координаты на вход этих элементов не подаются. Они учитываются в маскирующих кубах в качестве общих сомножителей. Выходные сигналы обычных кубов, расположенных под рассматриваемым -кубом, суммируются, затем логическая сумма этих кубов подается на вход маскирующего куба, который отображается на схеме как элемент &. Логическая схема в булевом базисе, построенная по факторизованному покрытию, показана на рис.1.
Стоимость кубов М>1> и М>2>,а также куба ХХ-Х1Х-, входящего в М>3>, равна 1. Поэтому соответствующие им переменные подаются непосредственно на входы элементов ИЛИ (12, 11 и 10 соответственно). Умножение на координаты куба е>>1 производится в элементе 15, на координаты куба е>>2 – в элементе 14, на координаты куба е>>3 – в элементе 13. Кубы е>>3 и е>>4 имеют общую пятую координату. Поэтому выходной сигнал элемента 13, соответствующего е>>3, логически суммируется с выходным сигналом элемента 8, а затем логическая сумма поступает на вход элемента 16, где происходит умножение на координаты куба е>>4.
Стоимость данной логической схемы равна 30, такова стоимость и факторизованного покрытия. Таким образом, можно сделать предварительное заключение о соответствии составленной схемы факторизованному покрытию.

Рис. 1
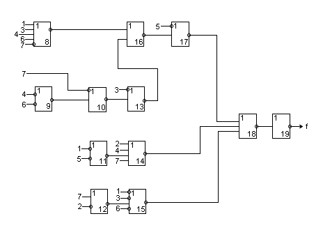
Дальше необходимо составить схему в универсальном базисе элементов, который в настоящее время широко применяется. Универсальный базис элементов – это система элементов, реализующая функцию И-НЕ или ИЛИ-НЕ.
Логическую схему на основе заданного универсального базиса легче всего построить по логической схеме на элементах булевого базиса элементов. Для этого нужно воспользоваться соответствием между элементами булевого базиса и заданного универсального базиса ( табл. 13 ). В данном случае используется базис ИЛИ-НЕ.
Таблица 13
БулевойБазис |
Универсальный базис ИЛИ-НЕ |
|
|
|
|
|
|
Заменяя элементы, не следует стремиться к полной замене. Если производить замену формально ( один к одному ), то в связи между элементами окажется два последовательно включенных инвертора, что равносильно их отсутствию.
Логическая схема на основе элементов базиса ИЛИ-НЕ показана на рис.2.
функция покрытие логический кубический

Рис. 2
НАХОЖДЕНИЕ ПО ПИ-АЛГОРИТМУ РОТА ЕДИНИЧНОГО ПОКРЫТИЯ
Построенную логическую схему нужно проверить, для этого находится покрытие схемы. В табл. 15 отражено покрытие схемы, представленной на рис. 2. При нахождении покрытия схемы используются покрытия отдельных элементов схемы ( табл. 14 ).
Таблица 14
|
Элемент |
Таблица истинности |
Покрытие |
|
ИЛИ |
1 2 3 0 0 0 0 1 1 1 0 1 1 1 1 |
1 2 3 0 0 0 Х 1 1 1 Х 1 |
|
И |
0 0 0 0 1 0 1 0 0 1 1 1 |
Х 0 0 0 Х 0 1 1 1 |
|
ИЛИ-НЕ |
0 0 1 0 1 0 1 0 0 1 1 0 |
0 0 1 Х 1 0 1 Х 0 |
Обозначения: 1,2 – входы, 3 – выход элементов.
Таблица 15
|
1 2 3 4 5 6 7 |
8 9 10 11 12 13 14 15 16 17 18 19 |
Примечания |
|
Х Х Х Х Х Х Х |
Х Х Х Х Х Х Х Х Х Х Х 1 |
С(f) |
|
0 1 |
П>19>1 18 |
|
|
0 1 |
Пересечение с (С>f>) () |
|
|
Х Х 1 0 1 Х 1 Х 0 1 1 Х Х 0 1 |
П>18>0 14, 15, 17 |
|
|
Х Х 1 0 1 Х 1 Х 0 1 1 Х Х 0 1 |
Пересечение с () () |
|
|
1 |
Х Х 0 1 0 1 |
П>17>1 5, 16 |
|
1 1 1 |
Х Х 0 1 0 1 Х 1 0 1 0 1 1 Х 0 1 0 1 |
Пересечение с () () |
|
Х 1 Х Х 0 1 0 1 1 Х Х Х 0 1 0 1 |
П>16>0 8, 13 |
|
|
1 1 1 1 1 1 |
Х 1 Х Х 0 1 0 1 1 Х Х Х 0 1 0 1 Х 1 Х 1 0 1 0 1 1 Х Х 1 0 1 0 1 Х 1 1 Х 0 1 0 1 1 Х 1 Х 0 1 0 1 |
Пересечение с () () |
|
0 0 0 0 1 |
1 Х Х Х 0 1 0 1 |
П>8>1 1, 3, 4, 6, 7 |
|
0 Х 0 0 1 0 1 0 Х 0 0 1 0 1 0 Х 0 0 1 0 1 0 Х 0 0 1 0 1 0 Х 0 0 1 0 1 0 Х 0 0 1 0 1 |
1 1 Х Х 0 1 0 1 1 Х Х Х 0 1 0 1 1 1 Х 1 0 1 0 1 1 Х Х 1 0 1 0 1 1 1 1 Х 0 1 0 1 1 Х 1 Х 0 1 0 1 |
Пересечение с () () |
|
1 |
Х 0 1 Х Х 0 1 0 1 |
П>13>1 3, 10 |
|
1 1 1 1 1 1 1 1 1 1 1 1 |
Х 0 1 Х Х 0 1 0 1 1 0 1 Х Х 0 1 0 1 Х 0 1 Х 1 0 1 0 1 1 0 1 Х 1 0 1 0 1 Х 0 1 1 Х 0 1 0 1 1 0 1 1 Х 0 1 0 1 |
Пересечение с () (’) |
|
Х Х Х Х Х Х Х Х Х Х Х Х Х 0 |
Х 1 0 1 Х Х 0 1 0 1 Х Х 0 1 Х Х 0 1 0 1 |
П>10>0 7, 9 |
|
Х Х 1 Х 1 Х Х Х Х 1 Х 1 Х 0 Х Х 1 Х 1 Х Х Х Х 1 Х 1 Х 0 Х Х 1 Х 1 Х Х Х Х 1 Х 1 Х 0 Х Х 1 Х 1 Х Х |
Х 1 0 1 Х Х 0 1 0 1 Х Х 0 1 Х Х 0 1 0 1 1 1 0 1 Х Х 0 1 0 1 1 Х 0 1 Х Х 0 1 0 1 Х 1 0 1 Х 1 0 1 0 1 Х Х 0 1 Х 1 0 1 0 1 1 1 0 1 Х 1 0 1 0 1 |
Пересечение с (’) () |
|
1 2 3 4 5 6 7 |
8 9 10 11 12 13 14 15 16 17 18 19 |
Примечания |
|
Х Х 1 Х 1 Х 0 Х Х 1 Х 1 Х Х Х Х 1 Х 1 Х 0 Х Х 1 Х 1 Х Х Х Х 1 Х 1 Х 0 |
1 Х 0 1 Х 1 0 1 0 1 Х 1 0 1 1 Х 0 1 0 1 Х Х 0 1 1 Х 0 1 0 1 1 1 0 1 1 Х 0 1 0 1 1 Х 0 1 1 Х 0 1 0 1 |
Пересечение с (’) () |
|
Х Х Х 1 Х 1 Х |
Х 1 0 1 Х Х 0 1 0 1 |
П>9>1 4, 6 |
|
Х Х 1 1 1 1 Х Х Х 1 1 1 1 0 Х Х 1 1 1 1 Х Х Х 1 1 1 1 0 Х Х 1 1 1 1 Х Х Х 1 1 1 1 0 Х Х 1 1 1 1 Х Х Х 1 1 1 1 0 Х Х 1 1 1 1 Х Х Х 1 1 1 1 0 Х Х 1 1 1 1 Х Х Х 1 1 1 1 0 |
Х 1 0 1 Х Х 0 1 0 1 Х 1 0 1 Х Х 0 1 0 1 1 1 0 1 Х Х 0 1 0 1 1 1 0 1 Х Х 0 1 0 1 Х 1 0 1 Х 1 0 1 0 1 Х 1 0 1 Х 1 0 1 0 1 1 1 0 1 Х 1 0 1 0 1 1 1 0 1 Х 1 0 1 0 1 Х 1 0 1 1 Х 0 1 0 1 Х 1 0 1 1 Х 0 1 0 1 1 1 0 1 1 Х 0 1 0 1 1 1 0 1 1 Х 0 1 0 1 |
Пересечение с () () |
|
0 0 0 |
0 1 Х 0 Х 0 1 |
П>14>1 2, 4, 7, 11 |
|
0 0 0 0 0 0 0 0 0 |
0 1 Х 0 Х 0 1 0 1 Х 0 1 0 1 0 1 1 0 Х 0 1 |
Пересечение с () (’) |
|
Х Х Х Х 0 Х Х 0 Х Х Х Х Х Х |
0 1 Х 0 Х 0 1 0 1 Х 0 Х 0 1 |
П>11>0 1, 5 |
|
Х 0 Х 0 0 Х 0 0 0 Х 0 Х Х 0 Х 0 Х 0 0 Х 0 0 0 Х 0 Х Х 0 Х 0 Х 0 0 Х 0 0 0 Х 0 Х Х 0 |
0 1 Х 0 Х 0 1 0 1 Х 0 1 0 1 0 1 1 0 Х 0 1 0 1 Х 0 Х 0 1 0 1 Х 0 1 0 1 0 1 1 0 Х 0 1 |
Пересечение с (') (’) |
|
1 1 1 |
0 Х 1 0 Х 0 1 |
П>15>1 1, 3, 6, 12 |
|
1 1 1 1 1 1 1 1 1 |
0 Х 1 0 Х 0 1 0 Х 1 0 1 0 1 0 1 1 0 Х 0 1 |
Пересечение с () (’’) |
|
Х Х Х Х Х Х 1 Х 0 Х Х Х Х Х |
0 Х 1 0 Х 0 1 0 Х 1 0 Х 0 1 |
П>12>0 2, 7 |
|
1 Х 1 Х Х 1 1 1 0 1 Х Х 1 Х 1 Х 1 Х Х 1 1 1 0 1 Х Х 1 Х 1 Х 1 Х Х 1 1 1 0 1 Х Х 1 Х |
0 Х 1 0 Х 0 1 0 Х 1 0 1 0 1 0 1 1 0 Х 0 1 0 Х 1 0 Х 0 1 0 Х 1 0 1 0 1 0 1 1 0 Х 0 1 |
Пересечение с (’') (’’) |
Как следует из табл. 15, ищется покрытие схемы, обеспечивающее единичное значение выходной функции. Это означает, что на выходе элемента 19 должна быть единица (соответственно, на выходе элемента 18 должен быть 0). По табл. 15 можно увидеть что значение 0 на выходе элемента 18 будет, если на выходе хотя бы одного из элементов 14, 15, или 17 будет 1. Далее осуществляется пересечение покрытия элемента 18 с покрытием элемента 19. Затем последовательно фиксируются покрытия и пересечения применительно к элементам 17, 14 и 15. Результаты пересечения покрытий отмечаются «звездочками».
Покрытие схемы осуществляется по ветвям. После покрытия элементов первого яруса находятся кубы множества L-экстремалей Z. В табл. 15 эти кубы выделены подчеркиванием.
Для большей наглядности выпишем эти кубы:
0X00101
XX1X1X0
XX1111X
X0X00X0
00X0XX0
1X1XX11
101XX1X
Это найденное покрытие точно совпадает с ранее полученным покрытием Е. Следовательно, факторизация минимального покрытия и построение логической схемы осуществлены верно.
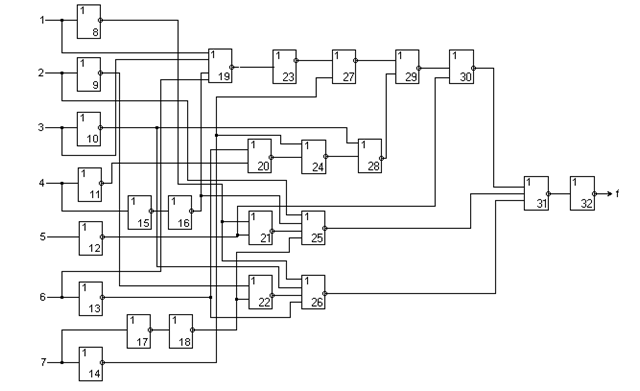
Далее необходимо произвести изменение схемы с учетом конкретных характеристик элементов данного универсального базиса, а именно К>вх> (коэффициент входа) и К>р> (коэффициент разветвления). Современные элементы имеют сравнительно большие значения К>вх> и К>р>, но в данном случае они выбраны малыми: К>вх> = 4; К>р> = 2.
Применительно к схеме на рис. 2 можно сказать что нарушений по К>вх> нет, но нарушено требование по К>р> в двух случаях. Измененная схема представлена на рис. 3. На ней помимо элементов 15, 16, 17 и 18, исправляющих нарушения по К>р>, имеются инверторы для каждой координаты куба.
Вместо 19 элементов на рис. 2 стало 32 элемента на рис. 3.
СИНТЕЗ КОНТРОЛИРУЮЩЕГО ТЕСТА. КОНТРОЛЬ СХЕМЫ ТЕСТОМ
Синтезировать контрольный тест для логической схемы – найти множество кубов, которые позволяют выявлять неисправности схемы. Если в схеме нет неисправностей, то на каждом кубе получается так называемая эталонная реакция схемы. Множество кубов порождает множество эталонных реакций схемы.
При наличии неисправности в схеме реакция хотя бы на одном кубе должна измениться. В итоге множество реальных реакций не совпадает с множеством эталонных реакций. Это будет говорить о том, что неисправность выявляется. Если тест позволяет выявлять любую неисправность, то он обладает 100-процентной полнотой. Однако, это не всегда бывает так. Обычно тест не обеспечивает выявление всех неисправностей, его полнота менее 100%.
В данной курсовой работе рассматривается ограниченный класс неисправностей:
1). Выход элемента тождественно равен 0,
2). Выход элемента тождественно равен 1.
Считается, что в данный момент времени в схеме может быть только одна неисправность. Это означает, что схема является высоконадежной.
Синтез теста осуществляется по методу активизации пути. Сущность этого метода заключается в том, что, задав какую-либо неисправность на выбранном входе схемы, нужно обеспечить условия для беспрепятственного прохождения сигнала, связанного с заданной неисправностью, на выход схемы. Это означает, что при прохождении указанного сигнала через элемент ИЛИ-НЕ на всех других его входах надо обеспечить нули. В свою очередь обеспечение таких входных сигналов связано с выбором подходящей строки покрытия элемента, с которого снимается нужный сигнал.

Рис. 3
Процесс активизации путей схемы (рис.3) отображен в табл. 16. Всего оказалось 20 путей.
Контролирующий тест Таблица 16
|
1 2 3 4 5 6 7 |
8 9 10 11 12 13 14 |
15 16 17 18 19 20 21 22 23 24 25 26 27 28 29 30 31 32 |
Пути |
|
1 0 0 0 1 1 0 |
0’1 1 1 0 0 1 |
1 0 1 0 0 0 1’ 0 1 0 0’ 0 0 0 1 0 1’ 0’ |
1, 8,21, 25, 31,32 |
|
1 0 1 1 0 1 0 |
0’1 0 0 1 0 1 |
0 1 1 0 0 1 0 0 1 0 0 1’ 0 1 0 0 0’ 1’ |
1, 8, 26, 31,32 |
|
1 1 0 0 1 0 1 |
0 0 1 1 0 1 0 |
1 0 0 1 0’ 0 1’ 0 1’ 1 0’ 0 0’ 0 1’ 0’ 1’ 0’ |
1, 19, 23, 27, 29, 30, 31, 32 |
|
1 1 1 0 0 1 0 |
0 0 0 1 1 0 1 |
1 0 1 0 0 0 0 1 1 0 0’ 0 0 1 0 0 1’ 0’ |
2, 25, 31, 32 |
|
1 1 1 0 0 1 0 |
0 0’ 0 1 1 0 1 |
1 0 1 0 0 0 0 1’ 1 0 0 0’ 0 1 0 0 1’ 0’ |
2, 9, 22,26, 31,32 |
|
0 1 1 0 1 0 1 |
1 0 0 1 0 1 0 |
1 0 0 1 0’ 0 0 0 1’ 1 0 0 0’ 0 1’ 0’ 1’ 0’ |
3, 19, 23, 27, 29, 30, 31, 32 |
|
0 1 1 0 1 1 0 |
1 0 0’ 1 0 0 1 |
1 0 1 0 0’ 0 0’ 1 1’ 0 0’ 0 0’ 1 0’ 1’ 0’ 1’ |
3, 10, 28, 29, 30, 31, 32 |
|
1 0 1 1 0 1 0 |
0 1 0’ 0 1 0 1 |
0 1 1 0 0 1 0 0 1 0 0 1’ 0 1 0 0 0’ 1’ |
3, 10, 26, 31, 32 |
|
0 1 0 1 1 0 1 |
1 0 1 0 0 1 0 |
0’ 1’ 0 1 0’ 0 0 0 1’ 1 0 0 0 0 1’ 0’ 1’ 0’ |
4, 15, 16, 19, 23, 29, 30, 31,32 |
|
1 0 0 1 0 1 0 |
0 1 1 0 1 0 1 |
0’ 1’ 1 0 0 1 0 0 1 0 0’ 0 0 0 1 0 1’ 0’ |
4, 15,16,25,31,32 |
|
0 0 1 1 1 1 0 |
1 1 0 0’ 0 0 1 |
0 1 1 0 0 1’ 0 0 1 0’ 0 0 0 1’ 0’ 1’ 0’ 1’ |
4, 11, 20, 24, 28, 29, 30, 31, 32 |
|
1 0 0 0 1 1 0 |
0 1 1 1 0’ 0 1 |
1 0 1 0 0 0 1’ 0 1 0 0’ 0 0 0 1 0 1’ 0’ |
5,12,21,25, 31,32 |
|
0 0 1 1 1 1 0 |
1 1 0 0 0’ 0 1 |
0 1 1 0 0 1 0 0 1 0 0 0 0 1 0 1’ 0’ 1’ |
5, 12, 30, 31, 32 |
|
0 1 0 0 1 1 1 |
1 0 1 1 0 0 0 |
1 0 0 1 0’ 0 0 0 1’ 1 0 0 0’ 0 1’ 0’ 1’ 0’ |
6,19,23,27,29,30,31,32 |
|
1 2 3 4 5 6 7 |
8 9 10 11 12 13 14 |
15 16 17 18 19 20 21 22 23 24 25 26 27 28 29 30 31 32 |
Пути |
|
0 0 1 1 0 1 1 |
1 1 0 0 1 0’ 0 |
0 1 0 1 0 1’ 0 0 1 0’ 0 0 0 1’ 0’ 1’ 0’ 1’ |
6, 13, 20, 24, 28, 29, 30, 31, 32 |
|
1 0 1 1 0 1 0 |
0 1 0 0 1 0’ 1 |
0 1 1 0 0 1 0 0 1 0 0 1’ 0 1 0 0 0’ 1’ |
6, 13, 26, 31, 32 |
|
1 1 1 0 0 1 1 |
0 0 0 1 1 0 0 |
1 0 0’ 0’ 0 0 0 0’ 1 1 0 1’ 0 0 1 0 0’ 1’ |
7, 17, 18, 22, 26, 31, 32 |
|
0 0 1 0 1 1 1 |
1 1 0 1 0 0 0 |
1 0 0’ 1’ 0 0 0 0 1 1 0’ 0 0 0 1 0 1’ 0’ |
7,17,18,25,31,32 |
|
0 0 1 0 1 0 1 |
1 1 0 1 0 1 0’ |
1 0 0 1 0 0 0 0 1 1’ 0 0 0 0’ 1’ 0’ 1’ 0’ |
7, 14, 24, 28, 29, 30, 31, 32 |
|
0 1 0 0 1 0 1 |
1 0 1 1 0 1 0’ |
1 0 1 0 1 0 0 0 0 1 0 0 1’ 0 0’ 1’ 0’ 1’ |
7, 14, 27, 29, 30, 31, 32 |
После заполнения всех строк таблицы из нее следует выписать наборы входных переменных с соответствующими реакциями. При этом один набор с переменной 1’ распадается на два набора, в одном из них 1’ дает 1, а в другом – 0. В общей системе наборов обычно получаются одинаковые наборы. Лишние нужно удалить. Оставшиеся ( табл. 17 ) наборы с эталонными реакциями и являются тестом.
Таблица 17
Реакция |
Наборы |
Реакция |
Наборы |
|
0 |
0 0 1 1 0 1 1 |
0 |
0 0 1 0 1 1 1 |
|
1 |
1 0 1 1 0 1 0 |
0 |
0 0 1 0 1 0 1 |
|
0 |
1 1 0 0 1 0 1 |
1 |
0 1 0 0 1 0 1 |
|
0 |
1 1 1 0 0 1 0 |
1 |
0 0 0 0 1 1 0 |
|
0 |
0 1 1 0 1 0 1 |
0 |
0 0 1 1 0 1 0 |
|
1 |
0 1 1 0 1 1 0 |
1 |
1 0 1 0 0 1 0 |
|
0 |
0 1 0 1 1 0 1 |
1 |
1 0 0 0 0 1 0 |
|
0 |
1 0 0 1 0 1 0 |
0 |
0 0 1 1 0 0 1 |
|
1 |
0 0 1 1 1 1 0 |
0 |
1 0 1 1 0 0 0 |
|
0 |
0 1 0 0 1 1 1 |
1 |
0 0 1 0 1 1 0 |
|
1 |
0 0 1 1 0 1 1 |
1 |
0 0 1 0 1 0 0 |
|
1 |
1 1 1 0 0 1 1 |
0 |
0 1 0 0 1 0 0 |
Всего получилось 24 набора.
Чтобы проверить схему, надо задать три неисправности: одна касается какого-либо элемента ближе ко входам схемы, другая – к середине схемы, третья – к выходу схемы.
Надлежит установить, обнаруживается или нет каждая заданная неисправность тестом. При этом нужно брать те тестовые наборы, которые как раз и предназначены для обнаружения заданной неисправности.
Проверка схемы проведена в табл. 18. В соответствующем столбце фиксируется ошибка, сведения для столбцов, расположенных левее, берутся из табл.16, остальные заполняются самостоятельно с учетом введенной ошибки. Полученная реакция сравнивается с эталонной. Таким образом устанавливается, обнаруживается или нет заданная неисправность.
Проверка логической схемы контролирующим тестом Таблица 18
|
№ набора |
1 2 3 4 5 6 7 |
8 9 10 11 12 13 14 |
15 16 17 18 19 20 21 22 23 24 25 26 27 28 29 30 31 32 |
Эталонная реакция |
Пути |
|
7 |
0 1 1 0 1 1 0 |
1 0 1 1 0 0 1 |
Выход 10 = 1 1 0 1 0 0 0 0 1 1 0 0 0 0 0 1 0 1 0 |
1 |
3, 10, 28, 29, 30, 31, 32 |
|
9 |
0 1 0 1 1 0 1 |
1 0 1 0 0 1 0 |
Выход 19 = 1 0 1 0 1 1 0 0 0 0 1 0 0 1 0 0 1 0 1 |
0 |
4, 15, 16, 19, 23, 27, 29, 30, 31,32 |
|
11 |
0 0 1 1 1 1 0 |
1 1 0 0 0 0 1 |
Выход 28 = 0 0 1 1 0 0 1 0 0 1 0 0 0 0 0 1 0 1 0 |
1 |
4, 11, 20, 24, 28, 29, 30, 31, 32 |
ЗАКЛЮЧЕНИЕ
В данной работе я выполнил синтез логической схемы по заданному в кубической форме покрытию. При этом мною предварительно была проведена минимизация и факторизация покрытия. Первоначальная стоимость покрытия была равна 48, после нахождения множества простых импликант она увеличилась на 5 (что составило 10,4% от первоначальной стоимости), после нахождения множества L-экстремалей стоимость уменьшилась на 17 (32%), а после проведения факторизации покрытия еще на 6 (16,7%). Итоговая стоимость покрытия получилась равной 30. Синтез схемы осуществлялся мною последовательно: сначала была построена схема в булевом базисе, затем по этой схеме была построена схема в универсальном базисе ИЛИ-НЕ (при этом использовались соответствия между элементами булевого и универсального базисов). После составления схемы в универсальном базисе была проведена проверка схемы путем нахождения единичного покрытия. Так как в ходе проверки были найдены все кубы множества L-экстремалей, то схема была признана правильной. И наконец, была составлена схема с учетом реально имеющихся ограничений, а именно: К>вх> и К>р>. Обычно эта схема получается довольно громоздкой (до 50 и более элементов), но в моем случае К>вх> был равен 4, из-за чего схема увеличилась лишь незначительно: если в схеме в универсальном базисе было 19 элементов, то в конечной схеме их было только 32. Напоследок мною был синтезирован контролирующий тест и проведена проверка схемы тестом, которая показала, что заданная неисправность успешно обнаруживается тестом.
ЛИТЕРАТУРА
Триханов А.В. Синтез логических схем. Учебное пособие.-Томск,2007.
Майоров С.А. и др. Проектирование ЦВМ. – М.:ВШ,2006.
Миллер Р. Теория переключательных схем. Том 1. – М.:Наука,2006.
Триханов А.В. Алгоритмизация и микропрограммирование операций ЭВМ (множества, графы, кубы, кубические покрытия). Учебное пособие. – Томск: Изд-во ТПУ,2005.



