Определение индуктивности катушки и ее активного сопротивления методом резонанса
Определение индуктивности катушки и ее активного сопротивления методом резонанса.
Данченко О.П., учитель физики (гимназия №2 г. Хабаровск)
Принадлежности:
звуковой генератор, катушка индуктивности,
емкостная батарея (известной емкости),
вольтметр, миллиамперметр.
Целью работы является: исследования зависимости полного сопротивления (импеданса) в цепи переменного тока от частоты, построение резонансной кривой и нахождение по ней резонансной частоты, активного сопротивления цепи и индуктивности катушки.
ТЕОРИЯ:
При последовательном подключении в
цепь с переменным электрическим током
катушки индуктивности (реальная катушка
всегда имеет активное сопротивление)
и емкости получается последовательно
соединенная R-L-C цепь. При последовательном
соединении постоянным параметром цепи
будет электрический ток. Напряжение на
емкости и индуктивности будут сдвинуты
относительно тока UL=IwLcos(wt+p¤2),
UC=I/wC*cos(wt-p¤2).
Этот сдвиг фаз удобно рассматривать на
векторной диаграмме, представленной
на рисунке. Из рисунка видно, что сдвиг
фаз между током и напряжением на активном
сопротивлении катушки R составляет 0,
на индуктивности L +p¤2,
а на емкости С -p¤2.
Из графика видно, что сдвиг фаз между
напряжениями на индуктивности UL и
емкости UC составляет p,
то есть, находится в противофазе.
Результирующее напряжение определяется
разностью: UL-UC и при равенстве этих
напряжений по модулю общее напряжение
на реактивных сопротивлениях равно
нулю. В этом случае все падение напряжения
источника тока приходится на активное
сопротивление R (напряжение на индуктивности
и емкости могут быть в этом случае во
много раз больше, но их сумма равна
нулю). Такое состояние системы называют
резонансом. При резонансе сопротивление
схемы минимально и равно активному
сопротивлению катушки. График зависимости
полного сопротивления цепи Z от частоты
представлен на графике. Значения
сопротивления определяют по формуле
Ома Z=U/I . Так как при резонансе реактивные
сопротивления равны, значения индуктивности
можно выразить из формулы 1/wс=wL;
L =1/w2C, где
w резонансная
частота, определенная из графика.
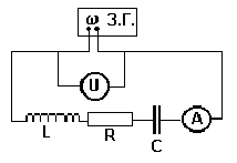
ОПИСАНИЕ
УСТАНОВКИ: Установку собирают согласно
предложенной схеме (катушка представлена
в виде активного и индуктивного
сопротивления). Последовательно катушки
подключают известную емкость. Измерительные
приборы представлены вольтметром и
миллиамперметром. Звуковой генератор
должен иметь диапазон от 20 до 20000 гц и
напряжение выхода порядка 20в.
Задание.
Соберите установку, согласно чертежу.
Заполните предложенную таблицу:
|
n(гц.) |
|||||||||||||||||
|
(w гц.) |
|||||||||||||||||
|
U (в) |
|||||||||||||||||
|
I (А) |
|||||||||||||||||
|
Z (Ом) |
|||||||||||||||||
|
Xc=1/w (Ом) |
По данным таблицы постройте график зависимости полного сопротивления цепи от циклической частоты колебания. По графику определите:
Резонансную частоту. (При необходимости повторите измерения в точках, близких к резонансу.)
Активное сопротивление катушки.
Индуктивность катушки.
Напишите вывод.
Список литературы
Для подготовки данной применялись материалы сети Интернет из общего доступа