ПОСЛЕДОВАТЕЛЬНОЕ СОЕДИНЕНИЕ ПРОВОДНИКОВ
Задание 1337.
Реостат включен в цепь так, как показано на рисунке 317. Как будут изменяться показания амперметра при передвижении ползунка реостата вправо; влево? Ответ обоснуйте.

Рис. 317
Задание 1338.
Как изменится показание амперметра, если ползунок реостата передвинуть вниз (рис. 318)?

Рис. 318
Задание 1339.
В каких пределах можно менять сопротивление в цепи (рис. 319), если сопротивление реостата R имеет пределы 0...10 Ом? Сопротивление резистора R1 равно 20 Ом.

Рис. 319
Задание 1340.
Как изменятся показания измерительных приборов (рис. 320) при смещении ползунка реостата вниз; вверх?

Рис. 320
Задание 1341.
Как изменятся показания амперметра и вольтметра VI (рис. 321), если ползунок реостата переместить из крайнего правого положения в крайнее левое? Как изменятся показания вольтметра V?

Рис. 321
Задание 1342.
Как нужно двигать переключатель реостата (рис. 322), чтобы показания амперметра увеличивались?

Рис. 322
Задание 1343.
В цепь включен рычажный реостат (см. рис. 322), рассчитанный на 40 Ом. Чему равно сопротивление одной спирали? На какой контакт следует передвинуть переключатель реостата, чтобы включить сопротивление 8; 32 Ом?
Задание 1344.
Показания первого и второго вольтметров (рис. 323) соответственно равны 1,5 и 3 В. Сила тока в цепи 0,5 А. Как будут изменяться показания приборов, если ползунок реостата передвигать вправо; влево?

Рис. 323
Задание 1345.
Последовательно с нитью накала радиолампы сопротивлением 3,9 Ом включен резистор, сопротивление которого 2,41 Ом. Определите их общее сопротивление.
Задание1346.
Общее сопротивление последовательно включенных двух ламп сопротивлением 15 Ом каждая и реостата равно 54 Ом. Определите сопротивление реостата.
Задание 1347.
Два резистора сопротивлением 8 и 1 кОм соединены последовательно (рис. 324). Определите показание вольтметра, подключенного между точками А и С, если сила тока в цепи равна 3 мА. Что будет показывать вольтметр, подключенный между точками Аи В, В и С?

Рис. 324
Задание 1348.
Нить накала электронной лампы (рис. 325) имеет сопротивление 2,5 Ом. Определите показание амперметра и сопротивление реостата, если напряжение на нити накала 5 В, а напряжение на зажимах батареи 9 В.

Рис. 325
Задание 1349.
Даны участки электрической цепи (рис. 326). Во сколько раз напряжение на одном проводнике больше, чем на другом, в каждом участке цепи?

Рис. 326
Задание 1350.
В сеть последовательно включены электрическая лампочка и резистор. Сопротивление нити накала лампочки равно 14 Ом, а резистора 480 Ом. Каково напряжение на резисторе, если напряжение на лампочке равно 3,5 В?
Задание 1351.
К полюсам источника тока присоединены последовательно две проволоки — медная и железная. Сопротивление железной проволоки в 2 раза больше сопротивления медной. На концах какой проволоки вольтметр покажет большее напряжение; во сколько раз?
Задание 1352.
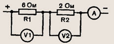
Вольтметр V1показывает 12 В (рис. 327). Каковы показания амперметра и вольтметра V2?

Рис. 327
Задание 1353.
Показание первого вольтметра 24 В (рис. 328). Каково показание амперметра и второго вольтметра?

Рис. 328
Задание 1354.
Сколько ламп с одинаковым сопротивлением надо соединить последовательно для изготовления елочной гирлянды, если каждая лампа рассчитана на напряжение 6 В и все они будут включены в сеть с напряжением 127 В?
Задание 1355.
Начертите схему включения двух ламп с одинаковыми сопротивлениями, рассчитанными на напряжение 110 В, в электрическую сеть с напряжением 220 В.
Задание 1356.
В цепь включены последовательно три проводника сопротивлениями: R1=5 Ом, R2=6 Ом, R3=12 Ом (рис. 329). Какую силу тока показывает амперметр и каково напряжение между точками Аи В, если показание вольтметра 1,2 В?

Рис. 329
Задание 1357.
В цепь с напряжением 100 В включена катушка электромагнита. При последовательном включении реостата сила тока в цепи уменьшилась от 10 до 4 А. Начертите схему цепи и определите сопротивление реостата.
Задание 1358.
Последовательно с электрической лампой включен реостат. Начертите схему цепи и определите сопротивление реостата и лампы, если напряжение на зажимах цепи 12 В. Вольтметр, подключенный к реостату, показывает 8 В. Сила тока в цепи 80 мА.
Задание 1359.
При показании вольтметра F(CM. рис. 321), равном 4,5 В, показание вольтметра VI равно 1,5 В. Каково показание амперметра, если сопротивление реостата составляет 20 Ом?
Задание 1360.
В цепь включены два проводника:R1 =5 Ом и R2 = 10 Ом (рис. 330). Вольтметр V1 показывает напряжение 12 В. Определите показания амперметра и вольтметра V2.

Рис. 330
Задание 1361.
При замыкании переключателя в положение 1 (рис. 331) амперметр показывает силу тока 1 А, а в положении 2 — силу тока 4 А. Определите сопротивление каждого проводника, если напряжение на зажимах цепи 12В.

Рис.331